Documente online.
Zona de administrare documente. Fisierele tale
Am uitat parola x Creaza cont nou
 HomeExploreaza
upload
Upload




CIRCUITE PENTRU EXTINDEREA DOMENIULUI DE MASURARE

tehnica mecanica



CIRCUITE PENTRU EXTINDEREA DOMENIULUI DE MASURARE


4.1. Circuite pentru extinderea domeniului de masurare a curentului




Deoarece in lantul de masurare valorile curentilor nu sunt intotdeauna compatibile cu intrarile convertoarelor conectate este nevoie de punerea de acord cu cerintele acestora, care se face fie prin divizare, fie prin amplificare.


4.1.1. Suntul simplu


Suntul este un rezistor de valoare mica, care are rolul de a prelua o parte din curentul de masurat. El se foloseste atunci cand valoarea maxima a curentului de masurat depaseste intervalul de masurare al urmatorului element din lantul de masurare.

In fig. 4.1. se prezinta un dispozitiv magnetoelectric cu sunt simplu.

In general suntul are rezistenta mica si se confectioneaza cu patru borne.

In fig. 4.1. bornele notate cu a sunt borne de curent, iar cele notate cu b sunt borne de tensiune. In acest fel rezistentele de contact ce apar la introducerea suntului in circuitul de curent (rezistentele legaturilor la bornele a) sunt scoase in afara circuitului de masura. Rezistentele de contact de la borna b sunt in serie cu rezistenta Ra a carei valoare este de obicei mult mai mare decat rs si deci valoarea rezistentei de contact la aceste borne poate fi neglijata.

Scriind caderile de tensiune pe cele doua rezistente se obtine:

Ia Ra = IS rS = (I-IA) rS    (4.1)

Pe seama relatiei (4.1.) se poate calcula raportul de suntare n:

(4.2)

In cele mai multe cazuri, datele de proiectare a suntului sunt n si Ra. Din relatia (4.2.) se poate calcula valoarea suntului:

(4.3)


In practica suntul este caracterizat de valoarea nominala a curentului admis si de caderea de tensiune pe sunt la valoarea nominala a curentului. Cele mai multe sunturi se construiesc in asa fel incat la curentul nominal sa se realizeze o cadere de tensiune de 75 mV. Plaja in care se gasesc valorile nominale ale sunturilor este de la miliamperi la sute, chiar mii de amperi.

Chiar daca rS << Ra, curentul mare care trece prin sunt determina o valoare mare a puterii disipate si prin urmare o incalzire a suntului.

Pentru a micsora influenta temperaturii asupra rezistentei suntului, suntul se construieste din materiale ce au un coeficient de variatie cu temperatura a rezistivitatii mic, cum este manganinul. De cele mai multe ori rezistorul Ra este confectionat din cupru si are o valoare a rezistentei care depinde de temperatura.

Dependenta de temperatura a raportului de suntare se exprima prin relatia:

(4.4)

unde:    - rS0, Ra0 sunt valorile rezistentelor la temperatura de referinta (20 C);

- a b sunt coeficientii de variatie cu temperatura a lui rs si Ra;

- q q sunt temperaturile de echilibru ale suntului si rezistorului Ra.

Daca rS este confectionat din manganin, atunci a este neglijabil si rezulta o expresie mai simpla pentru eroarea relativa procentuala a raportului de suntare cauzata de temperatura:

(4.5)

De exemplu daca rezistorul este din cupru (b 10-3) si se incalzeste cu 10 C peste temperatura de referinta, eroarea relativa a raportului de suntare este de 4%, eroare care nu poate fi neglijata.

Reducerea dependentei de temperatura a raportului de suntare se realizeaza prin inserierea la rezistenta Ra a unei rezistente R1 din manganina, practic independenta de temperatura (fig.4.2).





Eroarea relativa a raportului de suntare fata de temperatura de referinta devine:

(4.6)

Cu cat R1 este mai mare, cu atat eroarea relativa este mai mica. Dezavantajul compensarii este acela ca duce la cresterea valorii suntului si totodata a puterii disipate.

Compensarea ideala a variatiei cu temperatura presupune confectionarea rezistorului aditional dintr-un material cu coeficient de variatie cu temperatura a rezistentei (g) de semn opus lui b. In acest caz valoarea rezistentei R1 care asigura compensarea este:

(4.7)

In practica la ampermetrele magnetoelectrice in serie cu bobina din cupru a dispozitivului se leaga un termistor NTC si un rezistor din manganin. Nu se renunta intru totul la rezistenta invariabila cu temperatura deoarece rezistenta termistorului se degradeaza in timp.

La cresterea frecventei, curentul de iesire Ia, se modifica in principal din urmatoarele cauze:

1) Inductivitatea si capacitatea proprie a suntului. Daca suntul este bobinat, se executa un bobinaj neinductiv (cu doua fire deodata), iar spirele se plaseaza cat mai departat una de alta. Daca sunt mai multe straturi se cauta ca spirele din straturile suprapuse sa se intersecteze la 90

2) Efectul pelicular ce conduce la cresterea rezistentei suntului cu frecventa. Efectul este micsorat daca suntul se confectioneaza din mai multe fire subtiri legate in paralel.

3) Tensiunea electromotoare indusa in bucla realizata de sunt, Ra si firele de legatura. Pentru micsorarea tensiunii electromotoare induse suntul se realizeaza sub forma de sunt bifilar sau sunt coaxial.

Fig. 4.3.a - Sunt bifilar; b - Sunt coaxial.


Constructia bifilara micsoreaza mult suprafata buclei, iar constructia coaxiala situeaza bornele de tensiune intr-o zona de camp magnetic foarte mic. Curentul Ia este condus la rezistenta Ra printr-un cablu coaxial.


4.1.2. Suntul multiplu


Atunci cand este necesara schimbarea frecventa a raportului de suntare este mai comod sa se utilizeze suntul multiplu prezentat in fig. 4.4.

Fig. 4.4. Suntul multiplu

Valorile de curent I1, I2, . Ik, , In sunt cele n domenii de curent ale suntului multiplu. Pentru un domeniu oarecare Ik ales cu ajutorul comutatorului K se poate scrie:

(4.8)

de unde rezulta:

(4.9)

Valoarea rezistentei suntului pentru pozitia k este:

(4.10)

Se pot face cateva observatii legate de schema suntului multiplu:

a) Dispunerea in serie a rezistentelor r1, r2, , rn asigura intreruperea curentului Ik atunci cand comutatorul K trece de pe un plot pe altul. In felul acesta este tot timpul asigurata limitarea valorii maxime a curentului Ia

b) Cea mai mare putere consumata se inregistreaza la masurarea curentului In deoarece caderea de tensiune pe sunt este cea mai mare atunci cand comutatorul K este pe pozitia n.

c) Cea mai mare eroare cu temperatura se inregistreaza la masurarea curentului I1.



4.1.3. Transformatorul de curent


Este un divizor de curent de tip inductiv si ca urmare functioneaza doar in curent alternativ.



Se construiesc transformatoare de curent intr-un domeniu larg de valori de la cativa amperi pana la sute de amperi. Cele mai intalnite sunt transformatoarele de curent coboratoare ( I2 < I1 ) cu mai multe valori nominale ale curentului primar si cu o singura valoare a curentului secundar ( I2 = 5A ).

Transformatorul de curent se realizeaza prin bobinarea pe un miez magnetic toroidal a doua infasurari: primarul si secundarul.

Miezul magnetic se fabrica dintr-un material magnetic de buna calitate, care este supus unui tratament termic pentru pastrarea in timp a caracteristicilor.

Cel mai apropiat de miez se bobineaza secundarul, cu spirele uniform distribuite pe circumferinta. In exterior se bobineaza primarul, izolat galvanic de secundar si cu prize pentru realizarea diferitelor valori nominale ale curentului primar.

La bobinarea primarului se au in vedere doua cerinte:

1) Sectiunea conductorului utilizat sa corespunda curentului nominal al prizei respective;

2) Indiferent de curentul primar, spirele primare prin care trece curent sa fie uniform distribuite pe circumferinta torului.

Aceste cerinte conduc la construirea primarului din infasurari inseriate intretesute. Fiecare infasurare este realizata din conductor de sectiune diferita.

Pentru rigidizare si izolare transformatorul este inglobat intr-un material izolator. Orificiul central al torului se lasa liber si se poate folosi pentru extinderea domeniului de masura. Domeniul maxim al curentului primar se obtine atunci cand prin centrul torului trece conductorul prin care circula curentul de masura. In acest caz infasurarea primara are o singura spira.

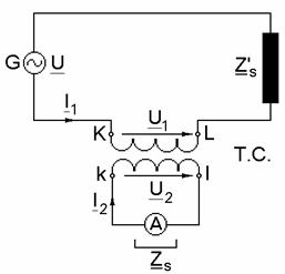
Conectarea in circuit a transformatorului de curent este prezentata in fig. 4.5.



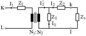
Schema echivalenta in T a transformatorului de curent este prezentata in fig. 4.6.a. Cu Z1 si Z2 s-au notat impedantele proprii ale primarului, respectiv secundarului si cu Z0 impedanta in gol a secundarului (impedanta de magnetizare).


Notarea bornelor transformatorului se face pentru a se cunoaste sensul curentului prin impedanta de sarcina ZS in raport cu sensul curentului primar. Spre exemplu daca curentul primar circula de la K la L atunci in exteriorul secundarului curentul circula de la k la l.

Pentru schema din fig. 4.6.a se pot scrie relatiile:

(4.11)

de unde rezulta expresia raportului real de transformare:

(4.12)

Raportul este raportul de transformare nominal.

Eroarea relativa a raportului de transformare este:

(4.13)

Erorile de raport sunt cu atat mai mici cu cat Z2 si ZS sunt mai mici in raport cu Z0. Acest lucru se obtine folosind miezuri magnetice de permeabilitate mare (exemplu: aliajul fier - nichel numit permalloy are permeabilitate relativa de peste 30.000) si volum mare, bobinarea secundarului cu un numar minim de spire (la scaderea curentului nominal din secundar cresc erorile) precum si limitarea superioara a impedantei de sarcina ce poate fi conectata in secundar.

Respectand aceste cerinte se obtin transformatoare de curent cu erori ale raportului de transformare sub 0, 01% pe impedante de sarcina mai mici de 0,1W si la frecvente pana la cativa kilohertzi.

Micsorarea erorilor raportului de transformare se poate realiza prin compensarea electronica a erorilor. Compensarea electronica a erorilor presupune ca pe langa transformatorul de curent sa existe si un amplificator operational care sa furnizeze intreg curentul de sarcina sau doar o parte din el (fig. 4.7).

Rolul AO este de a asigura functionarea in scurtcircuit a secundarului si de a furniza curentul de sarcina. Prin urmare compensarea se refera doar la erorile cu sarcina si nu la erorile interne ale transformatorului.

Pentru fig. 4.7 se pot scrie relatiile:

(4.14)

unde A0, este amplificarea in bucla deschisa a amplificatorului operational.

Rezolvand (4.14) se obtine:

(4.15)

Deoarece A0 este foarte mare, termenul de eroare cu sarcina practic dispare. Prin compensarea electronica a erorilor se poate ajunge la erori de 1 p.p.m. in gama de frecvente de 50 Hz 1 kHz pe sarcini de pana la 1 W

Regimul de functionare in gol al transformatorului de curent este un regim de avarie, de aceea se impune ca in timpul functionarii sarcina din secundar ZS sa nu depaseasca valoarea maxima admisa.





Document Info


Accesari: 8643
Apreciat: hand-up

Comenteaza documentul:

Nu esti inregistrat
Trebuie sa fii utilizator inregistrat pentru a putea comenta


Creaza cont nou

A fost util?

Daca documentul a fost util si crezi ca merita
sa adaugi un link catre el la tine in site


in pagina web a site-ului tau.




eCoduri.com - coduri postale, contabile, CAEN sau bancare

Politica de confidentialitate | Termenii si conditii de utilizare




Copyright © Contact (SCRIGROUP Int. 2025 )