








![]()

















![]()

![]()







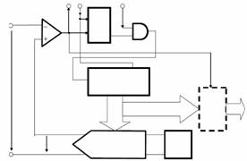
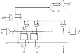
Pe prima pagina sunt scheme din capitolele cu CNA, CAN si OSCILOSCOP
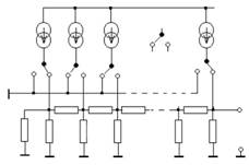
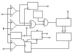
Pe pagina 2 sunt scheme din MASURAREA TENSIU 11511u209l NILOR . si din MASURAREA FRECVENTELOR
Obs: Cele 2 pagini se vor printa fata-verso, printarea acestei pagini ne fiind recomandata!
|