ALTE DOCUMENTE
|
||||||||||
|
NR. TEMA |
TEMA |
||||||
|
|
LINII, FORMATE, SCARI DE REPREZENTARE |
||||||
|
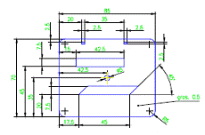
Considerând desenul "E1.dwg", reprezentând un element dintr-o instalatie pneumatica de comanda, modificati corespunzator desenul, astfel încât proiectia desenata sa redea corect obiectul din punctul de vedere al utilizarii tipurilor de linii. Realizati de asemenea sectiunea partiala în tronsonul vertical, astfel încât prelucrarile interioare sa devina vizibile. Piesa este prevazuta cu un filet exterior cu iesire pe tronsonul orizontal si cu gauri filetate interioare strapunse la capetele tronsonului vertical. Tronsonul orizontal are de asemenea o gaura cilindrica înfundata, nevizibila pe proiectia considerata. Aspectul initial si cel final al desenului sunt redate în continuare. |
|
|
|||||
|
Considerând desenul "E2.dwg", din folder-ul "Desene" de pe CD-rom, transformati desenul astfel încât liniile sa fie utilizate corect, prin tipurile corespunzatoare. Completati sectiunea suprapusa cu hasura necesara. Desenati apoi si pozitia în miscare a pârghiei reprezentate (fara sectiunea transversala), pozitie rotita la 60ș spre dreapta fata de cea de repaus. Cotati unghiular aceasta pozitie. |
|
|
|||||
|
|
CORPURI GEOMETRICE SIMPLE REGULATE |
||||||
|
Primul
exercitiu consta în reprezentarea în proiectii ortogonale a unui cilindru circular
drept, cu înaltimea de Baza cilindrului este situata in planul orizontal. Pentru buna fixare a corespondentei dintre obiect si imaginea sa în proiectii ortogonale, se vor trasa trei proiectii: vederea din fata, cea de sus si cea din stânga, dispuse în sistem european. |
|
||||||
|
Modelati
spatial un cilindru circular drept cu baza în planul orizontal, baza având diametrul
de Generati apoi într-un layout adecvat vederile ortogonale corespunzatoare vederii din fata, de sus si din stânga ale obiectului. Afisati de asemenea o vedere izometrica a obiectului. |
|
|
|||||
|
Sa se reprezinte un trunchi de piramida dreapta cu baza patrat, baza fiind situata în planul vertical. Laturile bazelor sunt orizontale si verticale. Trunchiul de piramida are latura bazei mari de Se vor crea vederile din fata, de sus si din stânga. |
|
||||||
|
Sa se modeleze tridimensional un trunchi de piramida dreapta cu baza patrat, baza fiind situata în planul vertical. Dimensiunile sunt: latura bazei mari Sa se creeze în spatiul hârtiei, pe un layout adecvat, vederile ortogonale din fata, de sus si din stânga. |
|
||||||
|
|
Sa se reprezinte în trei proiectii ortogonale un con circular drept cu baza în planul orizontal si vârful deasupra bazei. Diametrul bazei este Sa se prezinte pe un format de hârtie standardizat din seria A, adecvat ales, la scara 1:2 desenul obtinut (salvare "CG5.dwg"). |
|||||||||||||||||||||||||||||||||||||||||||||||||||||||
|
Sa se modeleze în spatiul tridimensional un con circular drept cu baza în planul orizontal si vârful deasupra bazei. Diametrul bazei este Sa se prezinte pe un format de hârtie standardizat din seria A, adecvat ales, la scara 1:2 modelul obtinut, în trei proiectii ortogonale si una izometrica (salvare "CG6.dwg"). |
||||||||||||||||||||||||||||||||||||||||||||||||||||||||
|
Sa se reprezinte în trei proiectii ortogonale un paralelipiped dreptunghic cu fetele paralele cu planele de proiectie. Dimensiunile sunt Sa se prezinte pe un format de hârtie standardizat din seria A, adecvat ales, la scara 1:1 desenul obtinut (salvare "CG7.dwg"). |
||||||||||||||||||||||||||||||||||||||||||||||||||||||||
|
Sa se modeleze în spatiul tridimensional un paralelipiped dreptunghic cu fetele paralele cu planele de proiectie. Dimensiunile sunt Sa se prezinte pe un format de hârtie standardizat din seria A, adecvat ales, la scara 1:1 modelul obtinut, în trei proiectii ortogonale si una izometrica (salvare "CG8.dwg"). |
||||||||||||||||||||||||||||||||||||||||||||||||||||||||
|
Sa se reprezinte în trei proiectii ortogonale un trunchi de con circular drept cu baza în planul lateral. Diametrul bazei mari este Sa se prezinte pe un format de hârtie standardizat din seria A, adecvat ales, la scara 1:1 desenul obtinut (salvare "CG9.dwg"). |
||||||||||||||||||||||||||||||||||||||||||||||||||||||||
|
Sa se modeleze în spatiul tridimensional un trunchi de con con circular drept cu baza în planul lateral. Diametrul bazei mari este de Sa se prezinte pe un format de hârtie standardizat din seria A, adecvat ales, la scara 1:1 modelul obtinut, în trei proiectii ortogonale si una izometrica (salvare "CG10.dwg"). |
|
|||||||||||||||||||||||||||||||||||||||||||||||||||||||
|
Sa se reprezinte în trei proiectii ortogonale o piramida dreapta cu baza patrat, baza fiind situata în planul orizontal. Latura bazei este Sa se prezinte pe un format de hârtie standardizat din seria A, adecvat ales, la scara 2:1 desenul obtinut (salvare "CG11.dwg"). |
||||||||||||||||||||||||||||||||||||||||||||||||||||||||
|
Sa se modeleze în spatiul tridimensional o piramida dreapta cu baza patrat, baza fiind situata în planul lateral. Latura bazei este de Sa se prezinte pe un format de hârtie standardizat din seria A, adecvat ales, la scara 2:1 modelul obtinut, în trei proiectii ortogonale si una izometrica (salvare "CG12.dwg"). |
|
|||||||||||||||||||||||||||||||||||||||||||||||||||||||
|
Sa se reprezinte în trei proiectii ortogonale o prisma dreapta cu baza triunghi echilateral, baza fiind situata în planul orizontal. Latura bazei este Sa se prezinte pe un format de hârtie standardizat din seria A, adecvat ales, la scara 2:1 desenul obtinut (salvare "CG13.dwg"). |
|
|||||||||||||||||||||||||||||||||||||||||||||||||||||||
|
Sa se modeleze în spatiul tridimensional o prisma dreapta cu baza triunghi echilateral, baza fiind situata în planul orizontal. Latura bazei este de Sa se prezinte pe un format de hârtie standardizat din seria A, adecvat ales, la scara 2:1 modelul obtinut, în trei proiectii ortogonale si una izometrica (salvare "CG14.dwg"). |
||||||||||||||||||||||||||||||||||||||||||||||||||||||||
|
Sa se reprezinte în trei proiectii ortogonale o piramida dreapta cu baza triunghi echilateral, baza fiind situata în planul vertical. Latura bazei este Sa se prezinte pe un format de hârtie standardizat din seria A, adecvat ales, la scara 1:1 desenul obtinut (salvare "CG15.dwg"). |
||||||||||||||||||||||||||||||||||||||||||||||||||||||||
|
Sa se modeleze în spatiul tridimensional o piramida dreapta cu baza triunghi echilateral, baza fiind situata în planul vertical. Latura bazei este de Sa se prezinte pe un format de hârtie standardizat din seria A, adecvat ales, la scara 1:1 modelul obtinut, în trei proiectii ortogonale si una izometrica (salvare "CG16.dwg"). |
|
|||||||||||||||||||||||||||||||||||||||||||||||||||||||
|
|
PIESE DE TIP PLACA PLANA SUBTIRE |
|||||||||||||||||||||||||||||||||||||||||||||||||||||||
|
Sa se
reprezinte în proiectiile ortogonale necesare si sa se coteze complet cadranul
de contor electric monofazat, confectionat din tabla de aluminiu de grosime Dimensiunile cadranului se determina de pe reteaua
izometrica, stiind ca un pas de retea este de Sa se prezinte desenul pe un format standardizat din seria A, ales astfel încât dimensiunile sa fie lizibile. |
|
|
||||||||||||||||||||||||||||||||||||||||||||||||||||||
|
Sa se modeleze tridimensional piesa din problema precedenta si sa se prezinte pe un layout corespunzator unui format standardizat din seria A, la o scara standardizata potrivit aleasa. Sa se includa în prezentare si o imagine spatiala. |
|
|||||||||||||||||||||||||||||||||||||||||||||||||||||||
|
Sa se reprezinte în proiectiile ortogonale necesare si sa se coteze panoul din fata al unui aparat electric, panou redat în figura de mai jos. Sa se prezinte desenul pe un format standardizat din seria A, la o scara standardizata potrivit aleasa. Dimensiunile obiectului se determina de pe reteaua ortogonala pe care este desenat în figura de enunt a problemei. |
|
|
||||||||||||||||||||||||||||||||||||||||||||||||||||||
|
Sa se modeleze spatial panoul din problema precedenta si sa se prezinte modelul pe un layout adecvat, la o scara standardizata. Sa se reprezinte în proiectiile ortogonale necesare si sa se coteze placa izolatoare din figura urmatoare. Sa se prezinte desenul pe un format standardizat din seria A, la o scara standardizata potrivit aleasa. Dimensiunile obiectului se determina de pe reteaua ortogonala pe care este desenat în figura de enunt a problemei. Grosimea materialului este de |
|
|
||||||||||||||||||||||||||||||||||||||||||||||||||||||
|
Sa se modeleze spatial piesa din problema precedenta si sa se prezinte pe un layout corespunzator unui format standardizat din seria A, incluzând si o imagine spatiala a piesei. |
||||||||||||||||||||||||||||||||||||||||||||||||||||||||
|
Sa se reprezinte în proiectiile ortogonale necesare si sa se coteze placa din figura, apoi sa se prezinte pe un format standardizat din seria A la o scara potrivit aleasa ("PL7.dwg"). |
|
|||||||||||||||||||||||||||||||||||||||||||||||||||||||
|
Sa se modeleze spatial placa din problema precedenta si sa se prezinte pe un format standardizat din seria A, într-o vedere ortogonala si una spatiala ("PL8.dwg"). |
||||||||||||||||||||||||||||||||||||||||||||||||||||||||
|
Sa se reprezinte în proiectiile ortogonale necesare si sa se coteze cadranul din figura, apoi sa se prezinte pe un format standardizat din seria A la o scara potrivit aleasa ("PL9.dwg"). Dimensiunile se determina de pe reteaua
izometrica, al careipas de retea este de Grosimea cadranului este de |
|
|||||||||||||||||||||||||||||||||||||||||||||||||||||||
|
Sa se modeleze spatial piesa din problema precedenta si sa se prezinte pe un layout corespunzator unui format standardizat din seria A, incluzând si o imagine spatiala a piesei ("PL10.dwg"). |
||||||||||||||||||||||||||||||||||||||||||||||||||||||||
|
Sa se reprezinte în proiectiile ortogonale necesare si sa se coteze cadranul din figura, apoi sa se prezinte pe un format standardizat din seria A la o scara potrivit aleasa ("PL11.dwg"). Dimensiunile se determina de pe reteaua
izometrica, al carei pas de retea este de Orificiile circulare mari au diametrul de Grosimea cadranului este de Pozitia orificiilor mici se coteaza polar, în raport cu vârful din stânga-jos, iar a celor mari rectangular. Bazele de referinta pentru cotele dispuse rectangular vor fi latura verticala din dreapta, respectiv latura orizontala de jos. |
|
|
||||||||||||||||||||||||||||||||||||||||||||||||||||||
|
Sa se modeleze spatial cadranul din problema precedenta si sa se prezinte pe un layout corespunzator unui format standardizat din seria A, incluzând si o imagine spatiala a piesei ("PL12.dwg"). |
||||||||||||||||||||||||||||||||||||||||||||||||||||||||
|
Sa se reprezinte în proiectiile ortogonale necesare si sa se coteze pârghia plana din figura, apoi sa se prezinte pe un format standardizat din seria A la o scara potrivit aleasa ("PL13.dwg"). Dimensiunile se determina de pe reteaua
izometrica, al carei pas de retea este de Grosimea pârghiei este de |
|
|||||||||||||||||||||||||||||||||||||||||||||||||||||||
|
Sa se modeleze spatial pârghia din problema precedenta si sa se prezinte pe un layout corespunzator unui format standardizat din seria A, incluzând si o imagine spatiala a piesei ("PL14.dwg"). |
||||||||||||||||||||||||||||||||||||||||||||||||||||||||
|
Sa se reprezinte în proiectiile ortogonale necesare si sa se coteze placa de fixare din figura. Dimensiunile placii sunt exprimate în inch. Pasul de retea din figura este de Orificiile patrate sunt identice si echidistante
si au latura de Pozitionarea lor se realizeaza în raport cu centrele orificiilor. Datorita cerintelor de precizie foarte ridicata în executie, pozitiile decupajelor se specifica toate fata de un element de referinta comun: latura din stânga pe orizontala si cea de sus pe verticala. Sa se prezinte pe un layout corespunzator, masurat în inch desenul realizat. |
|
|||||||||||||||||||||||||||||||||||||||||||||||||||||||
|
|
||||||||||||||||||||||||||||||||||||||||||||||||||||||||
|
Sa se modeleze spatial placa din problema precedenta si sa se prezinte pe un layout corespunzator unui format standardizat din seria A, masurat în inch, incluzând si o imagine spatiala a piesei ("PL16.dwg"). |
||||||||||||||||||||||||||||||||||||||||||||||||||||||||
|
Sa se reprezinte în proiectiile ortogonale necesare si sa se coteze cosa din figura urmatoare. Sa se prezinte desenul pe un format standardizat din seria A la o scara standardizata potrivit aleasa ("PL17.dwg"). Pasul de retea este de Grosimea piesei este de |
|
|
||||||||||||||||||||||||||||||||||||||||||||||||||||||
|
Sa se modeleze spatial cosa din problema precedenta si sa se prezinte pe un layout corespunzator unui format standardizat din seria A, masurat în mm, incluzând si o imagine spatiala a piesei ("PL18.dwg"). |
||||||||||||||||||||||||||||||||||||||||||||||||||||||||
|
Sa se reprezinte în proiectiile ortogonale necesare si sa se coteze ecranul antimagnetic de wattmetru din figura urmatoare. Sa se prezinte desenul pe un format standardizat din seria A la o scara standardizata potrivit aleasa ("PL19.dwg"). Pasul de retea este de Grosimea piesei este de Conturul exterior are în partea superioara raza diferita de cea din partea inferioara. Observati dispunerea asimetrica a decupajului reptunghiular! |
|
|||||||||||||||||||||||||||||||||||||||||||||||||||||||
|
|
PIESE CU CONFIGURATIE AXIAL-SIMETRICA |
|||||||||||||||||||||||||||||||||||||||||||||||||||||||
|
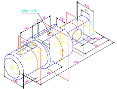
Sa se reprezinte în proiectiile ortogonale necesare si sa se coteze piesa de tip ax descrisa în continuare. Forma geometrica a axului este compusa din trei tronsoane cilindrice în prelungire, având axa longitudinala comuna. Diametrele celor trei tronsoane care compun piesa
sunt de la stânga spre dreapta: 60, 70, Lungimile acestor tronsoane sunt: 50, 60, Tronsoanele de capat sunt tesite conic pe Trecerea de la un tronson cilindric la celalalt se
realizeaza printr-o raza de racordare de Sa se prezinte desenul pe un format standardizat din seria A la o scara standardizata. |
|
|||||||||||||||||||||||||||||||||||||||||||||||||||||||
|
Sa se modeleze spatial axul din problema precedenta si sa se genereze proiectiile ortogonale necesare, alaturi de o prezentare spatiala a modelului, pe un format standardizat din seria A. |
| Sa se prezinte desenul pe un format standardizat. |
|
|||||||||||||||||||||||||||||||||||||||||||||||||||||
|
Sa se modeleze spatial axul din problema precedenta si sa se genereze proiectiile ortogonale necesare, alaturi de o prezentare spatiala a modelului, pe un format standardizat din seria A ("AX4.dwg"). |
||||||||||||||||||||||||||||||||||||||||||||||||||||||||
|
Sa se reprezinte în proiectiile ortogonale necesare si sa se coteze piesa de tip ax din figura ("AX5.dwg"). Sa se prezinte desenul pe un format standardizat. |
|
|||||||||||||||||||||||||||||||||||||||||||||||||||||||
|
Sa se modeleze spatial axul din problema precedenta si sa se genereze proiectiile ortogonale necesare, alaturi de o prezentare spatiala a modelului, pe un format standardizat din seria A ("AX6.dwg"). |
||||||||||||||||||||||||||||||||||||||||||||||||||||||||
|
Sa se reprezinte în proiectiile ortogonale necesare si sa se coteze piesa de tip ax din figura ("AX7.dwg"). Sa se prezinte desenul pe un format standardizat. |
|
|||||||||||||||||||||||||||||||||||||||||||||||||||||||
|
Sa se modeleze spatial axul din problema precedenta si sa se genereze proiectiile ortogonale necesare, alaturi de o prezentare spatiala a modelului, pe un format standardizat din seria A ("AX8.dwg"). |
||||||||||||||||||||||||||||||||||||||||||||||||||||||||
|
Sa se reprezinte în proiectiile ortogonale necesare si sa se coteze bucsa din figura. Dimensiunile se determina de pe reteaua
izometrica, al carei pas este de Sa se prezinte desenul pe un format standardizat la o scara adecvata. Observatie: figura prezinta obiectul partial sectionat, pentru a evidentia configuratia interioara. Bucsa este o piesaa de revolutie completa în jurul axei longitudinale. |
|
|||||||||||||||||||||||||||||||||||||||||||||||||||||||
|
Sa se modeleze spatial bucsa din problema precedenta. Sa se prezinte modelul într-o imagine ortogonala si una spatiala, pe un format standardizat. |
|
|||||||||||||||||||||||||||||||||||||||||||||||||||||||
|
Sa se reprezinte în proiectiile ortogonale necesare si sa se coteze carcasa de rezistenta din figura. Dimensiunile ei se determina de pe reteaua
izometrica, stiind ca un pas de retea are valoarea Sa se prezinte desenul pe un format standardizat din seria A ("Ax11.dwg"). |
|
|||||||||||||||||||||||||||||||||||||||||||||||||||||||
|
Sa se modeleze spatial carcasa din problema precedenta. Sa se prezinte modelul într-o imagine ortogonala si una spatiala, pe un format standardizat ("AX12.dwg"). |
||||||||||||||||||||||||||||||||||||||||||||||||||||||||
|
Sa se reprezinte în proiectiile ortogonale necesare si sa se coteze bucsa de trecere din figura. Dimensiunile ei se determina de pe reteaua
izometrica, stiind ca un pas de retea are valoarea Sa se prezinte desenul pe un format standardizat din seria A ("Ax13.dwg"). |
|
|||||||||||||||||||||||||||||||||||||||||||||||||||||||
|
Sa se modeleze spatial bucsa de trecere din problema precedenta. Sa se prezinte modelul într-o imagine ortogonala si una spatiala, pe un format standardizat ("AX14.dwg"). |
||||||||||||||||||||||||||||||||||||||||||||||||||||||||
|
Sa se reprezinte în proiectiile ortogonale necesare si sa se coteze capacul din figura. Dimensiunile ei se determina de pe reteaua
izometrica, stiind ca un pas de retea are valoarea Sa se prezinte desenul pe un format standardizat din seria A ("Ax15.dwg"). |
|
|||||||||||||||||||||||||||||||||||||||||||||||||||||||
|
Sa se modeleze spatial capacul din problema precedenta. Sa se prezinte modelul într-o imagine ortogonala si una spatiala, pe un format tandardizat ("AX16.dwg"). |
||||||||||||||||||||||||||||||||||||||||||||||||||||||||
|
|
PIESE ÎN DOUA PROIECTII ORTOGONALE |
|||||||||||||||||||||||||||||||||||||||||||||||||||||||
|
Sa se reprezinte în proiectiile ortogonale necesare si sa se coteze contragreutatea din figura. Dimensiunile se determina de pe reprezentarea izometrica,
stiind ca un pas de retea este de Sa se prezinte desenul pe un format standardizat din seria A la o scara potrivit aleasa. |
|
|
||||||||||||||||||||||||||||||||||||||||||||||||||||||
|
Sa se modeleze spatial obiectul din problema precedenta. Sa se prezinte apoi în vederile ortogonale necesare si într-una spatiala, pe un format standardizat din seria A. |
|
|||||||||||||||||||||||||||||||||||||||||||||||||||||||
|
Sa se reprezinte în proiectiile ortogonale necesare si sa se coteze miezul de ferita din figura urmatoare. Dimensiunile se vor determina de pe reprezentarea
izometrica, stiind ca un pas de retea este de |
|
|
||||||||||||||||||||||||||||||||||||||||||||||||||||||
|
Sa se modeleze spatial miezul de ferita din problema precedenta. Sa se prezinte desenul în vederile ortogonale necesare si într-o imagine spatiala, pe un layout adecvat. |
|
|
||||||||||||||||||||||||||||||||||||||||||||||||||||||
|
Sa se reprezinte în proiectiile ortogonale necesare si sa se coteze membrama de cauciuc apartinând unui buton electric de pornire/oprire, din figura urmatoare. Dimensiunile se determina de pe reteau izometrica,
stiind ca un pas de retea este de Sa se prezinte pe un format de hârtie standardizat, la o scara potrivit aleasa ("PRO2_5.dwg"). |
|
|||||||||||||||||||||||||||||||||||||||||||||||||||||||
|
Sa se reprezinte în proiectiile ortogonale necesare si sa se coteze corpul unui buton electric de pornire/oprire, din figura urmatoare. Dimensiunile se determina de pe reteau izometrica,
stiind ca un pas de retea este de Sa se prezinte pe un format de hârtie standardizat, la o scara potrivit aleasa ("PRO2_7.dwg"). |
|
|||||||||||||||||||||||||||||||||||||||||||||||||||||||
|
Sa se modeleze spatial obiectul din problema precedenta. Sa se prezinte pe un layout adecvat, din gama celor standardizate de tip A, vederile ortogonale necesare si o vedere spatiala potrivit aleasa ("PRO2_8.dwg"). |
||||||||||||||||||||||||||||||||||||||||||||||||||||||||
|
Sa se reprezinte în proiectiile ortogonale necesare si sa se coteze carcasa de rezistenta din figura urmatoare. Dimensiunile se determina de pe reteau izometrica,
stiind ca un pas de retea este de Sa se prezinte pe un format de hârtie standardizat, la o scara potrivit aleasa ("PRO2_9.dwg"). |
|
|||||||||||||||||||||||||||||||||||||||||||||||||||||||
|
Sa se modeleze spatial obiectul din problema precedenta. Sa se prezinte pe un layout adecvat, din gama celor standardizate de tip A, vederile ortogonale necesare si o vedere spatiala potrivit aleasa ("PRO2_10.dwg"). |
||||||||||||||||||||||||||||||||||||||||||||||||||||||||
|
Sa se reprezinte în proiectiile ortogonale necesare si sa se coteze discul din figura urmatoare. Dimensiunile se determina de pe reteaua izometrica,
stiind ca un pas al acesteia este de Sa se prezinte desenul pe un layout adecvat. |
|
|||||||||||||||||||||||||||||||||||||||||||||||||||||||
|
Sa se modeleze spatial obiectul din problema precedenta. Sa se prezinte pe un layout adecvat, din gama celor standardizate de tip A, vederile ortogonale necesare si o vedere spatiala potrivit aleasa ("PRO2_12.dwg"). |
||||||||||||||||||||||||||||||||||||||||||||||||||||||||
|
|
PIESE COMPLEXE |
|||||||||||||||||||||||||||||||||||||||||||||||||||||||
|
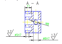
Sa se reprezinte în proiectiile ortogonale necesare si sa se coteze corpul de trecere din figura. Piesa prezinta o simetrie globala în raport cu fanta centrala. |
|
|
||||||||||||||||||||||||||||||||||||||||||||||||||||||
|
Sa se modeleze în spatiul tridimensional piesa din problema precedenta. Sa se genereze în spatiul hârtiei proiectiile 2D ale acesteia, la scara 2:1. Gaura filetata strapunsa se modeleaza la diametrul vârfului de filet (7.2 unitati) si nu la valoarea de 8 unitati. Filetul nu se modeleaza. |
|
|||||||||||||||||||||||||||||||||||||||||||||||||||||||
|
|
PIESE CU FILET |
|||||||||||||||||||||||||||||||||||||||||||||||||||||||
|
Sa se reprezinte în proiectiile ortogonale necesare si sa se coteze bratul de sustinere din figura. Sa se prezinte desenul pe un format standardizat. |
|
|
||||||||||||||||||||||||||||||||||||||||||||||||||||||
|
Sa se modeleze spatial piesa din problema precedenta, apoi sa se prezinte în trei vederi ortogonale si una sau doua vederi spatiale pe un format standardizat din seria A. |
|
|||||||||||||||||||||||||||||||||||||||||||||||||||||||
|
Sa se reprezinte în proiectiile ortogonale necesare si sa se coteze izolatorul ceramic din figura. Dimensiunile se determina de pe reteaua
izometrica, stiind ca un pas de retea este de Lungimea filetului este de Pentru simplificarea reprezentarii, filetul se considera
de tip metric normal (M6 cu diametrul vârfului de Sa se prezinte pe un format de hârtie standardizat din seria A desenul realizat ("FIL_3.dwg"). |
|
|||||||||||||||||||||||||||||||||||||||||||||||||||||||
|
Sa se modeleze spatial piesa din problema precedenta si sa se prezinte modelul pe un format de hârtie standardizat din seria A, în mai multe vederi ortogonale si în cel putin o vedere spatiala potrivit aleasa ("FIL_4.dwg"). |
||||||||||||||||||||||||||||||||||||||||||||||||||||||||
|
Sa se reprezinte în proiectiile ortogonale necesare si sa se coteze capacul de conector din figura (realizat din policarbonat alb opac). Dimensiunile se determina de pe reteaua
izometrica, stiind ca un pas de retea este de Capacul este prevazut cu filet exterior pe toata
lungimea tronsonului inferior (M10, cu diametrul fundului de filet de Sa se prezinte pe un format de hârtie standardizat din seria A desenul realizat ("FIL_5.dwg"). |
|
|||||||||||||||||||||||||||||||||||||||||||||||||||||||
|
Sa se modeleze spatial piesa din problema precedenta si sa se prezinte modelul pe un format de hârtie standardizat din seria A, cu vederile ortogonale necesare si o vedere spatiala potrivit aleasa. Filetul se modeleaza la diametrul vârfului ("FIL_6.dwg"). |
||||||||||||||||||||||||||||||||||||||||||||||||||||||||
|
Sa se reprezinte în proiectiile ortogonale necesare si sa se coteze mansonul cablului unui detector de incendiu, din figura (realizat din policarbonat alb opac). Dimensiunile se determina de pe reteaua izometrica,
stiind ca un pas de retea este de Capacul este prevazut cu filet exterior pe toata
lungimea tronsonului la intrare (M12 cu diametrul fundului de Sa se prezinte pe un format de hârtie standardizat din seria A desenul realizat ("FIL_7.dwg"). |
|
|||||||||||||||||||||||||||||||||||||||||||||||||||||||
|
Sa se modeleze spatial piesa din problema precedenta si sa se prezinte modelul pe un format de hârtie standardizat din seria A, cu vederile ortogonale necesare si o vedere spatiala potrivit aleasa ("FIL_8.dwg"). |
||||||||||||||||||||||||||||||||||||||||||||||||||||||||
|
Sa se reprezinte în proiectiile ortogonale necesare si sa se coteze racordul metalic din figura. Dimensiunile se determina de pe reteaua
izometrica, stiind ca un pas de retea este de Piesa este prevazuta cu filet interior metric cu
iesire la ambele capete (M16, cu diametrul vârfului de Lungimea acestuia este de Sa se prezinte pe un format de hârtie standardizat din seria A desenul realizat ("FIL_9.dwg"). |
|
|||||||||||||||||||||||||||||||||||||||||||||||||||||||
|
Sa se modeleze spatial piesa din problema precedenta si sa se prezinte modelul pe un format de hârtie standardizat din seria A, cu vederile ortogonale necesare si o vedere spatiala potrivit aleasa. Sa se simuleze sectionarea prin pozitionarea adecvata a planelor de clipping ("FIL_10.dwg"). |
||||||||||||||||||||||||||||||||||||||||||||||||||||||||
|
Sa se reprezinte în proiectiile ortogonale necesare si sa se coteze capacul din figura. Capacul este prevazut în interior cu filet cu degajare. Dimensiunile se determina de pe reteaua
izometrica, stiind ca un pas de retea este de Filetul se considerade tip metric normal (M20, cu diametrul vârfului de 17.5). Sa se prezinte modelul pe un format de hârtie standardizat, la o scara potrivit aleasa ("FIL_11.dwg"). |
|
|||||||||||||||||||||||||||||||||||||||||||||||||||||||
|
Sa se modeleze spatial piesa din problema precedenta si sa se prezinte modelul pe un format de hârtie standardizat din seria A, cu vederile ortogonale necesare si o vedere spatiala potrivit aleasa. Sa se simuleze sectionarea prin pozitionarea adecvata a planelor de clipping ("FIL_12.dwg"). |
||||||||||||||||||||||||||||||||||||||||||||||||||||||||
|
|
ARBORI DREPTI |
|||||||||||||||||||||||||||||||||||||||||||||||||||||||
|
Sa se reprezinte în proiectiile ortogonale necesare si sa se coteze arborele din figura. Sa se prezinte desenul pe un format standardizat din seria A, la o scara potrivit aleasa. |
|
|
||||||||||||||||||||||||||||||||||||||||||||||||||||||
|
|
||||||||||||||||||||||||||||||||||||||||||||||||||||||||
|
Sa se reprezinte în proiectiile ortogonale necesare si sa se coteze arborele din figura. Sa se prezinte desenul pe un format standardizat din seria A, la o scara potrivit aleasa ("ARB_3.dwg"). Atentie! Arborele este tubular! |
|
|
||||||||||||||||||||||||||||||||||||||||||||||||||||||
|
Sa se reprezinte în proiectiile ortogonale necesare si sa se coteze arborele din figura. Sa se prezinte desenul pe un format standardizat din seria A, la o scara potrivit aleasa ("ARB_5.dwg"). |
|
|||||||||||||||||||||||||||||||||||||||||||||||||||||||
|
Sa se modeleze spatial arborele din problema precedenta si sa se prezinte pe un format standardizat în vederi optime (ortogonale si spatiale) ("ARB_6.dwg"). |
|
|||||||||||||||||||||||||||||||||||||||||||||||||||||||
|
Sa se reprezinte în proiectiile ortogonale necesare si sa se coteze arborele din figura. Sa se prezinte desenul pe un format standardizat din seria A, la o scara potrivit aleasa ("ARB_7.dwg"). |
|
|||||||||||||||||||||||||||||||||||||||||||||||||||||||
|
Sa se modeleze spatial arborele din problema precedenta si sa se prezinte pe un format standardizat în vederi optime (ortogonale si spatiale) ("ARB_8.dwg"). |
|
|||||||||||||||||||||||||||||||||||||||||||||||||||||||
|
Sa se reprezinte în proiectiile ortogonale necesare si sa se coteze arborele din figura. Sa se prezinte desenul pe un format standardizat din seria A, la o scara potrivit aleasa ("ARB_9.dwg"). |
|
|||||||||||||||||||||||||||||||||||||||||||||||||||||||
|
Sa se modeleze spatial arborele din problema precedenta si sa se prezinte pe un format standardizat în vederi optime (ortogonale si spatiale) ("ARB_10.dwg"). |
|
|||||||||||||||||||||||||||||||||||||||||||||||||||||||
|
|
TOLERANTE SI RUGOZITATI |
|||||||||||||||||||||||||||||||||||||||||||||||||||||||
|
Se considera desenul "AX1.dwg". Sa se înscrie pe desen urmatoarele informatii: Tolerante dimensionale generale în clasa de toleranta mijlocie; Toleranta geometrica la coaxialitate de Rugozitatea data de Ra=6.3 ”m pe toate suprafetele cu exceptia suprafetei laterale a tronsonului central, pentru care parametrul de profil este Ra=3.2 ”m. |
|
|||||||||||||||||||||||||||||||||||||||||||||||||||||||
|
Se considera desenul "PRON_1.dwg". Sa se înscrie pe desen tolerantele dimensionale din figura de enunt, ignorate initial la crearea desenului. Sa se tolereze dimensional diametrele orificiilor circulare 2 si 3 în clasa de toleranta H7. Pentru orificiul circular 1 se va înscrie
toleranta dimensionala simetrica de ± Sa se prevada o toleranta de simetrie de Sa se prevada o rugozitate de Ra=1.7 ”m pentru suprafetele cilindrice ale orificiilor 2 si 3 obtinuta printr-o operatie finala de prelucrare cu îndepartare de material. |
|
|||||||||||||||||||||||||||||||||||||||||||||||||||||||
|
Se considera desenul "FIL_.dwg". Sa se înscrie pe desen urmatoarele informatii: Cota de F8 se tolereaza dimensional cu abaterile +0.03 si -0.015; Pozitia orificiului de F8 (data prin cota de Pentru suprafata cilindrica a orificiului de F8 se
prevede o rugozitate de Diametrul de gabarit de F16 se tolereaza dimensional cu 0 si -0.1; Cota liniara de |
|
|||||||||||||||||||||||||||||||||||||||||||||||||||||||
|
Se considera desenul "AX5.dwg". Sa se înscrie pe desen urmatoarele rugozitati, exprimate toate prin parametrul de profil Ra: Tronsonul A (suprafata laterala): 1.6 Tronsonul B (suprafata laterala): 3.2 Tronsonul C (suprafata laterala): 1.6 Tronsonul D (suprafata laterala): 3.2 Tronsonul E (suprafata laterala): 3.2 |
|
|||||||||||||||||||||||||||||||||||||||||||||||||||||||
|
|
DESENUL DE ANSAMBLU |
||||
|
Sa se realizeze ansamblul unei mufe conectoare, formata din trei componente, prezentate în desenul "ANS_1_ENUNT.dwg", din folder-ul "Desene". Asamblarea se va realiza într-un desenou, prin suprapunerea celor trei desene. Suprapunerea se va realiza astfel încât componentele sa fie situate în pozitia de montaj a acestora, conform cotelor din figura alaturata. Desenul de ansamblu se va realiza tinând cont de regulile de desenare privind suprapunerea liniilor si sectionarea pieselor componente. Se vor trece pe desen numere de pozitie si se va completa tabelul de componenta. Denumirea reperelor în ordine de la stânga la dreapta este: stift, capac, suport. Optional, completati si rubrica referitoare la material. |
|
||||
|
Sa se realizeze desenul de ansamblu pentru un racord, compus din trei repere, prezentate în desenul "ANS_2_ENUNT.dwg" din folder-ul "Desene". Asamblarea componentelor se va realiza prin suprapunere, tinând cont de cotele de montaj si de regulile de desenare a ansamblurilor, conform cu figura alaturata. |
|
||||
|
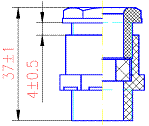
Sa se realizeze desenul de ansamblu al racordului din figura, având trei componente prezentate în fisierul "ANS_3_ENUNT.dwg" din folder-ul "Desene". Asamblarea acestora se va realiza prin suprapunere, tinând cont de regulile de desenare a ansamblurilor si de figura alaturata ("ANS_3.dwg"). Pe desen se vor înscrie dimensiunile necesare. |
|
||||
|
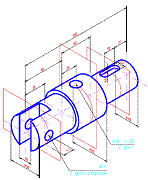
Sa se realizeze desenul de ansamblu al unui buton de pornire/oprire, ale carui componente sunt prezentate în fisierul "ANS_4_ENUNT.dwg" din folder-ul "Desene". În componenta acestuia se includ un subansamblu si alte patru componente. Se va realiza mai întâi desenul de asamblare al subansamblului. Se va apoi realiza ansamblul final, rezultat în urma suprapunerii componentelor, respectând cotele de montaj si regulile de desenare a ansamblurilor ("ANS_4.dwg"). Se vor înscrie pe desen dimensiunile necesare. Pentru realizarea subansamblului si a ansamblului final, ghidati-va dupa modelul din figura urmatoare. Imaginea din stânga prezinta componentele suprapuse, iar imaginea din dreapta este rezultatul asamblarii. Se mentioneaza faptul ca fiecare componenta este reprezentata în pozitia de montaj. |
|
||||
|