Durificarea elementelor active ale stantelor si matritelor prin nitrura ionica
Nitrurarea ionica este un procedeu larg utilizat īn industrie datorita numeroaselor avantaje pe care le prezinta comparativ cu nitrurarea clasica īn gaz, cum ar fi:
posibilitati largi de reglare a compozitiei si a stratului nitrurat, precum si uniformitatea crescuta a acestuia;
consumul de energie mai redus de 2 pāna la 4 ori;
consumul de gaze pentru formarea mediului de lucru este mai redus de 5 pāna la 20 de ori;
placa activa si poansoanele prezinta stabilitate dimensionala si de forma crescute, deformatiile avānd valori minime, ca urmare nu sunt necesare prelucrari mecanice;
posibilitatea opririi si reluarii ciclului de nitrurare pe parcursul tratamentului;
intervalul de temperatura īn care se poate efectua tratamentul este mai larg.
Dintre dezavantajele acestei metode se pot enumera:
instalatiile de nitrura ionica sunt mai scumpe;
dificultati mai mari la masurarea temperaturii elementelor active dupa durificare;
personal de īnalta calificare pentru exploatarea si īntretinerea instalatiilor.
8.1 Principiul nitrurarii ionice
Nitrurarea ionica are la baza fenomenele fizico - chimice care au loc la descarcarea īn gaze. Se considera un recipient care contine gaz la o presiune pe care poate fi variata si care este prevazut la capete cu doi electrozi īntre care se stabileste un potential de cāteva sute de volti.
Īn apropierea catodului are loc o scadere considerabila a tensiunii de descarcare. Daca aplicam un cāmp electrostatic puternice se formeaza ioni pozitivi de amoniac si azot, gaze aflate īn recipient. Ionii de azot, sub actiunea energiei cāmpului electrostatic, capata o viteza al carei vector este dirijat normal catre elementele active tratate care au rol de catod.

Figura 18
La nitrurarea ionica ca si la nitrurarea īn gaz, stratul nitrurat se compune din doua zone: zona de combinatie si zona de difuziune.
Pentru OSC 8 ( S235 ), materialul din care sunt realizate elementele active pulverizarea catodica este foarte puternica, iar zona nitrurata are urmatoarele caracteristici:
faza :
grosimea stratului : se alege
tabelar 10![]()
Tehnologia elementelor active īn urma nitrurarii ionice
Elementele active se supun unei recoaceri de detensionare
pentru a micsora tensiunile interne. Temperatura de recoacere trebuie
sa fie cu 40-60 C mai mare decāt temperatura de nitrurare: la nitrura
= 540 C rezulta ca elementele active vor fi supuse unei recoaceri
la temperatura de
C.
Īn cazul nitrurarii ionice placa se va realiza la
dimensiuni mai mici cu 10
pe latura iar diametrele vor fi mai mici 30
.
Pentru a īmbunatatii duritatea superficiala si adāncimea stratului se poate efectua īnainte de nitrurare o calire superficiala la o adāncime ceva mai mare decāt cea a stratului nitrurat.
Īn continuare se introduc elementele active īn recipientul instalatiei, unde are loc curatarea suprafetelor acestora prin pulverizare catodica. Aceasta dureaza 15-40minute la tensiunea de 850 V . Pentru īncalzirea placi active si a poansoanelor la 350 C ( pentru a asigura o pulverizare catodica eficienta a suprafetei tratate ) presiunea este de cca 133 Pa.
Dupa īncalzirea suprafetelor, elementele active se īncalzesc la temperatura prescrisa pentru nitrurare si se mentin un timp determinat de grosimea prestabilita a stratului.
Īn timpul nitrurarii presiunea se mentine la nivelul 400-650 Pa si tensiunea de lucru la 350-550 V.
Īn figura 19 este prezentata placa īnainte de durificare, proiectata la cote mai mici.
Urmeaza racirea lor īn recipient, pāna la circa 150-200 C, la presiunea de 13 - 65 Pa. Racirea dureaza circa 1 - 2 ore. Dupa racire se scot din instalatie si sunt supuse controlului.
Calitatea startului nitrurat se poate determina direct de pe placa sau poansoane. Se controleaza aspectul exterior, duritatea la suprafata si īn adāncime a stratului, fragilitatea si structura metalografica.
Aspectul exterior se examineaza vizual sau cu ajutorul unei lupe si se urmareste daca suprafata durificata prezinta fisuri, crapaturi sau alte defecte. Culoarea trebuie sa fie cenusie de nuanta mata.
Duritatea se determina prin metoda Vickers cu sarcini mici ( 5.0,5 daN ) . Adāncimea stratului se poate determina prin metoda macroscopica, iar la noi īn tara se determina conform SR EN 377:2000. Se defineste conventional adāncimea de nitrurare ca fiind cea la care duritatea este egala cu cea a miezului plus 50 unitati Vickers.
Structura metalografica se pune īn evidenta pe probe pregatite anterior īn mod corespunzator si atacate cu reactivi metalografici.
Īn cazul determinarii fragilitatii, cea mai utilizata metoda este metoda amprentelor de duritate Vickers.
Instalatii de nitrurare ionica
Instalatia utilizata pentru nitrurare ionica trebuie sa permita reglarea ti mentinerea la valoarea stabila a caracteristicilor electrice si de mediu ale descarcarii. Parametrii principali ai instalatiei sunt:
tensiunea electrica īntre catod si anod;
presiunea mediului gazos;
compozitia mediului gazos;
temperatura si timpul de mentinere la temperatura.
Se aleg tabelar īn functie de materialul prelucrat caracteristicile optime pentru care sunt supuse nitrurarii elementele active ale stantei:
pentru placa activa:
- distanta dintre anod si catod: d = 45 mm
- densitatea curentului : J
= 9 mA/
- puterea specifica : N
= ![]()
- tensiunea: U = 500 V
- pentru poansoane :
- d = 30 mm
- J = 7 mA/
- N = ![]()
- U = 480 V
Instalatia pentru nitrurare ionica are urmatoarele parti componente: recipientul de lucru īn care se introduce scula sau poansonul ( catod ), sistem de alimentare cu energie electrica, sistem de vidare, sistem de dozare cu gaze tehnologice si sistemul de reglare automata a parametrilor procesului.
Instalatia este un recipient metalic de forma cilindrica īn pozitie verticala, confectionat dintr-un otel rezistent la coroziune, racit cu apa. Recipientul are fundul sudat, iar celalalt capat deschis pe care se aseaza, prin intermediul unei garnituri de etansare, un capac. De capac se suspenda, prin intermediul unor izolatori electrici, elementele active ale stantei care se leaga la polul negativ al sursei de alimentare. Interiorul recipientului este captusit cu un ecran de protectie din tabla subtire ( 1,5 mm ) din otel refractar. Recipientul si capacul sunt prevazute cu vizoare prin care se poate supraveghea procesul de durificare.
Dimensiunile recipientului se iau īn functie de dimensiunile piesei nitrurate. Īn cazul nostru se ia īn considerare dimensiunile placii deoarece sunt mai mari decāt ale poansoanelor.
Drept anod serveste chiar recipientul. Pentru forme complexe se pot utiliza anozi cu profil special; īn acest caz anozii se amplaseaza deasupra elementelor active, īn interior sau exteriorul lor.
Alimentarea se face cu curent continuu.
Figura
19
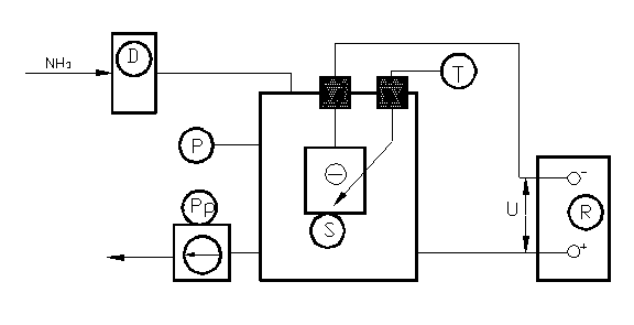
Īn figura 20 este prezentat instalatia de lucru prin nitrurare ionica.
Pentru dimensiunile elementelor active ale stantei si matritei se foloseste o putere a instalatiei de 5 kW. Sistemul de alimentare cu energie electrica ( R ) asigura tensiunea necesara īn spatiul de descarcare si reglarea acestei tensiuni, fiind format dintr-un transformator regulato si un transformator de īnalta tensiune ( pentru tensiunea folosita 540 V ).
Sistemul de vidare (
contine o pompa de vid legata prin intermediul
unui drosel la baza recipientului. Pompa evacueaza īn permanenta
atmosfera din recipient printr-o conducta pusa direct īn
legatura cu atmosfera, realizānd īn recipient o depresiune
cuprinsa īntre 1 si 10 mm coloana Hg. Pentru a exclude
patrunderea uleiului din pompa īn sistemul de vidare sunt
prevazute ventile electro - magnetice, care asigura introducerea
aerului īn pompa de vidare dupa īncetarea functionarii acesteia.
Sistemul de alimentare si dozare cu gaze tehnologice ( D ) permite alimentarea recipientului cu: amoniac, hidrogen, amestec de azot ( 80 - 90 %) cu amoniac, azot + gaz metan. Presiunea din butelia de gaz este redusa succesiv la 3,5 barri si apoi īn sistemul de dozare.
Am folosit nitrurarea ionica cu amoniac. Amoniacul este ventilat pentru reglare, apoi este introdus īn recipient.
Īn cazul introducerii īn cuva
recipientului a amoniacului disociat, sub actiunea cāmpului electric,
electronii sunt accelerati spre peretele recipientului ( anod ) si
ionii pozitivi (
) īn directia
piesei. Ionii pozitivi, la impactul cu placa activa sau poansonul, lovesc
cu o anumita energie cinetica (
suprafata piesei. O parte din aceasta energie este
transformata īn caldura care serveste la īncalzirea
elementelor active tratate. Cānd ionii sosesc la suprafata piesei ei smulg
de aici atomi si electroni, consumānd o cantitate de energie cinetica
pentru smulgerea lor si pentru a le da si o anumita energie
acestor particule.
Prin aceasta bombardare cu ioni
de azot, o parte a azotului din gaz patrunde īn suprafata piesei.
Atomii de fier din imediata apropiere a suprafetei se combina cu
atomi de azot formānd FeN. Aceasta nitrura se depune pe
suprafata elementelor active si se va descompune formāndu-se nitruri
cu continut mai scazut īn azot (
.
O caracteristica importanta a nitrurarii ionice este cresterea vitezei de nitrurare, care este de 2.5 ori mai rapida decāt nitrurarea gazoasa. Pentru obtinerea unui strat de 0.3 mm este necesar 16 ore fata de 40 ore necesare la nitrurarea gazoasa.
Instalatia de nitrurare ionica nu necesita o supraveghere permanenta. Datorita dotarii instalatiilor cu microprocesoare se permite schimbarea parametrilor cānd se trece de la durificarea placii la cele doua poansoane. Astfel parametrii tehnologici sunt reglati automat.
8.4. Defecte de nitrurare ionica si prevenirea lor
Defectele care pot aparea la nitrurarea ionica sunt: strat de duritate scazuta; adāncimea mica a stratului; schimbarea culorii pieselor nitrurate; schimbari dimensionale; fisurarea suprafetelor nitrurate; fragilitatea si exfolierea stratului.
Strat cu duritatea scazuta. Aceasta poate fi cauzata de caracteristicile otelului ( compozitia chimica necorespunzatoare, calibilitatea redusa etc. ) si de greseli īn tehnologie ( temperatura prea īnalta, grad īnalt de disociere al amoniacului, īntreruperea alimentarii cu amoniac, circulatia gazului si temperatura neuniforme īn cuptor ).
Adāncimea mica a stratului. Poate fi cauzata de temperaturi scazute si de reducerea duratei de mentinere. Defectele care duc la adāncimea prea scazuta se pot īnlatura prin repetarea nitrurarii. Īn cazul otelului din care sunt realizate elementele active, durata mentinerii la repetarea nitrurarii se stabileste socotind 0,10 mm īn 10 ore.
Schimbarea culorii sculelor nitrurate. Poate fi cauzata de tratamentele preliminare ale suprafetei ( decaparea, spalarea, degresarea, fosfatarea ) improprii sau necorespunzatoare. Alte cauze ar fi: pierderea presiuni prin etansari sau supraīncalzirea straturilor de etansare, de scurgeri de amoniac la nivelul capacului recipientului, prezenta vaporilor de apa īn spatiul de lucru.
Schimbari dimensionale. Īn timpul nitrurarii se constata deformatii ale placii si poansoanelor, care pot aparea datorita temperaturii prea mare, stratului mai adānc. Deformatiile sunt conditionate de natura stratului nitrurat, de constructia elementelor active ale stantei, de nerespectarea tehnologiilor de tratament termic preliminar. Dimensiunile se maresc īn medie 4 -6 % īn functie de adāncimea stratului nitrurat.

Figura 20
|