Documente online.
Zona de administrare documente. Fisierele tale
Am uitat parola x Creaza cont nou
 HomeExploreaza
upload
Upload




Cotarea pieselor

tehnica mecanica


COTAREA PIESELOR



SCOPUL LUCRARII:


Insusirea de catre studenti a cunostiintelor referitoare la modul de cotare a pieselor in vedere și secțiune, conform normelor de cotare cerute de standardele utilizate 747h73h in desenul tehnic industrial.




NOTIUNI TEORETICE


Un desen, pentru a putea fi folosit la executarea piesei pe care o reprezinta trebuie sa contina, pe langa toate tipurile de reprezentari necesare descrise in capitolul precedent (vederi, sectiuni, rupturi) si valorile numerice ale dimensiunilor care definesc piesa respectiva (“legarea” dimensionala a obiectului spatial – imaginar, sau materializat –ce se deseneaza, de imaginea sa plana – desenul).

Valoarea numerica a unei dimensiuni reprezinta caracteristica geometrica liniara, sau unghiulara care stabileste marimea unei piese, distanta dintre doua elemente geometrice (puncte, linii, suprafete) ale aceleiasi piese, sau distanta dintre doua repere, parti componente ale aceluiasi ansamblu, ori distanta dintre doua ansambluri aflate intr-o relatie functionala anume.

Procedeul de determinare si de inscriere pe un desen de produs finit, sau o schita (termenii “desen produs finit” si “schita” vor fi definiti ulterior), a dimensiunilor unui reper, sau ale unui ansamblu se numeste cotare iar dimensiunea respectiva se numeste cota.


TEMA LUCRARII


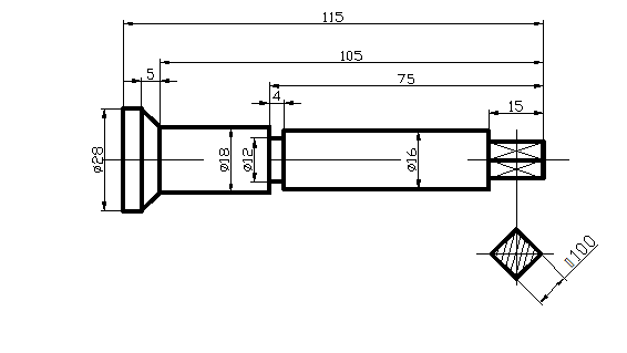
In fig.4.1 este reprezentata, intr-o singura proiectie (vedere), o piesa plina (tip arbore) prelucrata prin aschiere.

Sa se reprezinte complet piesa (o vedere si o sectiune propriu-zisa deplasata pentru partea prismatica) si sa se coteze conform regulilor si normelor de cotare. Rezolvarea temei este prezentata in fig. 4.2.




fig. 4.1

fig. 4.2


APLICATII:


fig. A.4.1

fig. A.4.2

fig. A.4.3

fig. A.4.4

fig. A.4.5

fig. A.4.6



fig. A.4.7



In figurile urmatoare este reprezentata, intr-o singura proiectie (vedere), o piesa de grosime constanta tip placa.

Sa se reprezinte piesa in doua proiectii-vedere pe planul vertical si sectiune pe plan lateral si sa se coteze.


fig. A.4.8






fig. A.4.9





fig. A.4.10

fig. A.4.11







fig. A.4.12

fig. A.4.13





Fig. A.4.14

fig. A.4.15

fig. A.4.16






Document Info


Accesari: 2414
Apreciat: hand-up

Comenteaza documentul:

Nu esti inregistrat
Trebuie sa fii utilizator inregistrat pentru a putea comenta


Creaza cont nou

A fost util?

Daca documentul a fost util si crezi ca merita
sa adaugi un link catre el la tine in site


in pagina web a site-ului tau.




eCoduri.com - coduri postale, contabile, CAEN sau bancare

Politica de confidentialitate | Termenii si conditii de utilizare




Copyright © Contact (SCRIGROUP Int. 2025 )