Notiuni fundamentale
Deplasarea este o marime ce caracterizeaza schimbarile de pozitie ale unui corp sau ale unui punct caracteristic fata de un sistem de referinta.
Distanta reprezinta separarea spatiala (sau planara) dintre doua puncte.
Pozitia reprezinta localizarea spatiala a unui punct sau a unui corp īn raport cu sistemul de referinta.
Proximitatea reprezinta situarea la o mica distanta a unui corp (punct) fata de un reper fix.
Traiectoria reprezinta deplasarea simultana (liniara sau circulara) a unui punct pe diferite axe īn raport cu un sistem de coordonate. Traiectoriile pot fi - plane sau spatiale.
Unitatea de masura pentru deplasarile liniare este metru [m] cu submultiplii: milimetru [mm] sau micronul [m Pentru deplasari unghiulare se foloseste gradul sexazecimal [o], cu submultiplii: minutul si secunda. Uneori, se foloseste radia 343c25d nul [rad].
Deplasarile liniare sau unghiulare permit masurarea indirecta a altor marimi a caror variatii se materializeaza prin modificarea pozitiei unui punct (corp sau suprafata) īn raport cu un sistem de referinta.
De exemplu, deplasarile mici permit masurarea presiunilor, fortelor, nivelelor, temperaturi etc, deoarece aceste marimi sunt caracterizate prin deplasari mici.
Observatie:
Pentru utilizator este foarte importanta alegerea, sau conceperea celor mai bune solutii de cuplare a traductorului la marimea de masurat astfel īncāt sa se asigure precizia de masurare dorita, dar si o fiabilitate ridicata. Din acest punct de vedere exista urmatoarele variante de masurare:
a) masurarea directa: - deplasare liniara prin translatie si deplasare unghiulara prin rotatie.
b) masurarea indirecta: cānd deplasarea unghiulara este folosita pentru caracterizarea unei deplasari liniare.
Acestea sunt destinate conversiei intermediare a unor marimi, a caror variatii se traduc (prin sisteme mecanice) īn deplasari liniare mici.
Aceste traductoare acopera un domeniu de masurare de ordinul (10-2 .10+2) mm, si au elemente sensibile de tip parametric: inductive, capacitive sau rezistive.
Din punct de vedere constructiv, elementele sensibile ale acestor traductoare sunt de doua tipuri:
a) cu modificarea inductantelor proprii sau mutuale (prin deplasarea unui miez mobil) - figura 4.1 - a.
b) cu modificarea īntrefierului.
Fig. 4.1.
Semnificatia notatiilor este: M - miez feromagnetic ; B - bobina de lungime l x - marimea de masurat (deplasarea).
Deplasarea lui M provoaca modificarea inductantei proprii L a bobinei B. Caracteristica statica este pronuntat neliniara, datorita cāmpului magnetic neomogen creat īn bobina.
De asemenea, apar forte parazite de atractie dintre miez si bobina. Aceste dezavantaje se elimina prin utilizarea a doua bobine (B1 si B2) legate diferential (figura 4.2 - a) care asigura o caracteristica mult mai liniara, prezentata īn figura 4.2 - b, iar sensibilitatea traductorului creste. Īn pozitia de referinta (x = "0"), miezul feromagnetic este echidistant fata de capetele interioare ale bobinelor B1 si B2.
Fig. 4.2
Principiul de functionare al elementelor sensibile inductive se bazeaza pe modificarea reluctantelor circuitelor de īnchidere a fluxurilor, cāt si pe modificarea inductivitatilor proprii ale celor doua bobine, exprimate prin relatiile:
(4.1)
Fig. 4.5- Element sensibil de tip TDLV: a schema
constructiva; b schema de conexiuni
Traductoarele cu elemente sensibile de tip TDLV folosesc ca adaptor un redresor sensibil la faza, eventual precedat de un amplificator de curent alternativ. Iesirea din redresorul sensibil la faza se aplica unui amplificator de curent continuu cu impedanta de iesire mica, care este prevazut si cu un circuit de filtrare (trece-jos) pentru eliminarea armonicelor parazite. Īn figura 4.6 se prezinta adaptorul pentru un element sensibil de tip TDLV.

Fig. 4.6 Adaptor pentru un element sensibil de tip TDLV
Performantele acestui tip de traductor sunt
- lipsa frecarilor la deplasarea miezului si ca urmare se obtine o robustete si o fiabilitate ridicata;
- rezolutie si reproductibilitate foarte bune ;
- insensibilitate la deplasari radiale ale miezului ;
posibilitatea protectiei bobinei de medii corozive cu temperaturi si presiuni ridicate ;
- asigurarea separarii galvanice (īntre intrare si iesire);
- posibilitatea optimizarii
factorului de calitate al bobinelor care formeaza elementul sensibil.
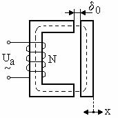
Varianta constructiva simpla a unui element sensibil cu īntrefier variabil este prezentata īn figura 4.7.
Armatura mobila se deplaseaza īn raport cu un miez feromagnetic. Corpul, a carui deplasare se masoara, va fi solidar cu armatura mobila, figura 4.7.
|
|
Fig. 4.7- Element sensibil inductiv cu īntrefier variabil |
Pe miezul feromagnetic (realizat din tole) se afla plasata o bobina alimentata cu o tensiune alternativa, Ua. Modificānd īntrefierul δ, prin deplasarea x (a armaturii mobile) se va modifica reluctanta circuitului magnetic si implicit inductanta L (a bobinei), conform relatiei:
; (4.5)
unde:
N este numarul de spire al bobinei;
- lungimea circuitelor
magnetice (aer - fier) ;
- suprafatele de īnchidere a fluxurilor magnetice ;
- permeabilitatile magnetice (ale
circuitelor de īnchidere a fluxurilor).
Aplicānd relatia (4.5) elementului sensibil din figura 4.7 se obtine:
;
unde:
este īntrefierul
initial (cānd x=0); x - deplasarea
(cresterea sau descresterea) fata de īntrefierul
initial
, indicii Fe si a se refera la natura circuitului
magnetic: fier sau aer.
Din relatia (4.6) se observa ca inductivitatea L variaza neliniar cu deplasarea x.
Pentru ameliorarea liniaritatii si pentru cresterea sensibilitatii se utilizeaza montajul diferential din figura 4.8-a pentru care se observa, īn figura 4.8-b, variatiile inductivitatilor L1 si L2, cāt si variatia diferentei inductivitatilor (L1-L2) īn raport cu īntrefierurile d si d , care, la rāndul lor, depind de valoarea deplasarii x.
Fig. 4.8- Element sensibil diferential cu īntrefier variabil: a- schema electrica de montaj; b- caracteristicile statice
Considerānd
si
, din figura 4.8-a se obtine tensiunea de dezechilbru a puntii:
; (4.7)
īn care:
- este tensiunea de
dezechilibru ;
- valoarea efectiva a tensiunii de
alimentare (constanta);
w - pulsatia (constanta) a tensiunii
;
Din ultima relatie se observa dependenta liniara īntre tensiunea de dezechilibru a puntii si DL, deci se obtine variatia liniara īntre Ud si deplasarea x:
; (4.8)
unde: K= K2DL, iar DL=K'Dx;
Īntrucāt variatia īn modul a impedantei este:
; (4.9)
se impune R cāt mai mic pentru ca variatia relativa de inductanta sa determine o variatie aproximativ egala de impedanta.
Observatii
a) Conditiile de liniaritate si sensibilitate nu pot fi satisfacute simultan si ca urmare se adopta o solutie de compromis. Astfel, pentru ΔL / L =(0,1.0,3), se recomanda īn [14] o variatie a īntrefierului δ astfel īncāt:
. (4.10)
b) Pentru cresterea sensibilitatii E.S. trebuie ca factorul de calitate Q, (al bobinelor) sa fie cāt mai bun (mare), [8].
(4.11)
Elementele sensibile cu modificarea īntrefierului se pot construi si ele īn variantele de tip transformator. Astfel, īn figura 4.9 -a este prezentat montajul pentru varianta simpla, iar īn figura 4.9- b este prezentata varianta pentru montajul diferential.
Fig. 4.9- Elemente sensibile de tip transformator cu modificarea īntrefierului:
a- varianta simpla; b- varianta diferentiala
Pentru varianta
simpla (figura 4.9-a), tensiunea de iesire, din secundar, va fi de
forma:
; (4.12)
unde
reprezinta
factorul de cuplaj, variabil neliniar cu deplasarea x.
Pentru montajul din figura 4.9- b tensiunea de iesire poate fi exprimata prin relatia:
(4.13)
Din ultima relatie se observa ca pentru montajul diferential tensiunea de la iesirea ES, are o variatie liniara cu deplasarea x. Adaptorul care prelucreaza tensiunea de iesire din ES are īn componenta un amplificator si un redresor sensibil la faza.
Principala sursa de erori īn cazul acestor tipuri de traductoare o constituie modificarea caracteristicilor magnetice ale miezului, datorita fenomenului de oboseala si/sau īmbatrānire.
;
a) Elemente sensibile capacitive cu modificarea distantei dintre armaturi (δ)
Īn varianta simpla, ES este un condensator plan
prevazut cu o armatura fixa (AF) si una mobila
(AM), figura 4.10-a. Armatura mobila este sustinuta īntre
doua arcuri si poate fi deplasata cu valoarea x, modificānd
distanta δ, fata de
valoarea de referinta
. Varitia capacitatii īn functie de
parametrul δ este ilustrata īn figura 4.10 - b.
Fig. 4.10 - Element sensibil capacitiv cu modificarea distantei dintre armaturi: a- solutie constructiva; b - caracteristica statica
Semnificatia parametrilor din relatia 4.14 este urmatoarea:
- permitivitatea mediului ; S - suprafata activa a armaturilor ; δ -
distanta dintre armaturi ; Deoarece
capacitatea C este data de (4.14) rezulta ca variatia iesirii (ΔC) raportata la
variatia intrarii (Δδ), reprezinta sensibilitatea unui
element sensibil capacitiv exprimata prin relatia:
Rezulta ca valoare sensibilitatii elementului sensibil capacitiv (realizat cu un condensator plan) variaza neliniar cu δ.
Se poate exprima sensibilitatea relativa (Sr
(4.16)
Relatia (4.16) indica o variatie
neliniara, cu sensibilitate marita, la variatii
mici (de ordinul
micronilor).Cresterea liniaritatii este posibila daca elementul
sensibil este format din doua
condensatoare plane īn montaj diferential avānd o armatura mobila comuna, ca īn
figura 4.11.
Alimentate cu tensiune
sinusoidala (U ) capacitatile
si
se īncarca cu tensiunile U1 si respectiv U2 (conform teoremei
divizorului de tensiune):
c) Elemente sensibile capacitive cu modificarea dielectricului
Īn varianta de baza, un astfel de element sensibil este realizat din doi electrozi cilindrici ficsi 1 si 2 (figura 4.14) īntre care se deplaseaza un manson izolator (cu o constanta dielectrica diferita de cea a aerului) alunecānd cu frecare minima. Electrodul fix 2 este plasat echidistant fata de peretii electrodului cilindric 1, iar mansonul dielectric( de forma cilindrica) este coaxial electrodului fix 2.
Fig.4.14 - Element sensibil capacitiv cu modificarea dielectricului
|