Circuite pentru extinderea domeniului de tensiune
4.2.1. Rezistorul aditional
Se foloseste pentru extinderea domeniului de masurare la voltmetre
analogice. Rezistenta interioara RV a voltmetrelor analogice
reprezinta rezistenta bobinei dispozitivului care in general este mica. De
aceea in astfel de cazuri voltmetrul va avea un domeniu mic de tensiune.
Pentru a largi
domeniul de masura in serie cu voltmetrul se conecteaza un rezistor aditional.
Daca voltmetrul din fig. 4.8. masoara tensiunea: U2 = IVRV prin inserierea rezistorului Rad domeniul de masura se extinde la U1, rezultand raportul de multiplicare al domeniului:
(4.16)
Rezistoarele aditionale au valori mari ale rezistentei. Ele se confectioneaza din conductoare din manganin bobinate pe suport izolator sau rezistente cu pelicula metalica cu coeficient de temperatura mic.
Daca se da raportul de multiplicare al domeniului 121i87b valoarea rezistorului aditional se calculeaza cu relatia:
Rad = Rv (n - 1) (4.17)
4.2.2. Divizorul de tensiune rezistiv
In cazul in care rezistenta voltmetrului RV este mare, rezistorul aditional nu-si mai indeplineste rostul. In asemenea situatii, pentru extinderea domeniului de masurare a tensiunii se foloseste divizorul de tensiune.
Considerand valoarea rezistentei Rext = ¥, raportul de divizare este:
(4.18)
Daca Rext are valoare finita, atunci raportul de divizare are expresia:
(4.19)
Rezistoarele divizorului se confectioneaza din manganina si au valoarea rezistentei suficient de mare pentru a avea un consum propriu redus.
Un asemenea divizor functioneaza corect in curent continuu si in curent alternativ de frecventa joasa (industriala), la care elementele parazite ale rezistentelor si circuitului exterior sunt neglijabile.
La frecvente mai ridicate se face simtita influenta capacitatilor parazite ale rezistoarelor, care apar conectate in paralel cu acestea. La calculul raportului de divizare se tine seama de prezenta capacitatilor:
(4.20)
Se vede ca raportul de divizare nu mai este constant, depinzand de frecventa. Pentru realizarea compensarii se utilizeaza o capacitate reglabila astfel ca: R1C1= R2C2 (4.21)
|
|
caz in care raportul de divizare nu mai depinde de frecventa. In capacitatile C1 si C2 trebuiesc incluse si capacitatile proprii ale rezistoarelor si capacitatile montajului.
Divizorul rezistiv compensat se utilizeaza pana la frecvente de zeci, chiar sute de MHz la osciloscoape, voltmetre de banda larga, etc.
Fig. 4.10. Divizor rezistiv compensat.
4.2.3. Atenuatorul
Atenuatoarele sunt divizoare de tensiune speciale, folosite in aparatele de masurare electronice pentru reducerea semnalului de intrare la o valoare potrivita pentru a putea fi prelucrat de circuitele urmatoare.
Un atenuator trebuie sa indeplineasca doua conditii mai importante:
a) Indiferent de raportul de atenuare ales impedanta de intrare a atenuatorului trebuie sa ramana aceeasi;
b) trebuie satisfacuta conditia de adaptare atat la intrare cat si la iesire, adica rezistenta sa de intrare Ri, sa fie egala cu cea a sursei Rg si cu rezistenta de sarcina Rs.
Daca sunt indeplinite aceste conditii, rezulta ca, mai ales in cazul frecventelor foarte mari (100 MHz 20 GHz) nu apar reflexii pe caile de conexiune.
La proiectarea unui atenuator trebuie sa se cunoasca rezistenta caracteristica a acestuia, R0:
(4.22)
in care: Risc - este rezistenta de intrare a atenuatorului cu iesirea in scurtcircuit;
Ri0 - rezistenta de intrare a atenuatorului cu iesirea in gol.
Conditia de adaptare va fi:
Rg = Ri = Rs = R (4.23)
Atenuatoarele se construiesc sub forma unui lant de cuadripoli adaptat, adica inchis pe impedanta caracteristica. Cuadripolii care se folosesc pot fi de tipul T, P sau T podit.
La
proiectarea unui cuadripol se dau rezistenta caracteristica R0 si
factorul de atenuare a = U2/U1 si se cere sa se determine
valorile rezistoarelor cuadripolului.
(4.25)
(4.26)
Atenuatoarele folosite in curent alternativ sunt alcatuite din cuadripoli care au bratele formate din impedante, de obicei rezistente in paralel cu condensatoare. Sunt in asa fel proiectate incat sa fie compensate in frecventa, adica sa aiba un raspuns constant cu frecventa pentru o banda larga de frecventa. Atenuatoarele compensate se folosesc pana la frecvente de 100 - 150 Mhz. Schema unui atenuator compensat in frecventa si de impedanta constanta pe toate domeniile, pentru osciloscopul catodic si pentru voltmetrele electronice, este prezentata in fig. 4.14. Ci, Ri, sunt capacitatea, respectiv rezistenta de intrare a osciloscopului.
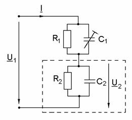
4.2.4. Divizorul de tensiune capacitiv
Este folosit pentru masurarea tensiunilor alternative pana la frecvente foarte ridicate (10 100 Mhz). Sunt preferate in special la valori mari ale tensiunilor deoarece nu consuma putere activa.
El se compune in principal din 2 condensatoare, unul C1 de capacitate mica, conectat in serie cu un condensator C2 de capacitate mare (fig. 4.15).

Considerand ca rezistenta voltmetrului este foarte mare (RV ¥), (fig. 4.15.a), raportul de divizare este:
(4.27)
Daca rezistenta voltmetrului conectat la divizor este mai mica, factorul de divizare devine:
(4.28)
Pentru ca raportul de divizare sa fie practic independent de frecventa si de sarcina este necesar ca Rv (sarcina) sa aiba o valoare cu cel putin un ordin de marime mai mare decat reactanta capacitiva a condensatorului C
Daca aparatul de masura are si o
capacitate de intrare ea se adauga lui C2 modificand raportul de
divizare cu o valoare constanta
.
Deoarece capacitatea aparatului este in general mica (<50pF), daca C este suficient de mare eroarea este practic
neglijabila.
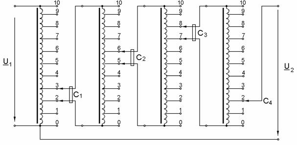
4.2.5. Divizorul inductiv
Divizoarele inductive sunt cunoscute pentru precizia si marea stabilitate in timp pe care le prezinta. Sunt construite pe principiul autotransformatorului si prin faptul ca la un moment dat, cursorul culege caderea de tensiune pe o fractiune din numarul total de spire infasurate pe miez, divizoarele inductive sunt practic lipsite de erorile in gol proprii transformatoarelor de tensiune.
Divizoarele inductive au impedanta de intrare mare (sute de kiloohmi), data in mare parte de impedanta de magnetizare si o impedanta de iesire mica (de ordinul ohmilor), data in principal de rezistenta conductorului din spirele conectate la iesire. Aceste caracteristici favorizeaza conectarea in cascada a treptelor de divizare realizate cu divizoare inductive.
In cadrul treptelor modificarea raportului de divizare se realizeaza prin modificarea numarului de spire de pe care se culege tensiunea de iesire.
In fig. 4.16 se prezinta schema de principiu a unui divizor inductiv format prin conectarea in cascada a patru celule decadice de divizare.
|
|
Fig. 4.16. Divizor inductiv cu 4 decare (U2/ U1= 0,2572)
Miezurile sunt toroidale, imbatranite, iar o decada se realizeaza prin bobinarea uniforma a unui manunchi de zece conductoare identice, care apoi se inseriaza.
Divizoarele inductive construite pentru frecvente intre 50 si 2000 Hz au la 1000 Hz erori de 0,1 1 p.p.m. crescand la 10 20 p.p.m. la 10 KHz.
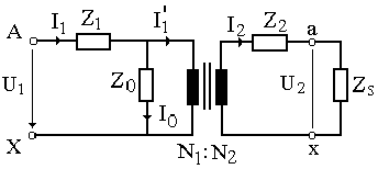
4.2.6. Transformatoare de tensiune
Schema echivalenta a transformatorului de tensiune poate fi usor dedusa pe seama schemei echivalente a transformatorului de curent (fig.4.6) inversand intrarea cu iesirea si este prezentata in fig. 4.17.
|
|
Fig. 4.17. Schema echivalenta in T a
transformatorului de tensiune
Fig. 4.18. Modul de conectare al TT
Pe baza schemei se pot scrie
urmatoarele relatii:
(4.29)
Din relatiile (4.29) se obtine raportul de transformare:
(4.30)
in care:
Z1, Z2 sunt impedantele infasurarilor primara, respectiv secundara Z0 - impedanta de magnetizare
N1, N2 - numarul de spire din primar, respectiv secundar
ZS - impedanta de sarcina.
Deoarece Z1 si Z2 sunt mult
mai mici decat Z0 si ZS, rezulta ca eroarea raportului de
transformare este:
(4.31) Primul
termen reprezinta eroarea de mers in gol, iar urmatorii doi termeni pun in
evidenta eroarea in sarcina a transformatorului.
La transformatoarele de tensiune care lucreaza pe impedante de sarcina mari eroarea in gol devine predominanta. Pentru micsorarea impedantei primarului Z1 si a impedantei de magnetizare Z0 miezul magnetic trebuie realizat din material de inalta permeabilitate si cu pierderi reduse.
Practic cu dimensiuni rezonabile ale transformatorului, cu material magnetic cu permeabilitate mai mare de 30.000 se pot obtine erori mai mici de 0,01%, la frecvente intre 50 si 1000Hz. La frecvente mai inalte (peste 10 KHz) calitatile miezului magnetic se imbunatatesc si se fac simtite erorile datorate capacitatilor parazite ale infasurarilor. Ca si la transformatorul de curent micsorarea erorilor raportului de transformare se poate realiza prin compensare electronica a erorilor.
|