Parametrii condensatoarelor
Condensatoarele sunt elemente
de circuit caracterizate prin capacitate. Condensatoarele se pot clasifica -
din punct de vedere al posibilitatii de modificare a
capacitatii, īn condensatoare fixe si variabile. Legea de
variatie a capacitatii condensatoarelor variabile īn
functie de deplasarea unghiulara a unei armaturi fata
de cealalta armatura, poate fi liniara, patratica -
pentru realizarea circuitelor acordate, sau exponentiala - pentru
aparate de masurare. Din punct de vedere functional, condensatoarele
se pot clasifica īn: neporalizate si polarizate, sau electrolitice. Celor
polarizate - de capacitate ridicata, li se aplica o tensiune
continua, a carei valoare este superioara valorii maxime a tensiunii
alternative suprapuse peste tensiunea continua. Capacitatea nominala a condensatoarelor fixe Cn,
este normalizata, sau standardizata, pentru valori inferioare valorii
de
. Valoarea capacitatii unui condensator polarizat,
utilizat pentru filtrarea unor tensiuni variabile, cuplarea sau decuplarea unor
circuite electronice, poate fi diferita de valoarea īnscrisa īn clar
pe condensator, cu -10%
50%, īntrucāt scopul urmarit prin introducerea
condensatorului īn circuit, nu este afectat de cresterea valorii
capacitatii. In circuite a caror comportare este influentata de
valoarea capacitatii, se utilizeaza condensatoarele nepolarizate, cu
tolerante pāna la valoarea :
. Tensiunea nominala
, continua sau
alternativa, īnscrisa pe condensator, este tensiunea maxima, care
poate fi aplicata condensatorului, fara riscul strapungerii
dielectricului dintre armaturi. Rezistenta de izolatie a
condensatoarelor, este foarte mare, atingānd valori de sute de Mohm - pentru
condensatoare nepolarizate, ceea ce presupune curenti de conductie
si pierderi prin conductie extrem de
reduse. Tangenta unghiului de pierderi nu scade sub valoarea:
, chiar si pentru condensatoare nepolarizate de foarte
bunt calitate si reprezinta o limitare a performantelor
unui condensator cu dielectric solid (sau lichid), īn care apar pierderi prin
polarizare, īn comparatie cu un condensator cu dielectric gazos, īn care
pierderile prin polarizare sunt nesemnificative. Intervalul temperaturilor de
functionare este cuprins īntre -40°C
85°C, sau -55°C
105°C. Influenta factorilor externi, dar mai ales
īmbatrānirea dielectricului, conduce la modificarea capacitatii
si performantelor condensatorului. Pentru obtinerea unor capacitati specifice ridicate
:
, unde
este volumul
condensatorului, se utilizeaza materiale cu rigiditati
dielectrice si permitivitati ridicate, sub forma de
straturi cu grosimi micrometrice.
Schema echivalenta si comportarea cu frecventa [Cat]
In fig. 7.1 sunt
reprezentate schemele echivalente ale unui condensator nepolarizat.
Rezistenta terminalelor si armaturilor s-a notat cu
, iar rezistenta de pierderi īn īnvelisul de
protectie al condensatorului, cu
.
Pierderile īn dielectricul dintre armaturi, sunt cuprinse īn schema echivalenta, care contine rezistenta corespunzatoare de pierderi :
.

Fig. 7.1 Schema echivalenta completa (a) si simplificata (b; c) a unui condensator nepolarizat.
Inductivitatea parazita L, este datorata conexiunilor, cāt si formei constructive a armaturilor. Intre componentele schemelor echivalente serie (fig. 7.1b) si paralel (fig. 7.1c), exista relatiile :
, (7.1)
, (7.2)
Prin urmare,
capacitatea schemei echivalente serie
, este superioara valorii capacitatii schemei
echivalente paralel
, inegalitate care este cu atāt mai pronuntata, cu
cāt tangenta unghiului de pierderi
, are valoare mai ridicata.
Notam
tangenta unghiului de pierderi īn materialul de protectie al
condensatorului, sau datorata rezistentei
, cu :
, (7.3)
Considerānd pierderile atāt īn dielectricul dintre armaturi cāt si īn īnvelisul de protectie al condensatorului, tangenta unghiului de pierderi, este:
, (7.4)
unde rezistenta echivalenta de pierderi se obtine din expresia:
. (7.5)
Cu relatia (7.6), relatia (7.5) obtine forma :
(7.6)
Capacitatea dintre nodurile a si b ale schemei echivalente, care reprezinta capacitatea echivalenta serie a condensatorului, conform relatiei (7.2), este :
. (7.7)
Tangenta unghiului de pierderi
īn rezistenta
, este :
. (7.8)
Impedanta schemei echivalente din fig.7.1a, are expresia :
. (7.9)
Utilizānd relatiile (7.4) (7.9), īn relatia (7.10), aceasta devine :
. (7.10)
Din relatia (7.10) rezulta componentele schemei echivalente serie(fig 7.1b):
, (7.11)
, (7.12)
unde :
, iar
reprezinta
pulsatia de rezonanta a condensatorului. Se constata
ca:
. Capacitatea serie
creste cu
cresterea frecventei (fig.7.2a), iar din expresia tangentei unghiului de pierderi :
, (7.13)
rezulta ca
pierderile īn rezistentele
si
au pondere
crescuta la frecvente joase, respectiv īnalte, īn timp ce la
frecvente medii, pierderile īn dielectric sunt preponderente (fig 7.2b).

Fig. 7.2 Dependentele de frecventa ale capacitatii serie (a) si tangentei unghiului de pierderi (b), pentru un condensator nepolarizat.
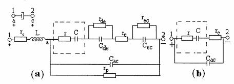
La condesatoarele electrolitice, o armatura este metalul pe care se formeaza oxidul dielectric, iar cealalta armatura, este constituita dintr-un electrolit lichid (sau solid), īn contact cu o folie metalica. Electrolitul poate lipsi, armatura fiind depusa direct pe stratul de oxid. Pentru marirea suprefetei efective (sau echivalente), suprafata metalului pe care se formeaza oxidul, este asperizata.

Fig. 7.3 Schema echivalenta completa (a) si simplificata (b) a condensatorului electrolitic polarizat.
Īn schema echivalenta a
condensatorului electrolitic, reprezentata īn fig. 7.3a, sunt incluse :
rezistenta electrolitului
, grupurile (
,
); (
,
), care reperezinta contactul dielectric - electrolit,
respectiv electrolit - catod, precum si capacitatea Cac īntre
anod si catod. Schema simplificata este reprezentata īn fig.
7.3b.
7.3 Tipuri de condensatoare
Din punct de vedere constructiv, condensatoarele nepolarizate sunt de tip planar - monostrat sau multistrat (fig.7.5a), sau de tip axial, cilindric sau bobinat (fig. 7.5b). Condensatoarele electrolitice se realizeaza frecvent īn varianta a doua.
Inductivitatea parazita a condensatoarelor monostrat sau multistrat, este extrem de redusa, iar inductivitatea condensatoarelor bobinate se micsoreaza substantial prin bobinarea foliilor dielectrice cu suprafete metalizate astfel īncāt forma condensatorului sa rezulte plata (fig. 7.5c). Atasarea electrozilor se realizeaza prin presiune (sau termo- presiune), astfel īncāt contactul electric cu suprafetele metalizate sau foliile metalice, sa fie asigurat.

Fig. 7.5 Condensatoare de tip planar multistrat (a), bobinate cilindric (b) si plat (c).
Dielectricii utilizati pentru realizarea condensatoarelor nepolarizate pot fi: pelicule plastice polare sau nepolare, materiale ceramice sau mica muscovit. Dielectricii polari (polietilentereftalat sau policarbonat), poseda permitivitati ridicate, permitānd obtinerea unor capacitati specifice mari. Cei nepolari (polistiren), au stabilitate cu temperatura si frecventa, dar permitivitati scazute. Condensatoarele cu pelicule plastice, se realizeaza sub forma bobinata, īn timp ce condensatoarele ceramice si cele cu mica, se realizeaza sub forma mono sau multistrat. Īn compozitia materialului ceramic poate intra titanatul de bariu, care prezinta valori extrem de ridicate ale permitivitatii.
Condensatoarele multistrat au inductivitati parazite extrem de reduse, tensiuni nominale si capacitati specifice extrem de ridicate, grosimea straturilor dielectrice -care pot fi din dioxid de siliciu si a celor conductoare -din cupru , fiind sub-micronica.
Condensatoarele electrolitice
utilizeaza ca material dielectric, oxizi de aluminiu (Al2O3),
tantal (Ta2O5) sau titan (TiO2), care
poseda permitivitati ridicate, avānd de asemenea grosimi submicronice,
ceea ce creaza posibilitatea obtinerii unor capacitati de valori mari la dimensiuni mici ale
codensatorului. Condensatorul cu oxid de aluminiu utilizeaza ca electrolit
acidul boric, hidroxidul de amoniu sau glicoletilena impregnata īn folii de celuloza. Tensiunea
nominala poate atinge valoarea :
=500 V. Condensatorul cu tantal, are anodul sinterizat din
pulbere din tantal, iar electrolitul este o pelicula solida
semiconductoare din bioxid de mangan (MnO2). Tensiunea
nominala este mai redusa:
=10 100V, iar inductivitatea parazita este considerabil mai redusa
decāt cea a condensatoarelor cu oxid de aluminiu. Supus impulsurilor de
tensiune, oxidul de tantal cristalizeaza, rezistivitatea lui se micsoreaza
si condensatorul se poate distruge prin īncalzire datorita
pierderilor de putere prin conductie.
7.4 Īntrebari
Enumerati parametri electrici a condensatoarelor nepolarizate si precizati conditiile īn care acestea pot functiona;
Analizati comportarea cu frecventa a unui condensator, pe baza schemei echivalente si stabiliti conditiile īn care acesta poate functiona ca si capacitate;
Aratati schematic structurile diferitelor tipuri de condensatoare;
7.5 Probleme
. Se considera un condensator circular cu armaturi plane
paralele, cu sectiunea S=20 cm2, dielectricul dintre armaturi avand
grosimea g=0.17mm ,
,
, Estr=15MV/m . Sa se determine tensiunea maxima Umax,
care poate fi aplicata condensatorului si valorile componentelor schemei
echivalente a condensatorului.
Rezolvare
Tensiunea maxima care poate fi aplicata condensatorului are valoarea:
Umax=Estr·g=2.55kV.
Pentru
determinarea inductivitatii parazite Lp se aplica legea circuitului
magnetic pentru o curba inchisa
:
,
de unde rezulta expresia fluxului magnetic corespunzator densitatii de current J, presupusa constanta in volomul materialului dielectric:

.
Inductivitatea parazita are expresia:
.
Rezistenta echivalenta de pierderi prin conductie are valoarea:
, iar capacitatea condensatorului este:
.
In curent alternativ, apar si pierderi prin polarizare, iar schema echivalenta a condensatorului este mai complexa.
2. Un condensator este realizat prin
bobinarea a doua folii din hostafan metalizate pe ambele fete, cu grosimi g=8μm; stratul metalizat prin
evaporare in vid avand grosimea de 1μm.
Latimea foliilor este: l=50mm, iar diametrul exterior al condensatorului este:
D=1.4cm. Materialul dielectric se carcterizeaza prin:
la frecventa: f=10kHz,
Estr=100MV/m. Sa se calculeze :
a) capacitatea condensatorului;
b) inductivitatea parazita in varianta inductiva, caracterizata prin atasarea electrozilor doar la cele doua straturi metalizate si in varianta neinductiva, care presupune metalizari decalate pe cele doua fete ale foliilor, care se scurtcircuiteaza la extremitatiile latimii foliilor;
c) pierderile de putere activa pentru o tensiune egala cu 10% din tensiunea maxima admisa.
Rezolvare
Prin bobinarea celor doua folii metalizate se formeaza doua condensatoare conectate in paralel. Lungimea L a celor doua folii determina suprafata armaturilor. Condensatorul astfel realizat este echivalent cu un condensator format dintr-o singura folie, cu lungime dubla.
O spira medie are lungimea :
,
iar numarul spirelor rezultate prin bobinarea foliilor , este :
.
Lungimea totala este :
,
iar suprafata armaturilor , are expresia :
.
Capacitatea condensatorului este :
.
Aplicam legea circuitului magnetic pentru varianta inductiva :
.
Fluxul magnetic prin suprafata S este de forma :
,
iar inductivitatea parazita, are valoarea :
.
Pentru varianta neinductiva, legea circuitului magnetic este de forma :
.
Fluxul magnetic prin
suprafata
este de forma :![]()
,
iar inductivitatea parazita are valoarea :
.
Raportul inductivitatilor parazite corespunzatoare celor doua variante este :
.
Pentru schema echivalenta paralel a condensatorului sunt valabile relatiile:
,
.
Tensiunea limita maxima care poate fi aplicata condensatorului corespunde strapungerii dielectricului :
Umax=Estr·g=800V .
Pierderile active de putere corespunzatoare unei tensiuni U=80V, sunt : Pa=0.543W . Desi valoarea tangentei unghiului de pierderi este redusa, pierderile de putere activa sunt relativ mari datorita frecventei ridicate .
3.Sa se determine valorile limita ale duratei
impulsului de iesire a unui circuit monostabil : T=RC/2, stiind ca R=1M
, t1=
2.5%,
, t2=
5% ,
, C=100pF. Circuitul functioneaza intr-un mediu cu
temperatura θ cuprinsa in intervalul
[-3
C÷10
.
Rezolvare :
Toleranta duratei impulsului este de forma :
,
unde :
,
.
Prin urmare : tT=t1+t2=7.5% .
Coeficientul de variatie cu temperatura are expresia :
,
iar valoarea coeficientului
este cuprinsa intre limitele 50÷150ppm/
.
Valoarea nominala a duratei impulsului este :
T0=RC/2=50μs ,
iar valorile limita sunt :
![]()
![]()
Expresiile duratelor limita ale impulsului s-au determinat cu valoarea maxima a coeficientului de variatie cu temperatura, considerand temperatura normala de functionare: θ0=200C.
4. Sa se determine tipurile condensatoarelor C1 , C2 conectate in paralel si sa se calculeze capacitatile lor, astfel incat capacitatea echivalenta sa fie 25pF, iar coeficientul de variatie cu temperatura sa fie nul.
Rezolvare :
Capacitatea echivalenta este :
Cp=C1+C2 .
Coeficientul de variatie cu temperatura al capacitatii echivalente, are expresia :
,
unde :
sunt coeficientii de
variatie cu temperatura ai condensatoarelor C1 , C2 .
Ansamblul celor doua condensatoare este caracterizat prin relatiile :
Cp=C1+C2 ,
C1α1+C2α2=0 .
Din conditia a doua, rezulta semne opuse
pentru α1 si α2. Solutia problemei nu este
unica. Una din solutii consta in alegerea unui condensator C1 , cu
α1=100ppm/°C si a unui condensator C
, cu
.
Rezulta valorile celor doua capacitati, din relatiile :
,
.
Valorile celor doua condensatoare sunt :
C1=6.2pF ; C2=18.8pF .
Sa se studieze aceeasi problema in cazul in care cele doua condensatoare se conecteaza in serie.
5.Sa se analizeze solicitarea electrica a condensatorului cu urmatorii parametri:
Cn=12nF, Un=25V, In=0.05A, Pn=2mW, tgδ=5·10-4.
Puterea maxima disipata de condensator
depinde de frecventa -ca si tgd si are valoarea:
.
Prin urmare nu exista limitare īn putere, ramānānd posibilitatea depasirii tensiunii nominale sau a curentului nominal. Frecventa critica care delimiteaza regiunile īn care limitarea este de tensiune sau curent, se determina din relatiile corespunzatoare limitarii de tensiune sau curent care sunt identice:
,
,
rezulzānd:

.
Pentru:
,
,
si
, iar pentru
, Ic=Īn=0.05A,
, si ![]()
Sa se studieze aceeasi problema pentru un ansamblu format din doua condensatoare cu parametri diferiti, conectate īn paralel.
6.Sa se analizeze solicitarea electrica a unui condensator cu parametri:
Cn=100nF , Un=50V , Īn=0.2A ,
Pn=10mW , tg
=10-2 .
Rezolvare:
Puterea maxima disipata de condensator, are valoarea:
Pdmax=Un·Īn·tg
=0.1W>Pn .
Prin urmare exista posibilitatea depasirii puterii nominale, sau exista limitare īn putere, dupa cum exista limitare īn tensiune si curent. Īn acest caz sunt definite doua freccevente critice, care corespund limitarii īn tensiune, respectiv īn curent. Conditia limitarii īn tensiune corespunde situatiei īn care la bornele condensatorului se aplica tensiunea Un, iar puterea disipata este Pn , sau:
Pn=Un·Ic·tg
=Un·
·Cn·Un·tg
,
rezultānd:
,
iar din conditia limitarii īn curent, care corespunde situatiei īn care curentul prin condensator este Īn si puterea disipata este Pn , sau:

,
rezulta:
.
Pentru cele trei domenii de frecventa sunt valabile relatiile:
f<637Hz:Uc=Un=50V;
Ic=
·Cn·Un;
Pd=Uc·Ic·tg
=
Cn·
;
f [637Hz, 637kHz]: Pd=Pn=10mW;
;
;
f>637kHz: Ic=Īn=0.2A;
Uc=
;
.
Sa se studieze aceeasi problema pentru doua condensatoare conectate īn paralel, care au una, respectiv doua frecvente critice.
. Sa se determine relatiile de legatura īntre componentele schemelor echivalente paralel si serie ale unui condensator.

Rezolvare :
Din egalitatea admitantelor celor doua scheme echivalente, rezulta:
(1) ![]()
iar din egalitatea tangentelor unghiurilor de pierderi, rezulta:
(2)
.
Daca se considera componentele
schemelor echivalente serie si paralel independente de frecventa, relatia (2)
este valabila doar pentru frecventa:
. Pentru ca relatia (2) sa fie adevarata pentru toate
frecventele, trebuie sa admitem dependenta de frecventa a componentelor.
Din sistemul de relatii:
(1')
,
(2')
,
rezulta:
(3)
.
Din sistemul de relatii:
(1")
,
(2")
,
rezulta:
(4)
,
sau:
(5)
.
Conform relatiilor (3) si (4) expresia tangentei unghiului de pierderi este:
(6)
,
unde:
sunt constantele de
timp ale celor doua circuite echivalente.
Intrucāt tangenta unghiului de pierderi este prin definitie raportul puterilor, iar puterea aparenta S, este suma dintre puterea activa si reactiva, rezulta ca ipotenuzele triunghiurilor puterilor sunt egale cu puterea aparenta, sau:
(7)
.
. Sa se determine tangenta unghiului de pierderi pentru conexiunea serie si paralel a doua condensatoare cunoscānd valorile capacitatilor si ale tangentelor unghiurilor de pierderi.
Rezolvare:

Este recomandabil - datorita facilitatilor de scriere a relatiilor ca pentru conexiunea serie sau paralel, sa se utilizeze schemele echivalente serie respectiv paralel ale condensatoarelor.
Pentru schema echivalenta serie a condensatorului, tangenta unghiului de pierderi este:
,
de unde rezulta :
.
Pentru conexiunea serie, tangenta unghiului de pierderi este :
.
Pentru schema echivalenta paralel a condensatorului, tangenta unghiului de pierderi este:
,
de unde rezulta : 1/R= tgC.
Pentru conexiunea paralel, tangenta unghiului de pierderi este :
.
Metoda grafica de rezolvare adoptata - remarcabila prin simplitatea ei, se poate aplica conexiunilor serie-paralel ale mai multor condensatoare, diagramele construite pentru un anumit tip de conexiune compunāndu-se īntr-o singura diagrama, īn care se poate aplica relatii metrice īn triunghi.
. Pentru doua condensatoare se cunosc valorile
capacitatilor : C1,C2 si ale coeficientilor de variatie
cu temperatura :
,
. Sa se determine coeficientii de variatie cu temperatura :![]()
,
, pentru conexiunea paralel si serie ale celor doua
condensatoare.
Rezolvare :
Prin definitie, coeficientul de variatie cu temperatura este :
.
Pentru conexiunea paralel, coeficientul de variatie cu temperatura este de forma :
.
Pentru conexiunea serie, expresia coeficientului de variatie cu temperatura, este :
.
. Presupunem cunoscuti coeficientii de variatie ai
capacitatii cu temperatura :
precum si valorile capacitatilor
. Sa se determine coeficientii
echivalenti de variatie cu temperatura ai permitivitatilor relative :
pentru conexiunea serie si paralel ale celor
doua condensatoare.
Rezolvare :
Din expresiile capacitatilor celor doua condensatoare :
rezulta :
;
iar din expresiile coeficientilor de variatie a capacitatii cu temperatura, rezulta :
.
Pentru conexiunea serie, coeficientul de variatie a capacitatii cu temperatura, are forma :
Se observa ca
are o expresie similara :
Pentru conexiunea paralel, expresia coeficientului de variatie a capacitatii cu temperatura, este :
iar coeficientul de variatie
are forma :

7.6. Anexa
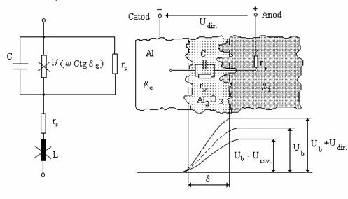
Aspecte teoretice cu privire la condensatoarele polarizate
Īn regim stationar sau cvasistationar, schema echivalenta a unui condensator polarizat sau electrolitic se poate simplifica, dupa cum se ilustreaza īn fig. 4.3. Īn aceasta schema echivalenta, intervin cu pondere crescuta atāt rezistenta terminalelor condensatorului si a electrolitului, cāt si rezistenta de pierderi prin conductie, īn dielectricul format din oxid de aluminiu: Al2O3. Un electrod (catodul), este alcatuit din aluminiu, iar celalalt (anodul), este conectat la electrolit. Din schema echivalenta pot fi excluse la pulsatii reduse: w 0, atāt inductivitatea "L", cāt si componenta: 1/(wCtgde
|
Fig. 4.3. Schema echivalenta si structura unui condensator polarizat, īn regim stationar. |
Catodul este alcatuit dintr-o folie din aluminiu, cu conductivitate electronica, electronii avānd mobilitate "me" ridicata, iar anodul este un electrolit cu actiune oxidanta asupra aluminiului si cu conductivitate ionica, ionii avānd mobilitate "mi" redusa, ceea ce justifica introducerea īn schema echivalenta a rezistentei serie "rs". Capacitatea condensatorului depinde de grosimea "d" a stratului dielectric din oxid de aluminiu, precum si de suprafata efectiva a armaturilor, care depinde de gradul de rugozitate al stratului de oxid si al foliei din aluminiu. Īn absenta unei tensiuni aplicate īntre electrozi, īntre folia din aluminiu si electrolit exista o bariera de potential electrochimic "Ub", care nu permite purtatorilor de sarcina: electroni sau ioni, sa strabata jonctiunea.
Aplicānd īntre electrozi o tensiune crescatoare de polarizare directa "Udir.", numarul purtatorilor de sarcina se mareste pe de o parte, iar pe de alta parte, īnaltimea barierei de potential se mareste, avānd ca rezultat micsorarea numarului purtatorilor de sarcina care strabat jonctiunea. Īntrucāt primul efect este preponderent, curentul continuu prin condensator se mareste, dar īn masura relativ redusa, datorita celui de al doilea efect. Aceste concluzii, precum si cele expuse īn continuare, s-au obtinut pe baza rezultatelor experimentale, corelate cu studiul teoretic al proceselor care au loc.
La polarizare inversa, īnaltimea barierei de potential se micsoreaza, iar numarul purtatorilor de sarcina care strabat jonctiunea se mareste semnificativ pentru valori ale tensiunii: Uinv.> 1V, iar condensatorul se poate distruge prin īncalzire excesiva datorita puterii disipate, daca curentul prin condensator nu este limitat printr-o rezistenta.
Cu cresterea temperaturii, reactivitatea electrolitului fata de aluminiu se mareste, avānd ca urmare micsorarea grosimii "d" a stratului dielectric, care devine mai uniform sau mai putin rugos, determinānd micsorarea suprafetei efective a armaturilor. Īntrucāt primul efect este preponderent, capacitatea condensatorului se mareste. Reactivitatea crescuta a electrolitului determina cresterea īnaltimii barierei de potential electrochimic, ceea ce este echivalent cu īmbunatatirea proprietatilor dielectrice ale oxidului de aluminiu. Astfel, rezistenta de pierderi īn materialul dielectric "rp" se mareste, iar tangenta unghiului de pierderi "tgde" se micsoreaza. Īn acelasi timp, mobilitatea ionilor se mareste considerabil, ceea ce este echivalent cu scaderea pronuntata a rezistentei "rs". Īntrucāt acest ultim efect este preponderent, pentru tensiune aplicata constanta, cu cresterea temperaturii curentul continuu prin condensator se mareste.
Aplicānd condensatorului o tensiune inversa la care apare procesul de strapungere, care nu este distructiv datorita prezentei īn circuitul de masurare a unei rezistente de limitare a curentului invers, canalele din stratul de oxid se refac mai rapid la temperaturi crescute, datorita reactivitatii sporite a electrolitului. Astfel folia din aluminiu se oxideaza mai rapid īn regiunea īn care a existat un canal de strapungere, prin care electrolitul a ajuns īn contact direct cu folia din aluminiu, iar numarul si contributia canalelor de strapungere la curentul invers se micsoreaza. Aceeasi comportare se obtine si la polarizare directa īn regim de strapungere, curentul prin condensator fiind limitat īn acelasi mod, prin intermediul unei rezistente conectate īn serie cu condensatorul. Refacerea stratului dielectric se poate efectua prin doua procedee. Primul procedeu consta īn īncalzirea condensatorului īntr-o incinta termostatata, iar al doilea procedeu presupune aplicarea unei tensiuni de polarizare directa, care se mareste treptat,controlānd īn permanenta curentul prin condensator, care este de asemenea limitat printr-o rezistenta. Daca prin cresterea tensiunii aplicate, curentul se mareste substantial, se va micsora tensiunea astfel īncāt valoarea curentului sa se īncadreze īn limite reduse, de ordinul cātorva zeci de mA. Condensatorul se mentine īn aceasta stare o perioada de timp, īn care curentul se va micsora datorita refacerii stratului de oxid, dupa care se creste tensiunea directa aplicata, astfel īncāt curentul sa se īncadreze īn aceleasi limite reduse.
|