EXTENSIE LA CONVERTOARELE DE ORDIN MAI MARE
Generalizarea teoremei 2
impedanta de intrare de ordin “zero” (rezistiva) si deci sunt circuite cu factor de putere unitate.
Poate un convertor in comutatie de ordin mai mare sa ofere deasemenea o
impedanta de intrare de ordin “zero” sub anumite conditii?
Intuitiv, daca portul de intrare nu “vede” nici un element reactiv, impedanta de
intrare de ordin “zero” poate fi mentinuta.
Pentru a evita confuziile ne vom referii la un inductor ca si un inductor reactiv,
daca nu este un L0 si la un condensator ca si la un condensator reactiv, daca nu este un C0.
Un convertor in comutatie de tensiune general are o impedanta de intrare de ordin “zero” daca portul de intrare sau portul de iesire nu formeaza bucle cu un inductor reactiv sau condensator reactiv.
Acelasi argument ca in demonstratia teoremei 2 se aplica si aici. Ipoteza implica, ca ramura portului de intrare sa fie in orce subinterval de timp deconectata de la toate elementele reactive. Astfel intrarea convertorului este rezistiva. Ipoteza teoremei spune esential ca intrarea este permis sa fie doar conectata direct la elemente de ordin “zero” ca si L0 si C0.
Exemplul clasic este convertorul inversor la care bucla prin care se circula in perioada de conductie contine intrarea si un L0. Bucla prin care se circula in perioada de blocare contine L0 si portul de iesire reactiv, cele doua bucle neantretaindu-se in timp. In convertoare de ordin mai mare, totusi, prezenta elementelor reactive joaca un rol important in procesul de conservare a energiei. Asa cum vom vedea mai tarziu, capacitatea de a stoca energia ramane o proprietate cheie a regulatoarelor PFC cu un singur etaj. Cu toate ca se pot proiecta evitand conectarea intrarii cu toate elementele reactive, introducand mai multe bucle de circulatie care transfera energia secvential pe parcursul unei perioade, pretul va reprezenta un inconvenient major. Deci, conectarea directa intre intrare si elementele reactive este adeseori inevitabila. Urmatoarele subsectiuni analizeaza cateva exemple comune.
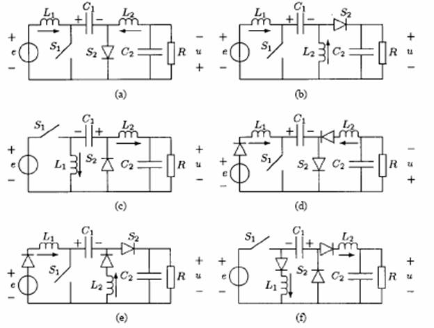
CONVERTOARELE CUK, SEPIC SI ZETA
in mod discontinuu
Convertoarele Cuk, SEPIC si ZETA sunt
prezente in fig. 5. a,b,c.
Fig. 5 Convertoare de ordin superior: (a) convertor Cuk; (b) convertor Sepic;
(c) convertor Zeta; (d) - (f) convertoare cu dioda aditionala pentru crearea L0
Aici, spre deosebire de convertoarele simple, functionarea in mod discontinuu nu face ca inductoarele sa se comporte ca si L0. De fapt, cum se arata in fig. 6(a), curentii din inductor nu ating neaparat nivelul “0” cu toate ca suma lor este periodic “0”. Deci, sunt inca “libere sa varieze” (deci nu este L0) cu toate ca dinamica lor combinata este redusa la primul ordin.

Fig.6 Curentii indusi la Cuk, Sepic si Zeta Fig.7 Formele de unda ale curentului
operand in mod discontinuu (a) fara diode cu L2 in mod continuu, iin=iL1 pentru
(b) cu diode aditionale in serie cu inductorii Cuk si Sepic, iin=iS1 pentru Zeta
Derivarea expresiei pentru curentul de intrare mediu este complicata de timpul de conducere variabil al diodei (vezi fig. 5). Mai mult, stim ca impedanta de intrare nu este de ordin “zero” caci inductantele nu sunt L0. Dar un factor de putere ridicat este inca posibil daca dinamica inductorului este neglijabila.
CORECTIA FACTORULUI DE PUTERE
la convertoarele Cuk, Sepic si Zeta.
Sa presupunem ca putem face inductoarele din convertoarele Cuk, Sepic si Zeta sa se comporte ca L0. Circuitele pot fi atunci privite ca si combinatii in cascada de convertoare de baza in mod discontinuu. Aceasta poate fi realizata introducand o dioda in serie cu fiecare inductor ca in figura 5 (d) – (f). In aceste conditii, inductorii sunt L0 cum se ilustreaza in figura 6(b). Este clar ca tipul de operatii in mod discontinuu difera fundamental de cel descris in subsectiunea precedenta, unde diodele in serie nu erau prezente. A se nota ca este deasemenea posibil ca iL2 sa isi asume o operatie in mod continuu pastrand in acelasi timp iL1 discontinuu. Ne vom ocupa de acest caz mai tarziu.
Ne concentram acum asupra convertoarelor Cuk, Sepic si Zeta din fig. 5 (d) – (f), operand cu amandoi inductorii ca L0 (ca in fig. 6(b). In primul rand curentul de intrare al convertorului Cuk este asemanator celui din convertorul ridicator, si poate fi dedus inlocuind “u” cu vC1 in (5):
|
|
|
Rezistenta de intrare este:
|
|
|
|
|
|
Astfel convertorul Cuk in modul de lucru specificata poate obtine PFC daca modul de e/vC1 este mic. Aceasta implica din nou un posibil schimb intre nivelul de tensiune si factorul de putere.
Intr-un mod asemanator putem deduce pentru convertorul Sepic, in modul de lucru specificat, curentul de intrare inlocuind “u” cu vC1 + u in (5), adica:
|
|
|
Astfel rezistenta de intrare devine:
|
|
|
|
|
|
Deci convertorul Sepic poate obtine PFC daca
este mic. Comparat cu convertorul Cuk,
convertorul Sepic pare sa sufere de un nivel de tensiune mai mic, deoarece
faptul ca u>0 tinde sa amelioreze
aproximatia data de (18).
Pentru convertorul Zeta, curentul de intrare cand S1 conduce este suma celor doi curenti din inductor si este zero cand S1 este blocat. Deci curentul de intrare in medie, in modul de lucru specificat este :
|
|
|
Rezistenta de intrare este:
|
|
|
|
|
|
Deci un factor de putere mare cere ca valoarea lui L1(vC1-u)/(L1+L2)e sa fie mai mica. Aceasta ramane o conditie relativ slaba deoarece factorul L1/(L1+L2) reduce valoarea lui (vC1-u)/e.
REMARCI
Cum am mentionat mai sus, este posibil ca L2 sa opereze in mod continuu in timp ce L1 in mod discontinuu. Aceasta situatie poate sau nu sa afecteze proprietatea PFC in functie de tehnologie. Pentru convertoarele Cuk si Sepic curentul de intrare este de fapt iL1 care este independent de iL2. Atat timp cat L1 ramane in mod discontinuu (fig. 6 b), intrarea este inca aproape rezistiva. Totusi pentru convertorul Zeta, L2 operand in mod continuu va afecta curentul de intrare cum se arata in fig.7. De specificat ca pe perioada intervalului in care S1 este deschis, portul de intrare este conectat la L2 care nu este in L0. Deci, din teorema 3, convertorul Zeta trebuie sa-si piarda capacitatea PFC.
|