Pentru a produce electricitate este nevoie de un generator care sa realizeze un surplus de electroni intr-un punct numit borna negativa si o lipsa de el 545b18f ectroni in alt punct borna pozitiva si sa mentina aceasta diferenta de potential pe parcursul functionarii sale.
Diferenta de potential dintre cele doua puncte se numeste tensiune electrica si se noteaza cu simbolul "U".

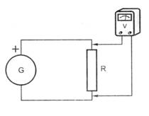
FIG 36 FIG 37
Pentru masurarea tensiunii unei surse sau la bornele unui receptor electric se foloseste aparatul de masura numit voltmetrul (fig 36)
Acesta se conecteaza in paralel cu bornele generatorului sau ale receptorului (fig 37). Tensiunea electrica este una din marimile electrice importante care trebuie respectate la alimentarea diverselor receptoare.
|