
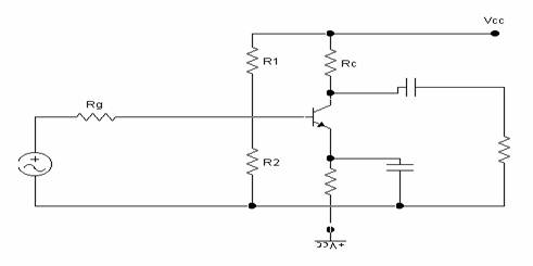
Etajul de amplificare emitor-comun

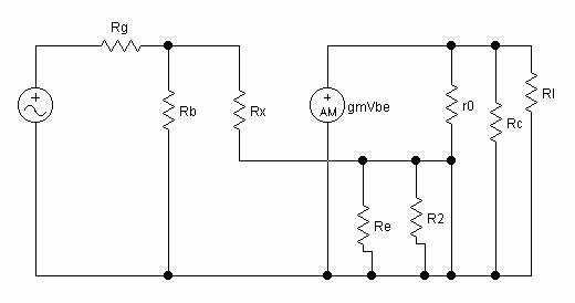
Schema echivalenta in c.a.
Rb=R1||R2. Pentru a ne fixa un punct de vedere asupra tipului de amplificator care modeleaza cel mai bine acest etaj vom examina modul in care 323i88d trebuie atacat etajul si respectiv in care trebuie citit etajul. Ca atare mai intai vom determina rezistenta de intrare, respectiv rezistenta de iesire a circuitului.
RI=Vbe/Ig=RB||RI,T RB||rp+rm rp
RI,T - rezistenta de intrare in tranzistor
K=V0/Vbe=-gm(r0||Rc); rm =rm/(1-K) - conform teoremei lui Miller
RI,T rp+rm = rp ; R0=Rc||R0,T Rc

R0,T=r0||rm ; rm =rm/(1-1/K) rm
Amplificare in tensiune

AV=V0/Vg=[-gm(r0||rm ||Rc||RL)Vbe] / [(Rg+RB||rp||rm )Vbe/(RB||rp||rm
=-gmR'L(r0||rm ein)( R'L+ r0||rm )]= -gmR'L/[(1+ein eout
ein=Rg/ RB||rp||rm eout= R'L/(r0||rm )= R'L/ R0,T ;
AI=I0/Ig=[(r0||rm ||Rc)gmVbe/(RL+ r0||rm ||Rc)] / [Vbe/ (Rg||RB||rp||rm
=gm(Rg||RB||rp||rm )(r0||rm ||Rg)/( RL+ r0||rm ||Rc)= -gmrp ein eout
=Ai ideal/[(1+ein eout eout=RL/R0; ein= rp/(Rg||RB||rm ); Ai ideal=bI
2.Etaj cu sarcina distribuita


Determinam Ri=Vg/Ig
| RL,R''L ¥ = rezistenta de intrare
RL=RB||RiT; R'iT=[Vbe+RE(Vbe/ rp +I)] / [Vbe/rp]= rp[1+RE(1/ rp +I/Vbe]
IRc+r0(I-gmVbe)+RE(Vbe/rp +I)=0
I(Rc+ r0+RE)+Vbe(-gmr0+RE/rp)=0 ; I/Vbe=(gmr0-RE/rp)/(Rc+RE+r0);
RiT=rp+RE[1+(bFr0-RE)/(RC+RE+r0)]. Prin aducere la acelasi numitor:
RiT=rp bFr0+c+Rc)RE/(RC+R0+RE) rp+RE(bF+1); Ri RB;

R0,1=VX/IV=RC|| R0,T; R0,T=r0(1-gmVbe/I) +(RE||rp||Rg||RB)
(REI)/(RE+rp+Rg||RB)=-Vbe/rp; Vbe/I=- rpRE/(RE+rp+Rg||RB);

R02=RE||R0,T; R0,T=VX/I=[(rp+Rg||RB)Vbe/rp] / (-Vbe/rp +I')
-(rp+Rg||RB)Vbe/rp+r0(Vbe/rp+I+gmVbe)+I'Rc=0
I=-Vbe/rp I'. Inlocuim pe I in relatia de mai sus si rezulta
-( rp+ Rg||RB)Vbe/rp+r0(Vbe/rp - Vbe/rp +I'+gmVbe)+I'Rc=0;
R0,T ( rp+ Rg||RB)/(1+bF); R0,2=RE||R0,T R0,T=( rp+ Rg||RB)/(1+bF
AV=V01/Vg=[I(Rc||RL)] / [[(RB||Ri,T+Rg)/(RB||Ri,T)][Vbe+RF(Vbe/rp -I)]] (1)
Impartim prin I: rezulta
(RL||RC)I+r0(gmVbe+I)+RE(I- Vbe/rp
Rezulta Vbe/I= (RL||Rc+r0+RE)/(-gmr0+RE/rp
Introducem relatia (2) in (1) rezulta:
AV=[(RC||RL)(RB||Ri,T)] / [(RB||Ri,T+Rg)[(RL||Rc+r0+RE)/(-gmr0+RE/rp) +RE((RL||Rc+r0+RE)/(-gmr0/rp +RE) -1))]=
ein)][R'L(-bFr0+RE)]/[rp(R'L+r0+RE)+RE(R'L+r0+bFr0)]= [1/(1+ein bFr0R'L)/(rpr0+REbFr0) rezulta AV=[1/(1+ein)](-R'L)/RE;
Sa calculam AV cand avem sarcina in emitor:

Av2=V02/Vg=V02/[Rg((V02+Vbe)/RB
+Vbe/rp)+Vbe+V02]
Impartim relatia prin V02
V02=RC||R'L(Vbe/rp +I) rezulta: IRC+r0(I-gmVbe)+Rc||R'L(Vbe/rp +I)=0
Vbe/I=(RC+r0+RC||R'L)/(r0gm-(RC||R'L)/rp
Rezulta I=[(r0gm- (RC||R'L)/rp]Vbe/(RC+r0+RC||R'L)
|