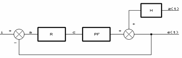
Regulatorul automat are rolul de a prelua operational semnalul de eroare, (obtinut în urma comparatiei liniar-aditive a marimii de intrare r si a marimii de reactie y r, în elementul de comparatie) si de a elabora la iesire un semnal de comanda u pentru elementul de executie, figura 3.1.
Informatiile curente asupra desfasurarii procesului tehnologic se obtin cu ajutorul traductorului de reactie si sunt prelucrate de regulatorul automat în conformitate cu o anumita lege care defineste algoritmul de reglare automata. Algoritmii de reglare (legile de reglare) conventionali, utilizati frecvent în reglarea proceselor tehnologice sunt de tip proportional-integral-derivativ (PID).

Figura 3.1.
Implementarea unei anumite legi de reglare se poate realiza printr-o varietate destul de larga a constructiei regulatorului, ca regulator electronic, pneumatic, hidraulic sau mixt.
Chiar si în cadrul aceleiasi categorii constructive se pot realiza variante diferite, fiecare solutie oferind anumite avantaje din punct de vedere al preciziei de realizare a legii de reglare, a pretului, a sigurantei în functionare si a flexibilitatii în exploatare.
În tabelul 3.1 se prezinta o clasificare generala a regulatoarelor automate.
Tabelul 3.1.
|
Clasificarea regulatoarelor automate |
|
|
Dupa caracteristicile de transfer ale instalatiei tehnologice |
Dupa caracteristicile constructive si functionale ale regulatoarelor |
|
Regulatoare cu caracteristici de transfer invariante folosite în urmatoarele categorii de sisteme: - sisteme de stabilizare automata (r = ct.); |
Dupa tipul actiunii regulatorului: - regulatoare cu actiune continua, liniare sau neliniare; - regulatoare cu actiune discreta, cu impulsuri modulate sau numerice. |
|
- sisteme de reglare cu program (r = f(t) cunoscut); - sisteme de urmarire (r = f(t) necunoscut aprioric). |
Dupa constructia blocului regulator si a semnalelor folosite: - regulatoare unificate; - regulatoare specializate. |
|
Regulatoare cu caracteristici de transfer variabile: - regulatoare adaptive; - regulatoare instruibile; - regulatoare extremale (optimizatoare automate). |
Dupa natura purtatorului de informatie: - regulatoare electronice; - regulatoare pneumatice; - regulatoare hidraulice; - regulatoare mixte (electrohidraulice, electropneumatice). |
|
Dupa viteza de raspuns a instalatiei tehnologice: - regulatoare pentru procese rapide; - regulatoare pentru procese lente. |
Dupa tipul reactiei folosite: - regulatoare cu reactie dupa marimea de i 343j96d esire; - regulatoare cu reactie dupa variabilele de stare (regulatoare cu estimatoare de stare). |
|
Dupa numarul marimilor de iesire ale instalatiei tehnologice: - regulatoare monovariabile; - regulatoare multivariabile. |
Dupa modul de instalare: - regulatoare de panou; - regulatoare locale. |
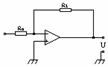
Legile de reglare clasice (de tip P, PI, PID) se realizeaza în cadrul regulatoarelor cu actiune continua cu ajutorul circuitelor operationale cu elemente pasive, instalate pe calea de reactie a unor amplificatoare operationale (figura 3.2).

Figura 3.2.
Daca factorul de amplificare K A al blocului amplificator este suficient de mare, comportarea intrare-iesire a regulatorului este determinata numai de elementele si structura circuitului de reactie operationala conform relatiei:
.
Prin alegerea convenabila a circuitului de reactie (care prezinta o anumita functie de transfer H C(s)), se obtin diferiti algoritmi de reglare. Pentru legile de reglare tipizate, functiile de transfer ideale au expresiile:
|
Regulator P: |
|
|
Regulator PI: |
|
|
Regulator PID: |
|
unde K R reprezinta factorul de amplificare, T i constanta de timp de integrare, T d constanta de timp de diferentiere, iar q factorul de interinfluenta.
Desi foarte avantajoasa din punct de vedere constructiv, aceasta metoda nu poate asigura independenta parametrilor de acord ai regulatorului (K R, T i, T d).
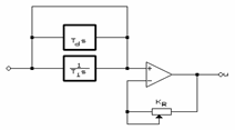
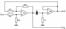
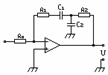
Folosirea unor canale separate pentru prelucrarea operationala a semnalelor de eroare elimina complet toate dificultatile aferente interinfluentei, asigurând realizarea functiei de transfer (a regulatorului PID) cu un grad de interdependenta q = 0 si o independenta totala a acordarii parametrilor K R, T i, T d. O astfel de solutie este prezentata în figura 3.3.

Figura 3.3.
Varianta din figura 3.3. este caracterizata de un pret de cost mai ridicat, determinat de utilizarea a trei amplificatoare operationale (fata de unul singur în schema din figura 3.2.), dar avantajele functionale pe care le prezinta îi ofera perspective largi de utilizare în realizarea regulatoarelor moderne. Realizarea legii de reglare PID în cadrul sistemelor de stabilizare automata (r = const.) se face cu ajutorul unui regulator de tip PI (care are o constructie mai simpla) si a unui bloc de tip PD, instalat pe calea de reactie, figura 3.4.

Figura 3.4.
O categorie mai importanta de regulatoare care se dezvolta în prezent sunt regulatoarele cu reactie dupa stare. Utilizarea descrierii matematice intrare-stare-iesire ofera informatii complete asupra comportarii dinamice a sistemului în ansamblul sau si permite, prin utilizarea ca marimi de reactie a marimilor de stare, realizarea unor solutii mult mai avantajoase de reglare a proceselor, folosind pentru aceasta regulatoare cu elemente proportionale.
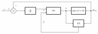
Pentru obtinerea unor performante superioare, legate de satisfacerea atât a regimului stationar, cât si a regimului tranzitoriu, este indicata combinarea reglarii dupa stare cu reglarea dupa iesire, figura 3.5.
Estimatorul
de stare ES primeste
marimile u si y si elaboreaza starea
estimata
, care se utilizeaza în
regulatorul automat ca marime de reactie. Reglarea combinata
dupa iesire si stare asigura obtinerea unor erori
stationare nule pentru variatii treapta ale marimii de
referinta si ale perturbatiei.

Figura 3.5.
Blocul regulator este alcatuit din mai multe parti componente interconectate functional, care permit realizarea atât a legii de reglare propriu-zise (exprimata analitic prin dependenta dintre marimea de iesire si marimea de intrare), cât si a unor functii auxiliare de indicare, semnalizare a depasirii valorii normale pentru anumite marimi, desaturare, trecere automat-manual etc.
În figura 3.6., se prezinta structura blocului regulator, tipica pentru marea majoritate a regulatoarelor industriale.

Figura 3.6.
Regulatoarele electronice sunt realizate într-o diversitate larga de tipuri constructive si functionale, ca regulatoare unificate si, mai rar, ca regulatoare specializate. Varianta unificata prezinta avantaje esentiale printre care mentionam: permite o mare elasticitate în realizarea celor mai complexe scheme, cu un numar mic de blocuri componente interschimbabile, conduce la o tipizare si uniformizare a panourilor de automatizare, deci si la reducerea pretului si la îmbunatatirea conditiilor de exploatare, asigura posibilitati sporite pentru o productie de serie.
Constructia regulatoarelor electronice difera în functie de utilizarea lor pentru reglarea proceselor rapide sau lente, unde trebuie sa asigure constante de timp compatibile cu dinamica procesului. Daca pentru reglarea proceselor rapide constantele de timp se obtin relativ usor si cu precizie corespunzatoare, pentru procesele lente dificultatile sunt mult mai mari.
La noi în tara au fost realizate sistemele UNIDIN destinate reglarii proceselor rapide, iar pentru procese lente sistemul unificat e bazat pe principiul modularii si demodularii si sistemul SEROM, cu circuite integrate, având semnale unificate multiple în tensiune si curent.
Utilizarea circuitelor digitale integrate pe scara medie si pe scara larga a condus la perfectionarea regulatoarelor numerice si la realizarea sistemelor numerice de reglare folosite în cadrul sistemelor ierarhizate de automatizare.
În cadrul regulatoarelor electronice realizate cu circuite integrate (care reprezinta conceptia actuala de implementare a legilor de reglare), problemele rezistentei la intrare, ale valorii constantelor de timp, ale amplificarii si ale derivei nulului sunt strâns legate între ele si reprezinta unele din problemele principale ale constructiei acestor regulatoare.
Domeniul proceselor rapide cuprinde acele procese tehnologice care se caracterizeaza prin constante de timp pâna la 10 sec. Un exemplu tipic îl reprezinta procesele din domeniul actionarilor electrice (reglari de pozitie, viteza, tensiune, curent etc.), al echipamentelor electroenergetice (generatoare sincrone, invertoare etc.), sau echipamentelor electrohidraulice (reglarea turbinelor hidraulice).
Sistemul unificat de reglare a proceselor rapide UNIDIN cuprinde atât aparatura de masurare (traductoare de curent, de tensiune, de pozitie, de viteza, de rotatie etc.) cât si elementele de prelucrare a informatiei (regulatoarele) si dispozitivele de comanda (complexul de comanda pe grila) a elementelor de executie electrice (comutatoare cu tiristoare, amplificatoare magnetice, masini electrice amplificatoare).
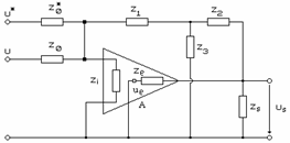
Schema generala a unui regulator continuu destinat proceselor rapide este prezentata în figura 3.7. si cuprinde amplificatorul de c.c. notat cu A si caracterizat de impedantele de intrare Z i si iesire Z e, de amplificarea în tensiune A u, impedantele de intrare Z 0 si Z 0* (Z 0* pe calea de prescriere iar Z 0 pe cea de reactie a sistemului) si impedantele de reactie proprii regulatorului Z 1, Z 2 si Z 3.

Figura 3.7.
Semnalul de abatere u S care ajunge la intrarea regulatorului (raportat însa la calea de reactie) este:
![]()
iar u e este tensiunea de iesire a regulatorului. În raport cu dispozitia elementelor de reactie se defineste impedanta echivalenta a acestora:
.
Functia de transfer a amplificatorului A cu reactie va fi:
![]()
valabila pentru Z 0* = Z 0. Expresia r(s) depinde de toate elementele de circuit din figura 3.7. În cazul idealizat, când A u , Z i , si Z e 0, coeficientul r(s) este unitar, rezultând functia de transfer idealizata a regulatoarelor de forma:
.
Comportarea dorita se stabileste prin alegerea adecvata a elementelor de reactie Z 1, Z 2 si Z 3, de obicei rezistente si/sau condensatoare.
În tabelul 3.2 se prezinta tipurile uzuale de regulatoare folosite, functiile de transfer si raspunsurile indiciale corespunzatoare.
Tabelul 3.2.
|
Tipul regulatorului |
Functia de transfer |
Raspunsul indicial |
|
|
P |
|
|
|
|
PI |
|
|
|
|
PD |
|
|
|
|
PID |
|
|
|
Precizia de realizare a legii de reglare si comportarea regulatorului UNIDIN sunt determinate, în afara de caracteristicile deosebite impuse amplificatorului electronic, si de calitatea componentelor electronice pasive (rezistente si capacitati) din circuitul de reactie operationala care trebuie sa aiba o precizie deosebita pentru a asigura invariatia caracteristicilor de transfer ale regulatorului. Pentru aceasta se folosesc rezistente bobinate de mare precizie sau cu pelicula metalica si condensatoare cu film plastic sau metalic.
Domeniul proceselor lente se caracterizeaza prin constante de timp mai mari de 10 s si cuprinde marea majoritate a proceselor industriale (industria chimica, metalurgica, industria constructiilor de masini, industria materialelor de constructii, o buna parte din instalatiile utilizate în industria energetica etc.). O alta caracteristica generala a proceselor lente consta în faptul ca timpul mort nu este neglijabil si trebuie luat în consideratie în proiectarea regulatoarelor electronice.
Regulatoarele automate folosite pentru reglarea acestor procese trebuie sa asigure obtinerea unor constante de timp mari, fapt care implica dificultati constructive cu atât mai mari cu cât se cere o precizie de realizare a legii de reglare mai buna.
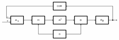
Regulatoare electronice cu modulare si demodulare
Pentru eliminarea acestor inconveniente, la realizarea regulatoarelor automate pentru procese lente, una din primele variante constructive utilizeaza principiul modularii si demodularii reprezentat în figura 3.8. Aceasta solutie constructiva prezinta marele avantaj ca realizeaza amplificarea în curent alternativ (unde nu apare problema derivei nulului) si totodata corectia se realizeaza simplu, în curent continuu, circuitul de reactie negativa operationala fiind conectat între amplificatoarele de curent continuu A 1 si A 2.
Modulatorul M si demodulatorul D, alimentate de la oscilatorul O, se realizeaza de regula cu tranzistoare în regim de comutatie, cu diode varicap sau cu modulatoare magnetice.

Figura 3.8.
Solutiile moderne care folosesc amplificatoare operationale cu circuite integrate sunt prevazute la intrare cu tranzistoare cu efect de câmp TEC, care asigura rezistente de intrare comparabile cu ale tuburilor electronice.
În prezent exista în exploatare o mare varietate de regulatoare electronice tipizate cu actiune continua, pentru procesele lente, care functioneaza pe principiul prezentat în figura 3.8.
La noi în tara acest principiu a stat la baza realizarii regulatoarelor asimilate dupa o licenta Hokushin-Japonia.
Regulatoare continue cu circuite integrate
La întreprinderea de Elemente de Automatizare (IEA) Bucuresti, iar mai apoi la întreprinderea de Electronica Industriala (IEIA) Cluj-Napoca a fost realizat un regulator electronic pentru procese lente, care face parte din echipamentele sistemului unificat de reglare SEROM, conceput si realizat în tara. Cele patru variante de regulator, denumite simbolic ELC 1131 1134 sunt realizate cu circuite integrate, în constructie modulara având semnalul de iesire continuu sau discontinuu.
Regulatorul este prevazut cu elemente de interfata cu calculatorul pentru a putea fi folosit atât în regim de supraveghere, cât si în conducerea numerica directa.
Regulatoarele electronice clasice destinate reglarii automate a proceselor industriale uzuale realizeaza o functie de transfer idealizata de tip PID, de forma:
.
Efectele proportional, integral si derivativ sunt evidentiate cantitativ prin constantele K R, T i, respectiv T d. Exista situatii practice în care este indicata folosirea unor regulatoare P, I, PI sau PD. Regulatoarele PID aflate în fabricatie curenta satisfac si aceasta cerinta.
Considerând schema bloc simplificata a unui sistem de reglare automata (figura 3.9.), acesta s-ar comporta ideal daca în orice moment de timp marimea de iesire ar reproduce instantaneu variatiile marimii de intrare si ar fi insensibila la variatiile marimii de perturbatie.

Figura 3.9.
Efectul derivativ D conduce la amplificarea nedorita a frecventelor înalte, asa încât functia de transfer reala în majoritatea realizarilor practice ale regulatoarelor electronice este de forma:
![]()
care evita salturile nepermise ale semnalului de iesire la semnal de intrare treapta. Din aceleasi motive, adeseori efectul derivativ este introdus pe circuitul de masura.
Componentele proportionala si integrala ale legii de reglare se obtin cu ajutorul amplificatoarelor operationale. Componenta derivativa se obtine indirect, cu ajutorul unui circuit integrator plasat în bucla de reactie negativa a unui amplificator (figura 3.10.).
Functia de transfer echivalenta va fi:
.

Figura 3.10.
Factorul de amplificare A este dat de A = R 2/R 1 iar constanta de timp de derivare T d = R dC d/a este ajustabila prin potentiometrul P.
Regulatoarele electronice pentru procese lente folosesc amplificatoare operationale de buna calitate si realizeaza functii suplimentare de limitare simetrica sau nesimetrica a marimii de iesire, compensarea tensiunilor de deriva, atenuarea semnalelor de frecvente înalte (zgomote), protectia intrarilor etc. Totodata asigura valori în limite largi ale constantelor K R, T i, T d. Uneori, în locul constantei de proportionalitate K R se utilizeaza notiunea de banda de proportionalitate BP, definita ca procentul din domeniul marimii de intrare în regulator pentru care se produce o marime de iesire de 100 %, de catre efectul P. Daca domeniul marimii de intrare este egal cu domeniul marimii de iesire, atunci relatia dintre BP si K R este:
KR=100/BP [%].
Regulatorul PID continuu ELC 1132
Este un regulator cu structura PID, face parte din sistemul unificat cu circuite integrate SEROM si este destinat utilizarii în bucle de reglare automata aferente proceselor tehnologice lente, când elementele de executie sunt de tip continuu.
În functie de variantele de echipare: cu sau fara sursa interna de referinta, cu circuit de reactie operationala ce permite obtinerea unei legi de reglare PI sau PID, se deosebesc diferite variante ale acestor regulatoare.
Functional, se compara valoarea marimii reglate (de masura) cu cea prescrisa (de referinta), rezultând abaterea de reglare care este prelucrata analogic. Se obtine marimea de comanda ce actioneaza în sensul micsorarii abaterii de reglare. Semnalele de intrare se obtin de la traductoare, înregistratoare, alte regulatoare, calculatoare de proces etc. si pot fi semnale unificate (în curent sau tensiune) sau impulsuri modulate în durata (regim "calculator"). La iesire se obtine un semnal continuu de curent unificat care se poate aplica fie elementului de executie, fie altui regulator (reglare în cascada). Cuplarea cu un calculator se poate face fie în regim de comanda a referintei (SCC) fie în regim de comanda a semnalului de iesire (DDC).
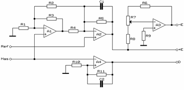
Ansamblul functional se gaseste într-o carcasa paralelipipedica, montat pe un sasiu glisant, schema electrica fiind echipata pe module debrosabile, cu un panou frontal (figura 3.11.) având elementele principale de comanda si semnalizare.

Figura 3.11.
|
1. Indicator abatere |
6. Buton pentru echilibrare; |
|
2. Indicator semnal de iesire; |
7. Buton sensibilitate abatere; |
|
3. Banda indicatoare referinta interna; |
8. Butoane actionare semnal iesire; |
|
4. Buton comanda referinta interna; |
9. Comutator automatmanual A/M. |
|
5. Comutator referinta internaexterna I/E; |
|
Pe panoul frontal sunt prevazute urmatoarele elemente de afisare: valoarea semnalului masurat sau a abaterii, valoarea referintei interne si/sau externe, valoarea semnalului de iesire. De asemenea, pe panoul frontal operatorul poate actiona urmatoarele comenzi: selectarea modului de lucru A/M/C (automat/ manual/ cu calculatorul), selectarea referintei I/E (referinta interna sau externa), prescrierea referintei interne, comanda semnalului de iesire pentru functionarea în regimul manual, echilibrarea referintelor, demultiplicarea cu 10 a sensibilitatii indicatorului de abatere.
Cu ajutorul butoanelor din interiorul regulatorului operatorul poate efectua urmatoarele comenzi interne: prescrierea parametrilor de acordare BP, T i, T d; tipul de comanda, direct/ invers, în functie de caracteristica elementului de executie ; stabilirea limitelor semnalului de iesire.
Parametrii de acordare sunt:
BP: 2 500 % continuu; 2 1000 % la comanda speciala;
T i: 0.6 2000 s continuu pe trei trepte;
T d: 0,5 800 s continuu pe trei trepte.
Limitarea inferioara a semnalului de iesire: 0 %.
Limitarea superioara a semnalului de iesire: 100 %.
Aparatul se compune din urmatoarele subansamble functionale:
1. Subansamblul de comanda si afisare: permite comanda manuala a referintei, a semnalului de iesire, precum si urmarirea abaterii de reglare si posibilitatea de comutare pe referinta externa sau pe functionare automata.
2. Placa de baza care este echipata cu sursa de alimentare, conectoarele pentru module functionale si conectorul de cuplare la carcasa. Legaturile electrice se realizeaza prin cablajul placii de baza.
3. Module functionale:
F807 - modul de intrare;
F926N - modul de derivare;
F929N - modul PI continuu;
F506 - modul convertor tensiune-curent;
F416 - modul sursa stabilizata de 15 V.
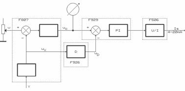
Structura generala a regulatorului corespunde figurii 3.12.

Figura 3.12.
Asa cum se poate observa si din structura prezentata în figura, aceste regulatoare au o functie de transfer de forma:
.
Modulul de intrare F807: îndeplineste functiile de conversie domeniu, de comparator si amplificator de eroare. El primeste la intrare semnal de masura pe care îl compara cu referinta. În cazul Tn care între aceste semnale exista eroare modulul genereaza un semnal (pozitiv sau negativ) care se transmite Tn exterior pentru afisare pe instrumentul de abatere si cu semn schimbat modulului PI continuu F929N.

Figura 3.13.
Totodata semnalul de masura amplificat astfel ca domeniul sau de variatie sa fie 10 V este aplicat modulului de derivare.
Operatia de scadere se realizeaza cu amplificatorul operational A 2, care este prevazut cu reactie negativa de filtrare a zgomotelor. Amplificatoarele A 1, A 3 si A 4 servesc, pentru adaptarea si inversarea semnalelor de la intrarea acestora, precum si pentru filtrare.
Alimentarea amplificatoarelor cu 15 V se face prin filtre amplasate pe modul.
Modulul de derivare F926: realizeaza functia de derivare prin procedeul expus anterior. Solutia ca elementul pentru derivare sa fie conectat în circuitul marimii masurate asigura micsorarea nivelului de zgomot la modificarea de catre operator a marimii de referinta. Reteaua de derivare realizeaza o constanta de timp de derivare între limitele 0,5 800 s reglabila continuu, cu un potentiometru si în trei trepte, cu ajutorul unor strapuri. Efectul derivativ poate fi anulat prin scoaterea modulului F926 si realizarea unei legaturi între intrare si iesire în conectorul modulului.
Modulul PI continuu F929: realizeaza functia proportional-integratoare. Banda de proportionalitate se regleaza continuu cu ajutorul unui potentiometru în gama 2 500 % iar constanta de timp de integrare T i în limitele 0,6 2000 s continuu, cu un potentiometru si pe trei trepte, prin realizarea unor strapuri corespunzatoare.
Modulul stabilizator F416: asigura alimentarea cu tensiune stabilizata de 15 V a întregului aparat.
Placa tensiunii de referinta: contine un etaj stabilizator de +10 V, care asigura tensiunea de alimentare a potentiometrului de referinta interna.
La punerea în functiune a unei bucle de reglare, regulatorul se comanda manual pâna ce procesul se stabilizeaza la valoarea data. Aceasta se face cu comutatorul A/M pe pozitia M (Manual) cu ajutorul comenzilor directe asupra iesirii si a potentiometrului de referinta interna - comutatorul I/E pe I (Intern).
Pentru acordare se procedeaza astfel:
- se fixeaza BP maxim (500 %); T i maxim (2000 s); T d minim (0,5 s);
- se da o variatie de câteva procente a semnalului de referinta interna si se comuta pe regim automat. Se urmareste semnalul de masura (curba de raspuns). Se repeta operatia cu valori inferioare pentru BP pâna la valoarea la care curba de raspuns devine oscilanta. Se majoreaza BP fata de aceasta pozitie cu o treapta.
- valoarea pentru T i se stabileste în mod similar pe rând;
- în functie de tipul elementului de executie (cu actiune directa sau inversa) se aseaza comutatorul de pe placa PI, Direct/Invers pe pozitia corespunzatoare.
Obtinerea componentei proportional integrale
Pentru schema de integrator din figura 3.14., scriind suma curentilor la intrarea inversoare rezulta:
![]()

Figura 3.14.
în care semnificatia notatiilor utilizate este urmatoarea:
U d - tensiunea de decalare (offset);
I p - curentul de polarizare (bias);
I f - curentul de fuga al condensatorului.
Din relatia de mai sus se poate determina tensiunea de iesire:
![]()
sau sub forma operationala:
![]()
Din functia de transfer a unui element de integrare ideal se poate deduce:
unde R.C = T i.
Se poate observa ca în afara de termenul util, de integrare a tensiunii de intrare, la iesirea elementului integrator din schema analizata apar termeni paraziti care produc erori de integrare.
În primul rând se constata transferarea la iesire a tensiunii de decalare U d. Aceasta sursa de erori este mica deoarece raportata la semnalul maxim de iesire (5 10 V) nu reprezinta decât 0.02
În al doilea rând apare un efect al integrarii acestei tensiuni reziduale si aceasta componenta are o contributie redusa Tn cazul erorii totale de integrare, deoarece timpul Tn care integrarea tensiunii U d duce integratorul la limitare este mult mai lung decât timpul de integrare al tensiunii U i.
Efectul curentului de fuga al condensatorului este, de regula, redus. Micsorarea acestui efect se obtine prin utilizarea unor condensatoare cu rezistente de izolatie mari.
Cel mai important dintre efectele parazite ramâne însa efectul de polarizare. Acesta se manifesta printr-o cadere de tensiune pe rezistenta R (limitând prin aceasta valoarea ei) si prin variatia curentului cu temperatura.
O metoda de micsorare a acestor efecte consta Tn compensarea lor cu un circuit ca cel din figura 3.15. Metoda se bazeaza pe folosirea divizorului realizat cu rezistentele R 1, R 2 si dioda D, compensarea curentului de polarizare fiind realizata de o fractiune din caderea de tensiune directa de pe dioda D.

Figura 3.15.
Pentru o buna compensare a variatiei cu temperatura se recomanda ca divizorul sa fie format din rezistente mici ca valoare.
O cerinta care se impune integratoarelor utilizate în constructia regulatoarelor consta în modificarea timpului de integrare T i.
Pentru aceasta se pot folosii trei metode:
- modificarea rezistentei de la intrarea amplificatorului;
- modificarea pozitiei cursorului unui potentiometru plasat la iesirea amplificatorului;
- metode electrice.
Conform primei metode, pentru a modifica timpul de integrare care este definit prin relatia T i = R.C, modificarea continua a capacitatii fiind greoaie, se poate proceda la modificarea Tn trepte a capacitatii C si modificarea continua a rezistentei R.
A doua metoda consta Tn folosirea unui divizor la iesirea amplificatorului operational (figura 3.16.). În acest caz functia de transfer a circuitului va fi:
![]()
unde k reprezinta fractiunea din tensiunea de iesire aplicata circuitului de reactie (k max = 1).

Figura 3.16.
Considerând ca divizorul lucreaza Tn gol, T i va avea expresia:
T i = k.R.C.
A treia metoda consta Tn modificarea prin metode electrice a constantei de integrare (figura 3.17.). În acest caz valoarea acesteia este determinata în functie de un semnal extern, reprezentat de regula prin tensiunea U.
Se poate arata ca valoarea constantei de integrare este data de:
T i = R ech.C = f(u).

Figura 3.17.
Schema are doua subansamble: circuitul cu amplificatorul A 1 formeaza blocul integrator, iar circuitul cu A 2 formeaza un generator de tensiune Tn dinte de fierastrau a carui frecventa este comandata de tensiunea U si care serveste pentru saturarea sau blocarea tranzistorului cu efect de câmp.
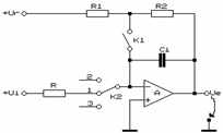
Circuitul integrator (figura 3.18.) poate functiona Tn trei moduri: integrare Tn limite predeterminate (reset), integrare între limitele amplificatorului (integrare), memorare (hold).
Functionarea Tn regim "reset". La închiderea comutatorului K 1, cu K 2 pe pozitia 2, circuitul integreaza pâna la limita fixata de divizorul de tensiune R 1R 2. Prin aceasta operatie se pot fixa conditiile initiale ale functionarii integratorului. Pentru R 1 = R 2, tensiunea U e se stabileste în final la valoarea U r.

Figura 3.18.
Functionarea în regim "Integrare". La trecerea comutatorului K 2 pe pozitia 1 si deschiderea lui K 1 schema integreaza tensiunea U i, tensiunea U e începând sa varieze de la o valoare U r prestabilita anterior în functionarea "Reset".
Functionarea "Hold". În timpul în care K 1 este deschis si K 2 se trece de pe o pozitie pe alta, deci si acesta este deschis, capacitatea C i mentine sarcina acumulata anterior deschiderii comutatorului. Functia "Hold" reprezinta de fapt un regim de memorare.
În cadrul regulatoarelor, circuitele de integrare functioneaza în doua dintre modurile mentionate:
- functionarea în regim de integrare, când regulatorul lucreaza în regim "Automat";
- functionarea în regim de memorare când se trece în regim "Manual" sau "Calculator".
În regim "Manual" functia de reglare este preluata de un operator iar în regim "Calculator" de un calculator (sistem DDC); comutatorul K 2 este pus în pozitia 3, aplicându-se astfel pe intrarea neinversoare tensiunea provenita de la comanda manuala sau de la calculator.
Modul de functionare "Hold" asigura continuitatea tensiunii de iesire U e, când au loc trecerile de la regimul A la M sau C si invers. În consecinta aceste comutari se fac fara soc si fara reglaje prealabile (echilibrari), conditie de baza pentru functionarea regulatoarelor în sistemele de reglare automata.
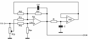
Pentru realizarea legii de reglare PI s-a experimentat industrial schema prezentata în figura 3.19.:

Figura 3.19.
Determinarea functiei de transfer se face în conditii idealizate având în vedere configurarea schemei. Tensiunea de la iesirea amplificatorului A 1, care este marimea de comanda, este definita de relatia:
,
dar tensiunea definita la iesirea amplificatorului A 2 poate fi determinata din relatia:
,
unde prin T i s-a notat constanta de integrare. Dupa transformari elementare, din
relatiile de mai sus se obtine:
.
Din functionarea blocurilor de reglare care contin o componenta integrala se cunoaste ca este necesar ca amplificarea în c.c. sa fie cât mai mare. Din acest motiv se alege R 2 >> R 1 si atunci din relatia de mai sus se defineste functia de transfer a blocului de reglare:
.
Avantajul acestei scheme consta în obtinerea componentele proportionala si integrala cu coeficient de interinfluenta zero.
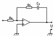
Obtinerea componentei derivative
Cea mai simpla cale pentru obtinerea componentei derivative consta în folosirea unei rezistente pe reactie si a unui condensator pe intrare. Functia de transfer a circuitului în conditii ideale, va fi:
,
unde T d = R.C reprezinta constanta de timp de derivare.

Figura 3.20.
La circuitele de derivare nu se pune problema marimilor reziduale ale amplificatorului operational deoarece aceste marimi sunt lent variabile, iar sensibilitatea regulatorului este foarte scazuta la frecvente joase. În schimb, problema principala care se pune la amplificatoarele de derivare este problema zgomotelor si în principal a componentelor de zgomot la frecvente relativ ridicate. Deoarece caracteristica amplificarefrecventa a derivatorului ideal este liniar crescatoare, este posibil sa apara componente ale zgomotului care sa depaseasca marimea utila.
Acest fapt a facut ca la realizarea derivatoarelor pentru regulatoare de procese lente sa se introduca în functia de transfer a derivatorului termeni care sa determine frângeri ale caracteristicii amplificare frecventa, pentru atenuarea frecventelor ridicate.
Examinând functionarea circuitului de derivare în conditii reale, luând în considerare si componentele parazite, se poate deduce o functie de transfer de forma:
,
unde a este o constanta.
Analizând aceasta functie de transfer se constata ca ea contine la numitor termenul 1+a T d.s care determina o frângere a caracteristicii de frecventa.

Figura 3.21.
a T d determina primul punct de frângere a caracteristicii.
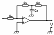
O metoda des utilizata pentru a obtine o astfel de caracteristica este prezentata în figura 3.22.

Figura 3.22.
Functia de transfer a acestei scheme este:
![]()
.
Valorile a T d si T 0 sunt determinate de factorii de la numitorul functiei de transfer.
Modificarea timpului de derivare se face în aceleasi moduri ca pentru integrator. Comanda constantei de timp de derivare T d, în functie de un semnal extern se poate realiza în limite mai largi în montajul din figura 3.23.:

Figura 3.23.
Blocul A 1 are în acest caz rol de sumator si de amplificator. Blocul A 2 si tranzistorul TEC formeaza un integrator aflat pe calea de reactie a amplificatorului A 1, ceea ce confera acestuia în final functia de derivare.
Rezistentele circuitului sunt astfel alese încât tensiunea de iesire este definita de relatia:
,
unde tensiunea de reactie este data de relatia:
.
Dupa unele simplificari, rezulta în final relatia:
.
Deci functia de transfer este:
, unde
.
Folosind o tensiune externa pentru comanda tranzistorului TEC, rezistenta drena sursa a acestuia se va modifica invers proportional cu aceasta tensiune si deci se va modifica R ech. Rezulta astfel ca T d este în functie de tensiunea externa U si poate fi modificat de acest semnal exterior.

Figura 3.24.
O schema pentru obtinerea efectului derivativ a legii de reglare este prezentata în figura 3.24. Aceasta schema permite modificarea continua si în trepte a constantei de derivare si este prevazuta cu o filtrare a zgomotelor de înalta frecventa. Pentru deducerea functiei de transfer se scriu ecuatiile ce caracterizeaza functionarea circuitelor componente.
În final se obtine:
,
unde T d = f(k).T d1, T d1 = RC.
Constantele de timp parazite T 1 si T 2 sunt mult mai mici decât constanta derivativa T d. Functia f(k) si constantele T 1 si T 2 sunt dependente de valorile rezistentelor de la intrarea si de pe reactia amplificatorului operational. Se observa ca T d este definit prin doi factori, care pot fi modificati independent prin schimbarea valorilor unor rezistente, respectiv rezistenta R 3 pentru functia f(k) si rezistenta R pentru constanta de derivare T d1.
|