Descriere 3
Caracteristici tehnice si dimensionale 4
Instalarea 10
Principiul de functionare 16
Pornirea si oprirea 17
Reglarea 20
Conversia gazului 23
Curatare si īntretinere 24
Posibile defectiuni 25
Contactati Serviciul Tehnic pentru curatarea la fata locului a
schimbatorului sau pentru īnlocuirea sa
Flacara pilot nu se aprinde Nu sunt gaze
Deschideti robinetul de gaz
Aer īn conducte
Dezaerisiti asa cum este descris īn capitolul intitulat
"Pornirea"
Debit insuficient de gaz
Reglati debitul utilizānd surubul vanei
Duza pilot blocata
Curatati duza cu aer comprimat
Flacara incorect reglata
Controlati debitul de gaz la contor si presiunea la
arzatorul principal
Cazanul functioneaza Flacara incorect reglata
dar temperatura nu creste Controlati daca consumul de gaz este corect
Cazan murdar
Controlati si curatati corpul cazanului
Cazan necorespunzator
Controlati daca cazanul este dimensionat corect pentru
cerintele instalatiei de īncalzire centrala
Ecart termostatic prea mare Reglaj incorect pe panou
Vezi capitolul de reglaje
Condens īn cazan Potentiometru incorect reglat
Reglati potentiometrul la o temperatura mai mare
Consum insuficient de gaz
Controlati daca consumul de gaz este corect si reglati
presiunea daca este necesar
Cazanul se murdareste cu usurinta Flacara incorect reglata
Verificati daca flacara arzatorului principal este reglata
corect si daca consumul de gaz este corect pentru puterea
cazanului
Radiatoare reci iarna Comutatorul Vara/Oprit/Iarna īn pozitia Vara
Rotiti comutatorul īn pozitia Iarna
Termostatul de camera reglat prea jos sau defect
Reglati butonul la o temperatura mai mare si daca este
necesar īnlocuiti termostatul
Pompa este blocata si nu se poate roti
Deblocati pompa īndepartānd partea de sus si rotind axul cu
o surubelnita
Pompa nu se roteste
Īnlocuiti condensatorul sau pompa
Radiatoare calde vara Comutatorul Vara/Oprit/Iarna īn pozitia Iarna
Rotiti butonul īn pozitia Vara
Variatii mari ale temperaturii Debit insuficient de apa
apei calde de consum Mariti debitul de apa (minim trei litri pe minut)
Debit de apa calda insuficient Presiune insuficienta īn retea
Montati o instalatie de ridicare a presiunii
Schimbator de caldura cu treceri partial blocate
Solicitati interventia unui tehnician pentru curatarea
schimbatorului
Nu exista debit de apa calda Schimbator de caldura blocat
DESCRIERE
Cazanul Domina C 24 este un nou generator termic cu randament ridicat, ce functioneaza cu gaze naturale, pentru īncalzire centrala si preparare de apa calda de consum. Cazanul a fost conceput sa functioneze cu diverse tipuri de gaze; eventualele modificari se pot efectua la fata locului. Cazanul utilizeaza sisteme de avangarda pe plan tehnologic, cum sunt dispozitive electronice de reglaj, de siguranta si control.
Principalele componente ale cazanului sunt:
Schimbator de caldura din cupru format din trei tuburi cu aripioare special proiectate pentru obtinerea unui randament ridicat.
Trei serpentine din cupru imersate īn cele trei tuburi ale circuitului de īncalzire, ce reprezinta schimbatorul de caldura pentru apa calda de consum. Forma si suprafata lor mare de schimb de caldura permit absorbirea īntregii puteri a cazanului.
14 arzatoare din otel inoxidabil special proiectate pentru acest cazan.
Vana de siguranta pentru gaz, cu un sistem de modulare prevazut cu stabilizator de presiune, arzator pilot si termocuplu de siguranta.
Debitmetru pentru asigurarea prioritatii circuitului de apa calda de consum fata de circuitul de īncalzire centrala.
Presostat de apa.
Vana de siguranta pe partea apei pentru circuitul de īncalzire centrala.
Vas de expansiune īnchis.
Pompa cu turatie variabila.
Potentiometru pentru reglarea temperaturii de īncalzire.
Potentiometru pentru reglarea temperaturii de preparare a apei calde de consum.
Termostat de limita maxima.
Termostat de siguranta.
Termostat de gaze arse (Total Security).
Sonda de temperatura apa calda de consum.
Sonda de temperatura īncalzire centrala.
Montarea, instalarea, punerea īn functiune si īntretinerea aparatului trebuiesc executate numai de catre personal calificat, īn conformitate cu toate regulamentele si directivele tehnice īn vigoare.
La instalarea cazanului trebuiesc respectate standardele si regulile īn vigoare, īn particular cu privire la dimensiunile camerei īn care cazanul este instalat, evacuarea gazelor arse, circuitul hidraulic, circuitul de combustibil si instalatia electrica.
Trebuiesc respectate toate prescritiile, normele, legile si dispozitiile autoritatilor īnsarcinate cu siguranta īmpotriva incendiilor, incluzānd dispozitiile locale.
CARACTERISTICI TEHNICE sI DIMENSIONALE
Cazanele Domina C 24 sunt generatoare de caldura pentru īncalzire centrala si prepararare apa calda de comsum si sunt fabricate īn serie pentru functionarea cu gaze naturale sau G.P.L. (propan).
9. POSIBILE DEFECŢIUNI
N.B.: Pentru a evita cheltuieli inutile, īn cazul opririi cazanului, asigurati-va ca aceasta nu se datoreaza īntreruperii curentului electric sau gazelor īnainte de a apela Serviciul Tehnic.
PROBLEME CAUZE si REMEDII
Nu exista scānteie de aprindere Transformator de aprindere defect
Īnlocuiti transformatorul
Electrod de aprindere deteriorat sau prost pozitionat
Īnlocuiti electrodul sau pozitionati-l corect
Contact slab īntre borna si cablu
Īnsurubati bine borna īn cablul dispozitivului de aprindere
Microāntrerupator vana de gaz defect
Īnlocuiti microāntrerupatorul
Flacara pilot slaba Flacara incorect reglata
Controlati daca presiunea gazului este corecta
Arzator pilot murdar
Curatati arzatorul pilot cu aer comprimat
Flacara pilot se stinge Termocuplu defect
Controlati sau īnlocuiti termocuplul
Flacara incorect reglata
Reglati flacara utilizānd surubul vanei de gaz
Flacara insuficienta
Reglati flacara astfel īncāt sa īmbrace termocuplul ca īn fig. 17
Contact slab cu bobina vanei de gaz
Strāngeti racordul pe vana
Arzatorul principal nu se aprinde Nu exista curent electric
Asteptati revenirea curentului electric
Duzele sunt īnfundate
Curatati cu grija duzele
Vana de gaz defecta
Reparati sau īnlocuiti vana de gaz
Bufnituri la arzatorul principal Gaz furnizat insuficient
Verificati presiunea gazului la arzatorul principal
Cazan murdar
Controlati si curatati corpul cazanului
Arzator murdar
Controlati si curatati arzatorul
Miros de gaze nearse Cazan murdar
Controlati si curatati corpul cazanului
Tirajul cosului insuficient
Controlati eficienta tirajului cosului
Aportul de aer este insuficient
Mariti aportul de aer īn camera
8. CURĂŢARE sI ĪNTREŢINERE
Urmatoarele operatii trebuiesc efectuate de personal calificat cum sunt cei din Serviciul Tehnic.
8.01 Controlul periodic al cazanului si al cosului
Se recomanda sa se efectueze cel putin o data pe an urmatoarele controale:
Presiunea apei īn instalatia de īncalzire centrala cānd aceasta nu functioneaza trebuie sa fie de circa 1 bar. Īn caz contrar reglati presiunea la aceasta valoare.
Dispozitivele de control si siguranta (vana de gaz, debitmetrele, termostatele) trebuie sa functioneze corect.
Arzatorul si schimbatorul de caldura trebuie sa fie curatate. Pentru a le curata, utilizati o perie moale sau aer comprimat. Nu folositi produse chimice.
Vasul de expansiune trebuie sa fie plin.
Circuitele de gaze si de apa trebuie sa fie etanse.
Tubulatura de gaze arse si cosul trebuie sa nu contina obstacole si sa nu prezinte fisuri.
Termocuplul nu trebuie sa prezinte depuneri si flacara pilot trebuie sa īl īmbrace corect (fig. 17).
Presiunea si debitul de gaz trebuie sa corespunda valorilor indicate īn tabelele respective.
Pompa de circulatie nu trebuie sa fie blocata.
Toate conductele de evacuare a gazelor arse (cos si racord la cazan) trebuie sa fie curate si etanse.
8.02 Curatarea cazanului si arzatorului
Cazanul nu are nevoie de īntretinere speciala. Este suficienta curatirea lui o data pe an. Corpul cazanului si arzatorul nu trebuie niciodata curatate cu produse chimice sau cu perii de sārma.
Dupa operatiile de curatare, o atentie deosebita trebuie acordata asigurarii ca nu exista pierderi de gaze si verificarii pornirii si functionarii termostatelor, vanei de gaz si pompei. Dupa aceste controale, verificati ca nu exista pierderi de gaze.
TIP |
Putere termica cazan |
Puteretermica focar |
Putere termica PCS |
Putere termica a.c.c. |
Contin. apa ptr. ncalzire |
Contin. a.c.c. |
|||||
|
G20 |
G31 |
||||||||||
|
Max. |
Min. |
Max. |
Min. |
||||||||
|
kW |
kW |
kW |
kW |
kW |
kW |
kW |
kW |
kW |
Litri |
Litri |
|
|
Domina C 24 |
|
|
|
|
|
|
|
|
|
|
|
TIP |
Racorduri |
Vas de expansiune |
Presiune max. īncalzire |
Presiune max. a.c.c. |
|||||
|
|
|
|
|
|
Capacitate |
Presiune |
|||
|
|
|
|
|
|
Litri |
bar |
bar |
bar |
|
|
Domina C 24 |
3/4" |
1/2" |
1/2" |
1/2" |
3/4" |
|
|
|
|
TIP |
Duze principale (mm) |
Duza pilot(mm) |
Debit de gazla arzator |
Vana de gazŲ 1/2" |
|||
|
G20 |
G31 |
G20 |
G31 |
G20 |
G31 |
|
|
|
|
|
stantat |
stantat |
m3/h |
kg/h |
|
|
|
Domina C 24 |
|
|
|
|
|
|
H. V 4600 N |
TIP |
Presiune de alimentare gaz |
Presiune gaz la arzator pentru īncalzire |
Supapa de siguranta |
||||
|
G20 |
G31 |
G20 |
G31 |
||||
|
minima |
nominala |
minima |
nominala |
||||
|
mbar |
mbar |
mbar |
mbar |
mbar |
mbar |
bar |
|
|
Domina C 24 |
|
|
|
|
|
|
|
TIP |
Productie max. a.c.c. Dt 30 °C |
Productie max. a.c.c. Dt 25 °C |
Presiune gaz la arzator pentru a.c.c. |
Grad de protectie |
Masa |
|
|
G20 |
G31 |
|||||
|
l/min. |
l/min. |
mbar |
mbar |
kg |
||
|
Domina C 24 |
|
|
|
|
IP40 |
|
N.B. - Presiunile gazului la arzator si debitele de gaz pe durata fazei de īncalzire centrala indicate īn tabel se refera la puterea nominala a cazanului. Pentru a reduce aceasta putere (unde este posibil), trebuie diminuata presiunea gazului, vezi diagramele din figurile 3 si 4.
Pe durata fazei de preparare a apei calde de consum, presiunile gazului la arzator trebuie sa corespunda valorilor puterii maxime indicate īn tabelul 4 pentru diferitele tipuri de combustibili gazosi.
Controlul presiunii gazului trebuie facut la debitul maxim de iesire a apei calde de consum.
2.02 Vedere generala si componente principale

Fig. 2
6.05 Reglarea puterii maxime pentru instalatia de īncalzire centrala (fig. 18)
Aceasta reglare trebuie efectuata electronic folosind surubul de reglaj "P1", īncepānd cu o temperatura a sistemului de īncalzire centrala mai mica decāt maximul termostatului de reglare (temperatura sistemului de īncalzire centrala 50 - 60 C). Conectati un manometru la priza de presiune situata īn aval de vana de gaz. Rotiti surubul de reglare a temperaturii la valoarea maxima, apoi reglati presiunea la valoarea dorita, consultānd diagramele (fig. 3 si 4). Odata terminata aceasta operatie, porniti si opriti arzatorul de doua sau trei ori utilizānd termostatul. Verificati de fiecare data daca valorile presiunii ramān cele reglate si daca aprinderea arzatorului se face corect. Īn caz contrar este necesara continuarea reglarii pāna la stabilizarea presiunii la aceasta valoare. Cānd arzatorul este aprins pentru a controla presiunea de calibrare, rotiti butonul termostatului de reglare la valoarea maxima, īn caz contrar erorile vor reapare.
6.06 Reglarea temperaturii de īncalzire centrala
Temperatura apei de īncalzire centrala se regleaza rotind butonul (fig. 12 - detaliul 2). Rotiti butonul īn sens orar pentru a creste temperatura apei, īn sens antiorar pentru a reduce temperatura apei. Temperatura poate fi variata de la un minim de 30 C la un maxim de 85 C. Nu este recomandat sa folositi cazanul la temperaturi sub 45 C.
6.07 Reglarea temperaturii camerei (cānd exista termostat de camera)
Temperatura camerei se regleaza pozitionānd butonul termostatului de camera la valoarea dorita. Arzatorul va porni sa īncalzeasca apa din instalatia de īncalzire centrala numai atunci cānd temperatura din camera va fi mai mica decāt cea reglata.
6.08 Reglarea diferentei de temperatura Δt pentru īncalzire variind debitul si īnaltimea de pompare a pompei
Ecartul termic Dt (diferenta de temperatura a apei de īncalzire centrala īntre turul si returul instalatiei) trebuie sa fie mai mic de 20 °C. Aceasta valoare se obtine variind debitul si īnaltimea de pompare a pompei utilizānd variatorul acesteia (sau comutatorul) montat pe corpul pompei. Marind turatia pompei scade diferenta Δt si vice versa.
6.09 Reglarea presiunii instalatiei de īncalzire centrala
Reglarea presiunii apei din instalatia de īncalzire centrala, citita pe hidrometrul panoului de comanda, se face conform indicatiilor din paragraful 3.08.
NOTĂ - Pentru a evita cheltuieli inutile, īn cazul opririi cazanului, asigurati-va ca aceasta nu se datoreaza īntreruperii curentului electric sau gazelor īnainte de a apela Serviciul Tehnic.
7. CONVERSIA GAZULUI
Urmatoarele operatii de reglare si de transformare trebuiesc executate numai de catre personal autorizat. Normal, cazanele sunt furnizate pentru functionarea cu gaz metan. Īn cazul īn care cazanul este utilizat cu un alt tip de gaz, efectuati urmatoarele transformari:
De la gaz metan la GPL
Pentru efectuarea acestei operatii, trebuiesc īnlocuite duzele arzatorului principal si pilot. Apoi trebuiesc reglate presiunea la arzatorul principal si debitul de gaz la arzatorul pilot.
Nota - Diametrele duzelor si presiunile la arzatorul principal sunt date īn tabelele 3 si 4.
- Dupa transformarea cazanului de pe gaze naturale pe gaz lichid, aplicati placuta portocalie din kit-ul de transformare lānga placuta cu date tehnice.
NOTĂ - Opriti si porniti arzatorul de trei sau patru ori utilizānd potentiometrul de reglare sau īntrerupatorul electric, verificānd de fiecare data daca valorile presiunii ramān ca cele reglate si daca arzatorul se aprinde corect. Īn caz contrar, reajustati.
Cazanul este acum gata sa functioneze automat.
Reglajele de mai sus stabilesc limitele minime si maxime ale cursei mecanice ale pistonului modulatorului Modureg". Alte reglaje electrice pot fi facute (presiune si temperatura) asa cum este descris mai jos, utilizānd suruburile de reglare "P1", "P2", "P3" si "P4" aflate īn cutia de comanda (fig. 18).
N.B. - Daca bobina "Modureg-ului" nu functioneaza corect, atunci "Modureg-ul" complet trebuie īnlocuit. Orice īncercare de īnlocuire doar a bobinei va compromite ireparabil calibrarea Modureg-ului
Cānd efectuati unul sau mai multe reglaje cu aceste suruburi, acestea trebuiesc efectuate extrem de delicat.
6.03 Reglarea debitului de gaz la flacara pilot
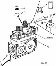
Aceasta reglare se face folosind surubul 1 de pe vana de gaz (fig. 15 - 16). Rotiti īn sens orar pentru a reduce debitul si īn sens antiorar pentru a mari debitul. Pentru o functionare corecta, flacara pilot trebuie sa īmbrace termocuplul asa cum este aratat īn fig. 17.
Reglarea flacarii pilot
Arzator pilot
Termocuplu
Electrod de aprindere
Fig. 17
6.04
Dispozitive de reglaj de pe circuitul electronic
P1 = Potentiometru reglaj temperatura de īncalzire centrala
P2 Potentiometru reglaj temperatura apa calda de consum
P3 = Reglaj putere de īncalzire Fig. 18
P4 = Reglaj presiune gaz la aprindere
2.03 Caracteristicile de variatie ale puterii termice
Pentru a regla puterea termica a focarului (astfel reglāndu-se si puterea termica transmisa apei pentru īncalzire) actionati asupra arzatorului principal prin intermediul circuitului electronic de comanda (Fig. 11). Diagramele (Fig. 3 si 4) indica variatia puterii termice transmise apei īn functie de variatia presiunii de lucru la arzator. Reglānd puterea cazanului la cerintele sistemului de īncalzire centrala īnseamna īn primul rānd reducerea pierderilor de caldura si astfel economie de combustibil. Īn plus, variatia puterii termice reglementata de legislatie) nu are nici un efect asupra randamentului si caracteristicilor arderii ale cazanului.
2.04 Caracteristicile de variatie ale productiei de apa calda de consum
Temperatura apei calde de consum poate fi variata de la 40 la 60 C cu ajutorul potentiometrului cazanului.
Diagrama
de productie a apei calde de
consum
Fig. 5
2.05 Caracteristicile pompei
Īnaltimea si debitul de pompare al pompei pot fi reglate utilizānd selectorul de viteza īncorporat.
Pompa
de circulatie standard
Pozitiile selectorului de
turatie
Fig. 6a
Cu vana HONEYWELL
Cu arzatorul aprins
1 - Conectati un manometru adecvat la priza de presiune B īn aval de vana de gaz.
2 - Debransati firele de la bobina Modureg-ului C
3 - Īndepartati capacul de protectie D
4 - Īndepartati bobina C deschizānd resortul I
5 - Īnsurubati surubul de reglare a minimului E
6 - Desurubati piulita de blocare F a axului G
7 - Reglati presiunea maxima rotind axul G īn sens orar pentru a mari presiunea si antiorar pentru a micsora presiunea.
8 - Strāngeti piulita de blocare F a axului. Dupa strāngere, verificati daca valoarea presiunii este cea ceruta.
9 - Reglati presiunea minima rotind surubul E īn sens antiorar pāna cānd este atinsa valoarea ceruta.
10 - Montati bobina C introducānd-o pe ax, apasati si rotiti usor pāna cānd resortul I se anclanseaza.
11 - Opriti si porniti arzatorul,
verificānd daca valoarea presiunii minime ramāne stabila.
12 - Rebransati firele de la bobina Modureg-ului C
13 - Reglati comutatorul īn pozitia TEST si verificati valoarea presiunii gazului la arzator pe durata functionarii pe īncalzire (daca este necesar, corectati aceasta valoare folosind potentiometrul de pe placa).
14 - Reglati comutatorul īn pozitia de functionare normala.
15 - Reamplasati capacul de protectie D
A. Priza de presiune īn amonte
B. Priza de presiune īn aval
C. Modureg
D. Capac de protectie
E. surub de reglare presiune minima
F. Piulita de blocare ax
G. Ax
I. Resort
L. Racord "adaptor GPL"
(doar pentru versiunea GPL)
6. REGLAREA
6.01 Reglarea presiunii si debitului la arzatorul principal
Acest cazan functioneaza pe principiul modularii flacarii. El are doua valori fixe ale presiunii, minima si maxima, care trebuie sa corespunda celor indicate īn tabel, indiferent de tipul de gaze utilizate.
IMPORTANT
Cu vana SIT - Reglarea presiunii maxime trebuie īntotdeauna efectuata īnaintea presiunii minime.
Cu vana HONEYWELL - Reglarea presiunii minime trebuie efectuata prima pentru a asigura aprinderea corecta a arzatorului. Apoi treceti la reglarea presiunii maxime. Fiecare reglare a presiunii minime variaza valoarea calibrata a presiunii maxime.
Nota - Datorita particularitatilor delicate, este foarte important ca urmatoarele operatii de reglare sa fie efectuate doar de personal calificat.
6.02 Reglarea presiunii minime si maxime (fig. 15 - 16)
Cu vana SIT
Cu arzatorul aprins
Conectati un manometru adecvat la priza de presiune īn aval de vana de gaz. Īndepartati capacul de protectie C
Presiunea maxima este reglata cu un curent continuu de 165 mA la modulator. Cu o cheie de 10 mm, rotiti piulita B īn sens orar pentru a mari presiunea.
Presiunea
minima
este reglata fara curent la modulator. Blocati piulita
B cu o cheie si rotiti
surubul A īn sens orar pentru a
mari presiunea minima. Cānd calibrarea este terminata, īnchideti
capacul de protectie C
VANA SIT 825
surub de reglare flacara pilot
Priza de presiune īn aval
surub de reglare presiune minima
surub de reglare presiune maxima
Capac de protectie
D. Pivot de reglare presiune maxima
Pompa
de circulatie
optionala
Pozitiile
selectorului de turatie
Fig. 6b
Pierderi de sarcina
Fig. 6c
3. INSTALAREA
INSTALAREA CAZANULUI TREBUIE FĂCUTĂ NUMAI DE COMPANII SPECIALIZATE sI CALIFICATE ĪN CONCORDANŢĂ CU TOATE INSTRUCŢIUNILE sI REGULAMENTELE.
Se recomanda intercalarea īntre cazan si instalatia de īncalzire de robineti de separare, pentru a permite daca este necesar, separarea cazanului de instalatie.
3.01 Camera cazanului
ATENŢIE!! Acest cazan poate fi montat si functiona doar īn camere ventilate permanent īn concordanta cu normele UNI-CIG 7129.
Deoarece cazanul este sub limita de 34,8 kW (30.000 kcal/h), poate fi instalat īn orice camera, cu conditia ca ventilatia sa fie suficienta. Un aport insuficient de aer pentru combustie la cazan va compromite functionarea normala si evacuarea gazelor arse. Īn plus, produsele de combustie ce se formeaza īn aceste conditii (oxizi) si se disperseaza īn camera sunt extrem de nocive.
3.02 Racordarea la cos
Diametrul
tubului de racordare a cazanului la cos nu trebuie sa fie mai mic
decāt diametrul prizei antirefulatorului. Plecānd de la antirefulator, acesta
trebuie sa aibe un parcurs vertical de cel putin o jumatate de
metru lungime. La dimensionarea si instalarea cosului si a
racordului la cos, trebuiesc respectate normele īn vigoare.
3.04 Fixarea cadrului
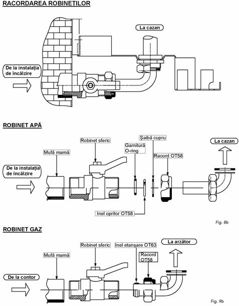
Pozitionati cadrul pe peretele ales pentru instalarea cazanului; cu ajutorul unui boloboc verificati daca consola inferioara D este perfect orizontala. Fixati provizoriu cadrul pe perete folosind doua cuie sau doua suruburi īn gaurile B. Trasati punctele de fixare C īn care va fi ulterior montat cazanul folosind suruburile de fixare. Punctele pentru racordarea conductelor de apa si de gaz se pot obtine folosind gaurile din consola inferioara D.
Nota - Īn absenta cadrului de montare, cazanul poate fi fixat pe perete folosind suruburile de fixare potrivite prin gaurile din rama cazanului; alternativ, solicitati cadrul de montare din hārtie.
Fig. 7
Controlati daca consumul de combustibil indicat pe contor corespunde celui indicat īn tabelul 3.
Verificati daca circulatia apei īntre cazan si instalatia de īncalzire este corecta.
Verificati daca īn modul de functionare "IARNĂ", pompa se opreste si apa calda de consum este produsa corect atunci cānd robinetul de apa calda este deschis.
Verificati daca īn modul de functionare "VARĂ", arzatorul se aprinde si se opreste corect cānd robinetul de apa calda este deschis si īnchis.
Controlati daca debitul de apa calda si Δt corespund tabelului. Nu aveti īncredere īn masuratorile empirice. Temperatura trebuie masurata folosind instrumente speciale si cāt mai aproape posibil de cazan, luānd īn considerare pierderile de caldura prin tevi.
Verificati daca vana de gaz moduleaza corect atāt īn faza de īncalzire cāt si īn timpul fazei de preparare a apei calde de consum.
5.05 Verificarea si controlul evacuarii gazelor arse
Cazanul este dotat cu termostat de gaze arse pentru a īmbunatati controlul si siguranta evacuarii produselor de combustie. Daca cosul nu are tirajul suficient, termostatul va īmpiedica gazul sa ajunga la arzator.
Daca termostatul de gaze arse (Total Security) este īnlocuit, folositi numai piese originale si asigurati-va ca legaturile electrice sunt corecte. Īn timpul montarii asigurati-va ca termostatul de gaze arse (Total Security) nu este stricat (ex: nu modificati īnclinarea aripioarelor termostatului) si nu deconectati niciodata termostatul de la circuitul electric. Daca termostatul declanseaza frecvent, contactati doar companiile specializate.
INSTRUCŢIUNI
PENTRU PORNIREA CAZANULUI CU VANA "HONEYWELL"
Aprinderea flacarii pilot
Apasati butonul asa cum este indicat īn figura 14a si īn acelasi timp apasati butonul de aprindere piezoelectrica de cāteva ori pāna cānd flacara se aprinde.
Asteptati circa 15 secunde īnainte de a elibera butonul.
N.B. - Daca dupa aceasta operatie flacara pilot se stinge, repetati punctul 1.
Aprinderea arzatorului principal
Cānd butonul este eliberat, acesta trebuie sa fie ca īn pozitia aratata īn fig. 14b.
Īn acest moment, cu flacara pilot ramasa aprinsa, alegeti daca cazanul va fi folosit pentru īncalzire centrala si pentru prepararea apei calde de consum sau daca va functiona numai pentru prepararea apei calde de consum.
Daca este aleasa prima varianta, pozitionati comutatorul (fig. 12 - detaliul 2) īn pozitia "IARNĂ". Rotiti butonul potentiometrului de reglare la o valoare mai mare de 50 C si reglati termostatul de camera (daca exista) la valoarea temperaturii dorite.
Daca este aleasa a doua varianta, lasati selectorul īn pozitia "VARĂ". Rotiti butonul potentiometrului de reglare a temperaturii apei calde de consum la valoarea temperaturii dorite. Īn acest moment, cazanul este gata sa functioneze automat ori de cāte ori se consuma apa calda de consum.
Oprirea
arzatorului principal si pilot cu vana "HONEYWELL"
4) Rotiti butonul īn sens orar asa cum este aratat īn figura 14c.
Pentru a opri cazanul temporar, este suficient sa pozitionati comutatorul (fig. 12 - detaliul 2) īn pozitia "OFF".
Doar arzatorul pilot ramāne aprins.
IMPORTANT - DUPĂ OPRIRE, AsTEPTAŢI CIRCA 60 DE SECUNDE ĪNAINTEA PORNIRII CAZANULUI DIN NOU.
Īn cazul īn care cazanul nu este folosit perioade lungi īn timpul iernii, pentru a evita distrugerile provocate de īnghet, se recomanda evacuarea apei din circuite (īncalzire centrala si preparare apa calda de consum). Alternativ, goliti numai instalatia de preparare a apei calde de consum si adaugati antigel īn sistemul de īncalzire centrala.
5.04 Verificari si controale dupa prima pornire
Verificati etanseitatea circuitelor de gaz si de apa.
Verificati daca flacara pilot este adecvata si bine reglata. Daca este necesar, reglati cu surubul de reglare de pe vana de gaz.
Verificati pornirea corecta a cazanului prin porniri si opriri repetate folosind potentiometrul de reglare.
Controlati eficienta cosului īn timpul functionarii cazanului.
Racordarea kit-ului disponibil la cerere de la constructor
5. PORNIREA sI OPRIREA
5.01 Controale ce trebuiesc facute īnaintea primei porniri
Cānd porniti cazanul pentru prima oara, este bine sa faceti urmatoarele controale:
- robinetii de separare dintre cazan si instalatia de īncalzire sunt deschisi;
- instalatia de īncalzire centrala este umpluta si dezaerisita bine;
- nu exista pierderi de apa sau de gaze din instalatia de īncalzire centrala sau din cazan;
- conexiunile electrice sunt corect facute si firul de īmpamāntare al cazanului este conectat la o instalatie eficienta de īmpamāntare;
- nu exista substante lichide sau materiale inflamabile lānga cazan sau tubulatura dintre cazan si cos;
- cosul nu este obturat
- presiunea si debitul de gaz pentru īncalzire centrala sunt cele cerute.
5.02 Operatii ce trebuiesc facute īnaintea pornirii
Deschideti robinetul de gaz aflat īn amonte de cazan.
Purjati aerul prezent īn teava īn amonte de vana de gaz.
Apasati īntrerupatorul (daca exista) sau bransati stecherul din amonte de cazan.
Rotiti comutatorul (Fig. 12 - detaliul 3) īn pozitia ON.
INSTRUCŢIUNI PENTRU PORNIREA CAZANULUI CU VANA "SIT"
Aprinderea
flacarii pilot
Īmpingeti si
rotiti butonul īn sens antiorar pāna cānd simbolul
(pozitia pilot) este ca cel din figura
13a.
Īn aceasta pozitie, apasati butonul asa cum este indicat īn figura 13b si īn acelasi timp apasati butonul de aprindere piezoelectrica de cāteva ori.
Asteptati circa 15 secunde īnainte de a elibera butonul.
N.B. - Daca dupa aceasta operatie flacara pilot se stinge, repetati punctele 1 si 2.
Aprinderea arzatorului principal
Plecānd din pozitia
pilot
, apasati
UsOR butonul si rotiti-l īn sens antiorar
pāna cānd simbolul
(arzator principal īn functiune)
este īn pozitia aratata īn
figura 13c, verificānd daca comutatorul este īn pozitia ON. Fig. 13
Īn acest moment, cu flacara pilot ramasa aprinsa, alegeti daca cazanul va fi folosit pentru īncalzire centrala si pentru prepararea apei calde de consum sau daca va functiona numai pentru prepararea apei calde de consum. Daca este aleasa prima varianta, pozitionati comutatorul (fig. 12 - detaliul 3) īn pozitia "IARNĂ". Rotiti butonul potentiometrului de reglare la o valoare mai mare de 50 C si reglati termostatul de camera (daca exista) la valoarea temperaturii dorite. Daca este aleasa a doua varianta, lasati selectorul īn pozitia "VARĂ". Rotiti butonul potentiometrului de reglare a temperaturii apei calde de consum la valoarea temperaturii dorite. Īn acest moment, cazanul este gata sa functioneze automat ori de cāte ori se consuma apa calda de consum.
Oprirea arzatorului principal si pilot cu vana "SIT"
5) Apasati UsOR butonul si rotiti-l īn sens orar pāna cānd simbolul este īn pozitia
aratata īn figura 13d. Setati comutatorul īn pozitia OFF. Fig. 13
4. PRINCIPIUL DE FUNCŢIONARE
Cazanul este proiectat pentru functionarea cu doua tipuri de gaz combustibil: metan sau propan (G.P.L.). Tipul de gaz poate fi ales la achizitionarea cazanului sau acesta poate fi transformat īn momentul instalarii. Acesta functioneaza cu sisteme de avangarda pe plan tehnologic cum ar fi dispozitive electronice de reglaj, de siguranta si control.
Fig. 12
"IARNĂ" ) (fig. 12)
Cānd termostatul de camera cere caldura, pompa de circulatie si arzatorul pornesc. Prin sistemul electronic de modulare al flacarii, puterea termica a cazanului este reglata progresiv pāna cānd se atinge temperatura dorita. Daca puterea ceruta de instalatia de īncalzire este mai mica decāt puterea termica minima a cazanului, cānd temperatura livrata depaseste valoarea setata, arzatorul se stinge si sistemul electronic impune o īntārziere de 2 minute īnainte de a permite reaprinderea. Odata atinsa temperatura setata la termostatul de camera, arzatorul se stinge si pompa continua sa functioneze īnca 5 minute pentru a īmbunatati distributia caldurii īn instalatie. Daca se consuma apa calda de consum īn timpul fazei de īncalzire, se decupleaza imediat circuitul electric de īncalzire centrala si este activat circuitul apei calde de consum. Pe durata acestei faze, pompa de circulatie pentru īncalzire este oprita si cazanul furnizeaza apa la temperatura reglata. Temperatura apei calde de consum este mentinuta la o valoare constanta datorita modularii flacarii. Ori de cāte ori prepararea apei calde de consum īnceteaza, pompa pentru īncalzire centrala este activata pentru un moment īn scopul evitarii blocarii acesteia, mai ales vara.
Īn timpul fazei de īncalzire, dispozitivele care controleaza temperatura de īncalzire sunt urmatoarele
Termostatul de reglare a temperaturii de īncalzire; termostatul de limita maxima; termostatul de siguranta termostatul de gaze arse (Total Security).
"VARĂ" ) (fig. 12)
Cu comutatorul īn aceasta pozitie, este produsa numai apa calda de consum īn conformitate cu procedura descrisa mai sus. Īn timpul fazei de productie a apei calde de consum, dispozitivele care controleaza temperatura de īncalzire sunt urmatoarele
Sonda de temperatura a.c.c.; termostatul de limita maxima; termostatul de siguranta termostatul de gaze arse (Total Security).
3.06 Racordarea instalatiilor de īncalzire si preparare a apei calde de consum
Conectati la racordurile corespunzatoare conform pozitiilor indicate īn fig. 1. Supapa de siguranta a sistemului de īncalzire centrala trebuie racordata la o pālnie colectoare, pentru a evita scurgerea apei pe jos īn cazul unui excedent de presiune īn circuitul hidraulic de īncazire centrala.
Nota - Daca pe conductele de tur si retur ale instalatiei de īncalzire centrala īn unele puncte exista posibilitatea formarii de pungi de aer, se recomanda montarea īn aceste puncte de ventile de dezaerisire.
Nota - Cānd cazanul este instalat sub nivelul instalatiei de īncalzire centrala, trebuie montata o clapeta de sens pentru a preveni circulatia naturala a apei īn instalatie.
3.07 Unitatea de umplere manuala
Cazanul este prevazut cu un robinet sferic pentru umplerea manuala a instalatiei de īncalzire centrala. Presiunea de umplere, cānd instalatia este rece, trebuie sa fie de circa 1 bar. Daca īn timpul functionarii evaporarea gazelor dizolvate īn apa cauzeaza scaderea presiunii sistemului de īncalzire sub nivelul minim descris mai sus, utilizatorul trebuie sa utilizeze robinetul de umplere pentru a aduce presiunea la valoarea initiala. Presiunea apei īn cazan cānd acesta functioneaza, trebuie sa fie īn jur de 1,5 bar.
3.08 Racordarea conductei de gaz
Racordarea la gaze se face utilizānd o conducta rigida prevazuta cu un robinet de gaz. Daca se foloseste un racord flexibil, acesta trebuie sa aiba aprobarile necesare. Debitul de gaz la contor trebuie sa fie suficient de mare pentru folosirea simultana a tuturor aparatelor racordate la el. Diametrul conductei de gaz care porneste din cazan nu este un factor determinant īn alegerea diametrului tevii dintre aparat si contor. Aceasta trebuie aleasa īn functie de lungimea sa si de pierderea de sarcina.
3.09 Bransamentul electric
Cazanul trebuie conectat la o sursa electrica monofazata 230 V/50 Hz avānd intercalata īntre cazan si sursa o rezistenta fuzibila de maxim 3 A si un īntrerupator bipolar cu deschiderea contactelor de cel putin 3 mm. Cazanul trebuie sa fie conectat īntotdeauna la o instalatie de īmpamāntare eficienta. Sub cutia electrica exista o borna cu 3 poli pentru conectarea cazanului la retea si o borna cu 2 poli pentru conectarea unui termostat de camera. Pentru efectuarea bransamentului, desfaceti suruburile care fixeaza cutia bornelor si conectati firele, respectānd pozitia bornelor. Trebuie mentionat ca īntre contactele termostatului de camera este tensiune redusa (24 V). Conexiunile electrice trebuiesc executate conform schemei din figura 10.
3.10 Verificari
Umpleti instalatia de īncalzire centrala urmānd indicatiile date mai sus si verificati etanseitatea circuitelor de apa calda de consum, apa de īncalzire si de gaz. Pentru verificarea etanseitatii circuitului de gaz, procedati cu precautie utilizānd o solutie de apa cu sapun. Verificati de asemenea daca bransamentul electric este corect efectuat.
Note
Utilizati un termostat de camera (24 V) fara tensiune la contacte.
Cānd conectati un termostat de camera cu programare zilnica sau saptamānala sau un orologiu programator, trebuie evitata alimentarea acestor dispozitive de la contactele lor de īntrerupere. Alimentarea lor trebuie efectuata direct de la sursa sau de la baterii īn conformitate cu tipul dispozitivului.
Legenda
|
Termocuplu Pompa Senzor de temperatura ī.c. Senzor de temperatura a.c.c. Vana de gaz Modulator vana de gaz |
Termostat de siguranta Termostat de limita Termostat de camera (nefurnizat) Borna alimentare - termostat de camera |
Presostat de apa Termostat de gaze arse (Total Security) Debitmetru |
Nota: Daca este necesara īnlocuirea cablului electric de alimentare, utilizati doar cablu "HAR H05 VV-F" 3 0.75 mm2, cu diametrul maxim exterior de 8 mm.
P1 =
Reglarea temperaturii de īncalzire
P2 = Reglarea temperaturii a.c.c.
P3 = Reglarea puterii termice de īncalzire
P4 = Reglarea presiunii gazului la aprindere
JP01 inserat...= Timp de asteptare neactivat
JP01 neinserat.= Timp de asteptare activat
Fig. 11
NOTĂ
Desi acest aparat poate functiona de asemenea fara termostat de camera, se recomanda instalarea unuia din urmatoarele motive:
Conditii mai confortabile īn camera de īncalzit datorita usurintei cu care temperatura din camera poate fi reglata.
Mai mare economie de combustibil.
Pentru conectarea termostatului de camera, procedati dupa cum urmeaza
Deschideti cutia electrica si eliminati suntul dintre bornele 4 si 5.
Bransati termostatul (72) cum este indicat īn figura 10.
N.B. - Fabricantul īsi declina toate responsabilitatile pentru pagubele produse persoanelor sau bunurilor derivate din lipsa unei īmpamāntari corecte a cazanului.
|