ALTE DOCUMENTE |
Capitolul II
2.1. Filtre active cu amplificatoare operationale. Generalitati.
In cazul folosirii de amplificatoare si retele RC( retele compuse numai din capacitoare si rezistoare) se obtin filtrele active RC, filtre folosite cu predilectie in joasa frecventa. Circuitele de tip trece-banda si opreste-bandamai sint regasite ca si amplificatoare selective; la randul lor acestea sind de tip RC sau LC (amplificatoarele LC folosesc retele formate din inductoare, capacitoare si rezistoare). Uneori se mai utilizeaza si filtre active LC, de tip trece-jos sau trece-sus.

Fig.1. Caracteristici de frecventa ale filtrelor tipice
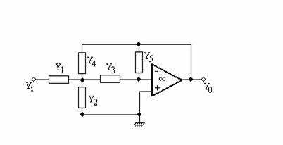
Filtrele active RC. Asocierea unor amplificatoare cu filtre pasive RC duce la realizarea de filtre active RC [1, 22, 29] . Amplificatoarele folosite sint in majoritatea cazurilor operationale, in special integrate. Filtrele active sint folosite in distorsiometre si volmetre selective de joasa frecventa (5 Hz - 1 MHz) , in oscilatoare interferentiale sau sintetizoare, etc. Una din posibilitati de realizare economica a filtrelor active este ilustrata in fig 2.

Fig.2. Filtru activ cu circuit integrat
Alte posibilitati de realizare a filtrelor active constau in folosirea de amplificatoare cu cistig constant sau utilizarea unei metode generale sinteza a oricarei functii de transfer cu ajutorul unor integratoare operationale 24424e41y .
Mai rar se folosesc filtre active cu convertoare de impedanta negativa sau cu giratoare.Convertorul de impedanta negativa este de obicei un amplificator cu reactie pozitiva, care transforma o impedanta pozitiva intr-una negativa, iar giratorul prezinta la intrare o inductanta echivalenta, in conditiile conectarii la iesirea sa a unui capacitor.
Studiul filtrelor active cu amplificatoare operationale 24424e41y
Realizarea filtrelor active cu amplificatoare operationale prezinta si avantajul unei mai bune independente a caracteristicii de transfer si a parametrilor filtrelor de parametri elementelor active utilizate si, implicit, de variatia acestora la modificari ale mediului ambiant.
1.Prevederi generale
Normele specifice de protectie a muncii pentru telecomunicatii cuprind prevederi pentru prevenirea accidentelor de munca si īmbolnavirilor profesionale īn activitatea de telecomunicatii (inclusiv īntretinere).
2.Prevederi comune tuturor proceselor de munca din activitatea de telecomunicatii
Toate procesele de munca vor fi conduse si supravegheate de persoane care poseda prega tire tehnica
Repartizarea la locurile de munca la īnaltime se va face numai dupa atestarea scrisa ca persoana respectiva este apta din punct de vedere medical pentru lucrul la īnaltime.
Instructajul de protectie a muncii se va face pe faze, īn conformitate cu Normele generale de protectie a muncii.
Personalul muncitor calificat si necalificat trebuie sa posede cunostinte generale cu privire la lucrul īn conditii de protectie a muncii, precum si cele specifice lucrarilor ce urmeaza a le executa.
Instructajul de protectie a muncii se efectueaza tuturor persoanelor care depun o activitate cu caracter direct productiv, de manipulare, transport, īntretinere, reparatii etc., precum si celor care prin natura obligatiilor profesionale conduc aceste activitati.
Personalul muncitor care īsi desfasoara activitatea īn statiile de electroalimentare (instalatii electrice, tablouri de distributie, statii de energie, baterii de acumulatoare) va fi instruit si examinat īn afara prevederilor din prezentele norme si asupra prevederilor cuprinse īn NSPM privind utilizarea energiei electrice.
Toti lucratorii din activitatea de telecomunicatii sunt obligati sa utilizeze echipamentul individual de protectie adecvat, conform "Normativului - cadru de acordare si utilizare a echipamentului individual de protectie" emis de Ministerul Muncii si Protectiei Sociale.
Īnainte de īnceperea lucrului, persoanele special desemnate īn acest scop vor verifica starea si functionarea uneltelor, sculelor, utilajelor si dispozitivelor ce urmeaza sa fie utilizate si vor lua masuri pentru a nu fi folosite decāt cele corespunzatoare din punctul de vedere al protectiei muncii.
Este interzisa utilizarea sculelor sau uneltelor care prezinta defectiuni.
Este interzisa modificarea sculelor sau oricarui alt echipament tehnic prin improvizatii.
Este interzisa schimbarea locului de munca fara avizul sefului de formatie.
Īn locurile de munca din incinte unde existariscul de intoxicare cu diferite gaze sau de asfixiere, īnceperea lucrarilor este permisa numai dupa ventilarea spatiului si verificarea prin probe a atmosferei din spatiul respectiv.
Pentru lucrarile de sudare se va stabili locul de amplasare a tuburilor de oxigen, a generatoarelor de oxiacetilena , a transformatoarelor de sudare electrica , precum si a paravanelor de protectie folosite īn timpul suda rii electrice. Transformatoarele de sudare vor fi legate la pamānt, iar cablurile vor fi amplasate si protejate astfel īncāt sa nu fie deteriorate.
La locurile de munca permanente si fixe se vor afisa obligatoriu instructiunile de folosire a utilajelor, instalatiilor, aparatelor si indicatoarelor de protectie conform standardelor īn vigoare.
Echipamentele tehnice din īncaperile de lucru vor fi fixate si vor fi dotate cu dispozitive de protectie īn buna stare. De asemenea, ele vor avea afisate instructiunile tehnice de exploatare si de protectie a muncii.
Īn salile de echipamente de telecomunicatii, locurile de trecere si spatiile din jurul echipamentelor vor fi complet libere; este interzisa ocuparea lor cu materiale sau cu aparataj inutil. Locurile de munca vor fi mentinute īn stare de curatenie.
Este interzis sa se execute operatii de īnlocuiri, reparatii, interventii de orice fel la echipamentele de telecomunicatii sau la alte echipamente tehnice folosite īn procesul de munca de catre persoane care nu au aceasta sarcina de serviciu.
Īncalzirea spatiilor de munca din cladiri va fi asigurata īn perioada rece, īn functie de temperatura exterioara , īn limitele stabilite de Normele generale de protectie a muncii.
Instalatiile de ventilare si climatizare vor fi mentinute īn buna stare, urmarindu-se functionarea lor la parametrii proiectati.
La toate locurile de munca permanente din spatii īnchise unde existariscuri de incendiu, explozii, intoxicatii si surse de zgomot sau vibratii, se vor efectua masuratori īn vederea depistarii concentratiilor/nivelurilor maxim admisibile si a anihilarii surselor acestora.
Iluminatul natural si artificial se va realiza astfel īncāt sa asigure o buna vizibilitate la locurile de munca .
Toate spatiile din incintele statiilor si centrelor vor fi prevazute cu iluminat de siguranta .
Īn īncaperile de lucru se vor monta placi avertizoare si afise sugestive pe teme de protectie a muncii, referitoare la activitatile efectiv prestate īn spatiul respectiv.
Īn cazul īncaperilor de lucru īn care se gasesc instalatii prin a ca ror manevrare sau atingere se pot produce accidente, pe usile acestora se vor afisa indicatoare de avertizare (conform standardelor īn vigoare). Aceste tablite se vor fixa si pe usile īncaperilor īn care sunt instalatii de īanlta tensiune, instalatii sub presiune, transformatoare, sali de relee, centrale de telecomunicatii.
Zilnic, īnaintea īnceperii lucrului, seful de formatie va verifica starea de sanatate si oboseala a lucratorilor. Daca īn urma examina rii se constata ca unele persoane prezinta stari maladive sau de oboseala , sau se afla sub influenta bauturilor alcoolice, a unor medicamente sau droguri, nu vor fi admise la lucru.
La repartizarea lucrarilor pe muncitori, seful de formatie va indica procedeul corect de lucru (neriscant) si masurile corespunzatoare, va verifica starea echipamentului individual de protectie si a echipamentului de lucru care va fi folosit de muncitori la lucrarea respectiva .
La exploatarea si īntretinerea instalatiilor electrice trebuie sa se respecte prevederile cuprinse īn Normele specifice de protectie a muncii pentru utilizarea energiei electrice.
Sefii de compartimente sunt obligati sa solicite periodic verificarea instalatiilor, echipamentelor si utilajelor electrice pe care le au īn dotare si sa verifice imposibilitatea atingerii pieselor aflate normal sub tensiune, precum si existenta legaturilor vizibile de protectie.
Cei care exploateaza si executa manevre la instalatiile, echipamentele si utilajele electrice, trebuie sa verifice īnainte de īnceperea lucrului imposibilitatea atingerii pieselor aflate sub tensiune, precum si existenta legaturilor vizibile de protectie.
Este interzisa punerea sub tensiune a instalatiilor, echipamentelor si utilajelor electrice care prezinta pericol de atingere a pieselor aflate normal sub tensiune, care au legaturile de protectie desfacute sau nu au fost verificate din punctul de vedere al asigura rii protectiei īmpotriva electrocutarii.
|