Documente online.
Zona de administrare documente. Fisierele tale
Am uitat parola x Creaza cont nou
 HomeExploreaza
upload
Upload




INCERCAREA LA AMBUTISARE A TABLELOR

tehnica mecanica


ĪNCERCAREA LA AMBUTISARE A TABLELOR





1.Scopul lucrarii

Lucrarea are ca obiectiv aprecierea capacitatii de deformare a tablelor din aliaje de aluminiu si a tablelor din otel utilizānd īncercarea de ambutisare Erichsen.

2. Aspecte teoretice

Ambutisarea reprezinta transformarea unui semifabricat plan īn piesa cava sau transformarea adāncimii unei piese cave cu micsorarea corespunzatoare a dimensiunilor transversale.


Sculele pentru ambutisare se compun din trei elemente principale: poansonul si matrita 17217y242r (sau placa activa) care limiteaza conturul exterior al piesei, inelul de retinere (placa de presiune sau element de apasare) care preseaza metalul pe matrita, evita cutarea acestuia si controleaza curgerea īn lungul poansonului.

Fig. 1


Poansonul delimiteaza conturul interior al piesei si realizeaza forta necesara deformarii tablei (forta de ambutisare).

Metoda de deformare depinde de modul de actiune a inelului de retinere. La ambutisarea prin īntindere tabla este blocata īntre matrita si inelul de retinere. La ambutisarea adānca tabla aluneca īntre matrita si inelul de retinere.

Prin ambutisare se pot obtine piese de forme si dimensiuni diferite īncepānd cu cele mai simple, de forma cilindrica de īnaltime mica, si terminānd cu cele de forma complexa asimetrica.

Īncercarea la ambutisare se executa īn scopul determinarii deformabilitatii tablelor si benzilor. Deformabilitatea tablelor exprima capacitatea acestora de a se deforma plastic pentru a lua o forma data fara sa apara defecte īn piesa. Marimea cantitativa a deformabilitatii este gradul de deformare suferit de un material pāna la care īncepe sa apara prima fisura.

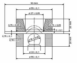
Īncercarea Erichsen consta īn ambutisarea cu ajutorul unui poanson cu cap semisferic a unei epruvete de tabla pāna īn momentul ruperii acesteia, īn vederea determinarii adāncimii maxime de ambutisare. Īncercarea se aplica la table si benzi cu grosimea de 0,1.2 mm, epruvetele avānd forma circulara sau patrata cu latura de minim 90 mm, iar matrita avānd dimensiunile conform figurii 2.


Fig. 2


Apasarea realizata cu ajutorul inelului de retinere (~ 10 kN) īmpiedica alunecarea materialului īn raport cu matrita īn timpul ambutisarii. Īncercarea Erichsen    caracterizeaza capacitatea de deformare a unui produs prin īntindere pe doua directii, īn conditiile reducerii grosimii acestuia īn procesul de ambutisare.

Adāncimea de patrundere a poansonului, exprimata īn milimetri, reprezinta indicele Erichsen (IE), cel mai utilizat indice pentru aprecierea capacitatii de deformare a tablelor.


3. Metode si mijloace de experimentare

Pentru realizarea īncercarii Erichsen se utilizeaza trei epruvete din aliaj de Al (AlMn1, STAS 7608-88) si trei epruvete din otel (A5, STAS 11318-80 ).

Īncercarea se poate efectua pe un dispozitiv manual (fig.3) sau pe un aparat special de īncercat la ambutisare (fig. 4)

Īncercarea la ambutisare Erichsen a epruvetelor din aliaj de aluminiu se va realiza cu un dispozitiv experimental actionat manual (fig. 3), existent īn laborator. La acest dispozitiv forta de ambutisare se realizeaza manual. La rotirea rotii de māna 4, surubul 7 se īnsurubeaza īn piulita si īmpinge poansonul 1 care deformeaza epruveta 3. Odata cu surubul se deplaseaza si indicatorul 6, iar adāncimea de patrundere a poansonului (indicele Erichsen) se poate citi pe scara gradata 5.

Forta de retinere a tablei este realizata prin strāngerea suruburilor 9.

Fig. 3

Pentru īncercarea la ambutisare a epruvetelor din otel se utilizeaza un aparat special de īncercat la ambutisare cu actionare electrohidraulica (fig. 4). Forta de retinerea tablei si forta de ambutisare se regleaza prin intermediul butonului 6 , respectiv 7. Indicele de ambutisare se citeste direct cu o precizie de 0,1 mm pe ceasul 3. Forta de retinere si forta de ambutisare se citesc pe ceasul 2, respectiv 1.

Fig. 4

3. Modul de lucru

Īnainte de īnceperea experimentarilor se studiaza dispozitivele prezentate si se identifica sculele de ambutisare.

Īn dispozitivul actionat manual (fig. 3) se introduce vertical prima epruveta din aliaj de aluminiu īntre inelul de retinere si matrita si se tine cu māna pāna se strāng suruburile 9. Se actioneaza roata 8, care deplaseaza poansonul 1 prin intermediul surubului 5. Acesta realizeaza deformarea epruvetei. Deformarea epruvetei se efectueaza pāna la aparitia fisurii. Dupa fisurarea epruvetei se citeste pe scara gradata 5 indicele Erichsen si se noteaza īn tabelul 1. Se retrage poansonul prin actionarea īn sens invers a rotii 8, se desfac suruburile 9 si se īndeparteaza epruveta din dispozitiv. Īn mod similar se procedeaza si cu celelalte doua epruvete din aliaj de aluminiu.

Epruveta din otel se introduce pe suprafata inelului de retinere al dispozitivul actionat hidraulic (fig. 4). Forta de fixare a inelului de retinere se stabileste la 10000N (1000 kgf ) prin rotirea butonului.

Se pune sursa (10) pe "ON" si aceasta se confirma prin aprinderea lampii 8. Comutatorul 10 se muta pe AUTOMAT. Se blocheaza matrita prin rotirea mānerului 5 spre stānga, pāna vine īn contact cu limitatorul. Pentru fixarea epruvetei de catre inelul de retinere se apasa butonul 11. Forta de fixare se citeste pe cadranul 1. Dupa fixarea epruvetei se aduce comparatorul cu cadran la zero rotind butonul "ZERO ADJUST"(4). Pentru deplasarea poansonului īn vederea deformarii tablei se apasa butonul 13. Pe parcursul deplasarii poansonului cursa acestuia (indicele Erichsen) poate fi citita pe comparatorul 3. Rezultatul obtinut se noteaza īn tabelul 1. Dupa citirea adāncimii de ambutisare se apasa butonul 12 si poansonul coboara. Se deschide matrita si se īndeparteaza epruveta din dispozitiv. Īn mod similar se procedeaza si cu celelalte doua epruvete.



4. Prelucrarea datelor experimentale si concluzii

Datele obtinute experimental se noteaza īn tabelul 1.

Tab. 1

Materialul

epruvetei

Indicele Erichsen, IE [mm]

Indicele Erichsen mediu [mm]

Epruveta     1

Epruveta 2

Epruveta 3

AlMn1





A5






























Document Info


Accesari: 8872
Apreciat: hand-up

Comenteaza documentul:

Nu esti inregistrat
Trebuie sa fii utilizator inregistrat pentru a putea comenta


Creaza cont nou

A fost util?

Daca documentul a fost util si crezi ca merita
sa adaugi un link catre el la tine in site


in pagina web a site-ului tau.




eCoduri.com - coduri postale, contabile, CAEN sau bancare

Politica de confidentialitate | Termenii si conditii de utilizare




Copyright © Contact (SCRIGROUP Int. 2025 )