INDUCTOARE
1. Scopul lucrarii: Stabilirea caracteristicilor principale ale componentelor pasive de tip inductor, precum si evidentierea factorilor de influenta a acestora.
2. Notiuni teoretice: Alaturi de condensatoare, care sunt capabile sa acumuleze energie electrica, inductoarele reprezinta componentele pasive capabile sa acumuleze energie magnetica. În consecinta, in anumite conditii (trebuie sa fie parcurse de curent), inductoarele sunt în stare sa produca un câmp magnetic asemanator celui produs de un magnet.
d, marime ce reprezinta raportul dintre puterea activa si puterea reactiva din inductor.
(3)
Inversul marimii tg d reprezinta factorul de calitate al inductorului. El se noteaza cu Q si este, în general, mai des utilizat în caracterizarea pierderilor unui inductor.
este proportionala cu factorul de calitate al circuitului. Rezonanta circuitului se obtine când tensiunea pe condensator este maxima. Practic, la aparat se poate observa rezonanta în momentul în care instrumentul indica valoarea maxima în urma modificarii capacitatii condensatorului variabil sau a frecventei generatorului.
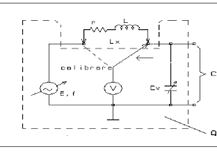
Fig. 1 Schema electrica de principiu a Q-metrului.
(5)
unde:
w este pulsatia la care se calculeaza La;
(7)
unde:
n este raportul dintre cele doua frecvente la care s-a obtinut rezonanta circuitului (pentru CV1, respectiv CV2);
a în mod deosebit asupra factorilor de influenta ai acesteia. Întelegerea corecta a fenomenelor fizice legate de acest tip de componenta pasiva duce la stapânirea ulterioara a situatiilor delicate ce privesc mai ales lucrul în domeniul frecventelor înalte. Un exemplu de modificare a schemei electrice ca urmare a structurii reale (ce ia nastere datorita efectelor parazite de tip disipativ, inductiv si capacitiv) este cel prezentat în figura 3.
Situatia prezentata apare datorita faptului ca în proiectare elementele ce interconecteaza componentele în vederea alcatuirii unei scheme electrice se considera ca fiind nule din punct de vedere disipativ, inductiv si capacitiv.
Inductor
Mediul
mH)
Rs(W
Inductorul
Capacitatea de acord (pF)
Factorul de calitate
Inductanta (mH)
Rs (W
L1
aer
aer
aer
ferita1
ferita1
ferita1
ferita2
ferita2
ferita2
L3
aer
aer
aer
ferita1
ferita1
ferita1
ferita2
ferita2
ferita2
5. La frecventa f = 21 MHz se fac masuratori pentru bobinele L4 si L5, mediul fiind aerul (bobinele au un numar egal de spire, dar lungimi diferite). Fixind capacitatea CVmax se cauta frecventa de acord (rezonanta) a circuitului L, C obtinându-se fmas si Q. Se compleaza tabelul T3 cu valorile masurate si calculate.
Tabelul T3
|
mH) |
W |
|||
|
L4 |
|
|
|
|
|
L5 |
|
|
|
|
|
L4 |
|
CVmax=450 |
|
|
|
L5 |
|
CVmax=450 |
|
|
6. Se conecteaza inductorul L6 la bornele Q-metrului. Se fixeaza capacitatea de acord la valoarea 450 pF. Se modifica frecventa pâna la atingerea rezonantei si se noteaza factorul de calitate. Se noteaza frecventa de rezonanta si se calculeaza inductanta.
|
L6(mH) |
Cv(pF) |
f(MHz) |
Q |
RS(W |
|
|
|
|
|
|
7. Se efectueaza masuratori asupra inductoarelor L7...L12 existente la platforma de masura stabilindu-se pentru fiecare inductor în parte, corespunzator intervalului de valori (Cmin - Cmax) ale capacitatii condensatorului variabil, domeniul de frecventa (fmin - fmax) în care circuitul serie alcatuit din inductor si condensatorul variabil poate sa rezoneze. În acest interval de frecventa se determina inductanta aparenta pentru diferite puncte intermediare (completându-se tabelul T4).
La fiecare inductor se determina capacitatea parazita si se masoara, daca permite puntea BM 509, inductanta la joasa frecventa.
Tabelul T4
|
Nr. crt. |
Tipul inductantei |
Cv [pF] |
fr [MHz] |
La mH] |
Observatii |
||
|
|
L7 |
Cmax |
|
fmin |
|
|
|
|
|
|
CV2 |
|
f2 |
|
|
Cp=56,61pF |
|
|
|
CV3 |
|
f3 |
|
|
|
|
|
|
CV4 |
|
f4 |
|
|
|
|
CV5 |
|
f5 |
|
|
|||
|
CV6 |
|
f6 |
|
|
|||
|
CV7 |
|
f7 |
|
|
|||
|
CV8 |
|
f8 |
|
|
|||
|
CV9 |
|
f9 |
|
|
|||
|
Cmin |
|
fmax |
|
|
|||

8. Se acceseaza fisierul CAPAR.MCD
al programului MATHCAD. Se introduc valorile capacitatii de acord si
frecventele masurate în concordanta cu tabelul T4. Se calculeaza pentru fiecare
caz La. Corespunzator setului de date al unui inductor se calculeaza
Cp si fpr (frecventa proprie de rezonanta). Graficul
variatiei inductantei aparente în gama de frecventa afisat de calculator se
deseneaza în caietul de laborator.
9. Stabiliti pe baza masuratorilor efectuate proportionalitatea existenta între inductanta, pe de o parte si factorii de influenta (lungime, suprafata, numar de spire) pe de alta parte. Comentarii.
4. Continutul referatului: Referatul de laborator va contine toate tabelele completate cu masuratorile efectuate în cadrul orelor de laborator precum si rezultatele calculelor solicitate în lucrare. Se vor trasa pe hârtie milimetrica graficele corespunzatoare variatiei inductantei aparente în gama de frecventa pentru inductoarele masurate în cadrul punctului 7. În plus, referatul va trebui sa cuprinda observatii personale, concluzii si raspunsuri la întrebari.
5. Întrebari:
1. Cum depinde inductanta de elem/entele constructive ale inductorului (lungimea de bobinare, sectiunea bobinajului, numarul de spire)? Încercati sa faceti o comparatie între relatia matematica teoretica studiata în liceu si relatia aproximativa ce ar putea fi conturata în urma masuratorilor realizate în cadrul lucrarii de fata.
Raspuns:
Din relatia matematica a inductantei unei bobine L = mN2S / l rezulta o crestere direct proportionala a inductantei cu permeabilitatea mediului, numarul de spire si suprafata si una indirect proportionala cu lungimea bobinei respective. Masuratorile practice realizate in cadrul laboratorului s-au bazat pe formula (8) ce calculeaza inductanta aparenta a unei bobine la o frecventa de rezonanta fr si o capacitate de acord CV.
2. În ce conditii efectul secundar capacitiv prezent la un inductor influenteaza mai putin functionarea acestuia? Cautati solutii pentru micsorarea acestui efect nedorit.
Raspuns:
Efectul secundar capacitiv influenteaza mai putin functionarea functionarea unui inductor daca bobina este folosita la frecvente mici.
3. În ce masura carcasa pe care se realizeaza bobinarea (suportul de bobinare) influenteaza parametrii inductorului? Precizati care din ei.
Raspuns:
Carcasa influenteaza inductanta bobinei prin modificarea permeativitatii mediului.
4. Pentru ce frecvente inductorul functioneaza ca un condensator (datorita efectului capacitiv preponderent)?
Raspuns:
Inductorul functioneaza in regim de condensator daca frecventa de lucru este mai mare decat frecventa de rezonanta.
5. Cum explicati diferenta existenta la aceeasi frecventa între factorii de calitate masurati la punctul 5 ?
Raspuns:
Factorii de calitate difera deoarece bobinele au lungimi diferite si deci rezistenta de pierdere a inductorilor sunt diferite.
6. Ce concluzii se pot trage în urma masuratorii efectuate la punctul 6 (masuratoare executata asupra unui inductor liniar foarte scurt)?
Raspuns:
Datorita suprafetei reduse inductorul are o inductanta foarte mica.
7. Stabiliti o schema electrica echivalenta pentru un traseu singular de cablaj imprimat.
Raspuns:

Schema este formata dintr-o rezistenta si
o bobina legate in serie (datorita rezistivitatii materialului, respectiv a
campului electromagnetic creat de acesta) si un condensator legat in paralel
(in cazul unui traseu nelinear pot aparea capacitati intre anumite portiuni ale
circuitului) .
8. Care este motivul pentru care în domeniul frecventelor ultraînalte (UIF) se utilizeaza de regula componente fara terminale sau cu ele foarte scurte?
Raspuns:
Terminalele prea lungi genereaza un camp electromagnetic ce le confera un statut de bobina, modificand astfel functionarea montajelor.
9. De ce inductoarele care iau nastere în mod nedorit (inductoare parazite) nu trebuie trecute cu vederea ?
Raspuns:
Inductoarele parazite pot modifica functionarea circuitului schimbandu-i caracteristicile prin inducerea unor campuri electromagnetice suplimentare.
10. Capacitatea parazita a unei bobine depinde de:
1) izolatia conductorului de bobinaj.
2) forma bobinei.
3) distanta dintre spirele bobinei.
4) suportul de bobinare.
11. Schema electrica echivalenta a unui inductor:
1) este un montaj de laborator.
2) este un circuit de masura prezentat în cataloage.
3) reprezinta o încercare a fabricantilor de inductoare de a minimiza efectele parazite ce apar în înalta frecventa.
4) reprezinta o schema electrica echivalenta ce modeleaza un inductor real.
12. Inductorul:
1) tinde asimptotic spre inductorul ideal odata cu cresterea frecventei.
2) se îndeparteaza de inductorul ideal odata cu cresterea frecventei.
3) se manifesta în functionare doar ca element disipativ de energie.
4) are flux de scapari, pierderi ohmice si pierderi magnetice.
13. Inductanta aparenta paralel:
1) poate fi identificata în c.c. cu inductanta echivalenta.
2) ia valori extrem mari în modul în apropierea frecventei proprii de rezonanta a inductorului.
3) este negativa pentru frecvente mai mari decât frecventa proprie de rezonanta.
4) are o valoare fixa ce poate fi obtinuta masurând inductorul cu orice punte de JF.
|