Inductosinul liniar
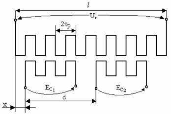
Acesta este echivalent cu un selsin multipolar desfasurat în plan, la care rotorul este o rigla a carei lungime trebuie sa acopere domeniul maxim de masurare, iar statorul este un cursor ce se deplaseaza deasupra riglei. Pe rigla si pe cursor se gasesc înfasurari realizate din folie de cupru imprimate prin procedee speciale (serigrafice). Rigla are o singura înfasurare, iar cursorul are doua înfasurari, toate r 212c23c ealizate cu acelasi pas, figura 4.19.
(4.25)
unde:
p este pasul înfasurarii, iar
- pasul polar.

Între spirele celor doua înfasurari ale cursorului exista un decalaj de 90° electrice (notat cu d). Acest decalajul între spirele înfasurarii cursorului se exprima prin relatia :
(4.26)
unde n - este numarul de pasi polari (n - numar întreg), iar x - pozitia relativa între rigla si cursor.
Principalele caracteristici (standardizate international) ale inductosinului liniar sunt:
- lungimea riglei: l =250 mm; 500 mm; 1000mm.
- pas polar
= 2 mm;
- rezistenta înfasurarilor: pentru rigla = (5 W; pentru cursor =1,5W
- interstitiul rigla - cursor: (0,05 . 0,25) mm.
- grosimea conductoarelor (cupru) : (0,03.0,07) mm
- numarul de poli pe rigleta standard : 64.96
- frecventa tensiunii de alimentare: (2 . 10 Khz)
-
raportul dintre tensiunea inductoare si cea indusa:
= (150.200) unde
este raportul de
transformare al tensiunilor.
Inductosinul se poate realiza ca traductor absolut în domeniul unui semipas (semiperioada) de 2 mm, dar si ca traductor ciclic absolut într-o schema care contorizeaza numeric numarul de semipasi (treceri prin zero ale tensiunii proportionale cu defazajul) si apoi exprimând numeric sau analogic faza în cadrul unui pas.
- Variantele de alimentareale înfasurarilor sunt :
Pe rigla, cu prelucrarea a doua semnale culese din înfasurarile cursorului ;
Pe cursor, cu doua tensiuni si prelucrând un singur semnal de iesire (din înfasurarea riglei). Ultima solutie este cea mai utilizata si se practica în doua variante :
a) Cu modulatie de faza:
În acest caz cursorul fiind alimentat cu tensiunile U sin ωt, respectiv U cos ωt, se obtine tensiune de iesire (din rigla) :

unde
este raportul de
transformare al tensiunilor; x - pozitia relativa între rigla si cursor în cadrul unui semipas
(x = 0 ,daca se suprapun
înfasurarile riglei cu
prima înfasurare a cursorului).
b) Cu modulatie în amplitudine, situatie în care se obtine:

unde:
este
pozitia fata de care se masoara deplasarea în cadrul
unui semipas.
Observatii:
Când se doreste masurarea deplasarilor mari prin înserierea mai multor rigle, se va acorda atentie la : evitarea excentricitatilor; pastrarea constanta a interstitiilor dintre rigla si cursor; pastrarea paralelismului fata de ghidaj si a planeitatii.
Erorile specifice acestui traductor se datoreaza dilatarii inegale (cu temperatura) a riglei si suportului, motiv pentru care se impun masuri speciale de corectie.
Erorile datorate câmpurilor perturbatoare externe se elimina prin ecranarea partii active a cursorului, cu o folie de metal legata la masa.
Schema de principiu pentru prelucrarea semnalelor produse de inductosinul liniar, în cazul deplasarii pe o axa si oprire la cota prescrisa, este data în figura 4.20 :

Fig. 4.20 -Sistem de masurare pentru inductosin
Masurarea consta în prelucrarea
numerica a fazei semnalului e, fata de faza unui semnal de
referinta
, care reprezinta ultima pozitie a organului mobil
(OM). Ciclul de masurare are loc astfel:
1) Se testeaza daca defazajul dintre e
si
este < 180° ;
daca da, la fazmetru ajunge un semnal e'(proportional cu e);
daca nu la fazmetru ajunge acelasi semnal negat
). Aceasta secventa de lucru asigura
masurari doar pe o semiperioada ( cân d faza semnalului
variaza între 0 si 180°).
2) Se compara e' (sau
) cu
; daca OM si-a schimbat pozitia apare o
diferenta de faza între e
si
, iar în numaratorul acumulator(AC) intra
trenul de impulsuri de la iesirea blocului D.F. (fazmetru digital) care reprezinta cota reala.
3) În functie de semnul diferentei de
faza între e si
, în defazorul DP se trece continutul AC (la semn plus)
sau complementul fata de 2000 (la semn minus).
DP
modifica (în functie de continutul lui AC) semnalul
pentru urmatorul
test de masurare.
|