Jonctiunea
Jonctiunea PN nealimentata. 
Fig.2 Jonctiunea PN nealimentata.

Fig.3 Echilibru la nivelul jonctiunii.
In vecinatatea jonctiunii, golurile zonei P vor neutraliza electronii liberi din zona N, in urma unei difuzii de sarcini.Acest fenomen se va opri atunci cand campul electric Eint(vezi desenul) creat de atomii donori[pentavalenti(P,As,Sb)] sau acceptori[trivalenti(B,Al,Ga)] care vor deveni respectiv sarcini + si-, o sa fie sufficient pentru a se opune miscarii sarcinilor mobile.Se formeaza deci o bariera de potential pentru purtatorii majoritari(electroni la jonctiunea N si goluri la cea P) si aceasta bariera va favoriza trecerea purtatorilor minoritari(conductie electrica) .Cei doi curenti antagonisti(difuzie de majoritari si conductie de minoritari) se echilibreaza si suma lor devine nula in regim permanent si in absenta campului electric exterior.
Cu un generator in sens direct.
Fig.4 Jonctiune PN alimentata direct.
Bariera de potential interna impiedica deci circulatia curentului.Daca se aplica un camp extern cu ajutorul unui generator bransand polul + la P si polul - la N se poate anula efectul campului intern sise va permite curentului sa circule: fenomenul de atractie de electroni liberi din partea N de catre goluri din partea P (difuzie) nu mai este echilibrat si generatorul va putea injecta electroni in zonz N si sa-i deplaseze prin zona P.
Curentul de conductie format de catre purtatorii minoritari ia o valoare If , independenta de campul exterior.
Curentul total este deci suma celor doi curenti( de goluri si de electroni) este practic curentul direct datorat purtatorilor majoritari de indata ce tensiunea directa atinge cateva sutimi de milivolt.
Dioda este atunci polarizata in sens direct si un current rlativ intens poate circula: de la cateva zecimi de miliamper pentru diodele de semnal la cativa amperi pentru diodele redresoare standard si cateva sute de amperi pentru diodele industriale de foarte mare putere.
Cu generator in sens invers.

Fig.4 Jonctiune alimentata invers.
Daca se branseaza generatorul de tensiune in sens invers fata de cazul precedent se intareste campul electric intern si se impiedica trecerea purtatorilor majoritari: electronii liberi sunt respinsi in zona N si golurile in zona P.
Din contra, purtatorii minoritari(goluri pentru zona N si electroni liberi pentru zona P) pot traversa jonctiunea si trec prin generator: ei formeaza curentul invers If care deoinde essential de temperatura.
Campul exterior resping sarcinile care se vor gasi la o distanta sensibil proportionala cum tensiunea inversa creand astfel o capacitate proportionala cu aceasta distanta deci cu aceasta tensiune.
Aceasta capacitate este inerenta tuturor jonctiunilor semiconductoare si o sa constitue principala limitare(in regim liniar cel putin) la functionarea la inalta frecventa a componentelor electronice(diode, tranzistoare si circuite integrate).
Caracteristicile electrice.
Caracteristica current/tensiune.
Caracteristica globala.
S-a vazut pana acum ca pentru o tensiune Vd=Vp-Vn negativa(este adevarat numai pana la o tensiune Vc numita tensiune de strapungere) curentul este neglijabil.Deasupra unui nivel Vo a tensiunii Vd positive, curentul direct creste rapid cu Vd.Nivelul Vo(bariera de potential) depinde de semiconductorul intrinsic de baza utilizatAcest nivel este de aproximativ 0.2V pentru germaniu si 0.6V pentru siliciu.
Caracteristica are forma din fig.6
Caracteristica are forma urmatoare:

Fig. 6
Caracteristica directa (Vd > 0)

Fig. 7 Caracteristica directa a unei diode
Pentru acest tip de dioda(1N4005 dioda redresoare suportand 1A in direct si 600V tensiune inversa) cu siliciu curentul creste destul de rapid mai sus de 0.7V.
In jurul lui zero.
Caracteristica trece prin originePentru Vd negativ, curentul tinde rapid catre limita -If(current de fuga), caci curentul de difuzie datorat purtatorilor majoritari se va anula, ramanand doar un current mic datorat purtatorilor minoritari, numit curent invers.
Caracteristica inversa. (Vd < 0).Fenomenul de strapungere.
Cand tensiunea aplicata depaseste valoarea specificata de fabricant, curentul descreste
( atentie: el este deja negativ) foarte rapid.Daca acesta nu este limitat de elemente externe, dioda se distruge rapid.
Doua fenomene sunt la originea acestui rezultat;
Fenomenul de avalansa: cand campul electric la nivelul jonctiunii prea intens, electronii accelerati pot sa ionizeze atomii prin ciocnire, ceea ce face sa se elibereze alti electroni care sunt la randul lor accelerati dand nastere la un current important.
fenomenul Zener: electronii sunt smulsi atomilor de catre campul electric in zona de tranzitie si creand un current care devine repede intens cand tensiunea Vd atinge o valoare Vz numita tensiune Zener.
Daca se construieste o dioda pentru ca fenomenul Zener sa fie cel de baza(aranjandu-se ca zona de tranzitie sa fie stramta) se obtine o dioda Zener.
Se utilizeaza atunci aceasta dioda in polarizare inversa iar in acest caz efectul Zener nu mai este distructiv ca in cazul unei diode obisnuite(redresoare sau de semnal).Aceste diode sunt forte utilizate pentru reglarea tensiunii in stabilizatoarele de tensiune.

Fig. 8. Liniaritatea log(I) functie de Vd.
Curba din fig.6 (cu exceptia zonei de strapungere-hasurata-) raspunde destul de bine la formula urmatoare explicata prin termodinamica statistica:
![]()
unde :
If este curentul de fuga
q sarcina electronului = 1,6E-19C
k
T temperatura absoluta
Legea logaritmica [1] este bine ilustrata de figurile 7si 8.Curba experimentala se departeaza de teorie la curenti foarte mari unde modelul nu tine cont de alte fenomene
, ca de exemplum caderea de tensiune pe semiconductor.
De notat ca in figura 8, curentul maxim reprezentat este egal cu 1/10 din cel admisibil pentru aceasta dioda
Pentru Vd. Pozitiv, dioda are un coefficient de temperatura negativ, egal cu -2mV/K.Aceasta deriva este sufficient de stabila pentru a se putea folosi diodele pentru realizarea de traductoare de temperatura.Pentru Vd. Negativ, curentul de fuga variaza foarte rapid cu temperatura.el teste mai important pentru germaniu decat pentru siliciu si creste repede, ceea ce devine jenant destul de repede.La siliciu, acest current se dubleaza la fiecare 6°C.
°C.
Rezistenta diferentiala(sau dinamica).

Fig. 9. Rezistenta dinamica.
Rezistenta dinamica fiind inversul pantei caracteristicii intr-un punct dat, se poate deduce prin derivarea formulei [1]:
![]()
Aceasta este rezistenta dinamica in punctual de functionare (Vd , Id).Ea este functie de curentul de polarizare Id in punctul studiat.
Fig.9 da valoarea lui rd in functie de teniunea pe dioda: variatiile sunt foarte importante.
Reprezentarea diodei prin legea sa logaritmica este destul de complexa pentru utilizarea obisnuita.De aceea s-au conceput mai multe scheme echivalente simplificate:
Dioda ideala.
In acest caz, se neglijeaza tensiunea de prag si rezistenta interna a diodei.caracteristica este atunci cea din fig.10.
Aceasta schema este utila pentru precalcule, mai ales daca diodele sunt utilizate in circuite unde tensiunile sunt ridicate(zeci de volti): in acest caz tensiunea de prag poate fi neglijata.

Fig. 10. Caracteristica ideala.
Dioda cu prag.
In acest caz se neglijeaza rezistenta interna, dar se tine cont de pragul diodei.catacteristica devine:

Fig. 11. Caracteristica cu prag.
Aceasta schema este cea mai utilizata in calcule.
Dioda cu prag si rezistenta interna.
Aici se tine seama de rezistenta dinamica a diodei.Acest lucru devine util daca se utilizeaza dioda la semnale mici alternative.

Fig. 12.Caracteristica cu prag si rezistenta.
Atentie: in acest caz se
considera ca rezistenta dinamica este
UTILIZARE.
Exista diverse tipuri de diode corespunzand la tehnologii diferite.Fiecare tehnologie prezinta cel mai bun compromis pentru o anume utilizare .
Noi o sa trecem in revista aplicatiile diodei clasificandu-le pe grupe tehnologice.
Parametrii esentiali ai diodelor.
In functie de aplicatie vor interesa unii parametric ai diodelor mai mult decat altii.Unii parametric nu sunt specificati pentru toate tipurile de diode in afa ra de cei care sunt foarte importanti:
VF : tensiunea de prag specificata la un current de prag dat.
IF : curentul direct permanent admisibil prin dioda la temperatura maxima de functionare.
IFSM : curentul temporar de suprasarcina(regim de impulsuri).In general, pentru un current de suprasarcina dat, constructorul specifica amplitudinea impulsurilor, durata lor,raportul ciclic si in unele cazuri, numarul maxim de impulsuri care pot fi aplicate.
VR :aceasta este tensiunea inversa maxima admisibila prin dioda(inaintea avalansei).
IR : curentul invers prin dioda.El este specificat la o tensiune inversa data si pentru mai multe temperaturi(in general 25°C si Tmax).Acest current nueste singurul datorat purtatorilor minoritari.El provine de asemeni dincurentii paraziti formati la suprafata cip-ului(siliciul este pasivat prin oxidare si pot subzista impuritati care vor permite trecerea curentilor mici).Carcasa de incapsulare a diodei de siliciu este de asemenea o sursa a curentilor de fuga.
Simbolurile de mai sus sunt in general utilizate de diferiti constructori, dar pot exista si alte variante: este bine deci de a se consulta documentatia pe careo ofera fabricantul pentru fiecare dida utilizata intr-o aplicatie pentru a vedea corespondenta corecta intre parametric si simboluri.
DIODELE REDRESOARE.
Una din principalele aplicatii ale diodelor o constitue redresarea tensiunii alternative pentru realizarea generatoarelor de tensiune continue destinate alimentarii montajelor electronice(intre altele).
Exista doua tipuri principale de diode redresoare: diodele standard pentru redresarea clasica si diodele rapide pentru alimentatoare speciale pe care le vom studia mai tarziu.
Caracteristici fizice
Diodele redresoare standard sunt mai putin sofisticate si nu fac obiectul nici unui tratament particular, conditiile d utilizare fiind putin constrangatoare.Ele au tensiuni VR cuprinse intre 50 si 1000V aproximativ, si curentii IF merg de la 1A pana la mai multe sute de amperi.
Inaintea sistemului de redresare exista aproape intotdeauna un transformator care serveste la scaderea tensiunii alternative utilizate(montajele electronice functioneaza adesea la tensiuni de polarizare mergand de la cativa volti la cativa zeci de volti) si care serveste de asemenea la izolarea montajelor de tensiunea de 220V care poate sa faca rau atat montajului electronic, in cazul unor defectiuni de componente utilizate pentru aducerea acesteia la o valoare potrivita pentru realizarea alimentatorului, cat si utilizatorului, prin electrocutare.
Redresare simpla alternanta.
Este redresarea cea mai simpla care exista: cand tensiunea la bornele transformatorului Vt depaseste tensiunea de prag a diodei, aceasta conduce, lasand sa treaca curentul direct prin sarcina.Tensiunea la bornele sarcinii Vr este atunci egala cu tensiunea la bornele transformatorului, mai putin tensiunea directa VF prin dioda.


Fig. 13. Redresarea monoalternanta(cu o dioda).
Cand tensiunea la bornele transformatorului devine inferioara tensiunii de prag, dioda se blocheaza: nu mai subzista decat curentul de fuga(invers) care este neglijabil in comparatie cu curentul direct.
Tensiunea la bornele diodei este atunci egala cu cea de la bornele transformatorului( va trebui deci aleasa o dioda care sa aiba o tensiune inversa VR cel putin egala cu amplitudinea tensiunii din secundarul transformatorului) iar, bineinteles pe sarcina tensiunea va fi zero.De fapt, pentru tensiuni mai de redresat(zeci de volti) diagrama din fig.13 este sufficient de exacta.In cazul unor tensiuni mai mici, sau pentru rigoare trebuie precizat ca forma de unda pe rezistenta de sarcina este decalata cu 0.6V in jos adica alternanta pozitiva va fi cu 0.6V mai mica decat amplitudinea sinusoidei din secundarul transformatorului iar alternanta negativa va avea 0.6V(bineinteles decupata in sinusoida de baza).
Redresare dubla alternanta.
Cu transformator cu priza mediana.


Fig. 14. Redresare cu priza mediana.
Montajul precedent prezinta inconvenientul de anu lasa sa treaca decat o singura alternanta.
Pentru a remedia acest inconvenient se utilizeaza un transformator cu priza mediana si doua diode montate ca in figura 14.
Asa cum am precizat la redresorul monoalternanta, caderea de tensiune pe dioda devine importanta pentru tensiuni alterantive mici(4V spre exemplu).
In acet caz, totul se petrece casi cum am avea doua montaje identice cu cel din fig.13 care functioneaza pentru alternanta pozitiva si altul pentru cea negativa.Se poate vedea din fig.15 si 16 ca curentul de sarcina este totdeauna orientat in acelasi sens ceea ce face ca si caderea de tensiune pe aceasta sa fie de acelasi sens pentru ambele alternante(de fapt acesta este si scopul redresarii).De aceasta data se observa din fig.14, sub axa nu vom mai avea tensiune pentru nici o alternanta, in schimb amplitudinea tensiunii redresate va fi cu 0.6V mai mica dacat amplitudinea sinusoidei de baza.

Fig.15. Alternanta pozitiva.

Fig. 16. Alternanta negativa.
In acest caz diodele sunt mai solicitate decat pentru montajul simpla alternanta: de exemplu dioda care nu conduce(fig.16) vatrebui sa suporte o rensiune inversa egala cu suma dintre tensiunea U din infasurarea secundara corespunzatoare( cu + in
jos, conform conventiei) si caderea de tensiune pe rezistenta de sarcina(cu + spre dreapta), deci o tensiune aproape dubla ca la simpla alternanta.
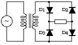
Cu punte Graetz.


Fig.17.Redresarea cu punte.
Exista o alta maniera de a face redresare dubla alternanta, fara utilizarea unui transformator cu priza mediana: se utilizeaza un trasformator cu o singura infasurare secundara si 4 diode montate in punte, ca in fig.17.Marele avantaj al puntilor redresoare este ca acestea sunt disponibile in comert ca atare si permit sa se reduca numarul de componente a montajului.In plus transformatorul este si mai simplu dar si cu un numar mai mic de spire in secundar la aceeasi tensiune redresata.
Astfel, cand tensiunea in
sec.transformatorului este pozitiva(ca in fig.18)
conduc diodele innegrite(polarizate direct) iar cand tensiunea este
negativa(fig.19) conduc celelalte diode(innegrite in fig.19).se observa ca
sensul curentului prin rezistenta de sarcina este acelasi pentru ambele
alternante deci si sensul caderii de tensiune pe aceasta(redresare). 
Fig. 18. Alternanta positiva.

Fig.19. Alternanta negativa.
Fiecare dioda, in acest caz , nu are de suportat, ca tensiune inversa, decat amplitudinea tensiunii din secundarul transformatorului minus 0.6V, cat cade pe dioda in conductie(spre deosebire de montajul cu priza mediana, unde diodele trebuie sa suporte ca tensiune inversa de doua ori amplitudinea).In schimb, in acest caz, in serie cu sarcina sunt doua diode in conductie directa si deci puterea disipata si deci pierduta este de doua ori mai mareca in cazul precedent.
Ce solutie trebuie aleasa.
Cand exista posibilitatea, se va prefera solutia transformatorului cu priza mediana, pentru mai multe ratiuni:
-acest tip de transformator nu este mult mai scump decat cel cu secundar simplu(cateva grame de bobinaj in plus si inca o borna scoasa la iesire).
-cu un transformator simplu secundar nu se poate realiza o alimentare cu sursa dubla simetrica decat pentru puterifoarte mici.
-faptul ca diodele trebuie sa reziste la o tensiune inversa dubla nu este o problema deoarece, de cele mai multe ori, tensiunile redresate sunt mult mai mici decat VR minima a diodelor disponibile in comert.
-in montajul in punte sarcina este flotanta in raport cu transformatorul , ceea ce este de multe ori jenant.
Din cele de mai sus ar putea rezulta ca cel mai utilizat montaj este cel de redresare dubla alternanta cu priza mediana. In realitate, datorita simplitatii, la puteri relativ mici, se utilizeaza montajul in punte, chiar si atunci cand acesta utilizeaza transformator cu priza mediana, pentru a se obtine tensiune dubla simetrica pentru alimentarea, de obicei, a montajelor cu amplificatoare diferentiale.
Filtraj.
Montajele precedente livreaza tensiuni redresate dar nu continue.Pentru a obtine otensiune quasicontinua este sufficient de a monta un condensator in parallel cu sarcina.
In cazul unei redresari simpla alternanta.
Aici, sarcina este absolut oricare, si poate fi un montaj electronic complex avand un consum de current aleatoriu.


Fig. 20.Filtraj la oredresare simpla alternanta.
Pe graficul din partea de jos a fig.20 se vede punctat tensiunea redresata asa cum ar fi fara condensator.Cu linie continua se vede tensiunea filtrata.In cazul in care sarcina este mica(adica de rezistenta mare) atunci condensatorul se va incarca la valoarea amplitudinii tensiunii redresate(cu o mica eroare) deci la o valoare egala cu valoarea efectiva a tensiunii de redresat(masurata cu voltmetrul de current alternativ de valoare efectiva) inmultita cu radical din 2.Cu cat sarcina este mai mare cu atat "dintii de fierastrau"(linia continua din fig.20) vor fi mai mari( deci filtrarea este mai slaba).In aplicatii mai pretentioase acest lucru nu este tolerabil si se recurge la o marire a capacitatii care va reusi sa micsoreze "riplul" adica tensiunea filtrata va avea o componenta alternativa suficient de mica .Se poate observa insa ca in acest caz, desi tensiunea este quasicontinua, ea este dependenta de sarcina, adica va fi cu atat mai mica pe masura maririi sarcinii.Pentru aplicatii in care se doreste o tensiune continua fara riplu dar si stabil;a se utilizeaza stabilizatoarele de tensiune pe care le vom studia mai tarziu.
Pe acest grafic, se observa ca derscarcarea condensatorului este liniara ceea ce in realitate este diferit, dar aproximarea este sufficient de exacta pentru a explica simplu fenomenele din acest montaj.
Simplist, functionarea este urmatoarea: cand tensiunea la bornele transformatorului este superioara tensiunii de la bornele condensatorului dioda conduce.Transformatorul trebuie atunci sa furnizeze current atat pentru alimentarea sarcinii cat si pentru reancarcarea condensatorului.
Caind tensiunea transformatorului devine inferioara celei a condensatorului plus tensiune a de prag a diodei dioda se blocheaza.Ansamblul condensator/sarcina formeaza atunci o bucla izolata de transformator, curentul prin sarcina fiind furnizat numai de condensator.
Deci condensatorul se comporta ca un generator de tensiune, el restituind energia acumulata in faza precedenta.
De notat ca tensiunea la bornele condensatorului fiind in permanenta apropiata de tensiunea de varf(amplitudinea) a secundarului transformatorului, in timpul alternantei negative dioda va suporta de doua ori amplitudinea, ca tensiune inversa.
Calculul condensatorului.
In literatura, se gaseste de obicei calculul condensatorului pentru o sarcina rezistiva.Descarcarea este atunci exponentiala si calculul este inutil de complicat.
Acest calcul este departe de nevoile reale: in general, nu se realizeaza alimentatoare continue pentru a debita pe rezistente ci alimentatoarele redresate si filtrate sunt urmate de regulatoare de tensiune care sa fie in stare sa mentina aceeasi tensiune chiar si pentru sarcini complexe avand un consum variabil.
Pentru a face calculul condensatorului, se va considera deci descarcarea condensatorului la curent constant, curentul utilizat in calcul fiind considerat maximul consumat de sarcina.Criteriul de alegere nu va fi factorul de ondulatie(masura riplului) care adesea nu are nici o utilitate practica, ci o cadere de tensiune maxima admisibila pe condensator pentru ca montajul conectat in aval se functioneze corect.
Cu aceasta ipoteza calculul condensatorului devine foarte
simplu: se considera ca acest condensator C se descarca la curentul Imax
constant timp de
T
si caderea de tensiune inferioara lui
V.
Relatia este atunci urmatoarea:
![]()
Timpul
T
ales se va aproxima cu o perioada a sinusoidei.In practica, condensatorul se
derscarca intr-un timp mai scurt(fig.20), deci va
trebui sa-l supradimensionam putin.
Eroarea comisa este de fapt foarte mica prin comparatie cu dispersia pe care o vom avea asupra rezultatului datorita tolerantelor componentelor si in primul rand al condensatoarelor de filtraj: se utilizeaza condensatoare electrolitice care au o toleranta foarta larga(-20%/+80%) si nu exista toate valorile de capacitati ci doar unele care se incadreaza in niste serii(1; 1.5; 2.2; 3.3; 4.7; 6.8).Transformatoarele au si ele o dispersie importanta, asa ca in final, mai bine ca acest condensator sa fie prevazut mai mare dacat sa avem surprise.
Pentru o redresare simpla
alternanta a unei tensiuni provenite de la retea (50 Hz),
T
va fi deci 20ms.valoarea condensatorului va fi deci:
![]()
Va trebui sa alegem un condensator care sa suporte cel putin tensiunea de varf din secundarul transformatorului in gol(tensiunea in secundar va fi mai mica in sarcina deoarece o parte va cadea pe rezistenta interna a transformatorului).
Redresare dubla alternanta.
Ipotezele vor fi aceleasi ca mai inainte.Singura diferenta va fi
T
care va fi de doua ori mai mic deoarece fiind o redresare dubla alternanta
frecventa tensiunii redresate va fi dubla fata de cea a tensiunii sinusoidate
de baza. Formula de calcul a condensatorului devine:
![]()
Ca si in formula [4], F este
frecventa retelei(50 Hz in
La caderi de tensiune egale, condensatorul va fi deci de doua ori mai mic decat pentru redresarea simpla alternanta, ceea ce este interesant daca tinem cont de relatia dintre dimensiune si valoarea capacitatii acestora este o relatie aproape liniara).


Fig. 21Redresare dubla alternanta si filtrare.
Functionarea diodelor si a transformatorului.
Se poate remarca din fig.20 si 21 ca diodele nu conduc in timpul intregii alternate a tensiunii redresate(in afara de primele alternante pana se incarca condensatorul) ci un timp foarte scurt fata de aceasta alternanta.
Energia care este restituita de catre condensator sarcinii in portiunea de cadere a tensiunii secundare sub tensiunea de pe condensator trebuie stocata din nou in condensator in aceasta perioada scurta de conductie a diodelor.
Consecinta ce rezulta de aici este ca pentru a asigura un anumit current mediu in sarcina, ansamblul transformator si diode va trebui sa debiteze un current de varf mult mai intens decat curentul mediu , pe perioada de conductie a diodelor(aproximativ de 15 ori curentul mediu).A se vedea fig.22

fig.22. Forme de unda pentru tensiunea filtrata si curentul de incarcare alcondensatorului.
Caderea de tensiune pe diode va fi in acest caz importanta(mai aproape de 1V decat de 0.6V), la fel ca si caderea de tensiune pe rezistenta interna a transformatorului deci aceste consideratii nu vor trebui pierdute din vedere cand vom dori sa calculam corect un alimentator.
O alta consecinta o constituie momentul alimentarii transformatorului: in primul moment, inainte de incarcare, condensatorul se comporta ca un scurtcircuit si deci curentul va fi limitat o perioada scurta numai de rezistenta interna a transformatorului(cateva zecimi de ohmi la cativa ohmi) si rezistentele dinamice ale diodelor(de acelasi ordin de marime ca rezistenta interna a transformatorului).In acest caz deci, diodele vor trebui sa suporte acest current(parametrul IFSM).
Alimentarea dubla simetrica
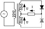
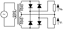
Daca se analizeaza functionarea redresorului dubla alternanta cu priza mediana se observa ca fiecare secundar debiteaza curent doar o singura alternanta.Cealalta alternanta va fi susceptibila de a furniza un current negativ.Plecand de la aceasta constatare, se poate imagina usor o alimentare dubla, simetrica , cu 4 diode dispuse in punte: doua diode vor conduce alternantele pozitive si celelalte doua, alternantele negative.Priza mediana va fi potentialul comun al celor doua tensiuni(masa) si in acest fel se vor obtine 2 tensiuni, una pozitiva fata de masa iar alta negativa fata de aceeasi masa.

Fig. 23. Alimentare dubla simetrica.
Se poate evident pune cate un condensator la bornele fiecarei sarcini pentru a filtra tensiunile redresate obtinute.Aceste alimentari sunt de neevitat in montajele simetrice(amplificatoare diferentiale tranzistorizate, amplificatoare operationale).
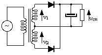
Dublorul de tensiune.
In unele aplicatii, e posibil sa fie nevoie de tensiuni continue foarte ridicate( cateva mii de volti).Acestea s-ar putea obtine si cu un transformator ridicator classic urmat de o redresare sio filtrare dar exista o solutie mai simpla si mai ieftina, realizabila numai cu diode si condensatoare: acesta este asa numitul dublor de tensiune.
Montajul din fig.24 se descompune in doua parti: redresare/filtrare prin celula D1/C1, apoi detectorul de varf prin celula D2/C2.


Fig. 24 Dublor de tensiune Schenkel.
La bornele condensatorului C1,
daca rezistenta de sarcina este infinita, tensiunea va
ramane
A carei valoare de varf este de doua ori mai mare decat tensiunea de varf a transformatorului.
Este sufficient sa se filtreze aceasta tensiune la valoarea sa de varf cu D2 si C2: se obtine astfel o tensiune continua egala cu de doua ori tensiunea de varf a transformatorului.
Continuand rationamentul si adaugand alte cellule asemanatoare cu cea a dublorului, se pot obtine dubloare , triploare etc. de tensiune.
Aceste montaje sunt utilizate, printre altele pentru generarea tensiunilor de accelerare la tuburile cinescop(2-5kV).Este de remarcat ca aceste montaje nu pot furniza curenti mari deoarece tensiunile mari puse in joc nu permit utilizarea unor condensatoare prea mari(condensatoarele chimice, care sunt singurele ce pot avea valori mai mari de zeci de microfarazi nu functioneaza la tensiuni prea mari-de regula sub 100V-) si deci sunt destinate unor aplicatii quasistatice, in care conteaza tensiunea si mai putin curentul furnizat.
DIODE CU AVALANSA CONTROLATA.
Diodele redresoare standard nu sunt garantate pentru o functionare la tensiuni inverse mai mari decat cele specificate.daca se utilizeaza diode standard in medii parasite, este posibil sa se depaseasca pe perioade foarte scurte tensiunea inversa maxima si sa se distruga dioda.Unele aplicatii au nevoie de diode care sa reziste la astfel de tensiuni inverse mari pe perioade foarte scurte.
Caracteristici fizice.
Cu avalansa controlata este fabricata din siliciu de o mai buna calitate decat diodele standard: o mai buna omogenitate a cristalului, limitarea curentului de fuga prin prelucrarea ulterioara foarte ingrijita.rezistivitatea siliciului este astfel mai omogenam si cand fenomenul de avalansa se produce acesta se produce in tot volumul cristalului care astfel poate sa suporte puteri foarte ridicate timp de cateva zecimi de microsecunda (µs
In plus, aceste diode sunt foarte sever selectate pentru a detecta eventualele defecte de fabricatie.Se specifica de asemenea, in plus fata de IR si VR standard si tensiunea inversa maxima pentru un curent invers maxim dat.
Protectia impotriva tensiunilor.
Una din aplicatiile diodei cu avalansa controlata este utilizarea in medii parasite: supratensiunile foarte scurte(cateva µs. ) de o amplitudine superioara lui VR a unei diode poate aparea: dioda va trece prin avalansa si va limita tensiunea parazita.Acest fenomen nu va fi destructive caci dioda este conceputa pentru functionarea in avalansa fara sa se distruga.Exista o dubla functionare de autoprotectie(dioda nu se distruge) si de protectie a mediului incare functioneaza aceasta dioda(eliminarea supratensiunilor).
Punerea in serie a diodelor.
Atunci cand este nevoie de diode cu tensiunea inversa mare si nu se doreste utilizarea unor diode speciale (scumpe si dificil de procurat) se pot pune in serie mai multe diode astfel ca suma VR a acestora sa depaseasca tensiunea inversa maxima necesara.Aceasta metoda nu trbuie insa folosita in orice conditii deoarece uneori e nevoie de cunostinte avansate de electronica pentru a rezolva correct problema(datorita dispersiei tehnologice a diodelor este posibil ca pe una din ele sa cada o tensiune mai mare la acelasi current si sa apara avalansa care in cazul diodelor obisnuita este distructiva.)
DIODE REDRESOARE RAPIDE
Notiuni generale.
Noi am mentionat deja fenomenul de difuzie la traversarea jonctiunii PN: electronii majoritari din zona N traverseaza jonctiunea si tind sa neutralizeze golurile din zona P si viceversa.
Cand onctiunea este polarizata direct, campul electric extern se opune campului electric intern creat de ionii deposedati de electronul lor liber(zonaN) sau golul lor liber(zona P) si permit astfel o mai mare difuzie a purtatorilor majoritari in regiunea de tip opusa unde ei devin minoritari.Ei se recombina atunci cu o sarcina de semn opus.
Acest fenomen de recombinare nu este instantaneu: purtatorii au o durata de viata egala cu aproximativ 1ms in cazul siliciului.Exista deci in crystal sarcini in exces de o parte si de alta a jonctiunii de maniera sarcinilor pe armaturilor unui condensatorSe asociaza astfel acestei sarcini, numita sarcina stocata, o capacitate numita capacitate de difuzie.
Daca se inverseaza brusc polaritatea la bornele diodei pentru ao bloca, acesti purtatori se vor comporta de aceeasi maniera ca si purtatorii minoritari in regimul invers stabilit:ei vor fi atrasi de partea cealalta a jonctiunii de campul electric extern si vor forma un current intens care se va adauga curentului de fuga Is pana cand sarcina stocata va disparea.
Acest current va descreste pana va deveni nul pe timpul unei perioade numita timp de reincarcare invers.
Sarcina stocata este cu atat mai importanata cu cat dopajul este mai important.Dopajul intervenind direct in conductibilitatea cristalului, se pune problema pentru diodele de putere care necesita o conductivitate si deci un dopaj important.Pentru a diminua sarcina stocata in aceste componente se utilizeaza capcane recombinante, care sunt adesea atomi de aur.Ei diminuiaza durata de viata a purtatorilor ceea ce induce o sarcina stocatamai slaba.
Utilizare.
Aceste diode sunt utilizate in electronica de putere peste tot unde trebuie comutati foarte rapid curenti importanti.Ele sunt complemementul indispensabil al tranzistoarelor rapide.
Diodele standard sunt inutilizabile in acest caz caci ele sunt prea lente.in timpul comutarii tranzistoarelor, ele se vor comportaca scurtcircuite ceea ce va antrena supracurenti in tranzistoare si distrugerea lor mai mult sau mai putin rapida.
DIODE DE SEMNAL.
Diodele studiate pana acum sunt utilizatela curenti si tensiuni destul de mari.
Diodele de semnal sunt utilizate in aplicatii de nivel mic al curentilor si tensiunilor.
Caracteristici fizice .
Diodele de semnal nu au nevoie sa reziste la tensiuni mari inverse: din constructie ele vor putea avea o capacitate parazita slaba si deci vor putea functiona la frecvente ridicate.
Aceste caracteristici sunt obtinute gratie unei suprafete a jonctiunii, reduse si datorita unui dopaj foarte slab(diminuarea sarcinii stocate).
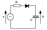
Detectorul de varf.
Acest dispozitiv permite memorarea valorii de varf a unui semnal.El este foarte utilizat in instrumentatie in asa numitele circuite de esantionare-memorare.
Acesta este in fapt un redresor simpla alternanta ci filtraj a carui sarcina este quasinula(de obicei sarcina o constituie o intrare de amplificator operational si aceasta fiind foarte mare, practice, descarcarea condensatorului nu este facuta decat de curentul de polarizare al AO care poate fi de ordinul picoamperilor, deci foarte mic.
Astfel, condensatorul se incarca la valoarea de varf(mai putin tensiunea de prag a diodei) si ramane incarcata la aceasta valoare.
Rezistenta R serveste pentru limitarea curentului de incarcare a condensatorului la o valoare rezonabila pentru generatorul care-l ataca.
Cand tensiunea este superioara tensiunii la bornele condensatorului U plus tensiunea de prag a diodei aceasta conduce si incarca condensatorul prin rezistenta R.


Fig. 25. Detector de varf.
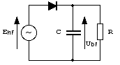
Detectie AM.
In radiodifuziune, nu se pot emite correct semnale audio(20Hz-20kHz) direct sub forma unei unde radioelectrice: acest semnal audio trebuie modulat cu un semnal de inalta frecventa(fig.26.).

Fig. 26.Modulare semnal.

Fig. 27.Detector.
Semnalul de inalta frecventa(cateva sute de kHz) care se numeste purtator este modulat in amplitudine de catre semnalul audio(joasa frecventa) de emis.La sosire (la receptor) aceste doua semnale trebuie separate.Asta se face simplu cu o dioda si un condensator(fig.27).

Fig. 28.Semnal demodulat.
Fara rezistenta R, vom avea un
detector de varf ca cel studiat anterior.Aceasta rezustenta se determina astfel
incat
Termometre.Compensarea termica.
O utilizare importanta a diodei o constituie folosirea ei in realizarea traductoarelor de temperatura sau pentru compensarea termica a derivelor unor montaje cu tranzistoare. Se stie ca tensiunea directa a unei jonctiuni PN este afectata de un coefficient de temperatura negativ de aproximativ -2mV/°C.
Unele montaje cu tranzistoare necesita oderiva minima cu temperatura.Se poate ajunge la compensarea acestei derive cu ajutorul unei diode cuplate termic cu tranzistorul si plasata judicios in circuitul de baza .(acest mod de utilizare se va studia in capitolul despre tranzistoare.).
Aceasta deriva cu temperatura a tensiunii de prag a diodei poate de asemenea sa fie folosita pentru realizarea traductoarelor de temperatura, utilizate la randul lor pentru realizarea unor termometre a unor termostatari sau in multe circuite integrate pentru realizarea autoprotectiei.
DIODE SPECIALE.
DIODE ZENER.
Caracteristica.

Fig. 29. Caracteristica unei diode Zener.
Noi am vorbit deja de efectul Zener.El priveste caracteristica inversa a unei diode.In direct o dioda Zener se comporta ca o dioda normala de proasta calitate.
Invers, in cazul acestor diode se procedeaza prin constructia in asa fel incat efectul Zener sa nu fie distructiv si in plus acesta sa se produca la o tensiune determinate.caracteristica inversa prezinta deci o alura de generator de tensiune cu o slaba rezistenta interna(asa cum este de dorit).
In general, constructorii specifica:
-tensiunea de avalansa Vzt pentru curentul determinat Izt .
-in acest punct de functionareVzt / Iz, se da rezistenta dinamica a diodei rzt.
-Curentul Izm pentru care puterea disipata in componenta va fi maxim admisibila.
-se indica de asemenea coeficientul de variatie cu temperatura a tensiunii Vzt.
Schema echivalenta.
Pentru a simplifica calculele s pentru dioda se va defini o schema echivalenta care se apropie de realitate.
Schema echivalenta este urmatoarea:

Fig. 30.Schema echivalenta a diodei Zener.
Se defineste o tensiune de prag
Vzo si o rezistenta interna
Aceasta schema va fi utilizata cu multa prudenta la zenerele de joasa tensiune(<5V): pragul lor este rotunjit si rezistenta dinamica variaza mult cu curentul.Pentru tensiuni superioare lui 5V, nu vor fi in general probleme.
Stabilizatorul de tensiune.
Pornind de la caracteristica generatorului de tensiune, aceste diode sunt ideale pentru stabilizarea tensiunilor continue avand o ondulatie reziduala neneglijabila(cazul tensiunilor redresate si filtrate).

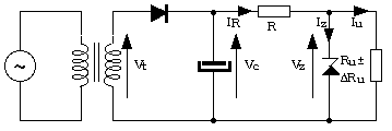
Fig. 31.Stabilizatorul de tensiune.
Este necesar de a intercala o rezistenta (ca in fig.31), sau un generator de curent(in cazul unor stabilizatoare mai pretentioase intre generatorul de tensiune filtrata si dioda Zener: aceste doua elemente(generator si dioda Zener) avand rezistente interne foarte mici bransarea directa poate duce la distrugerea elementului mai slab.Pentru ca dioda Zener sa functioneze ca stabilizator trebuie sa treaca prin ea un curent nenul Iz, in permanenta indiferent de variatiile de tensiune ale generatorului ce furnizeaza tensiunea de stabilizat sau de sarcina.
Rezistenta R asigura rolul de polarizare a diodei zener. Iz nu trebuie sa depaseasca Izm, pentru a nu se distruge componenta.
R Vc-Vz)/Iz cu Iz<Izm(Izm-din catalog)

Fig. 32. Schema echivalenta a stabilizatorului.
Atunci cand polarizarea este corecta, se poate face schema echivalenta a montajului.Tensiunea de intrare a stabilizatorului a fost scindata intr-o tensiune continua(tensiunea medie la bornele condensatorului) si o tensiune alternativa(riplul).Se pot defini doi coeficienti de stabilizare pentru a caracteriza acest montaj.In sfarsit, stabilizatorul este departe de a fi perfect si tensiunea de iesire o sa varieze atunci cand tensiunea de intrare si/sau sarcina vor varia.Se disting doi coeficienti:
Stabilizare in amonte:
acest coeficient este reprezentativ pentru sensibilitatea montajului la
variatii de tensiune nestabilizate la sarcina constanta.Daca se utilizeaza
notatiile din fig.32 este vorba despre raportul(
Vz/
Vc)Iu
= cte.
Stabilizare in aval
: acest coeficient este
reprezentativ pentru variatia tensiunii de iesire cand variaza curentul de
sarcina(Ru variaza cu ±
Ru),
si tensiunea de intrare este constanta.Este vorba de raportul(
Vz/
Iu)Vc
= cte, de fapt, impedanta de iesire.Acest parametru este foarte important in
toate regulatoarele de tensiune.
Pentru a calcula acesti coeficienti este mai simplu de a utiliza schema echivalenta de semnal mic.Se elimina mai intai toate sursele de tensiune continua.

Fig. 33. Schema echivalenta de semnal mic.
Pentru coeficientul de stabilizare amonte rezulta:
![]()
Cum in general Ru >> Rz, aceasta formula devine:
![]()
se vede dilema: cu cat R este mai mare, cu atat stabilizarea amonte este mai buna, dar din pacate pentru a mentine un curent suficient de mare prin Zener tensiunea filtrata trebuie sa fie mai mare si pe aceasta rezistenta se va pierde multa energie.
Pentru a elimina si aceste inconveniente, de obicei in loc de rezistenta de polarizare R se foloseste un generator de current constant care are o rezistenta interna foarte mare(cel ideal o are chiar infinita).
Coeficientul de stabilizare aval este egal cu impedanta de iesire a montajului: asta este chiar rezistenta generatorului Thévenin echivalent:
![]()
R fiind adesea mult mai mare decat Rz, se obtine:
![]()
In acest caz, nu exista mare lucru de sperat pentru a ameliora aceasta valoare in afara de a adauga alte componente active ca tranzistoarele, de exemplu.
In general, se adauga uneori un condensator in paralel cu Zenerul: impedanta sa va diminua pe cea a montajului le frecvente inalte.Este astfel avantajos daca montajul alimentat are un consum de curent cu componente de inalta frecventa.Acest condensator diminueaza de asemeni zgomotul intern al zenerului care este destul de important.
In practica, aceste regulatoare sunt utilizate in montaje simple necesitand un curent mic.
|