Colegiul Tehnic DECEBAL Grupa...........................
Drobeta Turnu Severin Elevi...........
Prof.CRISTINA CĂVESCU ............
Lucrare de laborator 838j921i nr. 1
CIRCUIT ELECTRIC
Obiective:
Sa se cunoasca elementele unui circuit
Sa se masoare tensiunea cu voltmetru
Sa se masoare intensitatea cu ampermetru
Sa se cunoasca elementele necesare unei instalatii pentru a aprinde un bec
Instrumente necesare Multimetru digital
Schema electrica

Schema topografica:


Tabel de rezultate:
|
Nr. crt |
Tensiune electrica U (V) |
Intensitate electrica I (mA) |
|
|
|
|
|
|
|
|
|
|
|
|
|
|
|
|
ATENŢIE !!!!!
Colegiul Tehnic DECEBAL Grupa...........................
Drobeta Turnu Severin Elevi...........
Prof.CRISTINA CĂVESCU ............
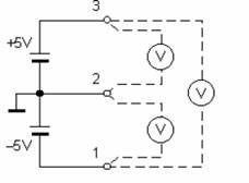
Lucrare de laborator 838j921i nr. 2
Generatori īn serie
Obiective:
Sa īnteleaga functionarea a doua generatoare īn serie
Instrumente necesare Multimetru digital
Schema electrica

Schema topografica:

Tabel de rezultate:
|
Nr. crt |
U32 (V) |
U21 (V) |
U31 (V) |
U31 = U32 +U21 (V) |
|
|
|
|
|
|
|
|
|
|
|
|
|
|
|
|
|
|
|
|
|
|
|
|
ATENŢIE !!!!!
|