ALTE DOCUMENTE
|
||||||||||
MASURAREA PARAMETRILOR R,X,Z
Parametrii electrici R,X,Z reprezinta marimi care caracterizeaza
proprietatile unor elemente de circuit (rezistoare, bobine, condensatoare) de a
disipa sau absorbi energie electromagnetica sub diferite forme (caldura,
energie electrica sau magnetica) si in cantitati ce depind de constructia
elementului, de parametrii curentului electric care il parcurge (frecventa,
amplitudine, forma) si de factorii de mediu.

Se masoara astfel in c.c.
rezistenta electrica a rezistoarelor si bobinelor (la temperatura ambianta sau
temperaturi corespunzatoare regimului de functionare) sau rezistentele de
izolatie si rezistentele dielectricilor condensatoarelor. In c.a. se masoara
impedanta si componentele sale (modulul si argumentul sau partea reala si
partea imaginara) pentru bobine si condensatoare.
Elementele de circuit sunt in mod uzual dipolare,
caracterizate prin:
(4.1)
cu :
(convenabila
pentru bobine)
sau
(4.2)
cu
, corespunzator
schemei derivatie (convenabila pentru condensatoare).
In situatii particulare se mai pot masura impedantele unor
multipoli:
- impedanta tripolara - fig.4.1,b - definita ca raport intre tensiunea de
intrare UA0 dintre borna A si borna de masa O si 12512o1419m curentul de
scurtcircuit IB0 SC dintre borna B si 0 - fig. 4.1.b;
- impedanta cuadripolara - fig 4.1,a - definita ca raport intre tensiunea la
bornele de iesire in gol UCD gol si curentul de intrare IAB
(utila la masurarea impedantelor mici).
Metodele folosite pentru masurarea parametrilor R,X,Z pot fi
grupate in:
- metode directe - utilizând aparate construite pentru a indica marimile
respective;
- metode de punte;
- metode indirecte - prin utilizarea unor relatii de calcul continând marimi
masurate direct (I,U,P, instalatii folosind metode de zero, compensatie,
rezonanta).
4.1 Masurarea rezistentelor
4.1.1 Metode directe
Se folosesc aparate denumite ohmetre care indica
direct valoarea rezistentei masurate. Peste 104 - 106 W ?se numesc
megohmetre. Se compun in principal dintr-o sursa de tensiune continua si un
dispozitiv magnetoelectric cu bobina simpla sau cu bobine incrucisate
(logometre), ultimul având avantajul de a da indicatii neinfluentate de
variatiile sursei de alimentare.
4.1.1.1 Ohmetre

Se construiesc cu mili- sau
microampermetre magnetoelectrice cu bobina mobila simpla, iar ca surse de
alimentare se folosesc baterii uscate de 1,5.30 V, montate in interior. Pâna la
rezistente relativ mari (10.104 W) se folosesc scheme
interioare serie, iar pentru rezistente mici (sub 10.102 W) scheme
derivatie.
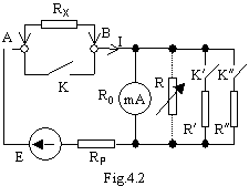
Schema serie se da in fig.4.2 .
Curentul I prin miliampermetru, neglijând curentul prin R,
este:
(4.3)
unde:
R0 este rezistenta bobinei mobile a miliampermetrului;
RP este o rezistenta aditionala.
Rezulta:
(4.4)
unde K1 si K2 pot fi considerati constanti.
Observatii:

- scara aparatului - fig.4.3 - este neuniforma
(hiperbolica), cu o densitate a gradatiilor mai mare catre
;
- scara este gradata invers, având la mijloc reperul corespunzator rezistentei
interne a ohmmetrului Ri:
(4.5)
(4.6)
Aceasta valoare determina
domeniul de utilizare (0,1.10)Ri. De ex., pentru E = 3 V si un aparat cu I0
= 30 mA, rezulta Ri = E/I0 = 100 kW ;
- un inconvenient al acestei variante este dependenta deviatiei de t.e.m. E a
sursei. Pentru compensarea scaderii acestei tensiuni, la ohmetrele cu baterii
uscate se prevede rezistenta R de reglaj a indicatiei rezultate pentru RX
= 0 (K inchis), reglajul de zero fiind obligatoriu inainte de citirea
valorii masurate pe oricare din domeniile de masurare. Acest reglaj nu e
necesar la ohmetrele electronice, care contin generator de curent constant;

- extinderea domeniului de masurare se face
prin suntarea miliampermetrului cu rezistentele R' si R', rezultând domenii cu
rezistente interne micsorate.
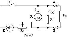
Schema derivatie (fig.4.4).
Curentul I este:
(4.7)
Sau, explicitând pe a
(4.8)

cu K1,K2 constante.
Scara este tot neliniara, insa gradata in sensul normal
crescator (fig.4.5): pentru R = (A,B libere) deviatia este maxima, adusa la maximul scarii prin
reglarea rezistentei Rp, iar pentru RX = 0 (A,B scurtcircuit),
deviatia este nula.
Extinderea domeniului se obtine prin suntarea instrumentului
cu R', rezultând domenii cu rezistente interne micsorate.
Precizia ohmetrelor in zona mijlocie a scarii este de 0,5.2
% din lungimea totala a scarii.
Se poate demonstra ca eroarea minima la masurarea
rezistentelor cu ohmetrul serie este de circa 4 ori mai mare decât indicele de
clasa al microampermetrului folosit:
(4.9)

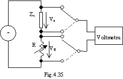
Raportul
este egal
cu
. Se poate lucra:
- cu R=cst., citind Vz la VR constant;
- cu R variabil, reglat astfel ca Vz = VR; in acest
caz,
.
|