Temperatura este marimea fizica ce caracterizeaza starea de incalzirea a unui corp.
O serie intreaga de procese tehnologice din industria metalurgica, chimica, constructoare de masini, etc. sunt puternic influentate de temperatura, de aceea masurarea cu precizie a acestui parametru are o importanta deosebita.
Aparate pentru masurarea temperaturilor
Toate proprietatile fizice ale corpurilor depind, intr-o masura mai mica sau mai mare, de temperatura, insa, pentru masurarea acesteia, se aleg, pe cit posibil, proprietati care variaza in acelasi sens cu temperatura, nu sunt supuse influentei altor factori si se pot masura cu precizie. Proprietatile care corespund acestor conditii sunt : dilatatia volumica, aparitia fortelor termoelectromotoare, varia 222g66c tia rezistentei electrice si variatia intensitati de radiatie si ele stau la baza constructiei aparatelor pentru masurarea temperaturilor tabel 1)
|
Nr Crt |
Tipul de aparat |
Principiul de masurare |
|
|
Termometrul de dilatatie cu lichid |
Dilatarea unui lichid intr-un tub capilar sub actiunea caldurii |
|
|
Termometrul mecanic de dilatatie |
Dilatare diferentiata a doua corpuri sub actiunea caldurii |
|
|
Termometre manometrice |
Variatia de presiune intr-un recipient inchis |
|
|
Termometre cu rezistenta electrica |
Variatia rezistentei electrice a unui conductor aflat sub actiunea caldurii |
|
|
Termometre termoelectrice (termocupluri) |
Aparitia unei forte electromotoare prin incalzirea sudurii dintre doi electrozi diferiti |
|
|
Pirometre |
Variatia intensitatii de variatie a unui corp incalzit, datorata schimbarii de temperatura acelui corp |
|
|
Termometre cu radiatii infrarosii |
Receptionarea de informatii asupra starii de incalzire a corpului folosind sistemul de amplificare a luminii prin emisie stimulata de radiatii (laser) |
|
|
Termoculori |
Schimbarea culorii substantelor indicatoare sub actiunea caldurii |
Termometre de dilatare cu lichid.
Termometrele cu lichid sunt formate dintr-un tub capilar de sticla terminat la partea inferioara printr-un mic rezervor de forma alungita sau sferica umplut cu mercur, alcool sau alt lichid termometric. Tubul capilar este inchis la capatul superior, dupa ce a fost vidat. Sub efectul cresterii sau scaderii temperaturii, lichidul se dilata sau se contracta, avind ca efect urcarea , respectiv coborirea coloanei de lichid in tubul capilar, de-alungul unei scari gradate (fig 25)
Termometrele cu mercur sunt folosite pentru masurarea temperaturilor ridicate, in timp ce termometrele cu alcool pot masura temperaturi joase .
FIG 25
2.Termometre mecanice de dilatare
termometrul cu tija (fig 26) este compus din tubul 1, cu coeficient de dilatare ά1 si din tija 2, cu coeficient de dilatare ά2 mult mai mare decit ά1. introducind termometrul in mediul a carui temperatura o masuram, tija se va dilata si va deplasa acul indicator pe scara gradata. Diferenta de dilatare optima se poate obtine daca, de exemplu, tubul este din portelan iar tija din aluminiu.
termometrul bimetalic este alcatuit dintr-o lama bimetalica incastrata la un capat si libera la celalalt. Lama se obtine prin sudarea a doua lamele metalice, 1 si 2, cu coeficienti de dilatare diferiti. Prin incalzire lama se indoaie deoarece lamela 2 se alungeste mai mult decit lamela 1 . pe acest principiu se bazeaza termometrul cu lama bimetalica in forma de « U » din fig 27. daca termometrul este incalzit lama va tinde sa se indrepte, capatul liber se va ridica, deplasind acul indicator pe scara gradata.
FIG 27 FIG
26
Functionarea termometrului manometric se bazeaza pe faptul ca, variatia de temperatura a mediului pentru care efectuam masurarea determina in mod proportional o modificare a presiunii fluidului din interior. Variatia de presiune produce deformarea elementului elastic, deformare care este amplificata si transmisa la acul indicator.
Termometrele manometrice sunt folosite pentru masurarea temperaturii la masini si agregate mobile sau fixe.
De asemenea, ele servesc la indicarea temperaturii in cazul cind aceasta marime nu indeplineste un rol principal in functionarea masinii, ci este numai un indicator al bunei functionari.
FIG 28
4.Termometre cu termocupluri
Functionarea acestui tip de termometre se bazeaza pe proprietatea pe care o au doua metale sudate intre ele la capete, de a produce o tensiune electrica, atunci cind capetele sudate se gasesc la temperaturi diferite.
Tensiune electrica rezultata se numeste tensiunea elctromotoare si ea depinde de diferenta de temperatura dintre cele doua capete.
Termometrul cu termocuplu este un ansamblu de masurare compus din elementul sensibil si un aparat indicator conectate prin intermediul conductoarelor electrice (fig 29).
5.Termometre cu rezistenta electrica (termorezistente)
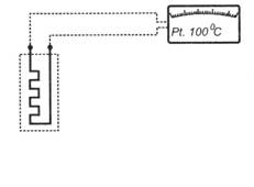
Functionarea acestor termometre se bazeaza pe proprietatea unor conductoare electrice de a-si modifica rezistivitatea electrica odata cu modificarea temperaturii mediului in care se gasesc. Constructiv, termometrul are ca parte componenta principala un element sensibil numit termorezistenta. Acesta este format dintr-un conductor subtire metalic, in forma de fir sau panglica, bobinat pe un suport izolant.
Cele mai utilizate materiale sunt : platina, cuprul, nichelul si fierul. In figura 30 este reprezentata schema unui termometru cu rezistenta electrica.

FIG 29 FIG 30
6. Termometre cu radiatii infrarosii
Acestea sunt aparate moderne, cu precizii ridicate, concepute sa masoare temperatura la suprafata diferitelor materiale cum ar fi : asfaltul, materiale ceramice, suprafete vopsite, suprafete metalice oxidate, materiale de constructie, etc.
In figura 31 este prezentat un termometru cu radiatii. Acesta are afisare digitala a rezultatelor si sistem de vizare foarte precis.
Termoculori
Pentru masurarea temperaturii pieselor in miscare sau a pieselor supuse frecarii, precum si a distribuirii temperaturii pe suprafetele intinse ale conductoarelor sau ale carcaselor de motoare, si vopsele indicatoare de temperatura (fig 32).
Exista substante indicatoare reversibile care isi modifica culoarea la incalzire, dar la racire revin la culoarea initiala si substante ireversibile care, la racire, nu revin la culoarea initiala, ele aratind deci temperatura maxima atinsa de piesa in timpul procesului de incalzire.
FIG FIG 31
|