Materiale si aparate electrice de joasa tensiune
Retelele electrice de joasa tensiune , analizate din punct de vedere a structurii lor , în capitolele anterioare, sunt executate cu materiale si aparate electrice adecvate.
Materialele electrice reprezinta în primul rând, caile de curent, respectiv conductoarele electrice , dar si accesoriile de montaj ale acestora ( tuburi izolante, cutii de derivatie, mansoane ,etc.) ..
Aparatele electrice, pe lânga functia naturala de cale de curent au si un rol functional bine definit ( conectare, protectie, masura. etc. ).
11.1. Materiale electrice .
11.1.1. Conductoare si cabluri electrice .
Definitii ; simbolizari ; tipuri .
Conductorul electric este un corp metalic , care constituie o cale unica de curent, formata din unul (conductor unifilar ) sau mai multe fire (conductor multifilar). In functie de forma sectiunii, conductorul poate fi rotund sau sector , obtinut prin presare .
Conducta electrica, este o notiune complexa, cu care este definita o cale de curent formata din conductoare ( unul sau mai multe ) , izolate , cu sau fara învelisuri sau mantale .
Cablul electric este un ansamblu format din unul sau mai multe conductoare izolate înfuniate dupa un anumit sistem, având mantale individuale sau comune , cu eventuale învelisuri de protectie, armaturi sau ecrane .
Daca materialul din care este confectionat conductorul, este aluminiul, atunci prima litera este Ap .
Simbolurile conductoarelor si cablurilor trebuie sa cuprinda, în ordine cel putin:
- litera sau grupul de litere de mai sus ;
- simbolul învelisurilor ce le contine, solutia de realizare a acestora ( de la conductor spre exterior ) ;
Simbolizarea cablurilor electrice de energie se face astfel :
- C - cablu de energie la începutul simbolului sau cauciuc pentru litera a doua din simbol ;
H - hârtie impregnata
M pentru instalatii mobile ;
I - iuta
E - ecran ;
- A - aluminiu la începutul simbolului si armatura la sfârsit ;
- Y - material plastic pentru izolatie sau manta ;- P - plumb .
Exemplu : simbol ACYY 3 x 25 + 16 - cablu de energie cu izolatie si manta din pvc, cu trei conductoare , din aluminiu cu sectiunea de 25 mm2 si un conductor cu sectiunea 16 mm2 .
Invelisul exterior al cablului se alege în functie de mediul în care se pozeaza, respectiv PVC în cazul mediilor agresive , cauciuc pentru receptoare mobile, plumb pentru medii cu vibratii, etc.

Fig11.1. 1-conductor d cupru sau aluminiu ;2-izolatie de cauciuc ;3-banda cauciucata ;-4-împletitura de bumbac impregnat în amestec bitumin 333f53d os 5-împletitura din fibre metalice;6-izolatie de hîrtie;7-izolatie de PVC
a)-cablu cu conductor din cupru sau aluminiu izolat cu cauciuc;b) cablu cu conductor din cupru armat;c) cablu cu conductor din cupru sau aluminiu izolat cu cauciucsi rezistent la intemperii;d)- conductor în manta de cauciuc cu execusie mijlocie; e)-conductor plat pentru corpuri de iluminat;f)-conductor punte cu izolatie din PVC.

Fig.11.2
De regula, se folosesc cabluri nearmate, cele armate folosindu-se în tunele, canale, poduri, în exterior, sub pamânt, în apa si în încaperi cu pericol de explozie sau incendiu, precum si în medii puternic corozive .
Cablurile de masura, comanda, semnalizare se executa cu un numar de 2 - 51 conductoare de cupru , izolate individual si cu sectiuni cuprinse între 0,75 - 6 mm2. Pentru aceste cabluri, se utilizeaza urmatoarea simbolizare :
- C - cablu la începutul simbolului, respectiv comanda pentru a doua litera din simbol ;
- S - semnalizare, centralizare, blocare ;
- B - armatura din banda
- M - masura ;
- Y - material plastic ;
- I - protectie cu iuta sau izolant ;
- T - telefonie .
Cablurile pentru teletransmisii se realizeaza cu un numar de 6 - 1224 perechi de conductoare din cupru, cu sectiunea de ( 0,6 - 0,9 ) mm2, fiind prevazute cu izolatii si protectii, eventual armaturi, ca în cazul cablurilor de energie .
11.1.2. Tuburi izolante si de protectie .
Pentru protejarea împotriva loviturilor mecanice si actiunii mediului ambiant, conductoarele se trag în tuburi de protectie alese în functie de numarul si sectiunea conductoarelor si de gradul de protectie pe care trebuie sa-l asigure . Intr-un tub se introduc un numar de 1-7 conductoare izolate
Tuburile se monteaza îngropat sau aparent, pe suporti necombustibili si la distanta de sursele de caldura
Din punct de vedere constructiv, tuburile pot fi cu manta rigida si respectiv tuburile flexibile .
Utilizarea tuburilor de protectie la realizarea retelelor electrice necesita si o serie de accesorii cum ar fi mansoane de legatura, coturi, curbe, doze de ramificatie, de trecere sau de aparat.
a) - Tuburile cu manta rigida sunt realizate din metal sau PVC si se folosesc urmatoarele tipuri :
- Tubul de protectie ( P ) este realizat din tabla de otel laminat la rece (îmbinat prin suprapunerea marginilor si lacuit în interior si exterior împotriva coroziunii. Asigura numai protectia mecanica a conductoarelor. Se monteaza numai aparent în încaperi uscate, fara praf sau agenti corozivi. La montare se utilizeaza o serie de accesorii : doze de ramificatie din fonta sau tabla de otel, curbe , coturi si mansoane de legatura, scoabe .
- Tubul izolant usor protejat (IP) este realizat din tabla de otel plumbuita cu grosime de 0,15 - 0,22 mm si îmbinata prin faltuire. In interior se introduce un tub izolant din carton impregnat cu bitum industrial. La montare se folosesc ca accesorii dozele tip IP , coturi , mansoane.
- Tubul izolant , de protectie, etans ( IPE ) este realizat din tabla de otel laminat la rece , îmbinata prin sudare pe generatoare asigurând o buna protectie mecanica si etanseitate. La exterior , aceste tuburi se lacuiesc cu lac protector contra coroziunii, iar în interior se introduce o izolatie din carton impregnat cu bitum. Pentru ansamblare se utilizeaza mansoane si coturi filetate, precum si doze din fonta cu garnituri din cauciuc pentru etansare. Se monteaza aparent sau îngropat , în încaperi cu pericol de explozie sau incendiu, unde nu se pot folosi tuburile P si IP .
- Tevile de otel se utilizeaza în instalatiile electrice în locurile care necesita o protectie mecanica superioara sau o executie perfect etansa, ori atunci când este nevoie de diametre mai mari de 35 mm.
- Tubul de protectie etans, lacuit ( PE ) se realizeaza din banda de otel laminata la rece si îmbinata prin sudura pe generatoare, asigurând astfel protectie mecanica si etanseitate . La exterior se lacuieste pentru protectia anticoroziva. Imbinarile se realizeaza cu mufe filetate sau nefiletate prin lipire.
- Tuburile din PVC rezista la actiunea coroziva a principalilor agenti chimici si a materialelor utilizate în constructii ( var, ciment , ipsos, etc.), ard numai la flacara întretinuta, nu absorb apa si suporta îndoiri de 900 cu o raza minima de trei ori diametrul exterior . Se monteaza îngropat sau aparent, dar numai pe suporturi necombustibile . Nu se utilizeaza la instalatii cu siguranta marita în functionare, precum sunt : iluminatul de siguranta, alimentarea si comanda pompelor de incendiu, instalatiile de semnalizare a incendiilor.
- Tubul izolant, usor protejat ( IPY ) se foloseste în locul tubului IP în încaperi U0 sau U1 , fara pericol de incendiu sau explozie si cu temperaturi cuprinse între - 25 - + 400 C.
- Tubul izolant , de protectie, etans ( IPEY ) se foloseste ca si tubul IPY.
b) - Tuburile flexibile se utilizeaza pe traseele sinuase si expuse vibratiilor.
- Tubul izolant, usor protejat, flexibil ( IPF ) este realizat din banda de otel plumbuita, înfasurata în elice si prevazut în interior cu captuseala izolanta din banda de hârtie impregnata în doua straturi în elice .
- Tubul izolant si de protectie, flexibil, cu rezistenta mecanica (IPFR) este confectionat din doua fâsii de tabla din otel plumbuit, înfasurate elicoidal si prevazute la interior cu un strat de hârtie izolanta înfasurata tot elicoidal.
Se foloseste în conditii similare ca si tubul IPF în locurile unde este necesara o rezistenta mecanica sporita.
- Tubul de protectie, flexibil, cu rezistenta mecanica ( PFR ) are doua învelisuri flexibile din banda de otel plumbuit , înfasurat în elice, între care se dispune o banda de hârtie impregnata.
Se utilizeaza în medii umede , dar necorozive, pe trasee su solicitari mecanice de pâna la 3 daN/cm2 .
11.2. Aparate electrice de joasa tensiune .
11.2.1. Consideratii generale . Tipuri de aparate .
Din definitia retelei electrice [15] , " ansamblu de linii si instalatii electrice conectate între ele , care folosesc la transmiterea energiei electrice de la producere la consum ", rezulta ca aceasta este formata din elemente care asigura transmiterea propriu -zisa a energiei electrice - liniile electrice - si puncte de conexiuni - " un ansamblu unitar de dispozitive, aparate si echipamente care asigura exploatarea retelei, în sensul conectarii liniilor electrice, a surselor si receptorilor, a protejarii acestora si a masurarii marimilor ce le caracterizeaza functionarea în regim normal si de defect ".
Respectiv, daca reteaua electrica este în primul rând o cale de curent, prin care energia este transmisa de la surse la receptori, pentru asigurarea acestei functii obiective,
( asigurarea parametrilor de calitate [11] ) , în contextul larg al activitatii de exploatare a unei retele electrice, este necesara si o activitate de conducere si deservire operativa [12] , care se bazeaza pe posibilitatea de coordonare, control si observare a acesteia [19] .
Pentru ca o retea electrica sa poata fi controlata sunt necesare echipamente electrice cu care sa se închida ( conecteze ) si sa se deschida (deconecteze) circuite electrice ( surse, linii electrice, receptori ), când acestea sunt parcurse de curenti normali sau de defect . Echipamentul electric cu care se asigura aceasta activitate este diferit ca : aparate electrice de conectare si separare [15].
Însa , conectarea si deconectarea unui circuit, respectiv controlul sau, este necesar în regim normal ( când este expus unor marimi electrice ce au valori în limite normale) dar si în regim de defect ( când marimile electrice au valori diferite, respectiv solicitarile sunt mult mai mari.
Datorita solicitarilor diferite, corespunzatoare celor doua regimuri si aparatele electrice necesare activitatii de control, trebuie sa aiba caracteristici diferite . Ca urmare , în practica exploatarii unei retele electrice, aparatele electrice cu care se asigura controlul acestora în regim normal, sunt diferite ca aparate electrice de conectare si separare, iar cele cu care se asigura controlul în regim de defect sunt definite ca aparate de conectare de protectie .
Evident, un aparat de conectare poate asigura atât controlul în regim normal cât si în regim de defect, daca are caracteristicile electrice corespunzatoare .
La rândul sau, activitatea de control poate avea scopuri diferite în functie de natura elementului retelei electrice , la care se refera. Astfel, controlul unui receptor consta în comanda acestuia în scopul pornirii , opririi, inversarii sensului de rotatie, etc., în conformitate cu o anumita functie scop determinata de rolul functional al acestuia. Evident , pentru un receptor este necesar si controlul în scopul protejarii lui.
Activitatea de control a unei linii electrice (latura a retelei) nu are ca scop o anumita functie de comanda , ci doar punerea si scoaterea ei de sub tensiune, în scopul asigurarii tensiunii la consumator .
Din acest motiv, aparatele electrice cu care se asigura controlul elementelor unei retele electrice, are, de regula, caracteristici diferite de cele cu care se asigura controlul ( comanda ) receptorilor .
In scopul asigurarii activitatii de exploatare a unei retele electrice, respectiv a coordonarii si controlului, aceasta trebuie sa aiba si posibilitatea de a fi supravegheata ( observata).
Multimea marimilor ce trebuie observate ( supravegheate ) în timpul activitatii de exploatare a unei retele electrice, este formata din valorile marimilor electrice ( în regim normal si de defect ), din pozitia aparatelor electrice de conectare, separare si protectie, precum si din marimi ce evidentiaza cauzele ce au determinat un anumit eveniment ( de ex. actiunea unui aparat de conectare, de protectie ).
Ca urmare, o retea electrica trebuie sa fie prevazuta cu aparate si instrumente electrice de masura, semnalizare si protectie .
Aparatele electrice de protectie,(denumite RELEE) cu care se asigura observarea unei retele, sunt cele care au rolul de a sesiza, indentifica si localiza un regim de defect si de a transmite aceasta informatie unui aparat capabil sa actioneze în scopul protejarii retelei ( sau unui element al acestuia ), respectiv unui aparat de conectare de protectie.
Pe seama celor de mai sus , aparatele electrice de joasa tensiune utilizate în realizarea retelelor electrice, respectiv a punctelor de conexiuni (nodurilor ) si care asigura conducerea si deservirea operativa a acestora, se clasifica astfel:
a) aparate electrice de conectare si separare ;
b) aparate electrice pentru comanda motoarelor electrice ;
c) aparate electrice de conectare de protectie ;
d) aparate electrice de masura ;
e) aparate electrice diverse .
11.2.2. Caracteristicile aparatelor electrice .
Datorita solicitarilor electrice, mecanice si de mediu la care este expus un aparat electric, acesta trebuie sa aiba caracteristici corespunzatoare locului din retea în care va fi montat.
Pe seama solicitarilor electrice prezentate în cap.11 si a caracteristicilor mediului ambiant , rezulta ca un aparat electric este necesar sa fie caracterizat prin urmatoarele trei tipuri de caracteristici :
I. Caracteristici electrice :
a) curentul nominal ( In ) , este valoarea maxima de durata pe care o poate suporta calea de curent a aparatului electric, respectiv valoarea curentului ce asigura stabilitatea termica în regim de lunga durata ( 11.36.) Aceasta valoare este indicata de producator pentru anumite conditii de mediu ;
b) tensiunea nominala ( Un ) este determinata de nivelul de izolatie al aparatului, dimensionata sa asigure protectia împotriva atingerilor indirecte ( a carcasei ) ;
c) rezistenta de izolatie , caracterizeaza calitatea izolatiei si determina pierderile de energie electrica transversale, limiteaza posibilitatile de electrocutare în cazul unei atingeri directe sau indirecte în retele cu neutrul izolat . Normativele impun ca valoarea acestei rezistente sa fie de cel putin 10 M în stare uscata si de 2 M în cazul starii umede a izolatiei aparatului ;
d) capacitatea de rupere , reprezinta valoarea maxima a curentului pe care îl poate întrerupe aparatul de conectare . Valoarea capacitatii de rupere este cuprinsa între : zero ( în cazul aparatelor de conectare de separare ) ; In , în cazul aparatelor de conectare care au rolul de comanda si punere sub tensiune (întrerupatoare cu pârghie ) si ( 5 - 40 ) In , în cazul aparatelor de conectare de protectie ;
e) curentul limita
termic ( Ilt ) , reprezinta valoarea maxima a curentului
pe care o poate suporta aparatul în regim de scurta durata, un timp tlt
, respectiv, care asigura conditia :
(11.1.)
Daca aceste valori nu sunt indicate de producator se considera :
Ilt = 10 . In si tlt = 1 sec .
f) curentul limita dinamic ( Ilt ) este valoarea maxima a curentului pe care o poate suporta aparatul fara a se deteriora , datorita solicitarilor electrodinamice produse de curentii ce-l strabat, respectiv se impune conform (7.611.) :
Ilt ≥isoc (11.2.)
g) rezistenta nominala la uzura electrica, reprezinta capacitatea pieselor cu care se realizeaza contactele electrice , fig. 11.7.b., de a rezista actiunii curentului si a arcului electric . Se exprima în procente din rezistenta la uzura mecanica si exprima câte comutatii suporta camera de stingere a aparatului.
II. Caracteristici mecanice .
a) Rezistenta nominala la uzura mecanica, reprezinta numarul de actionari pe care-l suporta aparatul, în gol. Aceasta este o caracteristica a mecanismului de actionare a aparatului ;
b) Durata relativa nominala de conectare, exprima în procente durata trecerii curentului ( t conectat , fig.11.4. ) pe parcursul unui ciclu ( t ciclu, fig.11.4)
si este specifica , asa cum s-a aratat în paragraf 11.2.2.1., aparatelor de conectare cu functionare ciclica.
III. Caracteristici constructive , caracterizeaza aparatul din punct de vedere a conditiilor de mediu în care poate functiona, a asigurarii securitatii personalului ce îl deserveste, precum si protectia sa intrinseca .
Codul utilizat este IP, ca si în cazul tuburilor izolante si de protectie , urmat de doua sau trei cifre , având urmatoarea semnificatie [33] :
- prima cifra cu valori cuprinse intre 0-6 , caracterizeaza :
a) Gradul de protectie împotriva accesului la partile periculoase interioare, de exemplu :
0 - neprotejat ;
1 - protejat împotriva accesului cu dosul palmei ;
2 - idem, cu un deget ;
6 - idem, cu o sârma .
b) Gradul de protectie împotriva patrunderii corpurilor straine, inclusiv praf , de exemplu :
0 - neprotejat ;
1 - protejat împotriva corpurilor solide cu diametrul mai mare de 50 mm;
2 - idem, cu diametrul mai mare de 12,5 mm ;
5 - protejat împotriva prafului ;
6 - etans la praf .
- a doua cifra , cu valori între 0 - 8, indica gradul de protectie asigurat, prin carcasare împotriva efectelor daunatoare asupra aparatului datorate patrunderii apei, de exemplu :
0 - neprotejat ;
1 - protejat impotriva caderilor verticale ale stropilor de apa ;
3 - protejat împotriva apei pulverizate ;
7 - protejat impotriva efectelor unei scufundari temporare în apa ;
8 - idem, prelungite în apa.
- a treia cifra, cu valori cuprinse intre 0 - 5 , caracterizeaza gradul de protectie mecanica
În cazul asigurarii protejarii prin carcasare pe lânga primele doua cifre, codul poate contine una sau doua litere dintre care prima se considera aditionala ( A,B,C,D), iar a doua suplimentara (H, M, S, W).
Litera aditionala arata gradul de protectie a persoanelor împotriva accesului la partile periculoase.
Literele aditionale se utilizeaza numai :
- daca protectia reala împotriva accesului la partile periculoase este mai ridicata decât cea indicata prin prima cifra caracteristica ;
- sau daca este mentionata numai protectia împotriva accesului la partile periculoase, prima cifra caracteristica fiind înlocuita printr-un X.
Exemplu :
- A - protejat împotriva accesului cu dosul mâinii ;
- B - idem, cu un deget ;
- C - idem, cu o scula ;
- D - idem, cu o sârma .
In [33] sunt indicate calibrele de acces, considerate în mod conventional ca parti reprezentative ale corpului uman, sau a obiectelor tinute în mâna de catre o persoana, cu care se verifica un anumit grad de protectie .
Litera suplimentara, permite ca în standardele specifice de produs sa se poata adaoga o informatie suplimentara si se amplaseaza dupa a doua cifra caracteristica sau dupa litera aditionala.
Exemplu :
- H - aparat de înalta tensiune ;
-M - încercare de verificare a protectiei împotriva efectelor daunatoare datorate patrunderii apei , efectuata la echipamente care au parti mobile în miscare ( de ex. rotorul unei masini electrice );
- S - idem, cu parti mobile stationare ( de ex. statorul unei masini electrice) ;
- W - echipament conceput sa poata fi utilizat în conditii atmosferice specifice si unde sunt prevazute masuri sau procedee suplimentare de protectie.
Pentru aparatele care lucreaza în medii cu gaze sau vapori explozivi s-au stabilit grade speciale de protectie.
Pentru aparatele electrice folosite de publicul larg, din punct de vedere a modului în care se asigura protectia împotriva electrocutarii, exista o clasificare speciala .
Marcarea bornelor.
- Bornele unui aparat electric se marcheaza cu litere si simboluri pentru a usura efectuarea legaturilor .
- Bornele aparatului electric care se leaga la sistemul trifazat al sursei de alimentare se marcheza cu literele R,S,T.
- Începutul înfasurarilor unui motor electric, sau bornele aparatului ce se leaga la acestea se marcheza cu literele A,B,C.
- Sfârsitul înfasurarilor unui motor electric sau bornele aparatului electric ce urmeaza sa se lege la acestea se marcheaza cu literele x,y,z fig. 11.9.c.
- Borna aparatului electric
sau a unui receptor , care se leaga
la pamânt sau la conductorul de nul de protectie ( PE ) se
marcheza cu simbolurile
┴ ,┴ .
![]()
11.2.3. Aparate electrice de conectare si separare .
Asa cum s-a aratat , aceste aparate au rolul de a conecta si deconecta ( controla ) circuite electrice parcurse de curenti cu valori de regim normal, inclusiv de suprasarcina si au urmatoarele caracteristici specifice :
- sunt comandate manual, de pe aparat sau de la distanta, în sensul ca , actionarea lor este determinata de actiunea voita a unui operator uman ( deoarece nu sunt prevazute cu dispozitive de comanda automata ) ;
- frecventa de manevra este relativ redusa .
a) Prize cu fise , au rolul de a alimenta receptori debrosabili, mono sau trifazati, de regula electrocasnici . Prin introducerea fisei receptorului electric în priza, se realizeaza , de regula, numai conectarea la reteaua electrica nu si comanda receptorului respectiv.
Comanda propriu -zisa ( controlul ) , se asigura cu aparate electrice de comanda montate pe receptorul electric.
Prizele cu fise pot fi fara , sau cu contact de protectie în care caz, contactul de protectie se realizeaza înaintea celor de alimentare cu energie elctrica.
Prizele bipolare necesare alimentarii receptorilor monofazati, au curentul nominal ( de conectare, deconectare ) de 10 A. Ca urmare, receptorii electrici monofazati, destinati a fi alimentati prin fise, de la prize bipolare, nu au ( sau nu trebuie sa aiba) o putere mai mare de 2 kVA .
Fisele bipolare se fabrica pentru doua game de curenti 6 A, respectiv 10A.
Prizele cu fise pentru alimentarea receptorilor electrici trifazati au o gama de
curenti nominali mai larga ( 6 - 63 A ).
O solutie particulara de realizare a unei prize cu fise o reprezinta cuplele, necesare alungirii unui curent electric .
Prizele cu fise , reprezentând contacte ce se realizeaza prin " introducere"
nu au practic capacitate de rupere. Curentul nominal reprezinta curentul admisibil al caii de curent, îndeosebi cel suportat de contactele electrice .
b) Intrerupatoare si comutatoare pentru comanda receptorilor de iluminat.
Întrerupatoarele electrice pentru comanda receptorilor de iluminat , pot fi mono , bipolare sau duble si comanda individual unul ( mono sau bipolare ) sau doua receptoare de iluminat .
Comutatoarele electrice asigura posibilitatea unei comenzi mai ample a unuia sau mai multor receptoare de iluminat.
Aceste aparate au tensiunea nominala de 250 V, curentul nominal de 10 A si o frecventa de conectare( comutatie electrica ) de 30 conectori /ora.
Fiind destinate uzului general, se impune montarea lor numai pe partea dinspre faza, pentru a sigura protectia impotriva electrocutarii în cazul interventiei la receptorul de iluminat. Capacitatea de rupere, egala cu valoarea curentului nominal, este asigurata pe seama unei anumite viteze de deplasare a contactului mobil, determinata de energia acumulata într-un resort, tensionat de actiunea operatorului uman.
a) Intrerupatoare cu pârghie , bi sau tripolare , acopera gama de curenti nominali
( 25 ÷ 1000 A) si se folosesc pentru punerea si scoaterea de sub tensiune a tablourilor electrice, pentru comanda în grup a unui numar mare de receptoare de iluminat, precum si pentru alimentarea unor receptori de forta . Capacitatea de rupere egala ca valoare cu valoarea curentului nominal este asigurata pe seama vitezei de deplasare a contactului mobil , actionat de energia acumulata într-un resort.
b) Intrerupatoare si comutatoare pachet .
Aceste aparate electrice de conectare au o forma speciala de realizare, prin suprapunerea pe un ax ( care le si actioneaza) a unor elemente identice . Contactele electrice fixe sunt amplasate pe un disc izolator din bachelita, iar cele mobile, din bronz fosforos , sunt solidare cu axul central. Intre maneta de actionare si axul central se monteaza un dispozitiv de sacadare cu resort care asigura si capacitatea de rupere nominala.
Prin realizarea unor legaturi exterioare, între contactele diferitelor pachete se poate obtine un comutator pachet, respectiv un întrerupator cu o functie mai complexa ( de ex. comutatorul stea - triunghi manual ).
c) Intrerupatoare si comutatoare cu came .
Constructiv, sunt similare cu cele pachet, însa axul central actioneaza o cama , care în functie de geometria contorului realizeaza o anumita succesiune de conectare a contactelor. Au tensiunea nominala de 220/380 V , o gama de curenti nominali de ( 16 ÷ 200 A ) si se folosesc în special pentru comanda receptorilor electrici. Capacitatea de rupere egala cu valoarea curentului nominal se asigura tot pe seama vitezei de deplasare a contactului mobil .
d) Separatoare electrice tripolare , sunt singurele aparate electrice care au rol numai de separare electrica, nu au capacitate de rupere , întrucât deplasarea contactului mobil se face cu viteza de manevrare a operatorului.
Se construiesc pentru curenti nominali de ( 200 ÷ 1000 A) si se monteaza numai în pozitie verticala, astfel încât sa se evite închiderea accidentala a contactelor .
11.2.4.Aparate electrice pentru comanda motoarelor electrice .
Comanda unui motor electric necesita doua sau mai multe din urmatoarele
operatii : pornirea, limitarea curentului de pornire, reglarea vitezei, inversarea sensului de rotatie, oprirea .
Un motor electric este alimentat de la un tablou electric secundar ( TS), fig.11.3., printr-un circuit electric. In TS , circuitul electric poate avea numai aparate de protectie, daca legatura este fixa ( nedebrosabila) , sau /si o priza cu fisa în caz contrar. Realizarea unei anumite functii de comanda, pentru utilajul antrenat de motorul electric, se asigura cu aparate electrice pentru comanda .
( AEC) montate pe utilaj direct accesibile celui ce exploateaza respectivul utilaj.

Fig.11.3
Datorita complexitatii utilajului, de regula ,acesta nu contine numai motorul electric ( sau motoarele electrice ), ci si alti receptori electrici si , ca urmare , pe utilaj se realizeaza un tablou electric aferent acestuia ( TU ) si care contine si aparate electrice necesare functiei de comanda .

Fig.11.4
Aparatul electric conceput si realizat pentru a permite comanda unui motor electric este contactorul electromagnetic, fig.11.4. Acesta închide sau deschide o serie de contacte de lucru ( CL - care au capacitate de rupere ) sau auxiliare (CA) , datorita deplasarii unei armaturi mobile Am, parte componenta a circuitului magnetic .
Armatura mobila, în mod normal, este tinuta departat de partea fixa a cicuitului
magnetic, datorita unui resort ( R) . Pentru a o atrage este necesara o forta electromagnetica Fem . Fx , produsa de câmpul magnetic determinat de curentul ce strabate bobina B . Evident, spre deosebire de celelalte aparate de conectare, contactorul
electromagnetic are numai o pozitie stabila, cea corespunzatoare lipsei curentului prin bobina. Mentinerea pe pozitia excitat, respectiv Am atrasa, se face numai daca Fem (I) > Fx, deci numai daca bobina B este conectata la o tensiune U > Ux, unde Ux este tensiunea ce determina prin B un curent Ix , care asigura conditia Fem ( I ) > Fx .
Pe seama celor de mai sus rezulta urmatoarele caracteristici ale unui contactor electromagnetic :
- actionarea se asigura prin încadrarea bobinei sale într-o schema electrica de alimentare si comanda ;
- mentinerea pe pozitia actionat are loc numai daca Ubobina > Ux = Ulimita - în functie de tipul schemei de comanda, la revenirea tensiunii cu valori peste Ux , bobina se poate repune sub tensiune, fig.11.5.a., sau nu, fig.11.5.b.
Varianta din fig.11.5.a. se poate utiliza în cazul în care contactorul alimenteaza receptoare care nu pornesc, iar cea din fig.11.5.b. în cazul în care se foloseste la comanda unui motor electric, deoarece asigura blocarea autopornirii la revenirea tensiunii, cerinta impusa schemelor electrice pentru alimentarea receptorilor de forta.
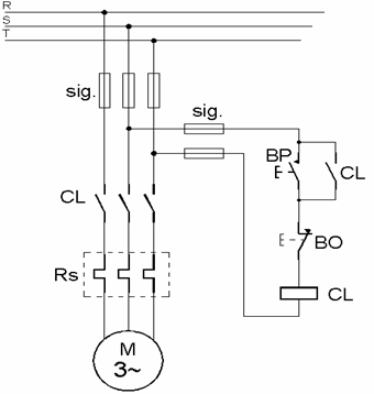
In acest scop s-a realizat si butonul special PO, dublu, cu un buton normal deschis ( P) si altul NI ( O), fiind necesara automentinerea comenzii P, cu un contact auxiliar ( CA ) al contactorului electromagnetic ;
- asigura inclusiv protectia la minima tensiune, necesara atât în reteaua electrica , cât si , îndeosebi , la receptoare .
In fig.11.6. se prezinta circuitul electric de alimentare a unui motor electric trifazat si schema electrica de comanda a contactorului electromagnetic, cu care se asigura pornirea si oprirea motorului, protectia la autopornire sau la reducerea tensiunii de alimentare sub valoarea Ux ( prin alimentarea schemei de comanda de la tensiunea de servici, din amonte de CL ) .
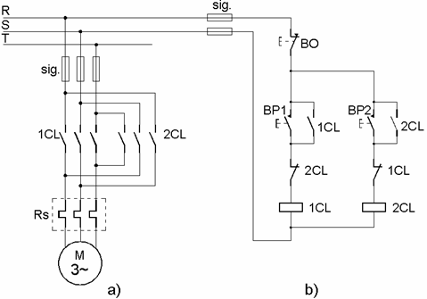
Pentru inversarea sensului de rotatie se foloseste schema de comanda din fig.11.7.b. aferenta circuitului de alimentare din fig. 11.7.a. si se bazeaza pe inversarea a doua faze

Fig.11.5
a sistemului electric trifazat de alimentare.
Reglarea vitezei motoarelor de curent alternativ se poate realiza în limite restrânse sau mai largi, în functie de tipul motorului [23] . Pentru motoarele asincrone, cu rotorul în scurtcircuit, utilizate pe scara larga în actionarile electrice, nu este posibila reglarea vitezei, decât în limitele variatiei alunecarii cu sarcina la arborele motor.
Limitarea curentului de pornire pentru un motor electric trifazat asincron, este necesara atunci când nu se asigura tensiunea minima la bornele altor motoare aflate în sarcina, fig.11.8., datorita caderii mari de tensiune determinate, pe reteaua electrica de alimentare, de catre curentul de pornire al respectivului motor, cumulata si cu caderea de tensiune determinata de curentii de sarcina ai motoarelor aflate în functiune ( mai mare de 12 %) .
Într-o asemenea situatie, daca cresterea sectiunii retelei nu este avantajoasa

Fig.11.6

Fig. 11.7.
economic, atunci se reduc caderile de tensiune prin reducerea curentului de pornire al respectivului motor electric ( MP1 , MP2 ).
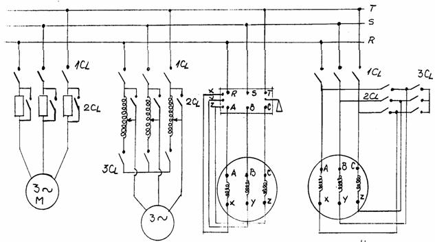
In principiu, reducerea curentului de pornire pentru un motor electric trifazat asincron cu rotorul în scurtcircuit este posibila , fie prin introducerea unor impedante de pornire ( Zp ) fig.11.8.a, fie prin reducerea tensiunii aplicate înfasurarilor. Reducerea tensiunilor aplicate unui autotransformator, fig.11.8.b., fie prin conectarea înfasurarilor la pornire si pentru o durata t, în stea, iar apoi în triunghi , fig.11.9 c,d.
În fig.11.9.c., conectarea celor trei înfasurari în stea , fig.11.10.b. si apoi în
triunghi, fig.11.10.c., se realizeaza cu un comutator stea triunghi manual, executat

Fig. 11.8
a) b) c) d)

Fig. 11.9

a) b) c)
Fig.11.10

Fig.11.11
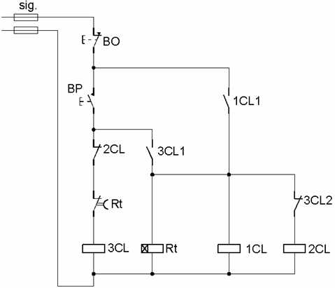
dintr-un întrerupator pachet pe care se executa si o serie de legaturi suplimentare. Trecerea din conexiunea stea în cea triunghi dupa un Δt ( necesar reducerii curentului de pornire pâna la valoarea ce determina reducerea caderilor de tensiune la valorile admisibile) în cazul comutarii manuale nu asigura o apreciere judicioasa a valorii lui Δt .Din acest motiv, se foloseste comutatorul stea - triunghi realizat cu trei contactori electromagnetici, fig.11.9.d. In acest caz, este necesara o schema de comanda pentru cei trei contactori electromagnetici, fig.11.11., care , cu ajutorul releului de timp Rt , asigura aprecierea corecta a lui Δt . La apasarea butonului P , se pune sub tensiune 3CL , iar prin închiderea contactului sau 3CL1 se pune sub tensiune 1CL si Rt , si ca urmare, motorul porneste în stea , fig.11.9.d, simultan începe masurarea timpului de conectare în stea , de catre contactul Rt1 normal închis cu temporizare la deschidere. Dupa Δt, Rt1 se deschide, scoate pe 3CL de sub tensiune, iar prin 3CL2 si 1CL1 se pune sub tensiune contactorul
electromagnetic 2CL , care conecteaza înfasurarile în triunghi.
Prin contactele 3CL2 si 2CL1 se asigura interblocarea între 3CL si 2CL pentru a evita punerea simultana a lor sub tensiune , ceea ce ar produce un scurtcircuit trifazat la bornele motorului, fig.11.9.d.
Schema de comanda din fig.11.11. se foloseste si în cazul utilizarii autotransformatorului de pornire, fig.11.9.b.
Se impune , însa , o precizare foarte importanta : limitarea curentului de pornire prin conectarea înfasurarilor în stea si apoi , pentru functionarea în regim normal ( de durata ), în triunghi , este posibila numai la motoarele care sunt proiectate sa functioneze în regim normal cu înfasurarile conectate în triunghi .
Autotransformatorul de pornire se poate utiliza atât în cazul pornirii motoarelor electrice a caror înfasurari sunt conectate în regim normal în stea , cât si în triunghi.
Diminuarea tensiunii aplicate unei
înfasurari, utilizând comutatorul stea - triunghi sau autotransformatorul
de pornire este de
ori , ( 0,6 U )
aceasta fiind si tensiunea minima de mentinere a armaturii
unui contactor electromagnetic.
11.2.5. Aparate electrice de conectare de protectie .
Aparatul electric de
conectare de protectie are rolul de a deconecta un circuit sau coloana electrica când
acestea sunt parcurse de un curent de suprasarcina sau de
defect care ar depasi limita stabilitatii termice sau
electrodinamice a elementului de retea aflat în aval de locul
sau de montare si în amonte de
un eventual alt aparat de conectare de
protectie fig.11.12.

Fig. 11.12
Aparatele electrice de conectare de protectie utilizate în retelele electrice de joasa tensiune sunt :- sigurantele fizibile ;
- întrerupatoarele automate .
Sigurantele fuzibile , reprezinta un punct slab creat în mod intentionat , care asigura protectia împotriva suprasolicitarilor termice prin autodistrugerea lor, prin fuziune termica. Elementul care se autodistruge termic este fuzibilul, care reprezinta calea de curent a sigurantei si se caracterizeaza printr-un anumit curent nominal. Prin introducerea fuzibilului într-un port-fuzibil ( patron , fig.11.13.a)., respectiv o camera de rupere a arcului electric, se asigura o anumita capacitate de rupere.

Fig.11.13.a
Datorita diversitatii mari a receptorilor electrici de joasa tensiune, caracteristicile sigurantelor fuzibile sunt foarte diverse, ceea ce a impus clasificarea lor din mai multe puncte de vedere si anume :
a) dupa domeniul de utilizare : - de uz casnic ; - semiindustriale ; - industriale.
b) solutia constructiva :- auto ; - mignon ; - cu filet ( normale ); - cu furci .
c) dupa capacitatea de rupere :
- mica ( auto, mignon ) ;
- medie (cu filet, casnic si industrial) ;
-cu mare putere derupereMPR(de uz industrial ).
d) dupa caracteristica de topire ( fuziune ) : - lente, fig.11.13.b(1)
- rapide, fig.11.13.b( 2)
- ultrarapide , fig.11.13.b(3).
Sigurantele fuzibile cu caracteristica de topire lenta , se folosesc pentru protectia circuitelor si coloanelor care pot fi parcurse de sarcini cu socuri (pornirea motoarelor) ; cele rapide în cazul unor sarcini constante si cu probabilitatea redusa de defect, iar cele ultrarapide în cazul protejarii unor receptori care practic nu au inertie termica ( elemente semiconductoare ).



Fig.13.13.b
Pentru sigurantele fuzibile se defineste curentul limita ( Il ) a carui valoare este : Il = ( 1,3 ÷ 1,6 ) Inf ( 11.3.)
si pe care fuzibilul trebuie sa-l suporte cel putin o ora .
Capacitatea de rupere a sigurantei fuzibile depinde de performantele camerei de stingere ( patron) respectiv de natura materialului de umplutura, în conditiile în care arcul electric se initiaza în centrul de greutate al patronului. Pentru asigurarea acestei conditii se impune stabilirea punctului de initiere a arcului electric astfel :
- în cazul fuzibilelor cu diametre mici, se depun pe acesta, în centrul de greutate al patronului o pastila de aliaj eutectic, care în stare calda se topeste si devine agresiv pentru materialul din care este realizat fuzibilul, reducându-si astfel sectiunea, fig.11.13.a;
- în cazul fuzibilelor cu sectiune mai mare , se realizeaza o sectiune variabila, respectiv mai mica în punctul în care se doreste initierea arcului .
O problema specifica comutatiei circuitelor electrice care au sarcini inductive o reprezinta limitarea supratensiunilor de comutatie, care sunt cu atât mai mari cu cât variatiile de curent sunt mai mari si mai rapide ( Ldi / dt ) .
Ca urmare, în cazul deconectarii sarcinilor inductive cu sigurantele fuzibile, se pune problema vitezei cu care se întrerupe a curentul electric. Aceasta depinde de caracteristicile materialului de umplutura din camera de stingere a arcului ( patron ), fig.11.13.
In cazul unui material de umplutura greu fuzibil, acesta nu se topeste odata cu fuzibilul, iar vaporii metalici ai arcului electric se împrastie printre granulele materialului de umplutura si se racesc, determinând stingerea rapida a arcului electric.
Daca materialul de umplutura este usor fuzibil, acesta se topeste odata cu fuzibilul,
stare în care devine bun conducator de electricitate, asigurând trecerea curentului si , ca urmare, stingerea arcului electric . Prin stingerea arcului electric, dispare sursa de caldura, materialul se raceste redobândindu-si calitatile electroizolante si ca urmare întrerupe lent curentul din circuit si reduce substantial supratensiunile .
Pentru reducerea supratensiunilor , unele sigurante fuzibile folosesc doua fire fuzibile în paralel, unul cu o rezistenta electrica de 30 de ori mai mare decât fuzibilul normal, ceea ce determina întreruperea curentului în doua trepte.
Evident, în urma actionarii unei sigurante fuzibile, se impune înlocuirea elementului sau fuzibil, împreuna cu patronul. Topirea elementului fuzibil este indicata cu un semnalizator, ce se poate îndeparta când fuzibilul este topit .
Intrerupatorul automat reprezinta aparatul de conectare de protectie propriu-zis, deoarece asigura protectia la suprasolicitari termice sau electrodinamice prin deconectarea circuitului, cu un aparat de conectare cu capacitate de rupere corespunzatoare, iar reconectarea se poate face practic imediat si de mai multe ori .
Pentru ca aparatul de conectare cu capacitate de rupere adecvata sa se deschida automat, trebuie sa primeasca o comanda de la un aparat electric de protectie, (RELEU) care are rolul de a sesiza, indentifica si localiza un regim de defect si de a transmite comanda aparatului de conectare.
Aparatele electrice de protectie (RELEELE) cu care sunt echipate întrerupatoarele automate de joasa tensiune sunt : - releele termice ( RT ) ;
- releele electromagnetice ( REM ) ;
- releele de minima tensiune ( RU ) .
Aparatul de conectare al unui întrerupator automat ( IA ) este astfel realizat încât ramân stabil pe ambele pozitii ( închis/deschis ) prin zavorâre mecanica.
Comanda de închidere sau deschidere se transmite asupra macanismului de zavorâre ( MZ ) al dispozitivului de actionare. Energia necesara actionarii contactului mobil ( cu o foarte mare viteza de deplasare ) se înmagazineaza într-un set de resoarte care sunt armate manual sau cu un motor electric ( M ).

Fig. 11.14.
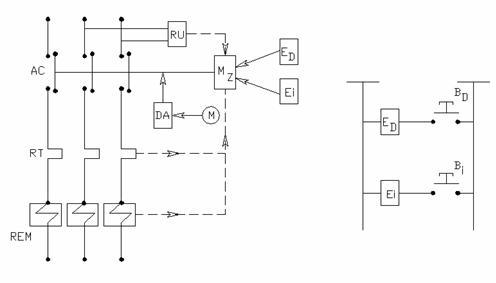
Schema electrica de principiu a unui întrerupator automat, în varianta cea mai complexa, este prezentata în fig. 11.14 în care cu AC s-a marcat aparatul de conectare, cu linie întrerupta actiunea mecanica a RT , RU si REM asupra mecanismului de zavorâre, cu DA dispozitivul de actionare, iar cu ED si Ei, electromagnetii cu care se asigura comanda de la distanta a IA , cu ajutorul unor butoane de comanda ( BD, Bi ).
Comanda manuala, de pe întrerupatorul automat a aparatului de conectare ( AC ), este posibila prin intermediul câte unui buton care actioneaza direct asupra Mz .
Caracteristica de actionare a unui întrerupator automat, fig.11.15. , rezulta din suprapunerea caracteristicii releului termic cu cea a releului electromagnetic,
Releul termic ( RT ) are o caracteristica de actionare dependenta de curent ( similara cu cea a unei sigurante fuzibile ), iar REM are o caracteristica de actionare independenta , respectiv actioneaza daca :
I > Ip REM ( 11.4.)
unde Ip REM este valoarea la care a fost reglat sa îsi atraga armatura mobila.
In domeniul de actionare al REM, RT nu actioneaza deoarece are un timp de actionare mai mare decât cel al REM , fig.11.15.
Intrerupatoarele automate pot avea sau nu releu de minima tensiune astfel :
-cele destinate protejarii motoarelor electrice au RU , pentru a asigura evitarea autopornirii ;
- cele destinate protejarii coloanelor electrice si in special RED nu au RU , sau este blocat,deoarece nu trebuie sa se întrerupa calea de alimentare cu energie, la disparitia protejat.
Intrerupatoarele automate se produc într-o gama larga de variante care tensiunii si eventuala ei reaparitie, din motive ce nu sunt proprii elementului acopera în primul rând gama de curenti nominali de la ( 6-4000 ) A, precum si diferite echipari cu relee si dispozitive de actionare .

Fig.11.15
Releele termice cu care se echipeaza un IA are urmatoarele caracteristici:
- curent de serviciu, valoare ce parcurge elementul bimetal în regim normal de functionare ;
- curent de reglaj (Ir) care tine seama de suprasarcinile din circuit si asigura urmatoarele cerinte :
- la o valoare de 1,05 Ir a curentului de sarcina nu trebuie sa actioneze timp de doua ore , pornit din starea initiala rece ;
- la o valoare de 1,2 Ir , actionarea se produce dupa 2 ore pornind din starea initiala rece
- la o valoare de 1,6 Ir actionarea se produce dupa cel mult 2 minute, pornind din starea calda;
la o valoare de 6 Ir ( specific pornirii motoarelor electrice ) actionarea se produce dupa ( 2 ÷ 5 ) secunde .
Intrerupatoarele automate cele mai des utilizate sunt :
- Intrerupatoare automate USOL ( ISOL ) care acopera gama de curenti ( 100 - 800 )A ;
- Intrerupatoare automate OROMAX pentru ( 500 - 4000 )A si care au o mare capacitate de rupere , fiind utilizate pentru protectia liniilor , transformatoarelor si a generatoarelor electrice .
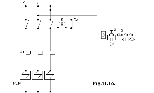
Contactoare cu relee
Prin asocierea unui contactor electromagnetic cu relee termice sau electromagnetice , se obtine un aparat de conectare de protectie , dar care asigura doar partial caracteristicile unui întrerupator automat . In primul rând, contactorul cu relee
nu este un aparat de conectare bistabil, aparatele de protectie actionând asupra aparatului de conectare la nivelul schemei de comanda , fig.11.16. In al doilea rând, contactorul electromagnetic fiind conceput pentru comanda unor receptoare, nu are capacitatea de rupere necesara întreruperii unor curenti de scurtcircuit . Din acest motiv, pentru a asigura cerintele unei IA, se asociaza contactorul electromagnetic echipat numai cu relee termice cu o siguranta fuzibila tip MPR, fig.11.17 a, contactorul cu relee asigurând conectarile de regim normal si de suprasarcina, în domeniul de actionare al
RT, fig.11.17 b, iar siguranta
fuzibila cu mare capacitate de rupere asigura ruperea curentilor
de scurtcircuit.


a) b)
Fig.11.17.
11.2.6. Aparate electrice de masura .
Cunoasterea de catre personalul de conducere si deservire operativa , precum si de catre consumatorii de energie electrica a valorilor marimilor electrice ce caracterizeaza regimul normal sau de defect al unei retele electrice este absolut necesara.
Marimile de baza necesare în conducerea operativa si controlul sarcinii sunt :
- tensiunea electrica în anumite puncte ale retelei ;
- curentul electric ce strabate anumite elemente ale retelei .
Prin interpretarea si combinarea acestor marimi se obtin valori ale altor marimi
( puteri, impedante, defazaje, etc.)
Determinarea, ( masurarea ) nemijlocita a acestor marimi se asigura cu instrumente sau echipamente de masurare. Pe seama principiului de functionare, a cerintelor ergonomice si de design al camerelor de comanda aceste instrumente si echipamente de masura sunt parcurse de curenti cu valoare limitata sau sunt expuse la tensiuni cu valoare redusa si cu dimensiuni relativ mici .
De regula, marimile electrice de masurat ( U, I ) nu sunt accesibile în camerele de comanda, sau au valori mari, ce nu pot fi direct accesibile unui instrument de masura.
Ca urmare, este necesar ca între instrumentele electrice de masura amplasate în puncte sau camere de comanda si marimile electrice de masurat cu valori mari si
existente în retelele electrice ( interioare sau exterioare ) este necesar sa se introduca aparate electrice de masura. Acestea au rolul de a modifica valorile reale ale marimilor electrice, neaccesibile direct instrumentelor electrice de masura si nici supravegherii directe ( la fata locului ) la valori direct masurabile si accesibile în puncte si camere de comanda.
Ca urmare, se impune o conditie axiomatica pentru un aparat electric de masura , care în sens figurativ ar însemna, sa existe, dar sa se comporte ca si cum nu ar fi , iar în sens tehnic, " sa nu introduca erori ".
Aparatele electrice cu care se pot modifica valorile marimilor electrice, tensiune si curent, asa cum este cunoscut, sunt transformatoarele electrice [23].
Însa, transformatorul electric de forta , fig.11.18, transforma valorile componentelor puterii, de la U1 , I1 , în primar, la U2 , I2 , în secundar, cu conditia conservarii puterii tranzitate S.
S = U1 I1 = U2 I2 ( 11.5.)
Se poate considera ca tensiunea U1 , cu valori mari , poate fi masurata prin intermediul tensiunii :
U2 = U1 I1 / I2 = U1 / k ( 11.6.)
unde k este raportul de transformare, însa , datorita caderilor mari de tensiune între

Fig.11.18.
U1 si U2 , aceasta egalitate aproximativa nu este acceptata în domeniul masurarii unor marimi electrice. Pentru a masura curentul electric, care în distributia la tensiune
constanta este specific fiecarui element al unei retele sau receptor electric, masurarea lui I2 prin intermediul lui I1 este cu atât mai putin posibila.
Ca urmare, a fost necesar sa se conceapa transformatoare electrice cu care sa se reduca valorile marimilor electrice, tensiune si curent, la valori direct accesibile instrumentelor de masura, reducere afectata, însa, de erori în limitele acceptate în domeniul masuratorilor electrice, respectiv, acestea sa aiba clase de precizie similare cu ale instrumentelor de masura.
Acest transformator, în principiu, este similar cu un transformator de forta, fiind expus, în primar, la tensiunea retelei, însa în secundar nu are ca sarcina receptori propriu-zisi, ci instrumente de masura a tensiunii ( numite tip voltmetru) .
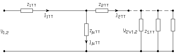
Pe seama schemei electrice echivalente tip cuadripol (T), fig.11.19, si a cerintelor de calitate privind valoarea tensiunilor U2V1 , U2V2 , în raport cu tensiunile de care sunt determinate ( U1 , U2 ) rezulta :
U2V = U1 - ( z1TT ( I1TT + IμTT ) + z2TT I2TT ) ( 11.7.)
Pentru ca U2V sa reproduca cât mai exact valoarea tensiunii U1 , este necesar ca :
z1TT ( I1TT + IμTT ) + z2TT I2TT = 0 ( 11.11.)
ceea ce impune ca : - I2TT sa aiba valori cât mai mici, respectiv impedantele de
intrare ale instrumentelor de masura sa fie cât mai mari având în vedere ca acestea se conecteaza în paralel ;
- I TT sa aiba valori cât mai mici, deci z TT sa fie cât mai mare ; - z1TT , z2TT - sa aiba valori cât mai mici .
Din aceste conditii rezulta ca asigurarea unei anumite clase de precizie pentru un transformator de masura de tensiune ( TT) , depinde de doi factori :
- caracteristicile proprii ale TT, ( z1TT , z2TT, foarte mici si z TT foarte mari) ;
- caracteristicile instrumentelor electrice de masura conectate în secundar, respectiv, valoarea echivalenta a impedantei de sarcina zSTT . Practic STT, va functiona la o anumita clasa de precizie , în functie de valoarea impedantei de sarcina, impunându-se conditia :
0,25 zCP < zSTT < zCP ( 11.9.)
unde zCP este impedanta corespunzatoare unei anumite clase de precizie.

Fig.11.19.
Particularitati în exploatarea TT .
Fiind un transformator electric special, respectiv cu o putere nominala foarte mica ( de ordinul VA ) , sunt necesare unele restrictii în exploatarea acestuia :
- mentinerea unui regim de încarcare care sa tinda catre functionarea în gol, pentru a asigura, pe de o parte functionarea într-o anumita clasa de precizie, iar pe de alta parte, evitarea distrugerii datorita suprasolicitarilor termice ;
- evitarea producerii unui scurtcircuit în secundar, care ar echivala practic cu distrugerea instantanee a acestuia .
Valoarea tensiunii din secundarul transformatoarelor de masura de tensiune este de 100 V, indiferent de valoarea tensiunii nominale din primar, ceea ce permite utilizarea unei game restrânse de instrumente de masura. Evident,în functie de raportul de transformare al TT, scala instrumentului de masura se marcheza corespunzator.
Acest transformator, trebuie sa asigure modificarea (reducerea) valorii unui curent
(din primarul sau) la valori direct accesibile instrumentelor de masura în urmatoarele conditii :
- valoarea curentului din primarul sau (I1 ) , fig.11.18. nu este determinata de valoarea curentului din secundarul sau ( I2TC ) ;
- valoarea curentului din secundar, ( I2TC ), nu trebuie sa depinda de valoarea impedantei instrumentelor de masura conectate în serie ( pentru a fi parcurse de aceeasi valoare a curentului ) ;
- impedanta echivalenta a transformatorului de masura de tensiune (TC), montat în serie pe un element al retelei electrice trebuie sa fie practic nula pentru a nu modifica valoarea curentului pe care trebuie sa-l transforme în scopul masurarii acestuia ;
- primarul TC, nu este conectat la una din tensiunile retelei electrice, respectiv, fiind conectat în serie, pe el rezulta o cadere de tensiune UTC = zTCI1.
- fiind un transformator coborâtor de curent, rezulta ca este simultan si ridicator de tensiune, conform ( 11.5.), valabila pentru orice tip de transformator.
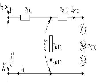
Pe seama acestor conditii si a schemei echivalente ( cuadripol T ), fig.11.20, rezulta ca parametrii echivalenti ai unui TC trebuie sa îndeplineasca,la rândul lor, anumite conditii .
In valori raportate la primarul TC :
I1 = I2TC + IμTC = ct ( 11.10.)
însa cu mentiunea ca indiferent de valorile lui I2TC , I1 are aceeasi valoare determinata de zsarc. (fig.11.11.), si ca urmare, daca TC este în gol :
I1 = IμTC ( 11.11.)
dar nu în sensul cunoscut la celelalte transformatoare, respectiv I1 va avea o valoare mica, egala cu IμTC , ci în sensul ca tot curentul I1 , cu valori determinate de zsarcina, fig.11.18, devine curent de magnetizare, ceea ce determina o suprasaturare magnetica a circuitului magnetic, al TC, echivalenta cu distrugerea acestuia . Din acest motiv, în exploatarea TC trebuie exclusa ramânerea în gol a secundarului acestuia .
Fig.11.20.
Din egalitatea :
z 'TC I1 = IμTC zμTC = I2TC ( z2TC + zSTC ) (11.11.)
rezulta : I2 = I1 (11.13.)
Deci pentru ca I2 = I1 este necesar ca :
z2TC + zSTC = 0 (11.14.)
iar din (11.10.) este necesar ca :
IμTC = 0 zμTC →∞ (11.15.)
Din expresia impedantei echivalente a TC :
zTC
= z1TC +
(11.16.)
rezulta si pentru z1TC ≈ 0 (11.17.)
Deci pe lânga parametrii de calitate ai transformatorului de masura de curent
( z1TC , z2TC = 0 , z TC ≈∞ ) , pentru o transformare cât mai exacta a curentului din primar, este necesar ca instrumentele de masura montate în serie, în secundarul unui TC sa aiba impedante de intrare cât mai mici ( sa fie tip amper ).
Ca urmare, si în cazul TC , fiecarei clase de precizie îi este specifica o anumita impedanta ( ZCP ), respectiv conditia ( 11.9.) pentru încadrarea în respectiva clasa de precizie
Particularitati în exploatare .
- asa cum s-a demonstrat , este exclusa ramânerea în gol a secundarului unui TC ; aceasta eventualitate este cu mult mai posibila în cazul TC, decât , de exemplu, în cazul TT, deoarece în secundarul TC, distributia fiind în serie, înlocuirea unui instrument echivaleaza cu întreruperea circuitului.
Pentru a se evita aceasta eventualitate, TC de interior ( usor accesibile ) sunt prevazute cu posibilitatea scurtcircuitarii secundarului, înainte de a se interveni în circuitul alimentat de acesta .
Deoarece, zSTC = 0, regimul de scurtcircuit al unui TC, nu determina o suprasolicitare termica semnificativa a acestuia.
In cazul TC, montate în exterior sau în locuri greu accesibile se recurge la blocuri de încercare Bi, fig.11.21, care permit scurtcircuitarea secundarului, când se intervine la instrumentele de masura.
- corelarea permanenta a clasei de precizie a instrumentelor de masura cu clasa de precizie a TC , care depinde de valoarea impedantei sale de sarcina.
- la ramânerea în gol a secundarului TC, la bornele acestuia se se regaseste tensiunea , fig.11.21, :
U2 0 = k ΔUTC = I1 / I2TC ΔUTC (11.18.)
Fig.11.21.
care poate avea valori de ordinul zecilor de volti, devenind periculoasa, ( în conditiile în care , în regim normal este practic nula, ceea ce permite interventia directa si fara riscuri a personalului de întretinere) .

Aceasta tensiune
(11.18.), este cu atât mai mare cu cât curentul nominal al secundarului este
mai mic ( raport de transformare mai mare ).
- curentul nominal al secundarului transformatoarelor de masura de curent este de regula 5A ; în cazul unor circuite mai lungi în secundar se aleg TC cu 1A ,dar care au dezavantajul mentionat mai sus.
11.2.7. Aparate electrice pentru control si observare .
Asa cum s-a subliniat în paragraful 11.2.1, în scopul asigurarii exploatarii unei retele electrice, considerata ca element primar, sunt necesare activitati de control si observare a acesteia. Aceste activitati se realizeaza atât cu aparate electrice montate direct în circuitele primare, cât si cu o serie de scheme electrice de control, semnalizare, automatizare, masura, denumite ca secundare, în sensul ca nu fac parte din reteaua electrica primara , dar asigura buna exploatare a acesteia.
In cadrul acestui paragraf se prezinta aparatele electrice cu care se realizeaza aceste scheme electrice secundare.
Din punct de vedere a rolului functional, aceste aparate electrice se pot grupa astfel :
a) - aparate electrice de control, care permit darea unei comenzi, manuale sau automata care , urmarind valoarea unei anumite marimi, transmit o comanda la depasirea unei valori de prag de catre aceasta ;
b) - aparate electrice de executie, care realizeaza legatura între o schema secundara expusa la curenti de valori mici, si un circuit de executie ( actionarea unui aparat electric de conectare sau protectie ). In unele situatii au caracter de servomecanisme;
c) - aparate electrice de amplificare, care permit multiplicarea unei informatii
( pozitia unui aparat electric ) sau a unei comenzi ;
d) - aparate electrice de semnalizare si avertizare ;
e) - instrumente electrice de masura .
a) Aparate electrice de control
- butoane de comanda se folosesc pentru comanda manuala a unor aparate electrice de conectare,. Reprezentativ este butonul dublu de pornit (P), oprit (O) adecvat comenzii contactoarelor electromagnetice, care sunt fara retinere, respectiv comanda este scurta, egala cu durata mentinerii în pozitia apasat. Pentru comenzi permanente se folosesc butoanele cu retinere eventual si cu lampa inclusa care sa " memoreze " ultima comanda efectuata .
- chei de comanda , se folosesc pentru transmiterea de comenzi complexe, specifice întrerupatoarelor automate, având avantajul memorarii ultimei comenzi si a unui numarului mare de contacte. Pentru o cheie de comanda ( asemanatoare constructiv cu un întrerupator cu came ), se elaboreaza si diagrama de comanda ce reda dependenta dintre pozitia mânerului de actionare si pozitia contactelor. Unele chei de comanda au inclusa o lampa de semnalizare cu mânerul de actionare .
- microîntrerupatoare, limitatoare de cursa , se folosesc pentru închiderea si deschiderea unor circuite ( cu scopul de comanda a unui aparat de executie)
când este depasita limita a unei coordonate ( distante ).
Contactul mobil al unui microîntrerupator, este actionat de un mecanism cu resort sau lamela elastica, actionata direct sau cu elemente cinematice ( rola, pârghie, bila ).
relee electrice , fac parte din categoria aparatelor cu caracteristica discontinua
( tip releu ) , deoarece variatia marimii electrice de intrare determina doar o variatie în salt a marimii de iesire ( totul sau nimic ) Fig. 11.22.
Fig 11.22.
Valoarea marimii de intrare pentru care se produce actionarea ( pornirea releului ) xip este mai mare decât valoarea lui xi , pentru care are loc revenirea xir în starea neactionat .
Datorita gamei foarte largi de relee electrice, este necesara o grupare a lor astfel :
- dupa natura marimii de intrare - de tensiune
- de curent
- de putere
- de timp .
- dupa caracterul marimii de intrare - de curent continuu
- de curent alternativ
- dupa caracteristica de actionare - dependente de curent
- independente de curent
Cu exceptia releului termic cu bimetal, la care contactul mobil este actionat de sageata determinata de temperatura la care este încalzit un element bimetal de care caldura produsa de curentul supravegheat, celelalte relee electrice au o functionare asemanatoare cu a unui contactor electromagnetic.
Ca urmare, releul de curent cu bimetal va avea o caracteristica de actionare dependenta de curent, asemanatoare cu a unei sigurante fuzibile,, iar cele a caror actionare este determinata de forta electromagnetica, vor avea o caracteristica de actionare independenta, de tipul, totul sau nimic , fig.11.22.
Releele de tensiune, au bobina de actionare de tip volt, dar sunt actionate tot de o forta electromagnetica determinata de un curent, strict determinat de valoarea tensiunii ce se aplica bobinei releului.
Releele de curent au bobina de actionare tip amper, montându-se în serie, pentru a fi expuse curentului, marime de intrare ce determina actionarea.
Releele electrice de timp, au ca marime de intrare un curent sau o tensiune sau combinatii ale acestora, iar actionarea contactelor lor se produce cu o anumita întârziere ( temporizare ). Acestea sunt de regula, relee intermediare necesare în asigurarea selectivitatii actionarii unor aparate electrice de conectare de protectie sau a desensibilizarii fata de anumite perturbatii ( socuri de sarcina).
b) Aparate electrice de executie .
- electromagneti de actionare , sunt folositi în scheme secundare de comanda , semnalizare, ca elemente de actionare în scopul transmiterii unei comenzi manuale, sau a amplificarii unei marimi de comanda ( servomecanism ).
n acest caz, curentul suportat de bobina electromagnetului (element de comanda ) este mult mai mic decât cel suportat de contactele electromagnetului(element comandat ).
O forma speciala de realizare a electromagnetilor, o reprezinta electroventilele, utilizate în controlul unor circuite parcurse de fluide sau de gaze.
c) Aparate electrice de amplificare ; pe lânga amplificarea curentului (sau a puterii ) de comanda ( în cazul servomecanismelor ) este necesara si multiplicarea unor informatii sau comenzi. Este cazul folosirii unor relee intermediare care au mai multe perechi de contacte ce permit multiplicarea pozitiei unui aparat electric de conectare, fig.11.23.a, sau a unei comenzi, fig.11.23. b.
d) Aparate electrice de semnalizare si avertizare .
- lampi de semnalizare, utilizate pentru semnalizarea optica a pozitiei unor aparate electrice de conectare, actionarea unor aparate electrice de protectie, etc.
- hupe de semnalizare , folosite pentru avertizarea acustica a unor regimuri anormale sau de defect. In urma avertizarii acustice, generale, operatorul uman va indentifica

semnalizarea optica locala
realizata cu lampi de semnalizare.
- indicatoare de pozitie , se folosesc pentru semnalizarea pozitiei aparatelor electrice de conectare cu doua stari. Este cazul separatoarelor electrice , care fiind comandate numai manual, au doar doua stari corespunzatoare pozitiei închis sau deschis a contactului mobil. Intrerupatoarele automate se pot afla în aceeasi pozitie ( de ex. deschis ) ca urmare a doua tipuri de comenzi : manuala ( deconectat manual ) sau automata ( deconectat automat),fiind necesara semnalizarea distincta a fiecarei stari .
Indicatorul de pozitie , fig.11.24.a, are doua bobine, care actioneaza fiecare o aceeasi lamela indicatoare : una dintre ele o mentine permanent într-o pozitie, iar cealalta într-o

Fig. 11.24
pozitie perpendiculara pe prima, fig. 11.24.b. Când nici o bobina nu este sub tensiune lamela indicatoare se pozitioneaza la 450 , fig. 11.24.c.
e) Instrumente electrice de masura , folosite la masurarea nemijlocita a marimilor electrice, direct sau prin intermediul aparatelor electrice de masura ( transformatoare electrice de masura ).
Principiul de functionare si caracteristicile instrumentelor electrice de masura se prezinta în [35] .
|