ALTE DOCUMENTE
|
||||||||||
Modalitati de reglare a puterii turbinei
Turbinele eoliene sunt destinate sa produca energie electrica la un pret cât mai mic posibil. Prin urmare trebuie dimensionate astfel încât eficienta maxima (iesirea maxima) sa se obtina la un vânt de circa 15m/s. Nu are sens sa se dimensioneze turbinele astfel încât sa se maximizeze iesirea pentru valori mai mari ale vitezei vântului, deoarece aceste valori se obtin rar. Pentru valori mari ale vitezei vântului este necesar sa se reduca iesirea pentru a evita deteriorarea acestora.
3.1. Modificarea geometriei
Puterea mecanica produsa de rotor este functie numai de geometria acestuia si de viteza vântului. Proiectarea parametrilor care afecteaza performantele aerodinamice include unghiul palelor (unghiul de atac), subtirimea (soliditatea) si profilul. Pentru a pala dada se considera acesti parametri fixati. Coeficientul de putere pentru o geometrie fixa este o functie de raportul de viteza al vârfului palei (raportul dintre viteza vârfului palei si viteza aerului) cu un singur maxim. Cuplul produs de rotor poate fi controlat prin doua cai: modificând geometria prin modificarea unghiului palei sau prin schimbarea vitezei de rotatie a rotorului astfel încât acesta sa lucreze la raportul de viteza optim al vârfului palei.
În sistemele moderne de turbine eoliene sunt prezente urmatoarele tipuri principale de control al puterii prin modificarea geometriei:
- Controlul înclinarii
- Controlul frânarii
- Controlul activ al opririi
3.1.1. Controlul înclinarii
Scopul reglarii unghiului este de a pastra constanta puterea la iesirea turbinei constanta. Atunci când puterea de la iesire devine prea mare, este comandata rotirea axului în sensul scoaterii de sub vânt a acestuia. Când viteza vântului scade comanda determina revenirea în vânt a palelor. Pentru o astfel de reglare este necesar ca axul palelor sa se poata roti în jurul axei longitudinale.
Sistemul de reglare trebuie sa asigure atât protectia elicei în cazul vânturilor puternice cât si maximizarea puterii la iesire pe durata valorilor mari ale vitezei vânturilor
Cercetarile actuale in domeniul fânarii cu pale reglabile spera sa extinda teoria profilelor aerodinamice spre zona fânarii si prin urmare sa obtina mai multe informatii referitoare la procesul reglarii frânarii.
3.1.3. Reglarea unghiului palelor (controlul activ al frânarii)
Pentru acest control este necesar ca palele elicei sa se poata roti în jurul axelor proprii. Reglarea pozitiei acestora are ca scop asigurarea unei puteri constante la iesire, indiferent de viteza vântului. Atunci când viteza creste în domeniul 4-15m/s o data cu cresterea vântului este crescuta suprafata palei frontala cu vântul, prin marirea unghiului de incidenta. La vânturi peste 15 m/s se modifica modul de reglare si este micsorat unghiul pe care pala îl face cu directie vântului odata cu cresterea vitezei acestuia. Reglare pe acest principiu are avantajul ca permite functionarea turbinei la parametrii optimi chiar si în cazul vânturilor foarte puternice, celelalte moduri de reglare determinând oprirea palelor la rafale foarte puternice. Acest mod de reglare este practic generalizat pentru turbine cu puteri mai mari de 1 MW.
O data cu cresterea vitezei vântului controlul sectiunii palei actioneaza astfel încât unghiul de incidenta cu aerul creste. Pala începe sa se frâneze iar puterea rotorului sa creasca (fig. 3.1.). Când lucreaza în regim de frânare, acesta îsi pierde amortizarea aerodinamica si creste forta de antrenare. Cu 12212c224m toate ca realizeaza o frânare aerodinamica buna aceasta metoda nu este la fel de folosita ca si metoda de scadere a unghiului de incidenta.
Cresterea performantelor centralelor eoliene prin utilizarea sistemelor inertiale de stocare a energiei (SISE)
3.2.1. Sisteme de stocare a energiei
Stocarea energiei joaca un rol esential în reteaua de alimentare cu energie electrica, pentru asigurarea unui management mai eficient al resurselor de care se dispune. În combinatie cu sistemele de producere a energiei electrice prin conversia energiilor regenerabile, SSE pot creste valoarea energiei electrice generata de centralele eoliene sau solare, furnizând energie în momentele de vârf si acumulând energie în momentele când cererea de energie este redusa. De asemenea, SSE faciliteaza integrarea, la scara larga, în sistemul energetic a surselor de energie intermitente, cum sunt cele eoliene sau solare.
Strategic plasate, SSE pot creste gradul si eficienta de utilizare a sistemului existent de transmisie si distributie a energiei electrice. SSE pot fi utilizate pentru a reduce vârfurile de sarcina dintr-o statie de alimentare cu energie electrica, ceea ce duce la eliminarea centralelor „de vârf” si o mai buna utilizare a centralelor de regim permanent. De asemenea, SSE servesc la asigurarea calitatii energiei electrice, în cazul, fluctuatiilor de frecventa, a supratensiunilor, a scaderilor de tensiune si chiar a întreruperii totale a alimentarii cu energie de la centrala sau de la statia de alimentare.
În ultimii ani, nevoia de a gasi solutii cât mai eficiente de stocare a energiei a renascut interesul pentru acumularea energiei în volanti de inertie. Prin urmare, au aparut sistemele inertiale de stocare a energiei (SISE), formate dintr-un volant de inertie cuplat la o masina electrica. Volantii de inertie sunt elemente de stocare a energiei sub forma de energie cinetica. Daca masina electrica functioneaza în regim de motor, volantul este accelerat si acumuleaza energie cinetica. Când masina electrica functioneaza în regim de generator, aceasta frâneaza volantul transformându-i energia cinetica în energie electrica.
Astazi, este posibil sa se construiasca volanti capabili sa înmagazineze energia la densitati de 4 – 5 ori mai mari decât bateriile electrochimice. De asemenea, densitatea de putere este de peste 30 de ori mai mare la volanti. Alte avantaje ale SISE sunt rata mare de transfer a energiei, posibilitatea de a functiona în regimuri dinamice rapide, numarul ridicat de cicluri încarcare / descarcare, durata mare de viata, fiabilitate ridicata, lipsa poluarii, etc.
Principalul dezavantaj al SISE actuale este pretul de cost, înca destul de ridicat, si pierderile destul de mari în regim stationar.
SISE se împart în doua mari categorii: SISE cu volanti lenti si SISE cu volanti rapizi. Prima categorie este deja prezenta pe piata de mai multi ani, în timp ce a doua varianta este doar la începutul fazei comerciale. Înca nu exista o limitare clara între cele doua categorii de SISE, dar viteza de 10000 rpm este în general acceptata ca facând delimitarea între cele doua tipuri de SISE. De obicei, SISE cu volanti lenti contin volanti construiti din otel, în timp ce a doua categorie de SISE contin volanti construiti din materiale compozite. Pe piata exista deja mai multi producatori de SISE, iar oferta contine sisteme din ambele categorii. La nivel european, postul de lider de piata este detinut de Piller, care ocupa aproximativ 47 % din piata de SISE. SISE furnizate de Piller contine volanti de viteza joasa (plaja de functionare este cuprinsa între 1500 si 3600 rpm), fabricati din otel, iar cel mai mare sistem disponibil la ora actuala poate furniza o putere de 1,1 MW pe o perioada de 15 s.
Una dintre aplicatiile în care SISE se preteaza foarte bine este în domeniul calitatii energiei electrice. In ultimii ani, centralele eoliene s-au înmultit foarte mult în Europa, iar tendintele actuale prevad o tendinta de crestere exponentiala a puterii instalate în centralele eoliene în urmatorii ani. Acest fapt implica numeroase probleme de ordin tehnic din cauza naturii sursei primare de energie: vântul. Viteza vântului este foarte variabila si foarte greu predictibila. Aceasta face ca si energia produsa pe cale eoliana sa fie la fel. În plus, generatoarele eoliene sunt considerate ca fiind sarcini negative cuplate la sistemul electric. Aceasta din cauza ca ele introduc energie în sistem, dar nu participa la controlul sistemului. Cu alte cuvinte, centralele eoliene actuale nu sunt capabile sa furnizeze servicii auxiliare în sistem, adica sa participe la mentinere tensiunii si frecventei între limitele stabilite de standardele în vigoare. Deocamdata, stabilitatea sistemului energetic este asigurata de centralele clasice (termice, nucleare si marile hidrocentrale).
Din acest motiv, rata de penetrare a centralelor eoliene este limitata la 20 – 30 % din puterea instantanee consumata. Adica, daca la un moment dat prin sistem circula o putere de 1000 kW, pâna la 300 kW pot fi produsi de catre eoliene, iar restul trebuie sa fie produsi de centralele clasice. Chiar daca la nivel global aceasta limita nu va fi atinsa în viitorul apropiat, la nivel local aceasta este o problema actuala, în special în cazul fermelor de eoliene. Pentru a putea depasi aceasta limita, centralele eoliene trebuie sa fie capabile sa furnizeze servicii auxiliare în sistem. Ori, acest lucru este imposibil de realizat în lipsa unor sisteme de stocare a energiei pe termen scurt, care sa ofere posibilitatea de a avea o rezerva primara de energie pentru o perioada cuprinsa între 30 s si 15 min.
3.2.2. Bazele fizice ale SISE
, (3.3.)
unde J este momentul de inertie al rigidului rotitor, iar ωm este viteza sa unghiulara de rotatie.
Momentul de inertie se calculeaza prin:
, (3.4)
unde M este masa aflata în miscare de rotatie, R este raza maxima a masei în miscare, iar k este un coeficient de forma si poate lua valorile de mai jos:
- k = 1, pentru un inel;
- k = 0.5, pentru un disc de grosime uniforma;
- k = 0.4, pentru o sfera solida;
- k = 2/3, pentru o sfera goala în interior.
3.2.3. Modelarea matematica a SISE
S-au considerat doua tipuri de SISE: SISE cu masina asincrona (MAS) si SISE cu masina sincrona cu magneti permanenti (MSMP).
Modelarea matematica a MAS din structura SISE
o pentru marimile statorice, un unghi θs, ales arbitrar ;
o pentru marimile rotorice, un unghi θs – p·θm unde θm reprezinta pozitia rotorului si p numarul de perechi de poli ai masinii.
Considerând
si
,
se obtin ecuatiile urmatoare pentru MAS:
; (3.6.a)
; (3.6.b)
; (3.6.c)
; (3.6.d)
. (3.7)
Parametrii utilizati in aceste ecuatii sunt:
o Rs si Rr – rezistentele statorice si rotorice ale MAS;
o M – inductanta mutuala ciclica dintre stator si rotor;
o Ls si Lr – inductantele ciclice statorica si rotorica ale MAS;
o Ce – cuplul electromagnetic;
o Φsd, Φsq, Φrd et Φrq – fluxurile statoric si rotoric;
o ws – viteza câmpului in reperul statoric;
o wsr – viteza câmpului in reperul rotoric.
Relatiile intre curenti si fluxuri sunt:
(3.8.a)
(3.8.b)
(3.8.c)
(3.8.d)
În cazul controlului vectorial orientat dupa fluxul rotoric, modelul matematic al MAS devine:
(3.9.a)
(3.9.b)
(3.9.c)
(3.9.d)
,
unde
, este coeficientul de dispersie.
Ecuatia miscarii rotorului este:
, (3.11)
unde,
este viteza
electrica a rotorului, J este momentul de inertie al SISE,
iar B este coeficientul de frecari vâscoase. Din ecuatia
(3.11) lipseste termenul de cuplu rezistent la arborele masinii.
3.2.3.3 Modelarea matematica a MSMP din structura SISE
Modelul matematic al MSMP pentru SISE, în sistem dθ – qθ orientat dupa rotorul masinii electrice, este dat de relatiile urmatoare,
, (3.12.a)
, (3.12.b)
,
si de ecuatia dinamica a miscarii rotorului, care este identica cu (3.11).
Termenii utilizati in ec. (3.12) si (3.13) semnifica
Modelarea matematica a convertorului electronic de putere din structura SISE
Controlul SISE si legatura lui cu exteriorul se face printr-un convertor electronic de putere (de tip invertor de tensiune) cu comanda PWM. Din comanda convertorului electronic se impune sensul de circulatie al energiei electrice în functie de regimul de functionare al SISE. Pentru simulari, s-a utilizat un model continuu echivalent al convertorului. Acesta este reprezentat de doua ecuatii:
(3.14)
unde U este tensiunea din circuitul intermediar de c.c., iar vwd si vwq sunt tensiunile de referinta, cuprinse in intervalul [-1, 1]. Ecuatia (3.14) este adevarata numai pentru o frecventa infinita a undei purtatoare, dar se poate considera adevarata daca frecventa purtatoarei este mult mai mare decât cea a referintei.
Curentul din circuitul intermediar se poate calcula plecând de la egalitatea puterilor:
(3.15)
3.2.4. Pierderile si randamentul SISE
3.2.4.1. Pierderile în convertorul electronic de putere
Aceste pierderi se împart în doua categorii: pierderi în comutatie si pierderi în conductie. Pierderile in comutatie depind de energia disipata in timpul schimbarii starilor tranzistoarelor IGBT si sunt proportionale cu frecventa undei purtatoare utilizata in comanda convertorului. Pentru un brat al convertorului, pierderile in comutatie sunt exprimate prin expresia urmatoare:
, (3.16)
Pierderile în conductie se calculeaza prin urmatoarea relatie:
, (3.17)
unde Ik este curentul prin bratul invertorului, Vce si VD sunt caderile de tensiune pe IGBT si diode, r este adâncimea de modulatie, iar cosφ este factorul de putere.
Pierderile totale în convertor rezulta prin însumarea celor doua tipuri de pierderi.
3.2.4.2. Pierderile în ansamblul masina electrica + volant de inertie:
Pierderile Joule din
stator:
; (3.18)
Pierderile Joule din
rotor (pt MAS):
; (3.19)
Pierderile în fier (pt
MAS):
; (3.20)
Pierderile prin frecare:
. (3.21)
3.2.5. Controlul si supervizarea SISE
3.2.5.1. Strategia de control a SISE

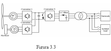
Figura 3.3
prezinta modul de asociere al unui SISE cu un generator eolian. Controlul
puterii debitate de generator se poate face prin doua metode:
o Actionând asupra sistemului mecanic al turbinei, adica utilizând turbine eoliene pitch- sau stall-controlled .
o Actionând asupra sistemului electric, adica asociindu-i un sistem de stocare a energiei, care sa permita controlul puterii debitate în retea.

Figura 3.4
ofera o explicatie grafica a principiului de control al SISE. Sise trebuie sa îndeplineasca
doua functii: (i) controlul tensiunii din circuitul de curent
continuu si (ii) controlul puterii debitata în retea.
Pentru controlul tensiunii se poate apela la un regulator PI, care determina valoarea puterii ΔP necesara pentru a mentine tensiunea la valoarea de referinta. Daca Preg este puterea ceruta de la ansamblul generator eolian – SISE si Pwg este puterea generata de generator, valoarea de referinta pentru puterea schimbata între SISE si circuitul de curent continuu este data de relatia:
. (3.22)
Plecând de la relatia (22), se obtine cuplul de referinta pentru masina electrica din structura SISE:
. (3.23)
3.2.6. Solutii pentru stand experimental
Pentru studiul experimental al unui SISE asociat cu un generator eolian cu viteza variabila, la Ecole des Hautes Etudes d’Ingenieur (HEI) din Lille, Franta, s-a realizat un stand experimental a carui configuratie este prezentata în figura 3.5.
Standul are patru parti principale, dupa cum urmeaza:
Standul a fost realizat cu sprijinul financiar al mai multor institutii din Franta (HEI, CNRT, Région Nord Pas de Calais, Forclum Ingénierie) si al Comunitatii Europene si a costat aproximativ 125 000 €. Constructia standului a început in primavara anului 2001, iar ultima achizitie de echipamente s-a facut în toamna anului 2004. Aceasta consta în cumpararea a trei sarcini RLC programabile, care sa permita testarea capacitatii ansamblului generator eolian + SISE de a alimenta o sarcina izolata. Acest lucru presupune ca ansamblul trebuie sa fie capabil sa controleze tensiunea si frecventa de la bornele sarcinii izolate, mentinându-le la valorile nominale.
3.2.7. Implementarea strategiilor de control al SISE pe standul experimental
3.2.7.1. Control vectorial al MAS si control de viteza pentru SISE
Este cunoscut faptul ca puterea reprezinta derivata energiei în raport cu timpul. Rezulta astfel ca, integrând puterea de referinta si adunând rezultatul la energia existenta deja în SISE, vom obtine energia de referinta pentru acesta. În ec. (1) s-a aratat deja ca energia este o functie de viteza de rotatie a SISE. Prin urmare, pornind de la puterea de referinta, se poate calcula viteza de referinta, Ωref , a acestuia, asa cum se vede din ecuatiile urmatoare :
, (3.25)
. (3.26)
unde
este energia initiala a SISE.

Viteza de
referinta calculata prin (3.26) este marimea
principala de comanda pentru masina electrica din componenta
SISE.
3.2.7.2. Control vectorial al MAS si control de cuplu pentru SISE
Cuplul de referinta se calculeaza prin relatia (3.23). În functie de cuplul de referinta se calculeaza curentul isq de referinta pentru MAS:
. (3.27)
Astfel, s-a eliminat regulatorul PI de viteza din schema initiala. În plus, relatia (3.23) este mult mai simplu de calculat decât relatiile (3.25) si (3.26). Urmatorul pas a constat în eliminarea regulatorului de flux. În acest scop, curentul isd ref se calculeaza direct din valoarea fluxului de referinta:
. (3.28)
Schema de control rezultata în urma modificarilor mentionate este redata în figura de mai 3.7.
Aceasta schema a fost implementata pe standul experimental, iar rezultatele experimentale au dovedit ca problemele amintite în paragraful anterior au fost eliminate. Prin micsorarea timpului de calcul în timp real, perioada de esantionare putut fi scazuta la 250 μs.
Rezultatele experimentale prezentate în capitolul 3.2.5 au fost obtinute cu aceasta schema de control.
3.2.7.3. Control direct de cuplu (DTC) pentru MAS
Aceasta idee a venit în urma schimbarilor mentionate în paragraful anterior. Prin urmare, s-a pus întrebarea „Daca se foloseste o referinta de cuplu pentru MAS, de ce sa nu se încerce înlocuirea FOC cu DTC?” Motivatia a venit din faptul ca DTC este mult mai simplu de implementat practic, este o comanda mai robusta (putin dependenta de modificarea parametrilor masinii) si nu necesita o putere mare de calcul.
Prin urmare, s-a studiat prin simulare posibilitatea înlocuirii FOC cu DTC, iar rezultatul a fost pozitiv. Prezentarea detaliata a acestei analize este facuta în Schema utilizata în simulari este redata in figura 3.7.
La data redactarii acestui raport, schema de DTC este în curs de implementare pe standul experimental. Rezultatele preliminare au aratat ca perioada de esantionare poate fi scazuta pâna la 125 μs, ceea ce este deja o îmbunatatire considerabila fata de FOC.
3.2.7.4. Functionarea MAS în regim de flux slabit
Dupa cum se poate observa din toate cele trei scheme de control prezentate în acest capitol, referinta de flux pentru masina asincrona este determinata în functie de viteza acesteia.
Datorita faptului ca MAS are viteza de baza de 1500 rpm, iar volantul de inertie poate suporta o viteza maxima de 3000 rpm, este obligatoriu ca MAS sa functioneze în regim de flux slabit pentru a putea exploata volantul la capacitatea maxima. În plus, este de dorit ca MAS sa functioneze în regim de flux slabit deoarece în felul acesta este capabila sa functioneze la putere nominala pe toata plaja de variatie a vitezei volantului de inertie.
3.2.8. Concluzii si perspective
Dupa stabilirea modelelor matematice pentru SISE cu masina asincrona cu rotor în colivie (MAS) si SISE cu masina sincrona cu magneti permanenti, se poate simula functionarea SISE în regim dinamic, folosind mediul de simulare MATLAB/Simulink.
3.3. Realizari actuale în controlul puterii
Controlul puterii furnizate de catre centralele eoliene, are un rol esential în asigurarea utilizarii industriale ale centralelor eoliene. Acest fapt a facut ca o serie de producatori de echipamente de automatizare si control sa-si îndrepte atentie spre realizarea unor echipamente moderne, care sa asigure toate componentele controlului prezentate anterior. Vom prezenta în continuare câteva realizari ale unor firme de prestigiu.
3.3.1. Controlerul Universal realizat de Nortern Power Systems „Universal Wind Diesel Controler”
3.5. Sisteme electronice de reglare a parametrilor energiei furnizate
Invertoarele pot genera la iesire tensiune nesinusoidala (de exemplu cu forma de unda dreptunghiulara) sau sinusoidala.
Dupa modul de conectare a elementelor reactive necesare pentru realizarea comutatiei, deosebim invertoare serie si invertoare paralel.
3.5.3. Reglarea tensiunii de iesire a invertoarelor
În multe situatii, invertoarele trebuie sa asigure si posibilitatea reglarii în limite suficient de largi a raportului dintre tensiunea continua E si tensiunea de iesire US. De obicei este necesar sa se mentina stabila tensiunea US când se modifica tensiunea E sau, sa se regleze tensiunea US în functie de caracterul sarcinii sau de regimul solicitat de consumator, atunci când tensiunea E este constanta.
În functie de pozitia circuitului de reglaj (în raport cu schema de baza a invertorului) deosebim urmatoarele cazuri:
regulatorul este situat între invertor si sursa de curent continuu (figura 3.17);
regulatorul este situat între invertor si reteaua de curent alternativ (figura 3.18);
regulatorul este înglobat în schema invertorului (figura 3.19).
Se disting doua metode de reglare a tensiunii invertorului:
prin variatia amplitudinii;
prin variatia duratei.
În primul caz se modifica valoarea uS max a tensiunii de iesire, durata impulsurilor rectangulare ramânând constanta. În al doilea caz se modifica durata impulsurilor rectangulare aplicate sarcinii, valoarea amplitudinii mentinându-se constanta si proportionala tensiunii de intrare. Prima metoda asigura distorsiuni mai mici a tensiunii de iesire, a doua însa, este mai economica.
Tensiunea alternativa de la retea este redresata si filtrata cu blocul (1). Urmeaza comutatorul (2) echipat cu un tiristor rapid de putere sau cu un tranzistor de comutatie. Acestea joaca rolul unui întrerupator actionat prin intermediul circuitului de comanda (5) în ritmul unei frecvente cuprinse între 15-50 Hz. Perioada de conductie reprezinta o parte din perioada totala a unui ciclu de functionare (T). Legatura dintre redresor si consumator se realizeaza astfel, într-un timp limitat, reducându-se energia absorbita de la retea.
3.7. Sisteme de generatoare interconectate
Sisteme asemanatoare sistemelor SCADA pot fi întîlnite de obicei în fabrici, unitati de exploatare etc., numite adesea sisteme distribuite de control - Distributed Control Systems; DCS, care au functii similare sistemelor SCADA dar la care unitatile telecomandate de control si achizitie de date sunt plasate în mod obisnuit în zone mult mai limitate. La aceste sisteme comunicatiile se realizeaza pe retele locale - Local Area Network; LAN si sunt de regula sigure si de viteza mare. Un sistem DCS foloseste în mod normal o multime de bucle închise de control.
Pe de alta parte, sistemele SCADA acopera în general suprafete geografice largi si se bazeaza pe o mare varietate de sisteme de comunicatie care sunt mai putin sigure decât LAN. În aceasta situatie controlul în bucla închisa este mai putin de dorit.
Un exemplu este reprezentat de SPS-1000 Signal Processing System ce foloseste modulatia în cod a impulsurilor PCM (pulse code modulated) pentru transmiterea la distanta a informatiilor. Sistemul de procesare a semnalelor SPS (Signal Processing System) ofera solutii flexibile de prelucrare digitala a semnalelor necesar pentru sistemele SCADA în aplicatiile de comanda a centralelor eoliene.
|