FACULTATEA DE MECANICA
PROIECT
ORGANE DE MASINI
REDUCTOARE
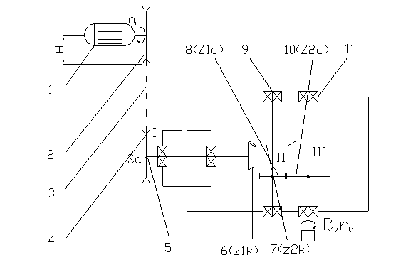
1 elctromotor
2 roata de curea conducatoare
3 curele
4 roata de curea condusa
5 arborele I de intrare in reductor
6 roata dintata conica (z1k)
7 roata dintata conica (z2k)
8 roata cilindrica numarul 1 (z1c)
9 arborele II al transmisiei
10 roata dintata 2 a angrenajului cilindric
11 rulmenti
12 arborele III al reductorului sau arborele de iesire
13 cuplajul de legatura cu instalatia sau masina respectiva
14 carcasa reductorului
em
iglobal
![]()
unde
si ![]()
Rapoarte de transmitere pentru rotile dintate STAS 6012-82 : 1;1.12;1.25;1.4;1.6;1.8;2;2.24;2.5;2.8;3.15;4;5;6.3;8.
em = 1440 rot/min ASI 100L-28-4 care are puterea de P = 3Kw
Se alege motorul astfel incit Pem
P n em
Z
![]()
![]()
se alege z = 2
22.Coeficientul numarului de curele
Cz
23.Numarul de roti
u
24.Frecventa incovoierii curelei
f
Hz
![]()
Forta periferica transmisa
F
N
![]()
|
Forta de intindere a curelei |
F F0 |
N |
F =(1.5 .2)F |
|
|
72.Cotele de modificare a distantei dintre a dintre axe |
X Y |
|
Y |
X=48 Y=24 |
Predimensionarea angrenajelor
Calculul puterilor si momentelor pe arbore
Materiale si trepte de precizie
● Pentru angrenajul cilindric se recomanda :oteluri de cementare (cementare operatia de carburare +calire+revenire joasa ) asigura duritate ridicata 55 HRC: trebuie rectificate dupa calire treapta a-VII-a de precizie .Se recomanda conform STAS 791 18MoCrNi13
21MoMnCr12
Tensiunea limita de contact este
●Pentru angrenajul conic se recomanda oteluri de imbunatatire aliate cu duritatea de 2500-3000 HB - 41MoCr11
unde HB=2500-3000
Se alege HB=3000
In cazul solicitarii de incovoiere se alege otel aliat de incovoiere
![]()
- pentru danturi durificate (danturi cementate
- pentru celelalte oteluri
In cazul in care se controleaza procesul de
carburare astfel incit procentul de carbon este cuprins intre 0.75 % - 1.1%
valorile sunt cele de mai sus , iar daca nu se controleaza, procentul de carbon
este de 0.6% - 1.4% rezultand
Fontele se folosesc la rotile dintate de dimensiuni mari,incarcate cu sarcini mici,care functioneaza la viteze periferice mici.
Predimensionarea angrenajului cilindric
In etapa de predimensionare, se determina elementele principale ale angrenajului :distanta dintre axe din conditia de rezistenta a dintilor la oboseala de contact ; modulul danturii din conditia de rezistenta a dintilor la oboseala de incovoiere ;numerele de dinti ale pinionului ,Z1si rotii conduse Z2 ; deplasarile de profil respectiv ,X1 si X2, pentru pinion si roata condusa.
a) &n 454c23e bsp; Distanta dintre axe
Se calculeaza din conditia de rezistenta a dintilor la oboseala de contact:
![]()
![]()
- raportul numerelor de dinti u =i = 2.57
- MIII momentul de torsiune la oboseala de contact
- KA factor de utilizare , se calculeaza cu formula KA = KAm +K Al =1.25 x 1.3 =1.625
- Kv factor dinamic Kv =1.15
-
factorul
repartitiei sarcinii pe latimea danturii
-
factorul
repartitiei frontale a sarcinii
- ZH factorul influientei formei flancurilor dintilor ZH
- Z factorul influientei lungimii minime de contact Z
ZE factorul materialelor ZE = 189 ..190 se adopta ZE
- Z factorul influientei inclinarii danturii, la danturi inclinate se calculeaza cu relatia
β=
=
=0.978
Predimensionarea angrenajului conic
Predimensionarea rotilor conice urmareste determinarea diametrelor de divizare pe conul frontal exterior de1 si de2 si a modulului standardizat pe acelasi con , la valorile lor minimale. Diametrul pinionului se va determina din conditia de rezistenta la oboseala de contact iar modulul din conditia de rezistenta la incovoiere la baza dintelui . Ambele solicitari sunt solicitari variabile , deci calculele vor tine seama de durata de functionare , impusa din tema si de natura solicitarilor .
Diametrul mediu minim necesar
Se determina din conditia de rezistenta la oboseala de contact .

A factor de utilizare , se calculeaza cu formula KA = KAm +K Al =1.25 x 1.3 =1.625
factorul repartitiei sarcinii pe latimea
danturii
factorul
repartitiei intre dinti ai sarcinii
pentru solicitarea de contact
H factorul influientei formei flancurilor dintilor ZH
E = 189 ..190 se adopta ZE
- Z factorul influientei inclinarii danturii, la danturi drepte , inclinate se calculeaza cu relatia
N2 factorul influientei duratei de functionare ZN2
- ZL factorul influientei ungerii ZL
- ZR factorul influientei rugozitatii flancurilor dintilorasupra solicitarii de contact ZR
- Zv factorul influientei vitezei periferice asupra solicitarii de contact Zv = 1
- Zx factorul de dimensiune pentru solicitarea de contact Zx = 1
-Zw factorul influientei raportul duritatii flancurilor celor doua roti, asupra solicitarii de contact Zw = 1

- momentul de torsiune pentru solicitarea de incovoiere ;
- factorul
repartitiei sarcinii pe latimea danturii
, la solicitarea de incovoiere ; = 1.5
- factorul
repartitiei sarcinii la solicitarea de incovoiere a dintilor ; = 1
- factorul de forma
a dintelui pentru solicitarea de incovoiere ; = 2.5
- factorul
concentratorului de tensiune la piciorul dintelui ; = 2
- factorul
inclinarii dintilor la danturi inclinate ; = 0.9
- factorul
gradului de acoperire pentru solicitarea de incovoiere ;= 1
- rezistenta de baza
la oboseala de incovoiere pentru roata ; = 950 MPa
SFP - factor admisibil de siguranta pentru solicitarea de incovoiere ; = 1.15
YN2 - factorul influientei duratei de functionare pentru solicitarea de incovoiere ; = 1
- factorul
sensibilitatii materialului solicitat la oboseala la concentratorul de
tensiune; =1.1
YR - factorul de rugozitate ; = 1
Yx - factorul de dimensiune pentru solicitarea de incovoiere ; = 1
Stabilirea numarului de dinti si corijarea angrenajului cilindric
Distanta dintre axe


Corijarea pozitiva pentru evitarea interferentei
poz
za
|
|
|
20 &n 454c23e bsp; grad |
||
|
Calculul parametrilor rotii plane |
||||
|
|
Numarul de dinti al rotii plane |
|
|
|
|
|
Lungimea exterioara a generatoarei de divizare |
Re |
Re =0.5 |
162 mm |
|
|
Latimea danturii |
b |
|
40 mm |
|
|
Lungimea mediana a generatoarei de divizare |
Rm |
Rm = Re -0.5 b |
142 mm |
|
|
Lungimea interioara a generatoarei de divizare |
Ri |
Ri = Re - b |
122 mm |
|
|
Modulul median |
|
|
3.506 mm |
|
|
Diametrul de divizare median |
|
|
87.65 mm 196.33 mm |
|
|
Raportul numerelor de dinti |
u |
u |
|
|
|
Unghiul conului de divizare |
|
|
24.05 grad 65.95 grad |
|
|
Coeficientul deplasarii radiale de profil |
|
|
|
|
|
Coeficientul deplasarilor tangentiale de profil |
|
|
|
|
Calculul parametrilor rotilor dintate |
||||
|
|
Inaltimea exterioara a capului dintelui |
|
|
5.16 mm 2.84 mm |
|
|
Inaltimea exterioara a piciorului dintelui |
|
|
3.64 mm 5.96 mm |
|
|
Inaltimea exterioara a dintelui |
|
|
8.8 mm |
|
|
Arcul de divizare exterior |
|
|
7.12 mm 5.44 mm |
|
|
Unghiul piciorului dintelui |
|
|
1.287 grad 2.106 grad |
|
|
Unghiul
capului |
|
|
2.106 grad 1.287 grad |
|
|
Unghiul capului de cap |
|
|
26.156 grad 67.237 grad |
|
|
Unghiul conului de picior |
|
|
22.756 grad 63.844 grad |
|
|
Diametrul de divizare exterior |
|
|
|
|
|
Dimetrul cercului de cap exterior |
|
|
109.42 mm 226.31 mm |
|
|
Inaltimea exterioara a conului de cap |
|
|
145.82 mm 63.42 mm |
|
|
Inaltimea interioara a conului de cap |
|
|
109.29 mm 47.11 mm |
|
Dimensiuni nominale de control |
||||
|
|
Coarda constanta exterioara |
|
|
6.28 mm 4.80 mm |
|
|
Inaltimea la coarda constanta |
|
|
4.01 mm 1.96 mm |
|
Roti dintate cilindrice analoage |
||||
|
|
Numarul de dinti |
|
|
|
|
|
Diametrul de divizare |
|
|
109.48 mm 550.36 mm |
|
|
Diametrul cercului de cap |
|
|
119.80 mm 556.04 mm |
|
|
Unghiul de presiune pe cercul de cap |
|
|
30.82 grad 21.55 grad |
|
|
Diametrul de baza |
|
|
102.87 mm 522.50 mm |
|
|
Distanta dintre axe |
|
|
329.92 mm |
Proiectarea arborilor
1.Alegerea materialului
I = 42.11 N m ![]()
II = 91.50 N m
![]()
III = 221.72 N m
![]()
Calculul reactiunilor din reazeme
In plan vertical :

zona I
zona III
In plan vertical :

zona I
zona III
zona II ![]()
Calculul momentului
rezultant
:

Calculul momentului echivalent ![]()
:
Se alege materialul OLC 50 ![]()

Predimensionarea arborelui din conditia de rezistenta la solicitari compuse :


Se adopta d = 30 mm
Verificarea arborilor
1.Tema proiectului
2.Alegerea puterii
3.Calculul transmisiei prin curele trpezoidale inguste
3.1Curele trapezoidale inguste
3.2Dimensionarea rotii de curea
4.Angrenaje cilindrice
4.1Predidensionarea angrenajelor cilindrice
4.2Calculul geometric in cazul angrenajului cilindric
4.3Verificarea angrenajelor cilindrice
4.4Precizia angrenajelor cilindrice
5.Angrenaje conice
5.1Predidensionarea angrenajelor conice
5.2 Calculul geometric al angrenajelor concurente conice cu dantura dreapta
5.3 Verificarea angrenajelor conice
6.Proiectarea arborilor
6.1Proiectarea arborelui III
7.Calculul rulmentilor
8 .Bibliografie
Bibliografie
· &n 454c23e bsp; I.Crudu, ê.a. Atlas de reductoare cu roïi dinïate.
· &n 454c23e bsp; L.Coêtiuc, D.Leochi, M.Gafiïanu Indrumar de proiectare
O.M., fascicula III curele si lanïuri.
I.P.Iaêi 1983
· &n 454c23e bsp; S.Creïu, ê.a. Indrumar proiectare O.M., fascicula II.
· &n 454c23e bsp; M.Gafiïanu, S.Creïu, ê.a. Indrumar de proiectare. Arbori
drepïi. Imbin²ri cu pene si caneluri si lag²re
radiale. I.P.Iaêi 1983
|