ALTE DOCUMENTE
|
||||||||||
Pneumatica proportionala - Celule pneumatice
Asocierea dintre tehnologia pneumatica noua si o el 828m125i ectronica moderna permite reglarea cu precizie a valorilor presiunii, debitului, fortei, vitezei si pozitionarii unghiulare sau liniare.
Produsele SENTRONIC prezinta performante exceptionale :
diametrele de trecere sunt echivalente atat la admisie cat si la refulare, deci timpii de raspuns sunt foarte scurti ;
valoarea dorita (analogica sau digitala, la alegere) este comparata si ajustata in timp real, cu presiunea de iesire ; reglarea este deci in bucla inchisa.
Actiunea conjugata a acestor elemente antreneaza o functionare cu un histerezis foarte scazut.
Princiupiu de functionare
Reglarea este obtinuta prin interventia asupra echilibrului sau dezechilibrului a 2 forte :
FM = forta magnetica ;
FR = forta de revenire (proportionala cu presiunea de iesire)
FR = (D12 - D22) x
x P2
Vom avea:
Pozitia de echilibru: FM = FR
Cand este ceruta o crestere a presiunii: FM > FR
Cand este ceruta o diminuare a presiunii: FM < FR
Circuit electronic de comanda pentru electrovana proportionala
Captorul de presiune
Conector amplificator
Potentiometru
a) placi de baza simple, independente ;
b) placi de baza asociate, echipate cu un selector de legaturi care permit montarea componentelor in serie sau paralel.
a) Placa de baza simpla
Aceasta permite racoradrea separata a unei celule sau a unui component cu 3 orificii care are aceiasi oglinda cu oglinda unei celule (temporizator, electrovana, amplificator, etc.).
Placa de baza este prevazuta cu racorduri orientabile si se monteaza pe profile simetrice DIN.
Astfel avem :
A - racord orientabil la 180° cu cuplare rapida pentru tuburi cu diametrul exterior de 4 mm
Orificiul de intrare 1 - culoare : verde
Orificiul de intrare 2 - culoare : galben
Orificiul de iesire 3 - culoare : rosu
B1 - indicator (martor) al presiunii de intrare - culoare : verde
B3 - indicator (martor) al presiunii de iesire- culoare : rosie
C - suruburi de fixare pe sina DIN, ¼ de tura rotaie
D - indicator
E - zona de marcaj
Indicatoarele (martorii) de presiune permit testarea prezentei sau absentei semanlului de intrare sau de iesire.
Fiecare placa de baza sau component logic este dotat cu aceste indicatoare.


Fig.3
b) Placi de baza asociate
Acestea sunt placi juxtapuse inzestrate cu un selector de legaturi care permite racordarea cu celule sau componente cu 3 orificii, avand aceiasi oglinda cu oglinda celulelor logice.
Placile de baza asociate sunt prevazute cu racorduri orientabile si se monteaza pe profile simetrice DIN.
Astfel avem :
A - racord orientabil la 180° cu cuplare rapida pentru tuburi cu diametrul exterior de 4 mm
Orificiul de intrare 1 - culoare : verde
Orificiul de intrare 2 - culoare : galben la placile de la extremitati
Orificiul de iesire 3 - culoare : rosu
B1 - indicator (martor) al presiunii de intrare - culoare : verde
B3 - indicator (martor) al presiunii de iesire- culoare : rosie
C - suruburi de fixare pe sina DIN, ¼ de tura rotaie
D - indicator
E - zona de marcaj
F - Dispozitiv de asamblare
S - Selector
Selectorul de legaturi, livrat cu fiecare placa asociabila si integrat in aceasta, are 2 pozitii care permit realizarea instantanee a doua tipuri de legaturi intre componente. Pe selector, fiecare functie este reperata prin cifrele 22 sau 32 si printr-un trasaj de legaturi care permite identificarea pozitiei selectorului.
Functiile selectorului :
Permite cablarea in serie ; pozitia selectorului pe 32
Permite cablarea in paralel ; pozitia selectorului pe 22
reducerea numarului de cabluri ;
ameliorarea timpilor de raspuns ;
diminuarea suprafetelor ;
estetica si vizualizare usoara.
9.2.1 Functia « SAU »
a) Montaj in cascada
b) Montaj cu intrare comuna :
cu o presiune de alimentare comuna pentru celulele active DA, NU, sau componentele periferice ;
cu o varaibila comuna(exemplu : semnal comun de autorizare de functionare)
c) Montaj mixt


![]()
Temporizator
Acesta se intercaleaza intre dispozitivul de comanda si organul de comanda.
Temporizatorul dezvolta un semnal de iesire a carui aparitie este intarziata in raport cu aparitia unui semnal de comanda.
El este constituit dintr-un mic distribuitor cu sertar, a carei deschidere este declansata dupa un timp de deplasare controlat printr-un ajustaj reglabil (timp de la 0 la 60 sec).
a) Temporizator reglabil cu iesire pozitiva
b) Temporizator reglabil cu iesire negativa
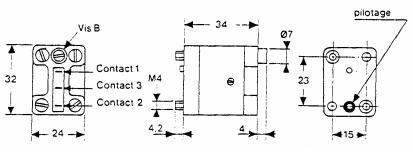
Contact electric de presiune


Fig.16
Acest aparat transforma o informatie pneumatica in informatie electrica.
El permite o reglare permanenta, realizand varaiatia nivelului de anclansare.
Acest aparat se va monta prin suruburi pe placi asociate sau independente. El este reglabil prin surubul (B) si este furnizat cu o protectie din plastic.
|