Documente online.
Zona de administrare documente. Fisierele tale
Am uitat parola x Creaza cont nou
 HomeExploreaza
upload
Upload




Presa mecanica

tehnica mecanica


GENERALITATI





1.1Plante oleaginoase



Uleiurile si grasimile vegetale se gasesc in natura si in tesutul plantelor , fiind concentrate in seminte , in pulpa , respectiv in samburele fructelor , in tubercule sau in germeni .

Samanta matura este formata din miez si coaje .

Miezul semintei este constituit din embrion ( compus din gemula si doua cotiledoane ) si dintr-un strat hranitor , numit endosperm .

In cotiledoane si endosperm se gasesc rezervele de baza in substante hranitoare , respectiv si in ulei , proportiile variind in functie de natura semintelor . Astfel , in semintele de floarea-soarelui si soia partea cea mai bogata in substante hranitoare se gaseste in cotiledon , in timp ce endospermul are forma unui str 323c22d at foarte subtire . In semintele de in partea hranitoare este distribuita aproximativ egal intre cotiledon si endosperm , iar in semintele de ricin numai in endosperm , cotiledonul fiind doar un strat foarte subtire , fara substante hranitoare .

Coaja ( pericarpul ) difera ca structura anatomica de la o samanta la alta , putand atinge in greutate de la 7 – 12 % din totalul greutatii semintei de soia , la 14 – 28 % la semintele de floarea-soarelui . Pericarpul la semintele de floarea-soarelui este format din trei straturi : epicarp , mezocarp si endocarp . Epicarpul este stratul de celule periferice , care cuprind diferiti pigmenti ( alb , cenusiu , negru , cafeniu ) , datorita carora fructul apare colorat . Mezocarpul este stratul median al pericarpului , care are celule tari , lemnoase , ceea ce ii confera rezistenta cunoscuta . Endocarpul are la cele mai multe seminte celule mici , formand un strat moale si subtire .


Compozitia principalelor materii prime oleaginoase

Tabelul 1


Principalele plante oleaginoase :

a. Floarea-soarelui . Este o planta anuala si ocupa locul I in Europa intre plantele utilizate pentru obtinerea uleiurilor alimentare si locul II in lume . A inceput sa fie cultivata in tara noastra in primii ani ai sec. XX (1910) pe o suprafata de 672 ha , suprafata crescand pana la 6271 ha in 1914. In 1938 erau insamantate aproape 66800 ha.

Ea sa impus ca urmare a continutului mare de ulei in seminte -48 % ) si a calitatilor deosebite ale acestuia .

Daca raportam la suprafata cultivata de pe un hectar se pot obtine

700-800 l

Uleiul are o culoare deschisa (aurie buna stabilitate ( poate fi utilizat la conserve ) , contine vitaminele : A , D , E , K .

Romania este prima tara care a introdus in cultura hibrizi de floarea-soarelui citoplasmatici rezistenti la mana .

Floarea-soarelui are o inaltime de pana la 2,5 m , cu o inflorescenta dubla . Pe exterior are o floare sterila , iar cele interioare sunt fertile , care dupa polenizare formeaza semintele sub forma de achene alungite . Tulpina si frunzele se utilizeaza la furaje , la fel si turtele , sroturile ramase in urma extragerii uleiului . Prin arderea resturilor de plante se obtine o cenusa bogata in potasiu , foarte buna ca ingrasamant .

Recoltarea se poate face complet mecanizat cand umiditatea ajunge la 38 – 40 In acest moment nu se mai fac acumulari de substante utile (ulei)

In seminte , dar pentru depozitare semintele trebuie uscate pana la o umiditate de 10 – 11 % .

b. Soia . Locul I in lume in privinta suprafetei cultivate pentru producerea uleiului si a substantelor proteice .

Semintele contin 18 – 22 % ulei si 37 – 40 % substante proteice .

Uleiul de soia este foarte bogat in vitamine ( A , B , B , C , D , K ) ceea ce ii confera calitati deosebite .

Faina de soia se utilizeaza in amestec cu faina de grau pentru obtinerea unor produse de panificatie . Faina se mai utilizeaza ca adjuvant in productia de mezeluri . Soia se mai utilizeaza pentru substituirea produselor de origine animala ( carne si branza din soia ) . Sroturile sunt utilizate pentru furajarea animalelor sau pentru producerea de nutreturi concentrate .

Particularitati biologice : tufa –70 cm latime ) ; fructifica sub forma de pastai paroase ( 2 – 4 seminte ) ; semintele mature sunt cafenii ; de pe o planta se pot cultiva 125 – 150 g seminte .

Recoltarea se face mecanizat cand pastaile s-au uscat si umiditatea ajunge sub 16

Productia medie 1700 kg / ha 350 – 450 kg ulei .




1.2 Scopul presarii


Presarea este operatia prin care se separa sub actiunea unor forte exterioare componentul lichid (uleiul) dintr-un amestec lichid-solid ( macinatura oleaginoasa). La presare rezulta uleiul brut de presa si brochenul. Operatia de presare este cunoscuta ca cea mai veche metoda de obtinere a uleiurilor vegetale comestibile. In prezent ea se realizeaza cu prese mecanice de mare randament, cu functionare continua, fiind practic abandonata utilizarea preselor discontinui, hidraulice. Prin procedeul de presare se poate obtine o separare a uleiului de pana la 80—85%, restul uleiului fiind obtinut prin extractie cu dizolvanti. Din aceasta cauza sunt supuse procesului de presare numai materiile prime oleaginoase a caror continut in ulei depaseste 30%. Cele cu un continut mai mic sunt supuse direct procesului de extractie, deoarece randamentul scazut nu justifica cheltuielile materiale generate de aceasta metoda de obtinere a uleiului brut.


1.3 Consideratii teoretice asupra presarii



Procesul de presare a macinaturii oleaginoase are loc sub influenta fortelor de compresiune ce iau nastere in presele mecanice. In aceste conditii particulele de macinatura fiind presate unele de altele, incepe procesul de separare a uleiului de faza de gel. La inceput au loc separarea uleiului retinut la suprafata particulelor de fortele de suprafata ale campului molecular, prin canalele ce se formeaza intre particule. La o anumita presiune incepe deformarea si comprimarea puternica a particulelor, ceea ce provoaca eliminarea uleiului ce se gasea inainte in capilarele particulelor.

Cand spatiul dintre suprafetele particulelor devine atat de mic incat pelicula de ulei este supusa fortelor de retinere exercitata de ambele suprafete ale particulelor, uleiul nu mai poate fi eliminat, pelicula se rupe in mai multe locuri, iar suprafetele particulelor se ating si incepe asa-numita brichetare, adica formarea brochenului .

Cresterea presiunii asupra particulelor de macinatura trebuie sa fie treptata, deoarece la o ridicare brusca a acesteia particulele fine de macinatura blocheaza iesirea uleiului din capilare, reducand randamentul general de presare.















2. STUDIU COMPARATIV PRIVIND UTILAJELE SIMILARE






2.1 Presa mecanica „TPU-225”


In figura este prezentata o presa mecanica moderna, pentru presarea preliminara de tipul celor construite in prezent in tara noastra. Aceasta se compune din batiu, sistemul de actionare, camera de presare, axul cu melci (surubul elicoidal), conul de reglare si dispozitivul pentru colectarea uleiului.


Fig.2.1 Presa mecanica pentru presarea preliminara moderata TPU-225

1-batiu; 2, 3-suporti ale camerei de presare; 4-reductor; 5-saiba de actionare; 6, 7-roti dintate; 8-axul reductorului; 9-axul saibei de actionare; 10-lagar de presare; 11-cuplaj; 12-ax cu surub elicoidal; 13-camera de presare; 14-mecanismul de presiune; 15-sita; 16-jgheab collector pentru ulei.

Alimentarea cu macinatura a presei se realizeaza prin cadere libera sau prin antrenarea macinaturii cu un melc vertical, a carui functionare poate fi automatizata.

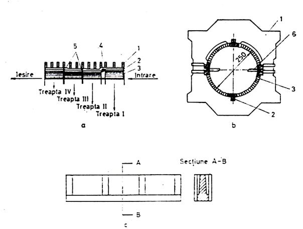
Camera de presare se compune din doua jumatati identice, strinse intr ele din amindoua partile cu eclise formate din bare de otel. Eclisele sint fixate in noua suruburi.


Fig.2.2 Camera de presare la presa TPU-225

a-sectiune longitudinala; b-sectiune transversala prin treapta I; c-bagheta; 1-bride semirotunde; 2-lonjeroane; 3-baghete; 4, 5-inele intermediare; 6-cutite.

Caracteristici ale treptelor de presare

Tabelul 2

Sectiunea (treapta)

Diametrul interior (mm)

Interstitii intre baghete (mm)

Floarea soarelui

Rapita

In

Soia

Ricin

Germeni de porumb

TPU-225

Expeller

TPU-225

Expeller

TPU-225

Expeller

TPU-225

TPU-225

TPU-225

TPU-225

I











II











III











IV













Cilindrul camerei de presare (fig. 2.2) este format din treisprezece semi-bride de otel 1, legate la mijloc si lateral prin lonjeroanele 2. Semibridele verticale si lonjeroanele formeaza scheletul camerei de presare, in care se monteaza baghetele 3 printre sliturile (interstitiile) carora se scurge uleiul. In lungime, camera de presare este impartita in patru parti egale, adica in patru trepte de cite 273 mm fiecare.



Diametrul diferitelor trepte din camera de presare si marimea interstitiilor intre baghete, folosite la prelucrarea diferitelor materii prime oleaginoase se dau in tabelul 2.


Fig.2.3 Surub elicoidal si cutitele camerei de presare la presa TPU-225

a-cutitul camerei de presare; b-surub elicoidal asamblat; c-elementele surubului elicoidal; 1, 2, 4, 6, 8, 10, 12, 14 -melci; 2, 5, 7, 9, 11, 13, 15, 17-inele intermediare; 16, 18-bucse.



Surubul elicoidal (fig.2.3) este format dintr-un ax pe care sint fixati cu pene paralele obisnuite opt inele, intermediare si doua bucse. Lungimea totalaa axului cu melci fara piulite este de 2400mm.

In scopul curatirii de macinatura care se depune pe inelele intermediare, ca si pentru evitarea returului macinaturii in camera de presare se monteaza doua perechi de cutite (fig.2.3 a) cu cinci si cu trei dinti sau o pereche de cutite cu opt dinti.


2.2 Presa mecanica „Expeller-202”


Acest tip de presa este conceput pentru presare finala, foarte avansata, putind realiza la turatii mici o extragere a uleiului in proportie de pina la 92 – 95%. Daca aceste prese lucreaza la turatii mai ridicate si presiuni mai scazute, realizeaza doar o presare preliminara avansata, in schimbul cresterii substantiale a productivitatii





Fig.2.4 Axul elicoidal al presei „Expeller-202”


Principalele deosebiri constructive fata de presa TPU-225 sint:

- evacuarea brochenului are loc in spre subansamblul de actionare si este prevazuta posibilitatea colectarii separate a brochenului debitat la punerea in functiune a presei (avind continut mai mare de ulei), care este returnat in prajitoare;

dispune de un alimentator mecanic pentru macinatura;

pentru reducerea temperaturii in camera de presare axul cu melci se poate raci, iar camera de presare este racita in exterior prin stropire cu ulei recirculat rece (circa 1/3 din uleiul separat);

zatul iesit printre baghete este antrenat impreuna cu uleiul cu ajutorul unui transprtor cu melc;

mecanismul conului de reglare poseda un dispozitiv indicator de pozitie.

Axul presei (fig. 2.4) cuprinde opt elemente melc (2, 4, 6, 8, 10, 12, 14, 16), sapte inele intermediare (3, 6, 7, 9, 11, 13, 15), doua bucse (1 si 17), precum si mecanismul conului de reglare a presiunii in ultima treapta de presare 18. Axul presei este gol in interior pentru a permite introducerea apei de racire.

O varianta a presei „E.xpeller 202' este presa mecanica tip 202 de productie Chineza. La aceasta varianta, distanta dintre baghete se realizeaza la montajul camerei de presare cu ajutorul unor distatitiere metalice(“spioni”) cu grosimi diferite. Fapt care simplifica mult forma si respectiv operatia de confectionare a baghetelor.

2.3 Presa de mare capacitate

O alta varianta constructiva introdusa in unele fabrici de ulei din tara noastra este presa de mare capacitate pentru presare preliminara moderata. Aceasta presa poate realiza la prelucrarea semintelor de floarea-soarelui 150 t seminte/24 ore, cu 17% ulei remananet in brochen


Fig.2.5 Presa mecanica pentru presare preliminara moderata de mare capacitate

1-batiu; 2-carcasa sistemului de actionare; 3-camera de presare; 4-ax cu melci; 5-con de reglare; 6-snec de alimentare; 7-snec de evacuare ulei cu zat; 8-evacuare brochen.


Presa (fig. 2.5) este actionata de un electromotor de 110 kW si turatia de 1500 rot/min, prin intermediul unui reductor de turatie.

Pe axul cu melci cu turatia de 18 - 22 rot/min (in functie de productivitatea doria) sint montati cu pene paralele obisniute, sase melci si trei inele intermediare. Scheletul camerei de presare se compune din doua jumatati simetrice strinse intre ele cu 34 suruburi de blocare. Pentru asigurarea rigiditatii si rezistentei camerei de presare la presiunile inalte care se creaza in interiorul acesteia in timpul functionarii, aceasta este prevazuta cu 20 semibride din otel. Pentru usurarea demontarii camerei de presare, aceasta se poate roti in jurul axului sau.

Camera de presare are sapte trepte de presare (din care prima este camera de alimentare), pe lungime avind doar doua diametre diferite.

Baghetele camerei de presare sint de forma regulata, fara slituri si se fixeaza cu ajutorul bridelor de stringere si a 78 suruburi cilindrice. Distanta dintre baghete (slituri) se realizpaza cu placute separatoare si este de 0,8 mm la treapta I, de 0,65 mm la treapta II, de 0.45 mm la treapta III, de 0,35 mm la treapta IV si 0,20 mm la treptele V, VI si VII. Pentru evitarea cresterii temperaturii in camera de presare axul este racit in interior.



Presa mecanica pentru presarea preliminara TF

Fig.2.6 Presa mecanica pentru presarea preliminara TF

1 si 2- suporturi de fonta; 3 si 4 - batiu; 5 si 6 - carcase; 7 - buloane de stringere; 8 - motor elcctric; 9 - cuplaj; 10 - pinioane cilindrice; 11 - ax melcat; 12 - elemente cu spire; 13 - rulment de presiune cu bile; 14 - rulmenti cu role; /J si 16 -     carcasa; 17 - mecanism de reglare; 18 - conul orificiului de evacuare; 19 - transmisie cu ]ant; 20 si 21 - pinioane conice; 22 - ax; 23 - element cu spire; 24 - camera de alimentare.




TEMA DE PROIECT




Sa se proiecteze o presa dubla pentru obtinerea uleiurilor vegetale cu urmatoarele caracteristici:

-presa cu pas constant si sectiune variabila in trepte;

-debitul de ulei Q=360l/h;























2.5.Presa cu burduf

Presa cu burduf este utilizata pentru presarea strugurilor zdrobiti, in vederea obtinerii mustului

Fig.2.7

Fig.2.8

Elementele componente ale presei sunt : 1- cadru din profiluri metalice ; 2- tambur , din otel inoxidabil , cu orificii dreptunghiulare 20x1,5 mm ; 3- capace pentru alimentarea si descarcarea bostinei ; 5- nervuri de rigidizarea a tamburului ; 6- burduf din cauciuc ;7- discuri de fixare a burdufului ; 8- racord pentru instalatia pneumatica ; 9- racord de evacuare aer comprimat ; 10- compartiment ( jgheab) pentru must ; 11- compartiment ( jgheab) de evacuare pentru tescovina ; 12- melc evacuare tescovina ; 13- mecanism cu lant pentru deplasarea compartimentelor 10 si 11 .



2.6.Presa cu actiune continua pentru struguri PCS


Este destinata pentru presarea mustuielii fermentate sau proaspete , precum si pentru presarea tescovinei obtinuta de la presele pneumatice .

Fig.2.9


Aceasta presa (fig.2.9) este formata din urmatoarele elemente componente :

1- cadru ; 2- cos de alimentare ; 3- mecanism de presare ; 4- transmisie ; 5- instalatie electrica ; 6- rotile de transport ; 7- protap ; 8- jgheab ; 9- stuturi de scurgere .


2.7.Presa S10-CPE

Aceasta presa (fig.2.10) realizeaza presarea cu ajutorul unor transportoare de presare legate intre ele cu suporturi sudate din cornier cu profil “U”.

Fig.2.10

Elementele componente ale presei : 1 - benzi de filtrare ; 2- mecanism de strangere ; 3- buncar ; 4,7- role pentru desfacerea benzii ; 5- mecanism de deviere ;9- tambur ; 10- banda transportorului ; 11- mecanisme de presare ; 12- ajutaj conic ;13- colector pentru must ; 14- role pentru rasucirea benzii de filtrare ; 15- cadru ; 16- alimentator ; 18- mecanism pentru spalarea benzii .

Pe transportoare , in partea inferioara se afla glisierele , pe care aluneca lantul .Transportoarele de presare sunt asezate unul deasupra altuia astfel incat , spatiul intre ele se micsoreaza in mod continuu , ceea ce mareste presiunea asupra materiei prime de presare ( bostina ) si asigura o separare mai buna a mustului . Alimentatorul are doua snecuri cu cosul perforat . Sectiunea transversala a acestuia are forma ovala .












2.6 Presa „Mini 40”



Fig.2.9 Presa de ulei tip „Mini 40”

Tabelul 3

Debit nominal

Antepresare

55 kg/h

Presare

40 kg/h









Electric

Diesel

Lungime

700mm

860mm

Latime

550mm

960mm

Inaltime

1450mm

700mm





55mm

55mm

Greutatea

200kg

500kg







~4,0kW

4,0kW

Puterea instalata





2.7 Presa „Mini 100”



Fig.2.10 Presa de ulei tip „Mini 100”


Tabelul 4

Debit nominal

Antepresare

150kg/h

Presare

100kg/h






Lungime

1500mm

Latime

375mm

Inaltime

500mm


100mm

Greutatea

500kg

Puterea

7,5kW



2.8 Presa „Mini 200”



Fig.2.11 Presa de ulei tip „Mini 200”

Tabelul 5

Debit nominal

Antepresare

300kg/h

Presare

200kg/h






Lungime

2200mm

Latime

680mm

Inaltime

840mm


125mm

Greutatea

900kg

Puterea

15kW








2.9 Presa Mini 500”


Fig.2.12 Presa de ulei tip „Mini 500”

Tabelul 6

Debit nominal

Antepresare

500kg/h

Presare

250-300kg/h






Lungime

2300mm

Latime

700mm

Inaltime

850mm


150mm

Greutatea

900kg

Puterea

22kW









Document Info


Accesari: 7477
Apreciat: hand-up

Comenteaza documentul:

Nu esti inregistrat
Trebuie sa fii utilizator inregistrat pentru a putea comenta


Creaza cont nou

A fost util?

Daca documentul a fost util si crezi ca merita
sa adaugi un link catre el la tine in site


in pagina web a site-ului tau.




eCoduri.com - coduri postale, contabile, CAEN sau bancare

Politica de confidentialitate | Termenii si conditii de utilizare




Copyright © Contact (SCRIGROUP Int. 2025 )