Grupul Scolar de Industrializarea Lemnului Pitesti
Proiect de absolvire
nivelul III – ciclul superior
Specializarea: Tehnician proiecant CAD
Tema proiectului: Sa se realizeze desenul de executie al piesei ,, Inel presare ” , precum si un model spatial (3D).
Argument
Datorita dezvoltarii extraordinare a industriei constructilor de masini in ultimul sfert de secol a aparut necesitatea realizarii unor proiecte de complexitate ridicata intr-un timp foarte scurt.
Problema nu a putut fi rezolvata decat prin realizarea unui soft care permite realizarea unor desene complexe intr-un timp scurt.Astfel firma Auto Desck inca de la inceputul anilor 90 prin primele aplicatii de AutoCAD a permis realizarea desenelor pe format electronic avand posibilitatea de a fi modificate in permanenta fara a se incepe desenul de la capat
Un pas important a fost facut atunci cand aplicatia AutoCAD a permis inscrierea cotelor si tolerantelor pe desen.
Astazi s-a ajuns ca aplicatia produsa de Auto Desck sa poata realiza modele tridimensionale care pot fi explorate de la exterior catre interior si invers.
In aceste conditii am hotarat ca tema pentru examenul de atestat sa o realizez in AutoCAD din urmatoarele motive:
-in clasa a XI-a am invatat sa lucrez cu acest program atat in procesul de desenare cat si in cel de editare;
-tema pe care am primit-o pentru atestat se preteaza pentru a fi realizata in AutoCAD deoarece intruneste conditii pe care eu le stapanesc in mare masura inca de pe clasa a XI-a;
-piesa poate fi desenata si modelata foarte usor atat in 2D cat si in 3D;
-aplicatia imi permite sa efectuez importuri si exporturi de desene,tabele,schite,etc. din AutoCAD in alte aplicatii si invers;
-pot sa realizez legatura intre aplicatia AutoCAD si alte aplicatii compatibile cu acesta(AutoLisp Mechanicale,AutoCAD Inventor,etc).
In concluzie ceea ce am ales consider ca imi va fi de folos atat in realizarea lucrarii de atestat cat si pentru cunostiintele mele generale.
Cuprins
1) Argument
2) Continuturi
2.1 Studiul tehnic al piesei
2.2 Stabilirea formatului de desenare si a numarului maxim de proiectie
2.3 Realizarea desenului.
2.3.1 Desenarea axei de simetrie;
2.3.2 Desenarea conturului exterior;
2.3.3 Desenarea conturului interior;
2.3.4 Realizarea vederii in oglinda;
2.3.5 Realizarea racordarilor si tesiturilor;
2.3.6 Realizarea hasurii;
2.4 Cotarea,notarea tolerantelor,abaterilor si a rugozitatilor;
3) Modelarea 3D.
3.1 Trecerea vederii principale in 3D;
3.2 Stabilirea tipului de modelare;
3.3 Realizarea desenului 3D;
3.4 Realizarea unei sectiuni totale sau partiale prin modelul 3D;
4) Norme tehnice de securitate a muncii specifice la proiectarea CAD.
5) Bibliografie.
6) Anexe, desene, schite, planse.
Bibliografie
1) Note de curs;modulul II,modulul X,modulul XI clasa a XI-a,modulul V,modulul VIII si modulul IX clasa a XII-a.
2) Profesor:Radu Luncan,utilizarea aplicatilor de tip CAD.
Editura: TREIRA,Oradea
3) Ion Simion AutoCAD 2008 pentru ingineri.
4) J.Omura AutoCAD 2006 si AutoCAD LT.
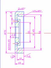
2.1 Studiul tehnic al piesei
Piesa ,, Inel presare” face parte din categoria piselor din clasa pieselor de flansa,avand rolul functional de fixare si orientare in cadrul ansamblului din care face parte.Este confectionat din OLC 45prin prelucrari mecanice conventionale pe masini unelte universale.
Este alcatuit din suprafete geometrice relativ simple avand prelucrari clasate in clasa ,,m” de precizie conform STAS/ISO-2300/94-m.Piesa va fi reprezentata conform dimensiunilor de gabarit pe un format A3 astfel o plansa care cuprinde desenul de executie in 2D si o plansa cu proiectiile minime necesare precum si un desen in perspectiva realizat in 3D.
2.2 Stabilirea formatului de desenare si a numarului maxim de proiectie
Command: limits
Reset Model space limits:
Specify lower left corner or [ON/OFF] <0.0000,0.0000>:
Specify upper right corner <420.0000,297.0000>: 420.297
Command: z
ZOOM
Specify corner of window, enter a scale factor (nX or nXP), or
[All/Center/Dynamic/Extents/Previous/Scale/Window] <real time>: a
2.3 Realizarea desenului
Pentru desenul temei se vor realiza cu ajutorul comenzii layer urmatoarele straturi
-stratul axa
-stratul contur
-stratul cota
-stratul hasura
Acestea sunt reprezentate si setate conform figurii de mai jos.

2.3.1Desenarea axei de simetrie
Conform desenului se vor reprezenta axele de simetrie in statul axe acesta devenind activ conform figurii de mai jos

2.3.2 Desenarea conturului exterior
Liniile de contur ale desenului vor fi realizate in statul contur folosim coordonate polare,relative sau absolute.
Specify next point or [Undo]: @6<0
Specify next point or [Arc/Halfwidth/Length/Undo/Width]: @5<180
Specify next point or [Arc/Close/Halfwidth/Length/Undo/Width]: @7.5<90
Specify next point or [Arc/Close/Halfwidth/Length/Undo/Width]: @2<0
Specify next point or [Arc/Close/Halfwidth/Length/Undo/Width]: @3.25<270
Specify next point or [Arc/Close/Halfwidth/Length/Undo/Width]: @10<0
Specify next point or [Arc/Close/Halfwidth/Length/Undo/Width]: @8<0
2.3.4 Realizarea vederii in oglinda
MIRROR
Select objects: Specify opposite corner: 23 found
Select objects:
Specify first point of mirror line: Specify second point of mirror line:
Delete source objects? [Yes/No] <N>:
2.3.5 Realizarea racordarilor si tesiturilor
Command: _chamfer
(TRIM mode) Current chamfer Dist1 = 2.0000, Dist2 = 2.0000
Select first line or [Polyline/Distance/Angle/Trim/Method]: d
Specify first chamfer distance <2.0000>: 1
Specify second chamfer distance <1.0000>:
2.3.6 Realizarea hasurii
bhatch
Select internal point: Selecting everything
Selecting everything visible
Analyzing the selected data
Analyzing internal islands
Select internal point:
2.4 Cotarea,notarea tolerantelor,abaterilor si a rugozitatilor:

3) Modelarea 3D
3.1) Pentru a reprezenta spatial piesa ,,Inel presare” este necesar ca sa modificam spatiul de desenare din 2D in 3D.Pentru aceasta se v-a folosi comanda ,,V point” care ne ajuta sa transformam spatiul de lucru in 3D.
Command: vpoint
Current view direction: VIEWDIR=0.0000,0.0000,1.0000
Specify a view point or [Rotate] <display compass and tripod>: r
Enter angle in XY plane from X axis <270>: 45
Enter angle from XY plane <90>: 45Regenerating model
3.2) Stabilirea tipului de moderare.Pentru a realiza
un model spatial al piesei ,,Inel presare” se v-a analiza din punct de vedere geometrice formele acestuia.In urma analizei am constatat ca piesa ,,Inel presare”v-a fi reprezentata ca un model ,,hide” fiind
necesara o dezvoltare pe jumatate a piesei fata de axa de simetrie conform figurii de mai jos

|