Grup scolar Industrial "Dacia" Bucuresti
Proiect pentru certificarea competentelor profesionale
Specializare :Tehnician mecatronist
Īndrumator: Prof. Iacob Ionut stefan
Elev: Neacsu Carmen Madalina

Cuprins
AUTOMATE PROGRAMABILE
Argument.................... 22522t1910w .................... 22522t1910w .................... 22522t1910w .................... 22522t1910w .................... 22522t1910w .....pag 5
Sistemul de interfata automat-masina.................... 22522t1910w .................... 22522t1910w .................... 22522t1910w .pag 7
Sistemul de interfata pe intrare.................... 22522t1910w .................... 22522t1910w .................... 22522t1910w ............pag 8
Sistemul de interfata pe iesire.................... 22522t1910w .................... 22522t1910w .................... 22522t1910w ..............pag 9
2. GENERALITATI DESPRE A.P. HITACHI EC-28 HRP.................... 22522t1910w ...............pag 10
Prezentare generala.................... 22522t1910w .................... 22522t1910w .................... 22522t1910w .................... 22522t1910w .......pag 11
Specificatii de baza.................... 22522t1910w .................... 22522t1910w .................... 22522t1910w .................... 22522t1910w ..........pag11
3. Programarea A.P. Hitachi EC-28HRP.................... 22522t1910w .................... 22522t1910w .................... 22522t1910w pag 12
Instructiuni de baza.................... 22522t1910w .................... 22522t1910w .................... 22522t1910w .................... 22522t1910w .........pag 12
Instructiuni de aplicare.................... 22522t1910w .................... 22522t1910w .................... 22522t1910w .................... 22522t1910w .....pag 16
Registrul de deplasare.................... 22522t1910w .................... 22522t1910w .................... 22522t1910w .................... 22522t1910w .....pag 20
Anexe.................... 22522t1910w .................... 22522t1910w .................... 22522t1910w .................... 22522t1910w .................... 22522t1910w ...........pag 21
Figura 1.................... 22522t1910w .................... 22522t1910w .................... 22522t1910w .................... 22522t1910w .................... 22522t1910w .........pag 22
Figura 2.................... 22522t1910w .................... 22522t1910w .................... 22522t1910w .................... 22522t1910w .................... 22522t1910w .........pag 23
Figura 3.................... 22522t1910w .................... 22522t1910w .................... 22522t1910w .................... 22522t1910w .................... 22522t1910w .........pag 23
Figura 4.................... 22522t1910w .................... 22522t1910w .................... 22522t1910w .................... 22522t1910w .................... 22522t1910w .........pag 24
Figura 5.................... 22522t1910w .................... 22522t1910w .................... 22522t1910w .................... 22522t1910w .................... 22522t1910w .........pag 25
Figura 6.................... 22522t1910w .................... 22522t1910w .................... 22522t1910w .................... 22522t1910w .................... 22522t1910w .........pag 26
Figura 7.................... 22522t1910w .................... 22522t1910w .................... 22522t1910w .................... 22522t1910w .................... 22522t1910w .........pag 27
Figura 8.................... 22522t1910w .................... 22522t1910w .................... 22522t1910w .................... 22522t1910w .................... 22522t1910w .........pag 27
Figura 9.................... 22522t1910w .................... 22522t1910w .................... 22522t1910w .................... 22522t1910w .................... 22522t1910w .........pag 28
Figura 10.................... 22522t1910w .................... 22522t1910w .................... 22522t1910w .................... 22522t1910w .................... 22522t1910w .......pag 29
Figura 11.................... 22522t1910w .................... 22522t1910w .................... 22522t1910w .................... 22522t1910w .................... 22522t1910w .......pag 29
Figura 12.................... 22522t1910w .................... 22522t1910w .................... 22522t1910w .................... 22522t1910w .................... 22522t1910w .......pag 30
Figura 13.................... 22522t1910w .................... 22522t1910w .................... 22522t1910w .................... 22522t1910w .................... 22522t1910w .......pag 30
Figura 14.................... 22522t1910w .................... 22522t1910w .................... 22522t1910w .................... 22522t1910w .................... 22522t1910w .......pag 31
Figura 15.................... 22522t1910w .................... 22522t1910w .................... 22522t1910w .................... 22522t1910w .................... 22522t1910w .......pag 31
Tabelul 1.................... 22522t1910w .................... 22522t1910w .................... 22522t1910w .................... 22522t1910w .................... 22522t1910w .......pag 32
Bibliografie.................... 22522t1910w .................... 22522t1910w .................... 22522t1910w .................... 22522t1910w .................... 22522t1910w ....pag 33
AUTOMATE PROGRAMABILE
Argument
Flexibilitatea,fiabilitatea,insensibilitatea la perturbatii precum si o serie de cerinte privind facilitatile oferite la introducerea sau la modificarea programelor de lucru sunt cateva din caracteristicile de baza ce se impun la ora actuala echipamentelor de conducere pentru majoritetea aplicatiilor ce utilizeaza robotii industriali.Intr-o mare masura,aceste cerinte sunt acoprite de automate programabile.
Un automat programabil este un sistem specializat destionat pentru tratarea problemelopr de logica secventiala si combinationala,simuland structurile logice de comanda printr-o configuratie elastica ,programabila.Prin conceptia sa ,un automat programabil este adaptabil pentru functionarea in mediul industrial,poate opera intr-o plaja larga de temperatura si umiditate,este usor adaptabil la interfatarea cu orice proces si nu pune probleme deosebite privind formarea personalului de deservire datorita facilitatilor de programare oferite.Toate aceste caracteristici,la care se mai pot addauga robustetea generala a echipamentului si pretul de cost relati redus,fac ca automatele programabile sa constituie o pondere importanta in sistemele de conducere ale masinilor unelte si robotilor industriali.
Arhitectura generala a unui automat programabil este desfasurata in jurul unei magistrale e date la care sunt conectate circuitele de intrare-iere,unitatea centrala si memeoria sistemului.
Variabilele de intrare sunt realizate sub forma diverselor elemente de comanda si masurare incluse in sistemele operationale si auxiliare ale robotilor:limitatore de pozitie,marimi mecanice de la traductoarele de deplasare incrementale sau absolutesau chiar de la sisteme de masurare analogica dupa o conversie analog numerica.
Variabilele de iesire dirijeaza actionarea elementelor de executie de tipul contactelor,electro-valvelor,elementelor de afisare etc.Circuitele de intefata intrare-iesire au rolul de a converti semnalele de intrare de diverse forme in semnale logice adaptate unitatii centrale si de a transforma semnalele logice ale unitatii in semnale de iesire corespunza toare actionarii impuse de sistemul de forta al masinii.(fig.1 din anexa)
Unitatea de comanda coordoneaza toate transformarile de date furnizate de proces,efectueaza operatii logice asupra datelor receptionate si asigura alocarea corespunzatoare a rezultatelor obtinute la iesirile programate.De asemenea,aceasta executa si o prelucrare de informatie numerica de la proces,rezultatul acetor operatii conditionand starea operatiilor logice ale uniatatii de control.
Unitatea de programare permite introducerea si definitivarea programului in raport cu evolutia masinii si cu modificarile impuse in secventele functionale de baza ale acestuia.Solutiile adoptate de catre proiectanti cuprind 2 versiuni:
1)o consola autonoma cu memorie proprie(ofera avantajul unei programari simple,imtr-un birou de proiectare)
2)o consola ce opereaza impreuna cu automatul utilizand memoria acestuia(implica cuplarea directa la automat ,deci implicit programarea se realizeaza nemijlocit in intimitatea procesului tehnologic condus)
Unitatea centrala este in principiu o unitate logica capabila sa interpreteze un numar mic de instructiuni care exprima functiile de baza intr-un proces
de conducere:instructiuni de evaluare a unor instructiuni booleene cu
pastrarea rezultatului la o variabila de memorie sau la o iesire,scadere,comparatie etc.De asemenea pot fi utilizate instructiuni de salt conditionat ,instructiuni de subrutina si instructiuni de indexare.
Executarrea instructiunilor este ciclica ceea ce determina o simplificare considerabila a structurii logice interne si evita introducerea unui sistem de intreruperi prioritare.Ti-
nand cont de constantele de timp proprii actionarii robotilor industriali se impune ca timpul de baleiaj al unui program de conducere sa fie inferior celei mai mici constante de timp.In acest fel se asigura preluarea tuturor informatii lor privind elementele semnificative ale miscarii si interpretarea lor imediata.Memoria automatelor programabile stocheaza programe de date si este in general o memeorie de dimensiune mica intre 1k si 16k cuvinte,standardizate de obicei la 8 sau 16 biti.Memoria este segmentata in zone,una rezervata variabilelor de intrare-iesire,alta variabilelor ce definesc starea interna a automatului si ultima este destinanta programului ce urmeaza sa fie executat.
O caracteristica esentiala a automatelor o constituie simplitatea limbajului de programare.O persoana nefamiliarizata cu tehnici specificede informatica poate sa programeze usor si rapid un automat.Programarea consta dintr-o scriere directa a unor secvente de indtructiuni asu de ecuatii plecand de la o diagrama,organigrame de stari,expresii logice etc.Unele automate utilizeaza pentru programare un limbaj similar unei logici cablate,altele prefera limbaje simbolice de tip boolean,ceea ce le confera o suplete deosebita.
Sistemul de interfata automat-masina
Conecatrea unui automat la dispozitivele de intrare-iesire ale unei masini se realizeaza prin intermediul unor circuite de interfata ce asigura compatibilitatea in tensiune si putere a semnelor transmise.Aceste circuite primesc de la sistemele de masurare si senzoriale ale masinii informatia de masurare corespunzatoare sau genereaza catre sistemul de actionareal acesteia marimile de comanda adecvate .Primul tip de circuite defineste sistemul de interfatarepe intrare al automatului ,iar al doilea pe iesire .
Marimile transmise pot reprezenta variabile de tip secvential sau variabile numerice in conformitate cu structura algoritmilor de comanda utilizati si cu modalitatile de prelucrare interna,in automat,a informatiei de operae.Aceste marimi sunt captate de la masina sau sunt transmise catre aceasta in mod periodic,conform procedurii de dialogare utilizata de automat.Trebuie subliniata,inca odata absenta unui sistem de intreruperi in structura interna a automatului ceea ce impune interogarea periodica a marimilor de intrare(de la masina)si activitatea tot periodica a canalelor de iesire(spre robot).
Dialogul automat-masina poate fi realizat in 3 moduri:
1)la fiecare inceput de ciclu program sunt achizitionate toate marimile de intrare ,se genereaza toate iesirile determinate in ciclul precedent iar ulterior se trece la executia programului propriu-zis
2)sunt achizitionate inatai intrarile,se executa programul si se genereaza iesirile obtinute dupa noua executie a programului;
3)intrarile si iesirile sunt achizitionate sau generate la cerere ,in conformitate cu structura logica a programului.
Sistemul de interfata pe intrare
Informatiile de intrare in automat sunt reprezentate de o serie de variabile de tipul "totul sau nimic"ce definesc anumite pozitii sau stari functionale ale masinii precum si de variabilele numerice obtinute la iesirea traductoarelor de deplasare.Aceste marimi definesc in ansamblu ,campul de variabile de intrare ce constituie sursa unor operanzi primari in prelucrarea ulterioara a informatiei.Selectia acestor marimi se obtine prin mai multe nivele de adresare in functie de numarul de intrari aplicate si modul lor de organizare.
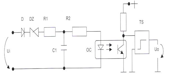
Pentru realizarea compatibilitatii cu magistralele automatului,semnalele primare de intrare sunt prelucrate in circuite specializate CI(circuite de intrare).Acestea asigura adaptarea de impedanta necesara,separarea galvanica a sursei primare,trductorul,circuitele interne ale automatului ,formarea semnalului electric in tensiune la parametrii acceptati de logica interna a acestuia,etc.
Circuitul din figura 2 din anexa contine un prim grup de elemente ce asigura detectia semnalelor pozitive cu o amplitudine sufficient de mare,diodele D si DZ si un circuit de intrare de tip trece-jos,R1,R2,C1.A doua parte a circuitului este obtinuta dintr-un formator cu prag de tip Schmith ce permite obtinerea caracteristicilor rectangulare si de nivel constant pentru semnalele prelucrate.Cele doua parti sunt cuplate printr-un element optocuplor OC ce asigura totodata separarea galvanica fata de sursa primara. Sistemula acesta asigura transferul marimilor de intrare pe magistrala de date a automatului.Daca prelucrarea logica a automatului este numai de tip secvential ,magistrala de date cuprinde numai o singura linie pe care vehiculeaza informatia respective.In cazul in care procesul automatului este de tip numeric atunci magistrala cuprinde in mod curent 8
linii D0,D1,.D7.Variabilele de intrare de tip secvential sunt prelucrate de
linia D0,iar vectorul de intrare numeric este transferat in paralel pe cele 8 linii ale magistralei.
Robotul poate accepta ca variable de tip secvential toate marimile generate dupa principiul "totul sau nimic",deci limitatoarele de pozitie,limitatoarele de cap de cursa,senzori de proximitate,traductoare de forta moment cu prag,etc.toate aceste marimi sunt organizate pe module si conectate direct,sau dupa cateva adaptari la bornele de intrare ale interfetei.
Valorile numerice provin direct din traductoarele de masurare absolute sau din circuitul numeric (numaratorul de impulsuri) asociat masurarii incrementale.In acaesta categorie pot fi incluse marimile furnizate de traductoare senzoriale de tip analogic dupa conversia acestora in marimi numerice.Se pot enumera astfel traductoare de tip potentiometric,majoritatea senzorilor tactili de tip "piele artificiala",traductoare de forta-moment,etc.
Sistemul de interfata pe iesire
Transferul datelor de la automat spre sistemul de actionare al masinii sau spre anumite dispozitive ale instalatiei tehnologice se realizeaza prin tehnici de demultiplexare sccesiva,in paralel,in functie de numarul variabilelor controlate.Variabilele de iesire furnizate de automat pot fi de tip secvential pentru actionarea unor circuite de forta cu sistem de comanda pe poarta , a unor relee intermediare conatactoare al masinii.
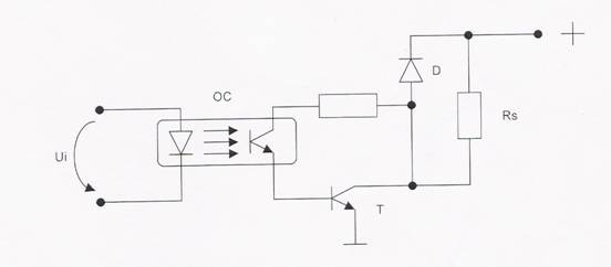
Cuplarea sistemului de interfata la masina se realizeaza prin circuite de iesire specializate CE ce permit adaptarea electrica cu sistemul de actionare al masinii,realizarea nivelului de putere solicitat de circuite de forta precum si separarea galvanica a etajelor.
Circuitul este constituit sub forma unui etaj amplificatorului de tip Darlington(fig.3 din anexa)la care comanda este data printr-un element optocuplor OC.In iesirea amplificatorului este montata sarcina propriu-zisa, protejata la supra tensiuni printr-o dioda numita de protectie D.
Aceste configuratii de circuite sunt utilizate de obicei la transferul variabilelor de tip secvential.Informatiile numerice sunt transferate direct in circuite de control numeric, forma acestora fiind compatibila cu sistemele de prelucrare utilizate in bucle de conducere numerica.Ansamblul acestor marimi defineste campul variabileleor de iesire secventiale E sau numerice EN.In majoritatea programelor de conducere,aceste marimi sunt generate la sfarsitul unor operatii logice sau aritmetice si marcheaza de obicei finalizarea unor secvente functionale.In unele cazuri ,prelucrarea logica executata intr-o anumita faza necesita apelarea unor variabile de iesire determinate intr-o faza anterioara .Pentru a facilita aceste operatii ,unele automate contin o memeorie suplimentara (RAM)in care se inscriu valorile iesirilor simultan cu inscrierea circuitelor de iesire .
Se obtine astfel in memorie o imagine a marimilor de iesire ce poate constitui o sursa pentru operanzii implicate in programele automatului.
2.Generalitati despre A.P. Hitachi EC-28HRP
Prezentare generala
A.P. Hitachi EC-28 HRP face din marea familie de automate programabile fabricate de firma japoneza Hitachi,care produce seria de automate programabile EC. Din aceasta serie putem aminti: EC-xx HRP,EC-Dxx HRP,EC-xxR,EC-Dxx HR,ECL-xx HRP, ECL-Dxx HRP.
In fig. 4 din anexa este prezentata configuratia sistemului unui A.P. din seria Hitachi EC .
Pachetul de memorie este compus din:MPE-1E(memorie EEPROM,925 de cuvinte)sau MPE-2E(memorie EEPROM,1949 de cuvinte),folosit deodar pentru stocarea si copierea programelor care folosesc PGMJ-R2.Memoriile MPM-1E,MPM-2E,MPM-2R,nu sunt utilizabile pentru stocarea si coperea programelor care folosesc PGMJ-R2.
Fig.5 din anexa ne arata numele fiecarei parti componente ale tipului standard din seria EC si anume EC-60 HRP.Celelalte tipuri EC-20,EC-28,EC-40,difera doar prin numarul punctelor de intrare/iesire.
Specificatii de baza
Despre control
- Controlul sistemului se face prin sistemul ciclic de stocare al
programului
-Viteza de procesare este de 1,5 microsecunde/comanda de baza
cu exceptia iesirilor T si C
-Capacitatea programului este de 1949 de cuvinte
-Tipul de memorie folosit este EEPROM
Functionarea procesului
-Instructiunile de baza - 12 tipuri (ORG,STR,AND,OR,ORSTR,OUT)
-Instructiunile de aplicare - 21 tipuri (de limitare, de pas,de salt,etc.)
-Instructiuni aritmetice - 36 tipuri (cuvinte de sarcina,cuvinte de iesire, cele 4 reguli de calcul + - x :,calcul logic,comparatii,transferuri etc.)
Despre procesul de INTRARE/IESIRE
-Numarul punctelor externe de intrare/iesire este de maxim 60
-Numarul de iesiri interne este de 256 de puncte (128 cuvinte) din care pentru functii speciale 12 puncte si 4 cuvinte.
-Temporizari/numaratori - sistemul numerator este aditional.Numarul de puncte este de 96.Valoarea presata a temporizarii este de 0,01.9,99 sec.sau 0,1.99,9 sec.sau 1.999sec.temporizarile de la T0 la T9 sunt prestabilite pentru 0,1.99,9 sec.Valoarea presetata a numaratorului este de 1.999 timpi. Numaratorii de la C0 la C9 sunt presetabili pentru 1.9999 timpi.
-Numaratorul de mare viteza este additional si scade cu un punct, 2 faze si 10 KHz. Depinzand de program intrarile X0,X1 si X2 servesc
pentru numaratorul de mare viteza.Astfel este posibila o singura schimbare a fazei.
-Intrarile de intrerupere externe - un punct.Depinzand de program intrarea X3 functioneaza ca intrare de intrerupere
-Intrarile de control operational - un punct
Perifericele :Programatorul standard PGMJ sic el universal PGMJ-R2 se gasesc pe caseta audio.
Interfata seriala: RS -232C
Protectia memoriei la avarii:capacitatea de reactualizare este pentru 2 saptamani la 25 grade Celsius.Memoria EEPROM este folosita pentru memorarea de programe ,deci aici nu este nevoie de reactualizare Doare iesirile internee si valorile curente ale temporizarilor si numaratorilor sa fie protejate impotriva avariilor.
3.Programarea A.P. Hitachi EC-28HRP
Instructiuni de baza
Instructiunile de baza pe care le putem folosi intr-o aplicatie, sunt prezentate in tabelul de mai jos.In tabel se pot vedea si simbolurile,functiile precum si componentele pe care le utilizeaza aceste instructiuni(tabelul 1 din anexa)
EXEMPLE
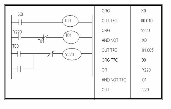
1.Circuitul paralel-serie:

Prima oara este programat circuitul paralel si apoi circuitul serie
2.Circuitul serie-paralel

Circuitul este impartit in 2 blocuri care sunt programate separat.Blocurile sunt combinate prin instructiunea ANDSTR.
3.Conectare serie de circuite paralele

Prima oara este programat blocul paralel si apoi blocul serie.Acestea sunt combinate prin instructiunea AND STR.
4.Circuite aplicate pe temporizari/numaratori
a)circuit dintr-o bucata

b) circuite de temporizare si numarare

c) circuit ON/OFF intarziat

d)circuit intermitent(de palpaire)

Instructiuni de aplicare
1.Limita
|
Instructiune |
Simbol |
Nume |
Functie |
|
FUN 00 |
DIF |
Limita crescatoare |
Detecteaza limita crescatoare a semnalului |
|
FUN 01 |
DFN |
Limita descrescatoare |
Detecteaza limita descrescatoare a semnalului |
|
CODUL |
OBSERVATII |
|
ORG X0 FUN M400 ORG X0 FUN M401 |
Detecteaza limita crescatoare Detecteaza limita descrescatoare |

Instructiunea FUNOO (FIG.6 din anexa)este folosita pentru a detecta limita crescatoare a unui semnal de intrare ,este folosita pentru a detecta limita descrescatoare a semnalului .Aceste instructiuni sunt programate in combinatie cu iesire interna(M)astfel incat iesirea interna M specificata este activata ON doar pentru o exploatare,cand limita este detectata.Pot fi folosit oricate instructiuni FUN00 si FUN 01.
Instructiunile de detectare a limitei sunt executate,in concordanta cu schimbarea intrarilor dupa inceputul operatiei.
Limita crescatoare este detectata si M400 nu este activat cand x0 este deja activat la inceperea operatiei(fig 7 din anexa)
Functia de detectare a limitei ese valida pentru instructiunile LOAD(incarca) si COMPAE(compara),care sunt executate doar cand conditiile de intrare se schimba.
2.Setare si resetare
|
Instructiune |
Simbol |
Nume |
Functie |
|
FUN 02 |
IF |
Daca |
Setare/resetare |
|
FUN 03 |
IFR |
Daca reset |
Pasul procesului |
Instructiunile FUN02 si OUT sunt combinate si folosite ca instructiuni SET.
Instructiunile FUN02 si OUT NOT sunt combinate si folosite ca instructiuni
RESET.(fig 8 din anexa).
-starea ON tine de intrarile SET iar OFF tine de intrarile RESET
-orice alt program poate fi introdus intre bobina de setare si bobina de resetare.Ultimului program scris i se acorda cea mai mare importanta.
3.Saltul
|
Instructiuni |
Simbol |
Nume |
Functie |
Nr.cuvinte |
|
FUN 06 |
JMP |
Salt fara adresa |
Sare pana la JEND |
|
|
FUN 07 |
JEND |
|
||
|
FUN 08 |
AJMP |
Salt cu adresa |
Sare la AJEND cu nr.de adresa |
|
|
FUN 09 |
AJEND |
|
Instructiunile FUN06 si FUN07 specifica saltul fara adresa,in timp ce instructiunile FUN08 si FUN 09 specifica saltul cu adresa.Aceste instructiuni fac controlul sa sara la JUMP END can conditia de salt este ON.Cand conditiile de salt sunt indeplinite ,liniile de program sitiuate intre adresa curenta si adresa de destinatie nu sunt executate.Iesirea ramane la starea de dinainte de salt.
4.Numarator crecator/descrescator(fig.9 din anexa)
|
Instructiuni |
Simbol |
Nume |
Functie |
Compo-nenta |
Nr. De cuvinte |
|
Fun 40 |
UDC |
Numarator crescator/descrescator |
Numarare crescatoare/descrescatoare |
VM |
|
|
Codul |
Observatii |
|
ORG X10 STR X11 STR X12 FUN 40 VM500 |
Folosesc instructiunea STR. UDC |
FUN40 este instructiunea de numarare crescatoare/descrescatoare.Acesta trebuie programata in combinatie cu o iesire interna (VM).Pentru inregistrare valorii curente a numaratorului crescator/descrescator sunt folositii 16 biti,de la numarul bobinei specificat de instructiune(M500...M515 in exemlul de mai sus).Valaorea curenta este specificata in 4 digiti BCD
Intrarile crescatoare si descrescatoare,intrarea de clock si de reset sunt programate in aceasta ordine.Valoarea curenta se shimba la limita crescatoare a clock-ului(de la OFF la ON).Starea UP si starea down este selectata in concordanta cu starea ON sau OFF a intrarilor crescatoare sau descrescatoare dupa cum se vede in fig.10 din anexa
5. Opritor
|
Instr. |
Simbol |
Nume |
Functie |
Compo- nenta |
Nr.de Cuvinte |
|
FUN 54 |
LATCH |
Opritor |
Opritor prioritar de resetare |
M |
|
|
CODUL |
OBSERVATII |
|
ORG X0 STR X1 FUN45 M700 |
Foloseste instructiunea STR pentru intrarea resetata |
FUN45 este o instructiune deoprire cu semnal de resetare prioritar.Starea ON este fixara la limita crescatoare a semnalului de intrare setat.Starea OFF este fixata cand intrarea resetata este pe ON.Cand intrarea resetata este pe ON ,intrarea resetat este respinsa.Daca intrarea setata si intrarea resetata trec pe ON simultan,intrarea resetata are prioritate
Instructiune FUN45 poate fi combinata cu iesirile interne ale memoriei de retinere (M) ca sa provoace functionarea unu releu de pastrare.In figura 11 din anexa,starea lui M700 la intreruperea alimentarii ,este pastrata pana la revenirea alimentarii deoarece M700 este o iesire interna cu retinere.
Circiutul cu automentinere opereaza la un anumit nivel dar opritorul opereaza la limita semnalului.Aceste cauze ale diferentei sunt prezentate in fig.12 din anexa
Registrul de deplasare
|
Codul |
Observatii |
|
ORG X0 STR X1 STR X2 FUN47 VM400 |
Foloseste STR |
|
Instr. |
Simbol |
Nume |
Functie |
Compo-nenta |
Nr. de cuv. |
|
FUN47 |
SFR |
Registru de deplasare |
Registru de deplasare pe 16 biti |
VM |
|
Instructiunea FUN47(SFR)este instructiunea de deplasare a registrului.Trebuie sa fie programata in combinatie cu iesirea interna VM. Sunt folositi 16 biti (de la M400 la M415 in exemplul de mai sus)de la numarul bobinei specificat da instructiunea FUN47.
Cand intrarea de clock se sckimba (de la OFF la ON),intrarea concurenta data este scrisa impreuna cu cel mai nesemnificativ bit in registru .Starea ON/OFF a oricariui registru este deplasata in ordine crescatoare,bitul sincronizandu-se cu schimbarea intrarii de clock.
Cel mai nesemnificativ BIT(bitul M415 in exemplu)depaseste rezultatul deplasarii,si se numeste"overflow".Daca conectam 2 sau mai multe registre de deplasare ,ultimul pas trebuie programat intr-o ordine astfel incat sa prevenim pierderea a doi sau mai multi biti de "overflow".(fig.13 din anexa)
NOP si END
|
Instructiune |
Simbol |
Nume |
Functie |
Componenta |
|
FUN 98 |
NOP |
NOP |
Nu opereaza |
|
|
FUN 99 |
END |
END |
Intoarcere la pasul initial |
|
Fun 98 este instructiunea NOP.Aceasta instructiune nu provoaca nici o executie,dar preda controlul urmatorului pas.Cand aceasta este scrisa in loc de instructiunea OUT,iesirea este evitata in circuitul la care ne-am referit.
In seria EM,FUN98 are un rol de instructiune de pornire.Desi un program EM poate fi rulat in seria EC,circuitul lui de inceput devine fara sens,pentru ca operarea este controlata prin terminalul exclusiv de startdin seria EC(figura 14 din anexa si figura 15 din anexa)
ANEXE
Figura 1

Figura 2
Figura 3

Figura 4

Figura 5

Figura 6

Figura 7
Figura 8

Figura 9


Figura 10

Figura 11

Figura 12

Figura 13

Figura 14

Figura 15

Tabelul 1
|
INSTR. |
SIMBOL |
FUNCTIA |
COMPONENTE FOLOSITE |
|
ORG |
|
Conectarea contactelor normal deschise cu magistrala |
X,Y,M T7C00->T7C95 |
|
ORG NOT |
|
Conectarea contactelor normal inchise cu magistrala |
|
|
STR |
|
Inceperea unei ramuri de contacte normal deschise |
X,Y,M T7C00->T7C95 |
|
STR NOT |
|
Inceperea unei ramuri de contacte normal inchise |
|
|
AND |
|
Conectare serie de contacte normal deschise |
X,Y,M T7C00->T7C95 |
|
AND NOT |
|
Conectare serie de contacte normal inchise |
|
|
OR |
|
Conectare paralela de contacte normal deschise |
|
|
OR NOT |
|
Conectare paralela de contacte normal inchise |
X,Y,M T7C00->T7C9 |
|
AND STR |
|
Conectare serie a unui bloc logic |
|
|
OR STR |
|
Conectare serie a unui bloc logic |
|
|
OUT |
|
Iesirea rezultatelor calculate |
X,Y,M T7CO->T7C95 |
|
OUT NOT |
|
Iesirea inversata a rezultatelor calulate |
Y,M |
BIBLIOGRAFIE
"Tehnologii si sisteme de fabricatie utiliyate in mecatronica", autor: prof. Dr. Ing. Octavian Dontu, Editura "Printec" 2003;
"Mecatronica" - Manual pentru clasa a XII-a, autor: Robe Mariana S.A., Editura Economica "Preuniversitaria" 2006;
"Fabricatia asistata de calculator", autor: Miron Zapciu, Editura "Politehnica Press"
"Curs Teorie Mecatronica", Editura "Terra Impex SRL" 2007
|