Controlere de semnal digital dsPIC30F Cele mai bune solutii n domeniul DSP si MCU

Ce este un controler de semnal digital?
Controlerul de semnal digital (DSC) este un controler ncorporat, cu placuta modulara microelectronica unica, care combina perfect caracteristicile de control ale unui microcontroler (MCU) cu puterea de calcul si viteza de lucru a unui procesor de semnale digitale (DSP).
Familia de controlerele de semnale digitale
Microchip dsPIC30F va ofera toate caracteristicile pe care ati dori sa le aiba un MCU putemic de 16 biti: rapiditate, operare sofisticata si flexibila cu ntreruperi de program; a gama larga de functii periferice
digitale si analogice; gestionarea energiei electrice; optiuni flexibile de generare a impulsurilor de sincronizare;
initializarea automata a procesorului la
pornire; protectie la caderi de tensiune; temporizator controlor de secventa; securitatea codurilor; emulare viteza maxima n timp real; si solutii debug la
viteza maxima ncorporate n circuit, ncorpor nd cu ingeniozitate capacitatea unui DSP ntr-un MCU puternic de 16 biti, controlerul
de semnale digitale Microchip dsPIC30F realizeaza cele mai bune solutii n cele doua domenii marc nd nceputul unei noi ere ale controlerelor ncorporate.
Puterea de care aveti nevoie
O unitate MCU puternica de 16 biti:
Controlerul dsPIC30F executa cea mai mare parte a instructiunilor sale ntr-un ciclu (33ns la 30MIPS). Combin nd o viteza mare de lucru a instructiunilor cu abilitatile veritabile ale controlerului DSP, cum ar fi un program ciclic simplu de 16 biti "multiply and zero overhead looping", veti avea cea mai puternica unitate MCU de 16 biti la dispozitia dumneavoastra
Doriti un controler DSP?
Daca sunteti unul dintre numerosii utilizatori ai unitatilor MCU care doresc sa īsi ncorporeze cajacte-risticile DSP n sistemul propriu, este posibil ca alternativele pe care le aveti sa nu va fie pe plac. ncorporarea unui chip DSP n sistemul propriu MCU poate fi un proces complicat si costisitor. Controlerul DSC dsPIC30F este proiectat pentru a arata si a se comporta ca un MCU. Adaugarea functiilor DSP ntr-un mediu familiar de tip controler se poate realiza cu usurinta
Flash pe care te poli baza:
Controlerul dsPIC30F ncorporeaza tehnologia de procesare PEEC Flash Microchip cu o stocare de date pentru o perioada mai mare de 40 de ani la o temperatura de 85 C, o anduranta de 1 milion de cicluri tipice la 85 C si o viteza mare de programare. Nu exista o tehnologie Flash mai performanta n domeniul controlerelor ncorporate.
De asemenea, dsPIC30F poate asigura auto-programarea propriei memorii Flash ntr-un produs finit.
Controlerul DSP pentru expertul DSP!
Daca sunteti un dezvoltator DSP experimentat, veti fi uimit de posibilitatile pe care le ofera controlerului dsPIC30F - tot ceea ce asteptati de la un controler DSP de clasa: acumulatori duali de 40 de biti, MAC 16x16 cu ciclu unic, comutator barrel de 40 de biti, sisteme fetch operande duale si bucle "DO and REPEAT". Au mai fost adaugate apoi c teva elemente care lipsesc controlerelor DSP obisnuite: ntreruperi flexibile, seturi de registri mari, un temporizator controlor de secventa si emulare n timp real si cu detectare clockfail, printre altele.
Compilator C optimizat:
Arhitectura controlerului dsPICSOF a fost dezvoltata de echipa noastra de compilare n limbai C. Astfel a rezultat un randament ridicat de cod limbai C comparativ cu orice controlere MCU sau DSP de 16 biti. Standardele de referinta pentru coduri de limbai C au aratat ca orice controlere competitive MCU de 16 biti necesita nu mai putin de 70% spatiu suplimentar pentru codul de programare pentru un acelasi program de aplicatii scris n limbai C.
Ati fi intresat de un MCU de 32 biti?
Ati fi interesat de un controler de 32 de biti deoarece actualul MCU si-a epuizat tot potentialul? dsPIC30F cu DSP ncorporat se dovedeste a fi mai performant dec t controlerul cu 32 de biti n multe aplicatii. Eficienta remarcabila a codului limbajului C pentru tipuri de date de 32 de biti reduce costul si necesarul de memorie.
Viitoarele variante dsPIC30F care vor avea o memorie de program mai mare sunt deja planificate sa ofere solutii de lunga durata pentru arhitectura dsPIC DSC.
Solutii de performanta
Controlerele Microchip dsPIC30F ofera performante ne nt lnite designerilor MCU de 16 biti. dsPIC au "inima" unui MCU de 16 biti cu periferice robuste si capacitate de operare rapida cu ntreruperi si "creierul" unui DSP care administreaza activitati de calcul de amploare, cre nd cea mai buna solutie de placuta modulara microelectronica unica pentru sisteme ncorporate. Acest lucru va ofera posibilitatea de a adauga caracteristici noi performante produsului dumneavoastra si de a integra functii pentru a economisi spatiu.
Performante MCU remarcabile
Primele microcontrolere MCU de 16 biti au fost dezvoltate pentru a depasi limitele memoriei de 64KB existente de la nceputuri, impuse de controlerele de 8 biti. Arhitecturile timpurii au avut n vedere nevoia unei performante ridicate. C nd nevoia de a obtine performanta a devenit evidenta, au fost dezvoltate dispozitivele generatiilor viitoare, dar acestea au fost limitate de cerinte de compatibilitate retrograde si din cauza unor aspecte mostenite.
Dezvoltate de la zero, controlerele de semnale digitale dsPIC ofera o solutie pentru cerintele traditionale de 16 biti fara ca aceasta sa fie n detrimentul performantei. Acestea mbina performanta de ultima tehnologie a controlerelor de 16 biti care consta n memoria centrala pe baza de registri de uz general si toate caracteristicile de care aveti nevoie pentru operatii DSP.
Performanta competitiva DSP
Controlerele dsPIC30F creeaza un echilibru ntre calitatile MCU remarcabile si performanta competitiva DSP. Toate caracteristicile de care aveti nevoie ntr-un DSP de nalta performanta sunt reunite n controlerul de semnale digitale dsPIC.
|
Functie |
Ecuatie |
Conditii* |
Numar de |
Timp de executie |
|
|
numar de ciclu |
|
cicluri |
30MIPS |
|
Complex FFT** |
|
N=64 |
|
121 .3 MS |
|
Complex FFT** |
|
N=128 |
|
273.7 MS |
|
Complex FFT** |
|
N=256 |
|
61 2.0 MS |
|
BlockFIR |
49+N(4+M) |
N=32, M=32 |
|
39.6 MS |
|
Block FIR Lattice |
49+N(4+7M) |
N=32, M=32 |
|
242.4 MS |
|
BlockMR Canonic |
28+N(8+7S) |
N=32, S=4 |
|
38.9 MS |
|
Block IIP Lattice |
4UN(27+9(M-1)) |
N=32, M=8 |
|
96.4 MS |
|
Matrix Add |
13+3(C*R) |
C=8, R=8 |
|
6.8 MS |
|
Matrix Transpose |
10+C(6+3(R-1)) |
C=8, R=8 |
|
7.5 MS |
|
Vector Dot Product |
12+3N |
N=32 |
|
3.6 MS |
|
Vector Max |
8+7(N+l) |
N=32 |
|
7.9 MS |
|
Vector Multiply |
12+4N |
N=32 |
|
4.6 MS |
|
Vector Power |
12+2 N |
N=32 |
|
2.5 MS |
*C= #coloane, N=# probe, M=#taps, S=#sectiuni, R=#r nduri **Rutina Complex FFT previne obtinerea unor valori overflow 1 ciclu = 33 nanosecunde @ 30 MIPS
Diagrama bloc a familiei dsPIC30F

Variante de ncercare dsPIC vor fi disponibile la sf rsitul lunii noiembrie 2003, iar o linie de fabricatie cornpleta este estimata a se realiza la sf rsitul lunii ianuarie 2004. Pentru specificatii complete, fise de date, note de aplicatii si instrumente de dezvoltare contactati site-ul Microchip - www.microchip.com. Contactati COMET ELECTRONICS pentru informatii suplimentare, preturi, disponibilitate n stoc si asistenta tehnica
Rabbit Semiconductor - power 8-bit microprocessor cores si kituri de dezvoltarepentru sisteme īncorporate
Rabbit Semiconductor este o companie producatoare de semiconductoare specializata īn microprocesoare de 8 biti si instrumente de dezvoltare de īnalta performanta pentru dispozitive de control īncorporate, comunicatii si conectivitate la Ethernet. Rabbit Semiconductor a lansat microprocesorul Rabbit 2000® īn 1999 si Rabbit 3000® īn 2002.
Aplicatiile tipice ale produselor Rabbit Semiconductor sunt reprezentate de, fara a se limita īnsa la: Dispozitive automate de citire a contoarelor (utilitati), sisteme Biodefense, urmarire si administrare wireless fleet/asset, control echipamente audio/video/transmisie, camere de verificare a mediului, sisteme puncte de vānzare cu amanuntul (POS), dispozitive de monitorizare a traficului, comunicatii īn banda larga, retea industriala, sisteme de detectare si control fabricatie.
Caracteristicile Rabbit 3000 - ruleaza la o frecventa de pāna la 55,5 MHz, cu cod compact si suport direct de soft pentru 1 MB de spatiu de cod/date. Operānd de obicei la 3,3 V (cu intrari/iesiri 5 V . tolerant I/O), Rabbit 3000 de asemenea are 6 porturi seriale cu IrDA, 56+ intrari/iesiri digitale, decodor īn cuadratura, iesiri PWM si posibilitati de masurare si captare puls. De asemenea are inclus un ceas īn timp real cu baterie, memorie glueless si interfata intrari/iesiri si moduri de putere foarte joasa. 4 nivele de prioritate de īntrerupere permit un raspuns rapid la evenimentele īn timp real. Setul sau compact de instructiuni si vitezele mari de ceas confera modelului Rabbit 3000 o operare matematica, logica si a intrarilor si iesirilor foarte rapida.
Rabbit 3000 este programat folosind sistemul de dezvoltare soft Dynamic C® - un compilator, editor, debugger si respectiv rutina de īncarcare cu circuite integrate creat special pentru sistemele pe baza de produse Rabbit. Dezvoltarea de soft cu ajutorul lui Dynamic C este usoara. Utilizatorii pot scrie, copila si testa atāt codul C cāt si cel de asamblare fara a parasi mediul de dezvoltare Dynamic C, si fara a fi necesare emulatoare īncorporate īn circuit costisitoare.
Stiva completa TCP/IP cu cod de sursa este furnizata fara plata redeventelor īn Dynamic C si cu kituri de dezvoltare. Suportul TCP/IP include PPP si SNMP, TCP la nivel de socket. si UDP, FTP, TFTP, HTTP (w/ SSI si CGI), DHCP, SMTP, POP3, si PING.
Sunteti interesati? Pentru mai multe informatii accesati pagina de internet Rabbit Semiconductor- www.rabbitsemiconductor.com si contactati Comet Electronics pentru noi posibilitati!
Intelligent LCD modules alpha numeric monochrome xTN and graphical monochrome xTN and color TFT
|
Alpha numeric monochrome xTN LCD modules |
|||||||||
|
Order Code |
Controller |
Display format |
LCD Type |
Cyrillic |
Backlight |
Dimensions mm |
Price |
||
|
AC-082AYA |
SED1278 |
characters / lines |
STN |
Yes |
No |
| |||
|
AC-082AYILY-H |
SED1278 |
characters / lines |
STN |
Yes |
Yes |
| |||
|
AC-161AYA |
SED1278 |
characters / line |
STN |
Yes |
No |
| |||
|
AC-161BYA-H |
SED1278 |
characters / line |
STN |
Yes |
No |
| |||
|
AC-161BYILY-H |
SED1278 |
characters / line |
STN |
Yes |
Yes |
| |||
|
AC-162BYA-H |
SED1278 |
characters / lines |
STN |
Yes |
No |
| |||
|
AC-162BYILY-H |
SED1278 |
characters / lines |
STN |
Yes |
Yes |
| |||
|
AC-162EFULY-H |
SED1278 |
characters / lines |
FSTN |
Yes |
Yes |
| |||
|
AC-162EYILY-H |
SED1278 |
characters / lines |
STN |
Yes |
Yes |
| |||
|
AC-162EYA |
SED1278 |
characters / lines |
STN |
Yes |
No |
| |||
|
AC-164AYILY-H |
SED1278 |
characters / lines |
STN |
Yes |
Yes |
| |||
|
AC-202AYILY-H |
SED1278 |
characters / lines |
STN |
Yes |
Yes |
| |||
|
AC-202AYA |
SED1278 |
characters / lines |
STN |
Yes |
No |
| |||
|
AC-202BYILY-H |
SED1278 |
characters / lines |
STN |
Yes |
Yes |
| |||
|
AC-202BYA-H |
SED1278 |
characters / lines |
STN |
Yes |
No |
| |||
|
AC-204AYILY |
SED1278 |
characters / lines |
STN |
Yes |
Yes |
| |||
|
AC-204AYA |
SED1278 |
characters / lines |
STN |
Yes |
No |
| |||
|
AC-204BYILY-H |
SED1278 |
characters / lines |
STN |
Yes |
Yes |
| |||
| |
|||||||||
|
Order Code |
Controller |
Display format |
LCD Type |
Cyrillic |
Backlight |
Dimensions mm |
Price |
||
|
AC-082AYA |
SED1278 |
characters / lines |
STN |
Yes |
No |
| |||
|
AC-082AYILY-H |
SED1278 |
characters / lines |
STN |
Yes |
Yes |
| |||
|
AC-161AYA |
SED1278 |
characters / line |
STN |
Yes |
No |
| |||
|
AC-161BYA-H |
SED1278 |
characters / line |
STN |
Yes |
No |
| |||
|
AC-161BYILY-H |
SED1278 |
characters / line |
STN |
Yes |
Yes |
| |||
|
AC-162BYA-H |
SED1278 |
characters / lines |
STN |
Yes |
No |
| |||
|
AC-162BYILY-H |
SED1278 |
characters / lines |
STN |
Yes |
Yes |
| |||
|
AC-162EFULY-H |
SED1278 |
characters / lines |
FSTN |
Yes |
Yes |
| |||
|
AC-162EYILY-H |
SED1278 |
characters / lines |
STN |
Yes |
Yes |
| |||
|
AC-162EYA |
SED1278 |
characters / lines |
STN |
Yes |
No |
| |||
|
AC-164AYILY-H |
SED1278 |
characters / lines |
STN |
Yes |
Yes |
| |||
|
AC-202AYILY-H |
SED1278 |
characters / lines |
STN |
Yes |
Yes |
| |||
|
AC-202AYA |
SED1278 |
characters / lines |
STN |
Yes |
No |
| |||
|
AC-202BYILY-H |
SED1278 |
characters / lines |
STN |
Yes |
Yes |
| |||
|
AC-202BYA-H |
SED1278 |
characters / lines |
STN |
Yes |
No |
| |||
|
AC-204AYILY |
SED1278 |
characters / lines |
STN |
Yes |
Yes |
| |||
|
AC-204AYA |
SED1278 |
characters / lines |
STN |
Yes |
No |
| |||
|
AC-204BYILY-H |
SED1278 |
characters / lines |
STN |
Yes |
Yes |
| |||
For additional information about terms of delivery and prices for AMPIRE products, which are not available on stock, please contact Comet Electronics!
|
Texas Advanced Optoelectronic Solutions (TAOS) is based
in Plano, |
|
For further price and ordering information please call COMET ELECTRONICS. For additional technical information please send e-mail to [email protected] or visit www.taosinc.com |
|
|
|
Some of the most popular TAOS products: |
|
|
|
Device |
Description |
Price |
|
TSL230R; TSL230RD |
Programmable Light-to-Frequency converters Output frequency 0.5, 0.6, 1 MHz; Spectral response - RGB, 350, 850, 1000 nm | |
|
TSL235R |
Light-to-Frequency converters Output frequency 0.5, 0.6, 1 MHz; Spectral response - RGB, 350, 850, 1000 nm |
|
|
TSL237; TSL237T |
Light-to-Frequency converters Output frequency 0.5, 0.6, 1 MHz; Spectral response - RGB, 350, 850, 1000 nm | |
|
TSL245R |
Light-to-Frequency converters Output frequency 0.5, 0.6, 1 MHz; Spectral response - RGB, 350, 850, 1000 nm |
|
|
TSL2550 |
Ambient light sensors (ALS), two wire serial interface (SMBus, I2C up to 100KHz). | |
|
TSL2560 |
Light-to-Digital converters dynamic range 0.1 - 40,000(lux), SMBus interface. |
|
|
TSL2561 |
Light-to-Digital converters dynamic range 0.1 - 40,000(lux), I2C (Fast mode up to 400KHz). | |
|
TSL3301 |
Linear, 300dpi, optical sensor array with integrated 8bit ADC and three wire serial interface |
|
|
TCS230 |
Programmable color-to-frequency converter Resolution 10-12bits, output frequency 2 Hz to 500 kHz, programmable output frequency scaling - 100%, 20% or 2%. |
|
For further price and ordering information please call COMET ELECTRONICS. For additional technical information please send e-mail to [email protected] or visit www.taosinc.com |
|
|
|
|
Light-to-Voltage Converters |
|
|
TAOS Inc's Light-to-Voltage (LTV) solutions combine a photodiode and transimpedance amplifier on a single monolithic IC. The LTV family provides a linear analog voltage output that is proportional to light intensity which is normally fed to an ADC for digital processing. This output can be connected directly to an ADC for digital processing, a comparator for thresholding or other analog circuitry for filtering or further processing |
|
|
Light-to-Voltage Converters |
|||||
|
|
|||||
|
Device |
Rise Time us) |
Responsivity mV/(uW/cm2)) |
Spectral Response nm) |
Package |
Price |
|
TSL12S |
|
248 @ 640 nm |
|
3-lead (through-hole) |
|
|
TSL13S |
|
64 @ 640 nm |
|
3-lead (through-hole) |
|
|
TSL14S |
|
16 @ 640 nm |
|
3-lead (through-hole) |
|
|
TSL12T |
|
96 @ 640 nm |
|
4-lead (through-hole) |
|
|
TSL13T |
|
24 @ 640 nm |
|
4-lead (through-hole) |
|
|
TSL250R |
|
137 @ 635 nm |
|
3-lead (through-hole) | |
|
TSL250RSM |
|
137 @ 635 nm |
|
3-pin (SMT) |
|
|
TSL250RD |
|
69 @ 640 nm |
|
SOIC8 (SMT) |
|
|
TSL251R |
|
52 @ 635nm |
|
3-lead (through-hole) |
|
|
TSL251RSM |
|
52 @ 635nm |
|
3-pin (SMT) |
|
|
TSL251RD |
|
17 @ 640 nm |
|
SOIC8 (SMT) |
|
|
TSL252R |
|
10.2 @ 635nm |
|
3-lead (through-hole) |
|
|
TSL252RSM |
|
10.2 @ 635nm |
|
3-pin (SMT) |
|
|
TSL253R |
|
137 @ 635nm |
|
3-lead (through-hole) |
|
|
TSL253RSM |
|
137 @ 635nm |
|
3-pin (SMT) |
|
|
TSL254R |
|
9 @ 635nm |
|
3-lead (through-hole) | |
|
TSL254RSM |
|
9 @ 635nm |
|
3-pin (SMT) |
|
|
TSL257 |
|
1680 @645nm |
|
3-lead (through-hole) | |
|
TSL257SM |
|
1680 @645nm |
|
3-pin (SMT) |
|
|
TSL260R |
|
111 @ 940nm |
|
3-lead (through-hole) |
|
|
TSL260RSM |
|
111 @ 940nm |
|
3-pin (SMT) |
|
|
TSL260RD |
|
62 @ 940nm |
|
SOIC8 (SMT) |
|
|
TSL261R |
|
43.5 @ 940nm |
|
3-lead (through-hole) |
|
|
TSL261RSM |
|
43.5 @ 940nm |
|
3-pin (SMT) |
|
|
TSL261RD |
|
16 @ 940nm |
|
SOIC8 (SMT) |
|
|
TSL262R |
|
9.1 @ 940nm |
|
3-lead (through-hole) |
|
|
TSL262RSM |
|
9.1 @ 940nm |
|
3-pin (SMT) |
|
|
TSL267 |
|
450 @ 940nm |
|
3-lead (through-hole) |
|
|
TSL267SM |
|
450 @ 940nm |
|
3-pin (SMT) |
|
|
For further price and ordering information please call COMET ELECTRONICS. For additional technical information please send e-mail to [email protected] or visit www.taosinc.com |
|
Light-to-Frequency Converters |
|
|
Light-to-Frequency sensors convert light intensity to a digital format for a direct interface to a microcontroller or digital signal processor. The output of this device is a square wave or pulse train whose frequency is linearly proportional to light intensity. The TSL230R programmable Light-to-Frequency Converter is a prime example of an Intelligent Opto Sensor because it not only outputs light intensity information but also provides programming capability for adjustment of the input sensitivity and output frequency scaling. The TSL237 combines enhanced sensitivity with ultra-low dark signal giving the ability to sense a wide range of light down to ultra-low light levels (0.00002 Lux) undetectable by most silicon-based sensors. |
|
|
Light-to-Frequency Converters |
|||||
|
|
|||||
|
Device |
Programmable |
Max Output Frequency kHz) |
Responsivity kHz/(uW/cm2)) |
Spectral response nm) |
Price |
|
TSL230RP |
Yes |
|
640 nm |
|
|
|
TSL230ARP |
Yes |
|
640 nm |
|
|
|
TSL230BRP |
Yes |
|
640 nm |
| |
|
TSL230RD |
Yes |
|
640 nm |
|
|
|
TSL235R |
No |
|
nm |
|
|
|
TSL235RSM |
No |
|
nm |
|
|
|
TSL237S |
No |
|
524 2.3 @ nm |
| |
|
TSL237SM |
No |
|
524 nm |
|
|
|
TSL237T |
No |
|
640 nm |
|
|
|
TSL245R |
No |
|
940 nm |
|
|
|
TSL245RSM |
No |
|
940 nm |
|
|
|
For further price and ordering information please call COMET ELECTRONICS. For additional technical information please send e-mail to [email protected] or visit www.taosinc.com |
|
Linear Sensor Arrays |
|
|
TAOS' family of CMOS Linear Sensor Arrays provides the capability of measuring spatial relationships in addition to light intensity. The family is made up of a number of devices that differ by their spatial resolution (dots per inch) and/or the number of pixels. Devices are available in 200, 300 and 400 dots per inch (DPI) and array lengths from 64 to 1536 pixels. Applications include edge detection, liquid level detection, contact image sensing, optical character recognition, object measurement, and spectroscopy in applications such as copiers, document scanners, automobiles, optical rotary encoders, and medical equipment. |
|
|
Linear Sensor Arrays |
||||
|
200 DPI Linear Array |
||||
|
Device |
# Pixels |
# Analog Outputs |
|
Price |
|
TSL201R |
|
One |
°C °C | |
|
TSLW201R |
|
One |
-40°C 85°C |
|
|
TSL202R |
|
Two |
°C °C | |
|
TSL208R |
|
One |
°C °C |
|
|
TSL210 |
|
Five |
°C °C | |
|
TSL2014 |
|
Two |
°C °C |
|
|
300 DPI Linear Array |
||||
|
TSL3301 |
pixels, 8-bit ADC, Sleep mode, 3V Power Supply |
|||
|
400 DPI Linear Array |
||||
|
Device |
# Pixels |
# Analog Outputs |
|
Price |
|
TSL1401R |
|
One |
°C °C | |
|
TSL1401CS-LF |
|
One |
°C °C |
|
|
TSLW1401R |
|
One |
-40°C 85°C |
|
|
TSL1402R |
|
Two |
°C °C | |
|
TSL1406R / TSL1406RS |
|
Two |
°C °C |
|
|
TSL1410R |
|
Two |
°C °C |
|
|
For further price and ordering information please call COMET ELECTRONICS. For additional technical information please send e-mail to [email protected] or visit www.taosinc.com |
|
Light-to-Digital converters |
|
|
Next generation of opto sensors are direct Light-to-Digital converters.
Each device combines one broadband photodiode (visible plus infrared) as
Channel 0 and one infrared-responding photodiode as Channel 1 on a single
CMOS integrated circuit. |
|
|
Light-to-Digital converters |
||||
|
|
||||
|
Device |
Power Supply |
|
Digital Output |
Price |
|
TSL2550D |
5V |
|
SMBus | |
|
TSL2550T |
5V |
|
SMBus |
|
|
TSL2560CS |
3V |
|
SMBus |
|
|
TSL2560T |
3V |
|
SMBus |
|
|
TSL2561CS |
3V |
|
I2C (400KHz) |
|
|
TSL2561T |
3V |
|
I2C (400KHz) | |
|
For further price and ordering information please call COMET ELECTRONICS. For additional technical information please send e-mail to [email protected] or visit www.taosinc.com |
|
Programmable Color Light-to-Frequency Converter |
|
|
The TCS230 Programmable Color Light-to-Frequency Converter combines configurable color filtered silicon photodiodes and a current-to-frequency converter on a single monolithic CMOS integrated circuit. The TCS230 reads an 8x8 array of photodiodes, 16 of which have red filters, 16 have blue filters, 16 have green filters, and 16 are unfiltered. The color-filtered sensors are uniformly distributed across the sensing area creating four separate channels and eliminating the need for a diffuser. The device output is a square wave (50% duty cycle) whose frequency is directly proportional to the light intensity incident on the red, green, blue, or unfiltered channel. An internal multiplexer allows selection of any of the four channels to be sent to the output pin. The TCS230 interfaces directly to a microcontroller or DSP and is available in an 8-pin SOIC package. |
|
|
Programmable Color Light-to-Frequency Converter |
||
|
|
||
|
Device |
Description |
Price |
|
TCS230D |
TriColor Light to Frequency Converter, Programmable red, blue, green or clear (no filter), -40°C 85°C JEDEC SOIC (SMT) | |
|
For further price and ordering information please call COMET ELECTRONICS. For additional technical information please send e-mail to [email protected] or visit www.taosinc.com |
|
Evaluation Modules (EVM) |
|
|
To assist designers, |
|
|
Evaluation Modules |
||
|
TSL230 EVM |
Light to Frequency Evaluation Module |
|
|
PC404A-201 |
TSL201 Evaluation Module |
|
|
PC404A-202 |
TSL202 Evaluation Module |
|
|
PC404A-208 |
TSL208 Evaluation Module |
|
|
PC404A-210 |
TSL210R Evaluation Module |
|
|
PC404A-2014 |
TSL2014 Evaluation module |
|
|
PC404A-1401 |
TSL1401 Evaluation Module |
|
|
PC404A-1402 |
TSL1402 Evaluation Module |
|
|
PC404A-1406 |
TSL1406 Evaluation Module |
|
|
PC404A-1410 |
TSL1410 Evaluation Module |
|
|
TSL3301 EVM |
TSL3301 Evaluation Module |
|
|
TSL2550-RS232 EVM |
TSL2550 Evalaution Module with Serial Interface |
|
|
TCS230 EVM |
TCS230 Evaluation Module |
|
|
TSL2560 EVM |
TSL2560/61 Evaluation Module with USB Interface |
|
|
For further price and ordering information please call COMET ELECTRONICS.For additional technical information please send e-mail to [email protected] or visit www.taosinc.com |
LED-uri si... iar LED-uri

Un LED are o cadere de tensiune in functie de modul de constructie interna, inclusiv de culoare.. se poate aproxima ca pe LED este o cadere de tensiune de 3V pentru LED alb/albastru, 2V pentru rosu, respectiv 2,5V pentru verde/portocaliu/galben si curentul maxim de 20mA, de aici rezulta valoarea rezistentei, conform relatie si.. tabelului:


In cazul cand tensiunea la care alimentam LED-ul este variabila putem folosi schema publicata de dl. George D. Oprescu in cartea "Caleidoscop de electronica - montaje cu circuite integrate, tranzistoare si... tuburi electronice".. care mentioneaza ca prin LED trec 15mA la o alimentare a montajului intre 3 si 20V, iar tranzistorul poate fi TIS34 sau BF256...

Desenand schema, in PCB
Wizard, vom obtine:




![]()
Se poate folosi si un LM317 in configuratie de generator de curent constant... rezistenta va fi de 82 ohmi pentru 15mA

La adresa https://perso.orange.fr/sonelec-musique/electronique_realisations_alim_led.html gasim o prezentare mai detaliata a LED-urilor (aplicatii, scheme de conectare, etc).
Cea mai cunoscuta aplicatie a LED-urilor este cea a "licuriciului" de pe autorisme, schema de baza este:
f=1Hz,
R=22k si C=47uF
Simularea in Crocodile Technology 606 ne arata:


Desenand schema in PCB Wizard v
om
obtine:






Desenand schema care a circulat la noi, in PCB Wizard, vom obtine:





O alta aplicatie de efect este cea a unui LED bicolor, care poate fi folosit ca indicator de polaritate (de ex, VERDE - polaritate corecta, ROSU - polaritate inversa, PORTOCALIU - tensiune alternativa)

Aceasta schema se poate cupla la comenzile actuatoarelor de la o inchidere
centralizata a unei masini, indicand cuplarea (ex, ROSU), respectiv decuplarea
(VERDE) motoraselor...
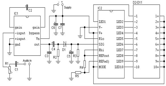
La adresa https://www.pira.cz/enbar.htm gasim un indicator de nivel (vu-metru) cu 10 LED-uri:

Specificatii tehnice
Tensiune alimentare: 12 V
Curent consumat: 10 mA in stand-by, max. 80 mA
Tensiune intrare: min. 20 mV rms
Domeniul de indicare: 30 dB
Intensitate curent prin LED-uri: 7 mA
Tensiune de referinta la IC2: 5 V
Lista componente
R1 - semireglabil 100 k
R2 - 2,2 k
R3 - 1 M
R4 - 2,7 k
R5 - 6,8 k
C1 - 0,47 uF
C2 - 10 uF
C3 - 47 nF
C4 - 4,7 uF
C5 - 0,1 uF
C6 - 100 uF
C7 - 100 nF
IC1 - LM386
IC2 - LM3915
D1 - 1N4148
D2-D11 - bargraf sau LED's

La adresa https://circuitos.tripod.cl/schem/r8.gif este prezentat un indicator de terminare a incarcarii unor acumulatoare

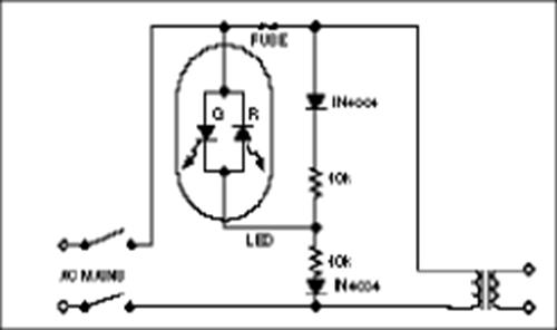
https://www.reed-electronics.com/ednmag/archives/1996/120596/25di_04.htm prezinta un indicator cu LED bicolor a starii unei sigurante fuzibile care alimenteaza un aparat elecrocasnic

https://ourworld.compuserve.com/homepages/Bill_Bowden/page12.htm#inuse.gif prezinta un indicator al starii unei linii telefonice

La https://www.electronics-lab.com/projects/automotive/001/index.html am gasit un indicator al starii bateriei de masina cu 3 LED-uri



Simularea in Crocodile Technology 606 ne arata:
deci avem urmatoarele
situatii:
- pentru Ubat<12,9V este aprins LED-ul nr.1;
- pentru 12,9V<UBAT
- pentru 14V<UBAT
- pentru Ubat>14,4V este aprins LED-ul nr.3.
Desenand schema in PCB Wizard vom obtine:
La https://www.electronics-lab.com/projects/automotive/001/index.html am gasit un indicator al starii bateriei de masina cu 10 LED-uri

Desenand schema in PCB Wizard vom
obtine:





Putem inlocui un indicator de STOP/frana de la masina cu un grup de LED-uri... tinand cont ca pe un LED rosu "cad" cca. 2V putem pune in serie pana la 5 LED-uri...
![]()

Ca exemplu, pentru 10 LED-uri rosii, punem 2 ramuri a cate 5 LED-uri inseriate:




Alt exemplu, pentru 18
LED-uri rosii, punem 2 ramuri a cate 5 LED-uri si 2 ramuri a cate 4 LED-uri: 



Pentru celelate tipuri de
LED-uri, constatam ca putem pune in serie maxim:
- 5 LED-uri galbene, respectiv portocalii
- 3 LED-uri verzi, albe, respectiv albastre
pentru a avea indicatie optica si in cazul cand motorul nu este pornit si
tensiunea pe acumulatorul masinii este in jur de 12,6V.

Variator de tensiune
O aplicatie de mare efect, este varierea luminozitatii unui bec, in locul aprinderii/stingerii bruste...
Prima schema, usor de realizat este prezentata la https://www.geocities.com/tjacodesign/dimmer/dimmer.html

O varianta de cablaj si modul de dispunere al pieselor:


Deoarece aceasta schema nu foloseste decat o alternanta, putem "completa" schema cu o punte redresoare si vom avea:

..cablajul si modul de dispunere al pieselor ar fi asa:


O alta schema am gasit la https://mmonceaux.free.fr/electron/ si anume:

La https://ourworld.compuserve.com/homepages/Bill_Bowden/page4.htm#pumpkin.gif este o schema mai evoluata, in sensul ca se folosesc ambele alternante, triacul este protejat, etc:

O schema asemanatoare cu aceasta am gasit in almanahul Tehnium 1988 la pag.76-77:


In cartea Electronica ajuta scrisa de dl. I.C. Boghitoiu si aparuta la Editura Albatros in anul 1982, este articolul Lumina dupa dorinta:


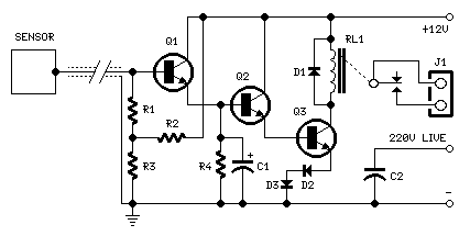
Senzor de...lumina
Pornind de la o discutie
cu Alex despre senzori de lumina am ajuns la
https://www.aaroncake.net/circuits/lightdrk.htm
Schema este foarte simpla, deci nu ne putem astepta la rezultate extraordinare,
gen aclansare ferma la un anumit prag de iluminare, etc.
..am redesenat in Eagle schema


Am mai pus dioda de
protectie a tranzistorului contra tensiunii inverse rezultate la deconectarea
releului si 2 LED-uri care indica starea releului....
Schema poate functiona la tensiuni de alimentare foarte diverse, ea alegandu-se
in functie de releul avut.... pentru U=24V R=2k2 (aproximativ 10mA prin LED),
U=12V R=1K, U=9V R=680 ohm, etc, valoarea acoperiotare a semitreglabilului este
de 250k, iar tranzistorul trebuie sa reziste tensiunii de alimentare.. desi nu
sunt probleme cu clascele BC-uri 107, 171.
Circuit de lumina du-te-vino (cap scara)
CIRCUITUL DE LUMINA DU-TE-VINO, ca o forma de circuit mai putin intalnita la
instalatiile electrice interioare casnice, este format dintr-un anumit numar de
circuite si din doua intrerupatoare A si B, amplasate in doua locuri diferite,
care aprind si sting fiecare in parte o aceeasi lampa sau Iustra.
Curentul electric alimentat de la perechea de sigurante
ale circuitului de lumina intra in camera respectiva si de la conductorul de
faza, prin doza de derivatie si prin conductorul 1 (firul rosu) coboara la
īntrerupatorui A, apoi trece prin conductorul 2 la intrerupatorul B, dupa care
curentul electric trece prin conductorul 3 la lampa pe care o aprinde si apoi
se reintoarce prin conductorul nul (fir albastru) la tabloul cu sigurante ale
circuitului de lumina.
Daca se doreste ca sa se stinga lumina de la acelasi
īntrertipator A, se actioneaza asupra acestuia pentru conectarea conductorului
1 cu 4 (fir rosu) si intrucat la īntrerupatorul B conductorul 4 nu este
conectat cu conductorul 3 lampa se va stinge.
Daca se doreste ca sa se stinga lumina de la
intrerupatorul B, se conecteaza conductorul 3 cu 4 si intrucat la
īntrerupatorul A conductorul 4 nu este conectat cu conductorul 1, lumina se va
stinge.
In mod similar, cand lampa este stinsa, se poate face
aprinderea ei de la īntrerupatorul A sau B, actionand astfel ca sa treaca
curentul electric fie prin conductorul 2, fie prin conductorul 4, dupa cum este
facuta conectarea acestora cu conductoarele 1 si 3.

Pentru realizarea unui astfel de circuit de lumina este nevoie de un intrerupator special, care are, spre deosebire de intrerupatorul simplu, 3 borne la care se leaga cele 3 conductoare de la fiecare intrerupator.

Schema electrica simplificata este urmatoarea:

Simuland in programul Crocodile
Technology de la https://www.crocodileclips.com/crocodile/technology/obtinem:



Senzori de atingere/proximitate
Cred ca acest subiect este de mare interes :)) asa ca voi incerca sa prezint cateva scheme interesante si.. simple
Prima schema prezentate aici, a fost publicata in cartea "Caleidoscop de electronica" scrisa de dl. George D. Oprescu (editura Albatros, 1987)
.. in aceasta schema T1
poate fi BF245, BF256, TIS34, T2 si T3: BC170..173, beculetul B este de 2-3W la
2-2,5V; pentru antena-senzor se foloseste o bucata de sarma de cupru, izolata
cu polivinil de 0,35-1mm diametru si 10-15cm lungime;
Atentie: la punere in functiune becul ramne aprins cca. 1 minut in functie de
excitatia produsa de prezenta utilizatorului
Pentru reducerea sensibilitatii se poate monta o rezistenta de 10M intre poarta
si masa...
Desenand schema in programul EAGLE vom obtine:



Respectiv:



O schema pe acelasi principiu, simplificata la maxim gasim la https://www.amasci.com/emotor/chargdet.html


respectiv un masurator de camp, gasim la https://www.mitedu.freeserve.co.uk/Circuits/Misc/staticdet.htm
..tot
utilizand un tranzistor FET gasiti la https://www.uoguelph.ca/~antoon/circ/touch1.html

In cartea Automatica recreativa...la domiciliu cu 33 constructii comentate, scrisa de Stefan Alexandru si Tiberiu Gheorghisan, Ed. Tehnica, 1974 gasim o alta schema de senzor (am prezentat-o la ALTE ALARME AUTO):
In aceasi carte, gasim:

O aplicatie interesanta a lui 555 este prezentata la https://www.uoguelph.ca/~antoon/circ/alarm2.htm

Alte scheme cu senzori de
atingere sunt la:
- https://www.discovercircuits.com/PDF-FILES/5vmom1.pdf,
- https://www.discovercircuits.com/PDF-FILES/5vtchremom2.PDF,
- https://www.p5taylor.btinternet.co.uk/9.pdf.
- https://www.redcircuits.com/Page22.htm

- https://www.mitedu.freeserve.co.uk/Circuits/Alarm/radiowavealm.htm

Automat pentru tras perdelele la ivirea zorilor si caderea serii
... articolul a fost scanat dupa cartea Automatica recreativa... la domiciuliu - cu 33 constructii comentate scrisa de St. Alexandru si T. Gheorghisan, aparuta la Editura Tehnica - Bucuresti, in anul 1974.

perdea_01.jpg, perdea_02.jpg, perdea_03.jpg, perdea_04.jpg, perdea_05.jpg si perdea_06.jpg
Am selectat schemele din articol, pentru a crea un mai mare interes :-)



Butoane "soft"
Un montaj de mare efect este comanda unor consumatori (de mare putere) dintr-un mic push-buton (fara retinere) sau din 2...
Pornind de la o cerere
de pe forum-ul electronistilor am cautat si am gasit:
https://ourworld.compuserve.com/homepages/Bill_Bowden/page9.htm#bistable.gif
1 buton

2 butoane (on/off)



AICI gasiti
cablajul la scara 1:1
La https://www.uoguelph.ca/~antoon/circ/alt1.htm gasim:

In cartea Circuite integrate CMOS - manual de utilizare aparuta la Editura Tehnica, in 1986 am gasit:


O alta varianta de comutator se poate realiza cu un CD4013, care contine 2 bistabili de tip D, pusi aici in configuratie de bistabili tip T (deci avem 2 comutatoare independente):



Automate pentru deschiderea usii de garaj
... articolul a fost scanat dupa cartea Automatica recreativa... la domiciuliu - cu 33 constructii comentate scrisa de St. Alexandru si T. Gheorghisan, aparuta la Editura Tehnica - Bucuresti, in anul 1974.

garaj_01.jpg, garaj_02.jpg, garaj_03.jpg, garaj_04.jpg, garaj_05.jpg, garaj_06.jpg, garaj_07.jpg, garaj_08.jpg, garaj_09.jpg, garaj_10.jpg, garaj_11.jpg, garaj_12.jpg, garaj_13.jpg, garaj_14.jpg si garaj_15.jpg.
Am selectat schemele din articol, pentru a crea un mai mare interes :-)







|