SIMULAREA STRUCTURILOR REZISTIVE NELINIARE
SI A CONDENSATOARELOR
1. Programul TERMIST.MCD permite vizualizarea caracteristicii rezistenta-temperatura pentru termistoarele de tip NTC precum si calculul constantelor A si B, avand ca date de plecare valorile obtinute in lucrarea de laborator 'Rezistoare neliniare dependente de temperatura si tensiune electrica (termistoare, varistoare)'.

Fig. 1 Variatia rezistentei termistorului NTC cu temperatura.
Graficul cu linie continua este RT(temp) si reprezinta functia obtinuta prin interpolarea cu functii spline a datelor de masura; punctele de masura apar sub forma de mici dreptunghiuri.
In continuare se calculeaza constantele Amed si Bmed ale termistorului prin medierea valorile constantelor Ai si Bi calculate pentru fiecare pereche de puncte de masura folosind graficul interpolat RT(Q). Se reprezinta grafic apoi caracteristica rezistenta-temperatura tinand cont de valorile calculate RTc(temp) si caracteristica eroare-temperatura Err(Qi) din care se poate determina valoarea maxima a erorii de masura (vezi figura 2).

Fig. 2 Eroarea relativa produsa in urma aproximarii
caracteristicii masurate a termistorului cu cea calculata.
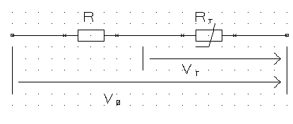
2. Programele TERMIST1.MCD, TERMIST2.MCD si TERMIST3.MCD analizeaza modul de comportare al unui termistor intr-o schema electronica pornind de la un set de conditii initiale, analiza prezentandu-se sub forma de probleme. Se considera o grupare serie formata dintr-un rezistor si un termistor. Se cere sa se determine tensiunea V0 ce trebuie aplicata la bornele gruparii pentru ca tensiunea VT pe termistor sa aiba o valoare maxima.
Circuitul utilizat este:

Fig. 3 Circuitul serie rezistor-termistor.
In urma efectuarii calculelor vom putea observa variatia tensiunii pe termistor in functie de tensiunea la bornele gruparii.
Graficul obtinut este:

Fig. 3 Variatia tensiunii la bornele termistorului
in functie de tensiunea la bornele gruparii
O problema similara apare in alegerea termistorului dintr-o schema de oscilator cu punte Wien, reprezentat in figura 4.

Fig. 4 Oscilator cu punte Wien.
Programul SIMPARTH.MCD analizeaza caracteristica termica a unui grup paralel termistor NTC-rezistor.

Fig. 5 Gruparea paralel rezistor - termistor NTC
Prin conectarea unui rezistor Rp in paralel cu un termistor NTC avand caracteristica termica Rt(T) reprezentata in figura 6 caracteristica termica a grupului Re(T) prezinta un punct de inflexiune, dupa cum se vede in figura 7 (domeniul de valori este ales arbitrar).

Fig. 6 Caracteristica termica a Fig. 7 Caracteristica grupului rezistor-
In prima parte a programului se calculeaza Ti cu Rp dat, in partea a doua se cere valoarea lui Rp pentru a avea inflexiune la o anumita temperatura, iar in partea a treia se incearca compensarea variatiei cu temperatura a rezistentei unei bobine folosind un grup paralel termistor-rezistor.
Programul CONDFREC.MCD analizeaza comportarea in gama de frecventa a unui condensator pe baza unei scheme echivalente, prin studiul impedantei ½Z(f)½ precum si efectul conectarii in circuit a condensatorului prin doua trasee de cablaj (inductive).
Schema folosita este data in figura urmatoare:

Fig. 8 Schema echivalenta completa serie a unui condensator.

Fig.9 Schema echivalenta a unui condensator.
unde:
rs reprezinta rezistenta armaturilor si terminalelor;
iz rezistenta dielectricului.
Dependenta de frecventa a lui Cs si a lui ½Z(f)½ este prezentata mai jos:

Fig. 10 Dependenta de frecventa a capacitatii echivalente serie.

Fig 11 Dependenta de frecventa a modulului impedantei.
Programul SOLCON.MCD prezinta modul cum este solicitat un condensator real din punct de vedere al tensiunii aplicate la bornele sale, in finctie de frecventa.
Definim pentru inceput, pe scurt, citiva din parametrii condensatoarelor folosite in aceasta lucrare:
Capacitatea nominala, C - este capacitatea inscrisa pe corpul condensatorului
Tensiunea nominala, Un - este tensiunea maxima care se poate aplica condensatorului pentru o functionare normala de lunga durata.
Tangenta unghiului
de pierderi, tg d - parametru care
caracterizeaza pierderile de putere activa in condensator, definit ca raportul
dintre puterea activa si puterea reactiva in condensator (
Puterea nominala, Pn - este puterea maxima pe care o poate disipa condensatorul, putere care se dezvolta din cauza pierderilor in dielectric.
Curentul nominal, In - este curentul maxim care poate strabate condensatorul. Valoarea sa este determinata de pierderile de putere care au loc in armaturile si terminalele condensatorului.
d . Frecventa variaza intre (100¸ 100000) Hz cu pasul de 400 Hz.
In functie de valoarea puterii maxima disipate de condensator Pdmax fata de puterea nominala intalnim doua situatii:
a si fb care delimiteaza domeniile de solicitare. In cazul b) exista o singura frecventa caracteristica: fc. Programul alege in functie de valoarea Pdmax cazul in care ne aflam.

Fig. 12 Tensiunea maxima aplicabila la bornele condensatorului in cazul Pdmax > Pn.

Fig. 13 Tensiunea maxima aplicabila la bornele condensatorului in cazul Pdmax < Pn.
In cazul a), pana la atingerea frecventei fa nu trebuie limitata tensiunea, deci se poate aplica tensiunea Un. La frecventa fa, datorita puterii disipate de dielectric, se atinge puterea nominala si, de la aceasta frecventa in sus, trebuie scazuta corespunzator tensiunea. La frecventa fb se atinge valoarea curentului nominal In si, pentru frecvente mai mari, tensiunea trebuie scazuta si mai mult.
Expresiile tensiunii se prezinta mai jos:
pentru f< fa U(f)=Un
pentru fa<f<fb
pentru f >fb
In cazul b) Pdmax < Pn nu mai exista limitare in putere deoarece valoarea Pn nu este atinsa nici in cea mai defavorabila situatie. Cand frecventa creste se atinge curentul nominal. Expresia tensiunii este prezentata mai jos:
pentru f < fc U(f)=Un
pentru f >
fc
|