
SISTEMUL DE INJECTIE
MONO – MOTRONIC ( MA 1.7 )
1. Principiul de functionare Sistemul de injectie MONO – MOTRONIC, realizat de firma BOSCH, este de tip (a, n), unde: a = unghiul care indica pozitia clapetei si recunoaste sarcina motorului, n = turatia motorului. Acestea sunt informatiile principale pentru unitatea de control electronica (calculator), ce determina timpul de injectie de baza ( tI ); valoarea acestui timp de baza este corijata in functie de variatia parametrilor cu evolutie lenta: Tlichid racire, Taer, valoarea Lambda ( alfa ), tensiunea bateriei. La sistemul de injectie MONO – MOTRONIC, calculul avansului la aprindere si comanda bobinei de aprindere sunt realizate de unitatea de control electronica(calculator) si tinand cont de evolutia parametrilor: Tlichid racire, Taer, n (turatie motor). Sistemul este fiabil si nu necesita reglaje; este un sistem de tip autoadaptiv, care isi efectueaza corectiile necesare ale parametrilor in timpul exploatarii motor ului, tinand cont si de uzura acestuia in timpul exploatarii.
SISTEMUL DE INJECTIE MONO
– MOTRONIC ( MA 1.7 )
Manual de service
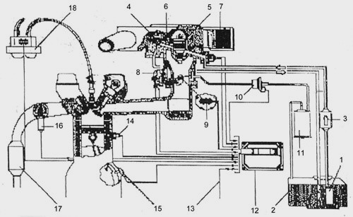
fig.1
DESCRIEREA SISTEMULUI SI A ELEMENTELOR COMPONENTE, CARACTERISTICI SI MOD DE DIAGNOSTICARE
Componentele sistemului de injectie MA 1.7
sunt (Fig.1)
1. Pompa electrica de combustibil;
3. Filtru combustibil;
4. Regulator presiune combustibil;
5. Injector;
6. Senzor Taer;
8. Potentiometru pentru clapeta;
9. motor as pozitionare clapeta;
10. Electroventil recirculare vapori combustibil;
11. Canistra cu carbon activ;
12. Unitate de control electronica (calculator de injectie
si apindere)’
13. Bobina de inductie;
14. Senzor Tlichid racire;
15. Senzor turatie si pozitie arbore cotit;
16. Senzor lambda (oxigen);
17. Convertor catalitic;
18. Cablaj comanda injectie cu priza pentru diagnosticare
sistem.
Pe acest desen se mai pot identifica: 2. Rezervor de combustibil;
7. Filtru de aer.
Circuitul de alimentare cu combustibil este format din:
rezervor, pompa electrica de combustibil, filtru de combustibil,
unitate centrala de injectie, conducte de alimentare si
retur.

POMPA ELECTRICA DE BENZINA
Pompa electrica de benzina este fixata in rezervor, fiind imersata in benzina si este comandata de calculator, pin intermediul releului R1. La punerea contactului, cu cheia in pozitia M (motor), dar fara a se porni motor ul, pompa va fi alimentata cu curent numai pentru 3-4 sec. Pompa va debita permanent numai atunci cand calculatorul primeste semnal de la senzor ul de turatie si trebuie sa asigure un debit de min. 65l/h si presiunea de 1-1,1 barr la 12 V. Cauza unui debit insuficient poate fi tensiunea mica de alimentare a pompei sau filtrul de combustibil murdar.
ATENTIE:In sistemul de alimentare combustibil ul ramane sub presiune si dupa oprirea motor ului; in cazul debransarii furtunelor tineti o carpa in apropierea racordului pentru ca benzina sa nu ajunga pe zonele fierbinti ale motor ului.
Masurarea debitului se face astfel:
- Se branseaza returul de la corp - clapeta injector la un
furtun ce va debita combustibil ul intr-un vas gradat de 2000 ml.
- Se alimenteaza pompa direct, pentru 1 minut pornind motor ul, sau pin
scurtcircuitarea bornelor 30 si 87 ale releului R1, cu motor ul oprit.
FILTRUL DE BENZINA
Filtrul de benzina (Fig. 3) este amplasat in circuitul de alimentare cu combustibil, dupa pompa de benzina si se afla sub caroserie in imediata apropiere a rezervorului. Elementul filtrant este din hartie cu porozitatea de 0,01 mm. si are rolul, foarte important de a retine impuritatile ce ar ajunge la regulatorul de presiune si injector.
(Fig. 3) 
ATENTIE: Filtrul de combustibil este prevazut la iesire cu o sita metalica foarte fina ce poate retine eventulele particole de hartie filtranta despinsa, de aceea se va tine cont de sageata de pe corpul filtrului, care indica sensul de curgere al combustibil ului. Filtrul va fi schimbat la maxim 30000 km.
UNITATEA CENTRALA DE INJECTIE (CORP CLAPETA INJECTOR)
Unitatea centrala de injectie
(Fig. 4) este alcatuita din:clapeta
1- Partea superioara (partea hidraulica);
2- Partea inferioara (corp - clapeta);
3- Regulator de presiune;
4- Injector;
5- Senzor Taer;
6- Intrare combustibil;
7- Retur combustibil;
A. Conector pentru senzor Taer si injector;
B. Conector pentru potentiometru ;
C. Conector pentru intrerupator si motor as pozitionare clapeta.
(Fig.4)

REGULATORUL DE PRESIUNE
Este un regulator mecanic cu membrana ce
asigura presiunea de injectie de 0,9-1,1 barr. Masurarea
presiunii se face astfel:
- Se branseaza un racord T si un manometru de 0-4 barr la racordul de
intrare combustibil in corpul clapeta.
- Se alimenteaza pompa pornind motor ul, sau pin
scurtciruitarea bornelor 30 si 87 ale releului R1, cu motor ul oprit.
senzor ul T aer
senzor ul Taer (5) – (Fig. 4) masoara temperatura aerului apirat de motor.
Cunoscand ca densitatea aerului scade la cresterea
temperaturii, calculator ul va corecta timpul de injectie
(tI), pentru mentinerea raportului (aer / combustibil)
senzor ul Taer este de tip NTC = coeficient de temperatura negativ, adica
la cresterea temperaturii rezistenta interna a acestuia va scadea. El este
alimentat la U = 5V (pin 13 calculator).
INJECTORUL
Injectorul (4) este situat deasupra clapetei, pentru a realiza o alimentare optima si un amestec omogen al carburantului. Functia de baza a injector ului este realizarea unei pulverizari foarte fine si omogene a carburantului. Pentru aceasta carburantul se loveste de peretele conic al injector ului (camera de pregatire a injectiei) si apoi trece pin mai multe orificii (3-6) de dimensiune mica, obtinandu-se astfel un jet de combustibil de forma conica. Acesta este pulverizat pin spatiul in forma de semiluna dintre clapeta si perete, fara a lovi clapeta, ca in cazul unei pulverizari drepte care se intalneste in cazul carburatorului. Pentru a putea doza exact cantitatea de combustibil, partile in miscare ale injector ului sunt usoare, putand reliza o deplasare rapida. Ventilul este scaldat in permanenta de combustibil, evitandu-se astfel incalzirea acestuia si formarea bulelor de combustibil. Timpul cat injectorul ramane deschis, reprezinta timpul de injectie (tI) si este cea mai importanta marime intr-un sistem de injectie. Functionarea injector ului este comandata de unitatea de control electronica (pin 35). Timpul de injectie (tI) depinde de tensiunea bateriei de acumulatori; daca in timpul functionarii apar fluctuatii de tensiune, unitatea de control electronica va corecta timpul de injectie, astfel incat raportul aer – combustibil sa fie optim (alfa = 1). In cazul unei tensiuni scazute la pornire, valoarea tI va fi marita pentru a compensa debitul mai mic al pompei electrice de combustibil. O testare simpla a injector ului se realizeaza cu ajutorul lampii stroboscopice. Se demonteaza filtrul de aer, se porneste motor ul si cu ajutorul lampii stroboscopice se vizualizeaza forma conica a jetului de combustibil. Partea superioara (hidraulica) a unitatii centrale de injectie nu se repara, ci se inlocuieste ansamblul corp clapeta injector. Daca se defecteaza injector ul sau senzor ul Taer, se inlocuiesc ambele.
Conectorul pentru senzor ul Taer si injector
are urmatoarele legat 717c23h uri (conexiuni):
1. Senzor Taer (pin 13 calculator);
2. Alimentare (+) injector;
3. Comanda injector (pin 35 calculator
4. Masa (pin 27 calculator)
(Fig.5)

(Fig.6)

Verificarea functionarii injector ului se face cu osciloscopul, care se va bransa conform pozitiei “ A ” (Fig.6), deci in paralel cu masa. Nu se va bransa ca in pozitia “ B “ in paralel cu injector ul, deoarece va influenta tranzistorul si da erori de semnal.
Pe ecranul osciloscopului va apare un
semnal de forma urmatoare (Fig.7), din care putem afla valoarea timpului
de injectie = ti.
Valoarea timpului de injectie creste cand tensiunea
bateriei este sub 12 V.
(Fig.7)

POTENTIOMETRUL CLAPETEI
Este fixat pe unitatea de injectie in capatul axei clapetei
si este constituit dintr-un potentiometru cu dubla pista. Acesta
este alimentat cu + 5 V de la pin calculator, iar la
actionarea clapetei de acceleratie trimite un semnal de tensiune
proportionala cu pozitia acesteia. Calculatorul va comanda apoi injector ul
si bobina de inductie.
(Fig.8)

Potentiometrul are urmatoarele
componente:
Masa;
Potentiometru I;
Potentiometru II;
Alimentare (+)
Perii;
Izolator.
Potentiometrul este de fapt un dublu –
potentiometru: primul lucreaza in intervalul (00 – 220), iar al doilea
intre (190 – 900). Se observa existenta unei zone comune, intre (190 –
220), realizata pentru o citire mai buna a necesarului de sarcina in zona
sarcinilor partiale, care este cea mai utilizata in exploatarea unui motor.
Conectorul potentiometrului clapetei are urmatoarele legat 717c23h uri (fig.9):
1. Masa (pin 27 calculator);
2. Potentiometru I (00 – 220);
3. Liber;
4. Potentiometru II (190 – 900);
5. Alimentare (+, pin 25 calculator).
Verificarea se face cu osciloscopul, procedand astfel:
- punem contactul motor;
- rotim cu mana parghia de comanda a acceleratiei;
- se branseaza osciloscopul la pinii 1 si 2 ai conectorului; daca semnalul
vizualizat apare ca o succesiune de linii drepte orizontale, fara
intreruperi, potentiometrul este bun (Fig.1)
In cazul defectarii, potentiometrul nu se repara, ci se va inlocui partea
inferioara a unitatii centrale de injectie.
motor asUL
motor asul (9) – Fig.1) serveste la pozitionarea clapetei pentru obtinerea turatiei de ralanti. El se afla intr-o carcasa impreuna cu un intrerupator. Regimul de ralanti este recunoscut in momentul inchiderii contactelor intrerupatorului (4) si este necesar mersului normal la ralanti sau la frana de motor.
(Fig.9)

(Fig.10) 
Calculatorul, pin pinii 32 si 34, va transmite un semnal electric motor asului, care va pozitiona clapeta pentru obtinerea turatiei de ralanti (850 +_ 50 rot/min).
(Componente Fig.11)

1. motor as pozitionare
clapeta;
2. Melc;
3. Roata melcata;
4. Contact intrerupator;
5. Burduf protectie.
Conectorul pentru intrerupator si motor as are urmatoarele legat 717c23h uri (12):
1,2. Alimentare motor as
(pin 32, pin 34 calculator);
1. Intrerupator ralanti (pin 8 calculator);
2. Masa.
Bransand un ohmetru la pinii 3 si 4 ai calculator ului; se va observa ca
intrerupatorul are doua stari:
- inchis – in stare de functionare, continuitate
- deschis – in stare de repaus, R = infinit.
Fig.12

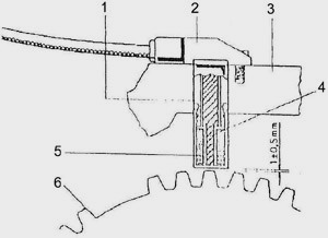
senzor ul DE TURATIE
senzor ul de turatie (Fig.16)
este de tip inductiv si se compune din:
1. Magnet permanent;
2. Corp izolator;
4. Miez ferita;
5. Bobina;
Pe desen se mai disting:
3. Carter ambreiaj CV;
6. Volant cu danturare pentru senzor turatie.
Fig.16

Volantul are o danturare de 60 dinti
echidistanti, din care 2 lipsesc. Spatiul celor 58 de dinti serveste la
recunoasterea turatiei, iar spatiul celor 2 dinti lipsa
serveste la recunoasterea pozitiei de referinta a arborelui cotit
corespunzatoare cilindrilor nr.1 si 4 la PMS.
Din acel moment incepe calculul pentru fiecare ciclu motor
al tI, astfel incat sa se afle la 1-0,5 mm. de varful danturii de pe
volanta.
Conectorul pentru senzor ul de turatie are urmatoarele legat 717c23h uri:
1,2. Captare semnal turatie;
3. Ecranare.
Pentru a verifica functionarea senzor ului se branseaza pinii 1 si 2 ai
conectorului sau pinii 3 si 21 ai calculatorului, la un osciloscop. Un
senzor bun va genera un semnal de forma urmatoare (Fig.18):
A = Zona danturata;
B = Zona celor 2 dinti lipsa;
C = Zona aparitiei primului dinte.
senzor ul de turatie nu se repara, ci se va inlocui.
Fig.17 
Fig.18

IMPORTANT: Daca monitorul nu porneste se verifica daca avem semnal la senzor ul de turatie si valoarea semnalului Uss > 2,5 V. La montare, senzor ul se impinge in locasul din carterul ambreiaj, cu mana nu cu ciocanul; surubul de fixare se va strange la un cuplu de 8 +- 2 Nm.
senzor ul Tmotor
senzor ul Tmotor (Fig.19) este de tip NTC = coeficientul de temperatura negativ, deci la cresterea temperaturii, rezistenta interna a acestuia va scadea. Se verifica cu ohmetrul conectat la bornele senzor ului, sau mai sigur cu un voltmetru, in timpul functionarii motor ului. La motor ul rece U = 5 V si scade cu cat motorul se incalzeste. Daca tensiunea scade lent, apoi scade brusc, inseamna ca este un scurtcircuit. Aceasta este o diagnosticare exacta, deoarece se face in regimul de functionare. senzor ul T motor nu se repara , ci se va inlocui; se strange la un cuplu de 18 Nm.
Fig.19

Corespondenta R senzor = f (T)
T [0C]
R [omega]
BOBINA DE INDUCTIE
Bobina de inductie (Fig.20) este de tip dubla – bobina cu distributie stationara de tensiune, fara elemente in miscare. Tensiunea din circuitul secundar al bobinei atinge 30 kV, distanta dintre electrozii bujiilor trebuie sa fie de 0,8 mm, iar fisele de bujii au o constructie speciala, fiind realizate dupa un concept nou in privinta deparazitarii electrice.
Fig.20

Fig.21

Dupa ce s-a pus contactul motor, bobina este alimentata cu tensiune (+ D.C); ea este comandata pin (-) de unitatea de control electronica, astfel: pentru bujiile 1 si 4 pin pinul 1 si pentru bujiile 2 si 3 pin pinul 19. Circuitul secundar se inchide pin cele 2 bujii, la cilindrul aflat in faza de compresie tensiunea scanteii este de aproximativ 20 kV, iar la cilindrul aflat in faza de evacuare, tensiunea auxiliara este de 250 – 300 V si de polaritate inversa.
Exemplu: - pistonul 4 la compresie
>> scanteia de apindere ~ 20 kV;
- pistonul 1 la evacuare >> scanteie auxiliara ~ 300 V.
Folosind un oscioscop se pot vizualiza cele doua tensiuni:
Fig.22
Fig.23

UNITATEA DE CONTROL ELECTRONICA
Unitatea de control electronica se afla in compartimentul motor si este fixata de tabla de inchidere a cutiei de climatizare. Ea este prevazuta cu 35 de pini si se branseaza la cablajul c-da injectie pintr-un conector cu 35 de pini. Intre unitatea de control si componentele sistemului, informatiile circula conform schemei urmatoare:

ATENTIE! In cazul efectuarii lucrarilor de sudura electrica la autoturism, se vor debransa bateria, alternatorul si unitatea de control electronica. In cazul efectuarii lucrarilor de vopsitorie de retus, la peste 850C, unitatea de control electronica va fi demontata de pe autoturism. La remontare, suruburile de fixare ale unitatii de control vor fi bine stranse pentru a asigura un contact perfect cu sasiul autoturismului. Nu se va bransa sau debransa conectorul cablajului la calculator, decat dupa debransarea bornei (-) a bateriei.
Corespondenta electrica dintre cei 35 de
pini ai unitatii de control electronice si elementele sistemului este
conform Tabelului nr.1, si a schemei corespunzatoare. Avand in vedere
constructia speciala a conectorilor folositi la acest sistem de injectie,
debransarea lor se va face (numai dupa ce s-a intrerupt contactul motor)
apasand siguranta si apoi debransand; la fel se va proceda si la bransarea
acestora.
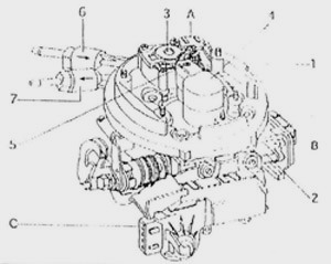
Mod de debransare (conform instructiunilor):
- la calculator – (vezi Fig.a) se trage siguranta 1 in
sensul sagetii, se rabate conectorul si se debranseaza;
- la sonde, bobina inductie - (vezi Fig.b) se apasa siguranta (2), apoi se
debranseaza conectorul.
Pentru bransare se apasa siguranta si apoi se realizeaza bransarea.
- la legatura cu cablajul fata - (vezi Fig.c) se roteste caseta de cuplare.
fig.a
fig.b
fig.c

Pinul 16 – este foarte important, deoarece asigura alimentarea calculator ului cu (+) permanent, pentru memorarea defectelor ce pot apare in timpul functionarii si pentru a introduce corectiile necesare la pornire, deci este un sistem autoadaptiv. De asemenea el tine cont de uzura in timp a motor ului, introducand factori de corectie pentru a readuce functionarea motorului la parametri nominali. La rebransarea bateriei, calculator ul rememoreaza toate datele si eventualele defectiuni din sistem, dupa aproximativ 20 de minute de functionare a motor ului. Pinul 33 – este foarte important, deoarece asigura masa calculator ului cu caroseria; de asemeni si pin 18.
Tabelul nr. 1
Calculator
Jonctiune B
Jonctiune G
Releu pompa
Benzina (clema 85)
Potentiometru (DKP)
Jonctiune B
Senzor Tapa
(NTC II)
Jonctiune B
Jonctiune G
Releu pincipal
(clema 85)
Senzor Taer
(NTC I)
Jonctiune B
Calculator
Releu pompa
benzina (clema 86)
Releu pincipal
(clema 86)
Masa motor
Jonctiune A
Contact apind.
(clema 15)
Calculator
Valva purja
canistra
|