Lucrarea nr. 2:
STUDIUL sI TRASAREA CARACTERISTICILOR
REGULATORULUI DE TENSIUNE
1. SCOPUL LUCR RII
Cunoasterea problemelor legate de locul si rolul regulatorului auto de tensiune īn cadrul instalatiei electrice a automobilului. Lucrarea prezinta doua tipuri constructive de regulatoare, precum si modul de lucru al acestora.
2. CONSIDERAŢII TEORETICE
Generatorul electri 828q1618i c din dotarea automobilelor actuale este, de cele mai multe ori, reprezentat de catre un alternator cu excitatie electromagnetica antrenat de catre motorul termic. Pentru aceasta situatie tensiunea la borne este data de relatiile:
Ug = k n F (Ie DU (Is
Ug = Ug0 DU (Is
Mentinerea unei tensiuni constante la bornele alternatorului, īn conditiile īn care turatia de antrenare n si curentul de sarcina Is sunt variabile, se poate obtine prin reglajul convenabil al curentului de excitatie Ie . Acest reglaj este realizat īn mod automat de catre regulatorul de tensiune, denumit impropriu releu de tensiune.
Deoarece, modul de lucru al regulatorului de tensiune este specific sistemelor de reglare automata, pentru īnceput vom face cāteva referiri la acestea. Schema bloc a unui SRA este prezentata īn fig.1.

Fig.1 Schema bloc a sistemului de reglare automata
Utilizarea unui SRA are drept scop reducerea erorii existente la un moment dat īntre marimea dorita (prescrisa) si marimea de iesire din proces (marimea reglata). Pentru atingerea acestui obiectiv blocurile din alcatuirea unui SRA au urmatoarele roluri:
-traductorul TR: realizeaza conversia marimii reglate y īntr-o marime r de aceeasi natura cu marimea prescrisa p, astfel īncīt procesul de comparare sa fie posibil.
-comparatorul C: primeste doua semnale, de aceeasi natura si proportionale cu marimea prescrisa respectiv reglata, functie de care calculeaza eroarea de reglare.
-regulatorul automat RA: reprezinta partea esentiala a unui dispozitiv de automatizare deoarece aceasta realizeaza legea de reglare.
-elementul de executie EE: este comandat de catre regulatorul automat si actioneaza asupra procesului prin intermediul marimii de executie m.
-elementul de prescriere EP: este utilizat pentru stabilirea valorii ce se doreste a fi obtinuta la iesirea procesului, deci putem spune ca reprezinta un element de referinta.
Īn
concluzie se observa ca un SRA este prevazut cu o reactie
negativa care īncearca sa mentina
Pentru regulatoarele de tensiune compararea celor doua marimi (prescrisa, respectiv reglata) se poate face īn :
- domeniul mecanic, prin compararea a doua forte - cazul regulatoarelor electro- magnetice;
- domeniul electric, compararea a doua tensiuni - cazul regulatoarelor electronice;
2.1. Regulatorul de tensiune electromagnetic
Principiul de functionare utilizat īn constructia regulatoarelor cu contacte mecanice, pentru controlul curentului de excitatie, consta īn introducerea unei rezistente īn circuitul de excitatie atunci cānd tensiunea generata de alternator este peste valoarea prescrisa,respectiv īn suntarea ei, cānd tensiunea generata este sub valoarea prescrisa.
Schema de principiu a unui astfel de regulator de tensiune īmpreuna cu formele de unda se prezinta īn fig. 2
Functionare:
Pentru aceasta varianta constructiva marimea prescrisa este data de gradul de tensionare al unui resort, iar marimea de iesire (tensiunea la bornele generatorului) este convertita īn forta cu ajutorul unui electromagnet. Īn consecinta, asupra contactului K actioneaza doua momente antagoniste, unul generat de forta elastica a resortului Mr, iar celalalt de forta de atractie a electromagnetului Mem.
Acest ansamblu este construit astfel īncāt contactul K sa fie īnchis īn cazul īn care bobina electromagnetului este nealimentata, sau tensiunea de alimentare este sub valoarea prescrisa.

Fig.2. Regulatorul auto de tensiune cu contacte mecanice
Daca, la un moment dat, tensiunea generata de alternator este sub valoarea prescrisa, forta de atractie dezvoltata de electromagnet este insuficienta pentru deschiderea contactului K, astfel ca rezistenta Ru este scurtcircuitata. Īn aceasta situatie curentul de excitatie este mare, fiind limitat doar de rezistenta electrica a bobinei de excitatie,motiv pentru care tensiunea de iesire īncepe sa creasca. Aceasta crestere are ca efect, pe de-o parte corectarea tensiunii de iesire, iar pe de alta parte īntarirea fortei de atractie dezvoltata de electromagnet. Dupa un anumit timp tensiunea de iesire egaleaza valoarea prescrisa, iar forta electomagnetica este suficienta pentru deschierea contactului K. Dupa deschiderea contactului rezistenta Ru este īnseriata cu bobina de excitatie, motiv pentru care valoarea curentului de excitatie scade, iar tensiunea de iesire de asemenea. Scaderea tensiunii la borne slabeste forta de atractie a electromagnetului, astfel ca dupa un interval de timp contactul K se īnchide. Din acest punct procesul se repeta dupa acelasi algoritm.
Compensarea termica
Efectul temperaturii asupra tensiunii reglate intervine, īn principal, datorita modificarii rezistentei electrice a bobinei electromagnetului. Īn mod uzual īnfasurarea electromagnetului este realizata din sārma de Cu, material ce are coficientul de variatie al rezistentei cu temperatura pozitiv.
Din acest motiv cresterea temperaturi determina urmatorul lant de evenimente: cresterea rezistentei electrice a bobinei electomagnetice, reducerea fortei electromagnetice, deschiderea contactului la o valoare mai mare a tensiunii la bornele alternatorului.
Efectul de crestere al tensiunii reglate cu temperatura se pote reduce folosind urmatoarele solutii constructive:
- se utilizeaza un termistor cu coeficient negativ conectat īn serie cu bobina electromagnetului:
- se utilizeaza un sunt termomagnetic care, la scaderea temperaturii, deviaza o parte din fluxul magnetic destinat atragerii armaturii electromagnetului;
- se utilizeaza o lamela bimetalica care micsoreaza īntrefierul la cresterea temperaturii;
- cu infasurari combinate - la īnfasurarea principala se adauga o īnfasurare realizata dintr-un material cu coeficient de temperatura al rezistivitatii redus (a
Metode de accelerare:
Din analiza functionarii regulatoarelor electromecanice reiese ca tensiunea obtinuta la bornele alternatorului prezinta, asa cum se arata si īn fig. 2, mici ondulatii īn jurul unei valori medii Up. Marimea acestor ondulatii depinde atāt de parametrii constructivi ai regulatorului, cāt si de parametrii electrici si magnetici ai circuitului de reglare. Cu cāt frecventa de inchidere si deschidere a contactelor este mai mare cu atāt domeniul de variatie al tensiunii va fi mai restrāns, iar calitatea reglajului mai buna. Cresterea frecventei armaturii mobile este limitata de inertia sa.
Marirea frecventei de īnchidere a contactelor se realizeaza prin utilizarea rezistentelor de accelerare, a īnfasurarilor de accelerare sau īnfasurarii si rezistentei de accelerare.
Regulatorul cu doua trepte:
La regulatorul cu o singura treapta, īnchiderea si deschiderea contactului K determina comutarea curentului de excitatie, (vezi figura 2), īntre valorile I si I astfel ca valoarea medie a curentului de excitatie nu poate fi reglata sub I . Din aceasta cauza, la turatii mari, tensiunea la bornele generatorului nu mai poate fi reglata deoarece ar fi necesar un curent mediu de excitatie mai mic decāt valoarea I
Extinderea domeniului de reglaj se face prin introducerea unei noi trepte īn care curentul de excitatie este comutat īntre I si I = 0. Īn acest mod valoarea medie a curentului de excitatie poate fi reglata īntre I si I īn prima treapta de functionare respectiv īntre I si zero īn a doua treapta.
Introducerea regulatorului de tensiune īn circuitul de excitatie al alternatorului are ca efect modificarea caracteristicii generatorului asa cum se observa īn figura 3.

Fig. 3. Caracteristicile regulatoarelor de tensiune
Regulatoarele electromecanice sunt constructii relativ complexe ce ridica o serie de probleme legate de: reglaje instabile īn timp, uzura rapida a contactelor mecanice, frecventa mica de comutare, etc. Din aceste motive structurile electromecanice de regulatoare au fost īnlocuite, aproape īn totalitate cu structuri electronice.
2.2. Regulatore de tensiune electronice
Īntr-o prima etapa īmbunatatirea performantelor regulatoarelor electromagnetice a constat īn īnlocuirea contactelor mecanice cu dispozitive electronice iar ulterior īntregul regulator s-a realizat electronic. Fata de predecesoarele lor regulatoarele electronice prezinta urmatoarele avantaje:
- au durata de exploatare mult mai mare datorita absentei partilor mecanice;
- au frecventa de lucru cu un ordin de marime mai mare ceea ce determina o reducere a ondulatiilor tensiunii obtinute la bornele generatorului (īmbunatatirea factorului de forma);
- au volum mic, uneori sunt īnglobate īn generator;
- se realizeaza īntr-o singura treapta;
- precizie marita īn reglarea tensiunii;
- pot īngloba circuite de semnalizare si autotestare;
- compensarea cu temperatura se face mai simplu;
- au pret de cost comparabil sau chiar mai mic;
- nu necesita reglaje īn timpul exploatarii.
Īn schema bloc a unui regulator auto de tensiune, vezi fig. 4, regasim o structura similara unui stabilizator de tensiune.

Fig. 4 Schema bloc de principiu a unui regulator auto de tensiune
Referinta de tensiune poate fi o dioda Zener
- pentru schemele mai modeste, sau un circuit specializat care pe lānga
compensarea cu temperatura sa tina cont si de
caracteristica de īncarcare a bateriei de acumulatoare - cazul unor scheme performante. Pentru ambele situatii rolul
acestui bloc este de a furniza o tensiune
Comparatorul are rolul de a calcula diferenta dintre tensiunea prescrisa si tensiunea efectiva obtinuta la bornele generatorului. Functionarea comparatoarelor poate fi īnteleasa usor urmarind formele de unda prezentate īn figura 5.

Fig. 5
La intrarile comparatorului se aplica tensiunea de referinta si un procent din tensiunea Ug; acest procent este obtinut de regula prin intermediul unui divizor rezistiv.
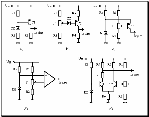
Cāteva variante practice de comparatoare, mai utilizate īn regulatoarele auto de tensiune, sunt prezentate īn figura 6. Se observa ca procesul de comparare se poate face pe jonctiunea baza -emitor a unui tranzistor sau folosind un amplificator operational.

Fig. 6 Scheme practice de comparatoare
Amplificatorul de eroare preia semnalul de la iesirea comparatorului si īl aduce la parametrii necesari atacului etajului final de putere. Īn unele scheme acest etaj poate sa lipseasca, iesirea comparatorului conectāndu-se direct la etajul final.
Etajul final lucreaza īn
comutatie pe o sarcina inductiva, bobina de excitatie a
alternatorului, motiv pentru care sunt necesare masuri de protectie
la tensiunile inverse de autoinductie. De regula acest etaj este
realizat cu tranzistoare īn montaj
3. Prezentarea circuitului comparator bM 339
Circuitul integrat bM 339 contine patru comparatoare independente cu iesirea open collector si un etaj comun de alimentare. Domeniul de aplicatii cuprinde comparatoare de limita, convertoare AD simple, generatoare de impulsuri, oscilatoare controlate īn tensiune, interfete cu circuitele logice etc.
Principalele caracteristici ale acestui circuit sunt:
- tensiunea de alimentare: 2 36V sau 18V;
- curentul de alimentare: 0,8 mA independent de tensiunea de alimentare;
- curentul de scurtcircuit la iesire: 20mA;
- puterea disipata: 500mW;
Amplificarea īn bucla deschisa mare si banda de frecventa ridicata produc intrarea cu usurinta īn oscilatie a comparatorului, daca iesirea acestuia este cuplata cu intrarea printr-o capacitate parazita. Intrarea īn oscilatie apare pe durata de tranzitie dintr-o stare īn alta. Decuplarea alimentarii īn apropierea circuitului nu īnlatura acest pericol. Realizarea corecta a cablajului este īn masura sa reduca cuplajul parazit. Reducānd valoarea rezistentei de la intrare sub 10kW se reduce nivelul semnalului de reactie si prin realizarea unei supracresteri de 1 10 mV a reactiei pozitive (histerezis), tranzitia semnalului de iesire este mai rapida iar oscilatiile datorate cuplajului parazit sunt suprimate.
Daca dintr-o capsula nu se folosesc toate comparatoarele, atunci intrarile si iesirile (fara rezistenta de sarcina) celor neutilizate se leaga la masa.
Aplicatiile de tip comparator ale acestui circuit sunt prezentate īn figura 7.

Fig. 7 Scheme tipice de comparatoare realizate cu circuitul bM 339
4. Scheme concrete de regulatoare electronice
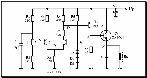
a) Pentru īnceput prezentam o varianta de regulator realizata cu componente discrete a carui schema electrica este redata īn figura 8.
Īn alcatuirea acestei scheme distingem: un etaj diferential, realizat cu tranzistoarele T1 T2, un amplificator inversor (T3) si un repetor pe emitor (T4). Referinta de tensiune este realizata cu un ansamblu constituit din dioda Zener DZ si diodele D1, D2. Aceasta structura este utilizata īn scopul compensarii, de fapt reducerii, derivei termice a tensiunii Uz de la bornele diodei Zener. Asa dupa cum se stie, tensiunea de la bornele unei diode īn conductie are o deriva termica de cca. 2mV C. Pentru diodele Zener, deriva termica poate fi pozitiva sau negativa īn functie de valoarea tensiunii de strapungere a acestora. Deci, un ansamblu dioda Zener serie cu diode obisnuite, se justifica doar daca deriva termica a didei Zener este pozitiva. Pentru celelalte cazuri nu facem altceva decāt sa marim dependenta de temperatura.

Fig. 8
Consideram o crestere initiala a tensiunii la bornele generatorului determinata de o cauza oarecare. Corectia se face dupa urmatorul algoritm:
- tensiunea din baza tranzistorului T1, fata de cazul anterior, creste proportional cu cresterea de la bornele generatorului;
-
tensiunea din baza tranzistorului T2 ramāne
- tensiunea din emitoarele etajului diferential este de asemenea fixa fiind cu cca. 0,6V mai mica decāt tensiunea din baza lui T2;
- tranzistorul T1 īsi mareste conductia deoarece diferenta de potential baza-emitor a crescut (potentialul bazei a crescut īn timp ce potentialul emitorului a ramas constant);
- prin rezistenta Re circula mereu acelasi curent deoarece valoarea sa nu se modifica īn timp, iar diferenta de potential la care este supusa am aratat ca se mentine aceeasi;
-
īn Re se sumeaza curentii de emitor ai tranzistoarelor T1 T2, suma
lor fiind
-
deoarece curentul prin T1 a crescut conditia de mentinere
- reducerea curentului prin T2 determina o cadere mai mica de tensiune pe R4 si deci implicit reducerea conductiei lui T3;
- caderea de tensiune pe R7 scade (curentul prin T3 a scazut) motiv pentru care conductia lui T4 se reduce;
- scaderea curentului prin T4 īnseamna scaderea curentului de excitatie al generatorului ceea ce are ca efect micsorarea tensiunii la borne, deci compensarea efectului initial;
b) O alta schema de regulator electronic este prezentata īn figura 9. De aceasta data comparatorul este implementat cu un operational de tipul 741 iar compensarea termica se face cu ajutorul unui termistor.

Fig. 9
c) O varianta de regulator mai complexa, care realizeaza si functii auxiliare, se prezinta īn figura 10.
Functia de reglare este
realizata de comparatorul R. La intrarea neinversoare a acestuia se
aplica o tensiune de referinta culeasa de pe dioda Zener
DZ3, iar la intrarea inversoare se aduce, printr-un divizor rezistiv, un
procent din tensiunea de la bornele generatorului Ug. Functie de valorile
concrete ale celor doua tensiuni comparatorul comanda etajul
Fig. 10
Functia de semnalizare a
supraāncarcarii este realizata de
comparatorul
Functia de semnalizare a tensiunilor prea mici se realizeaza cu ajutorul comparatorului B.
Functia de semnalizare a modificarii referintei se face cu ajutorul comparatorului J si a unei alte referinte constituita din DZ1, DZ2. Comparatorul permite o temporizare la pornire datorita grupului R16 C2, astfel īncāt lampa se stinge dupa cāteva secunde dupa pornirea motorului termic si intrarea īn regim.
Functia de semnalizare a nefunctionarii generatorului, de exemplu curea de antrenare rupta, infasurare de excitatie intrerupta etc.
La fiecare alternanta negativa a
tensiunii generate de o faza a generatorului condensatorul C3 este descarcat
rapid prin rezistenta R22 de valoare redusa. Īn timpul
alternantei pozitive dioda D1 este blocata si condensatorul C3
se īncarca prin R19 de valoare mare.
Datele tehnice ale acestui regulator sunt:
- tensiunea reglabila īn gama 13,8 14,5 V pentru curenti de sarcina īntre 5 36A;
- starea becului de semnalizare:
sens crescator al tensiunii: 12,8V 13,4V 15V 15,5V
APRINS X STINS X APRINS
sens descrescator al tensiunii: 11,4V 11,9V 14,5V 15,5V
APRINS X STINS X APRINS
5. MONTAJUL sI APARATURA NECESARĂ
Trasarea caracteristicilor regulatorului de tensiune auto se face cu ajutorul unui stand specializat ce permite antrenarea si īncarcarea variabila a generatorului a carui excitatie este controlata de catre regulatorul testat. Schema electrica utilizata īn acest scop este prezentata īn fig. 11.

Fig. 11
Aparate necesare:
Ae - ampermetru 0 3A pentru masurarea curentului de excitatie;
As - ampermetru 0 40A pentru masurarea curentului de sarcina;
V - voltmetru 0 30V pentru masurarea tensiunii la borne;
k1 k15 - comutatoare pentru cresterea treptata a sarcinii electrice;
h1 h15 - becuri 24V/60W ;
Fe - frecventmetru 0 - 10kHh pentru masurarea frecventei de comutatie;
Grup antrenare cu posibilitatea de reglare a turatiei;
Regulatoare de test.
6. DESFĂsURAREA LUCRĂRII
1) Se identifica partile componente si se studiaza modalitatile de constructie a regulatoarelor electromagnetice.
2) Pentru regulatorul prezentat īn fig. 8 se studiaza regimul static de functionare.
Modul de lucru :
- se alimenteaza montajul de la o sursa regabila de tensiune;
- īncepānd de la 8V se creste tensiunea de alimentare īn trepte de 0,5V pāna cānd se atinge valoarea de 16V;
- pentru fiecare treapta a tensiunii de alimentare se masoara potentialele punctelor A, B, C, D, E, F pentru doua cazuri: curent de excitatie nul, respectiv curent de excitatie 0,2A. Rezultatele se trec īntr-un tabel;
3) Pentru regulatoarele disponibile se traseaza caracteristicile: Ug = f(n), Ie = f(n), si F = f(n) pentru curent de sarcina constant. Rezultatele determinarilor experimentale se trec īn tabele similare tabelului 1.
Modul de lucru :
- se realizeaza montajul indicat īn figura 11;
- se fixeaza Is = 0A;
- pentru diferite valori ale turatiei de antrenare, alese astfel īncāt sa acopere relativ uniform īntreaga gama de functionare a alternatorului, se citesc valorile curentului de excitatie, frecventei de comutatie si tensiunii la borne;
- se fixeaza o rezistenta de sarcina astfel īncāt Is = 10A, dupa care se reia punctul anterior;
Obs: īn timpul masuratorilor se va urmari cu ajutorul osciloscopului forma de unda a curentului de excitatie. Desenati formele de unda care va par reprezentative pentru regimurile de functionare ale regulatorului de tensiune.
Tabelul 1

4)
Trasarea caracteristicilor Ug = f(Is), Ie = f(Is), ŗi F = f(Is) pentru cazul īn
care se mentine
Modul de lucru :
- se realizeaza montajul indicat īn figura 11;
-
se regleaza o turatie de antrenare care se mentine
- pentru diferite valori ale curentului de sarcina, alese astfel īncāt sa acopere relativ uniform īntreaga gama de functionare a alternatorului, se citesc valorile curentului de excitatie, frecventei de comutatie si tensiunii la borne;
- punctul anterior se reface dupa ce se reglaza o noua turatie de antrenare;
Obs: īn timpul masuratorilor se va urmari cu ajutorul osciloscopului forma de unda a curentului de excitatie. Desenati formele de unda care va par reprezentative pentru regimurile de functionare ale regulatorului de tensiune.
Tabelul 2

5) Vizualizati cu ajutorul osciloscopului efectul reactiei pozitive asupra formelor de unda ale curentului de excitatie si tensiunii la borne. Ce observatii puteti face ?
7. CONŢINUTUL REFERATULUI
Prelucrarea datelor si trasarea caracteristicilor, pe baza rezultatelor experimentale, se vor realiza īn MATLAB. Referatul trebuie sa contina īn mod obligatoriu urmatoarele:
schema de montaj utilizata īn trasarea caracteristicilor;
tabelele cu datele experimentale;
programele MATLAB pentru prelucrarea si trasarea caracteristicilor;
programele PSPICE sau MSIM 52 utilizate īn simularea comparatoarelor si a regulatoarelor electronice;
comentarii si observatii la rezultatele obtinute;
raspunsul la īntrebari;
rezolvarea temei de casa.
ĪNTREBĂRI:
Experimentele de laborator pot fi realizate fara bateria de acumulatoare ?
Cum explicati faptul ca tensiunea la bornele alternatorului are o componenta continua chiar daca bobina de excitatie a acestuia este alimentata īn regim de curent īntrerupt ?
Ce se īntāmpla daca lamela metalica a unui regulator electromecanic ramāne blocata:
a) pe treapta īntāia, b) īn pozitia intermediara, c) pe trepta a doua;
Ce se īntāmpla cu tensiunea reglata daca crestem numarul de spire ce compun bobina electromagnetultui ?
Care este influenta unui cāmp magnetic, extern regulatorului, asupra tensiunii reglate ? Dar a unui cāmp electric ?
Cum poate fi reglata tensiunea la bornele alternatoarelor cu magneti permanenti ? Īn aceste cazuri se poate utiliza un stabilizator de tensiune ? Daca da, ce parametri ar trebui sa indeplineasca acesta ?
Cum se poate realiza compensarea cu temperatura la regulatoarele electronice ?
Ce tip de termistor trebuie folosit īn schema din fig. 9 īn vederea compensarii cu temperatura ?
Ce metode de īmbunatatire a comutatiei tranzistoarelor cunoasteti ? Unde sunt necesare acestea ?
Care este efectul cresterii sarcinii
electrice asupra timpului relativ de īnchidere daca turatia de antrenare este
TEMĂ DE CASĂ:
Studiati posibilitatea simularii regulatoarelor de tensiune, existente īn laborator,
īntr-un program cunoscut de dumneavoastra.
Elaborati un algoritm de diagnosticare a regulatorului de tensiune.
Concepeti si dimensionati o schema proprie de regulator electronic pentru alternatoare cu excitatie electromagnetica.
|