Tema de proiectare:
Sa se proiecteze stanta necesara executiei piesei din figura alaturata :
R15 Ø10
R10
|
R10 |
Continutul proiectului
1. Analiza piesei
Analizand schita piesei se constata ca aceasta piesa se poate realiza avand toate cotele necesare.
Conditiile privind forma pieselor decupate, perforate si retezate.
● Distanta minima dintre orificiile perforate sau marginea piesei si orificiul se determina in functie de forma orificiului, conturul exterior si grosimea piesei ca in figura 2.

Fig.2
Valorile indicate tin cont de posibilitatea realizarii in piesa respectiva a orificiilor din punct de vedere calitativ si al preciziei.
● Distanta minima dintre orificii si dintre marginea placii active si a orificiului tin cont de rezistenta placii active si e indicata in tabelul 1.
0,4 ∙ g
0,7 ∙ g
● decupare
. pentru α < 900
R1 = 0,5 ∙ g => R1 = 0,5 ∙ 2 => R1 = 1 [mm]
. pentru α ≥ 900
R1 = 0,3 ∙ g => R1 = 0,3 ∙ 2 => R1 = 0,6 [mm]
TABEL 3
|
Forma orificiului |
Dimensiunea minima a orificiului |
Materialul piesei |
|||
|
Otel |
alama cupru |
aluminiu |
|||
|
Dur |
moale |
||||
|
Circulara |
Diametru d |
1,2g |
1,0g |
0,8g |
0,7g |
|
Patrata |
Latura a |
1,1g |
0,9g |
0,7g |
0,5g |
|
Dreptunghiulara |
Latura mica b |
0,9g |
0,7g |
0,6g |
0,5g |
|
Ovala |
Latimea b |
1,0g |
0,9g |
0,65g |
0,55g |
In cazul orificiului circular alegem :
d > 1,0 ∙ g
in [mm]
Dimensiunile dintre orificii, in [mm]
pina la 50
pina la 1.0
0.10/
0.03
0.15/
0.05
0.20/
0.08
0.12/
0.04
0.20/
0.06
0.30/
0.10
0.15/
0.06
0.25/
0.08
0.35/
0.12
0.20/
0.08
0.30/
0.10
0.40/
0.15
Precizia distantei dintre marginea orificiului si conturul piesei
TABEL 8
|
Grosimea materialului in (mm) |
Distanta de la marginea orificiului la contur in (mm) |
||
|
Pana la 50 |
|
|
|
|
Pana la 1,0 |
|
|
|
|
|
|
|
|
|
|
|
|
|
|
|
|
|
|
In functie de grosimea materialului alegem din tabelele de mai sus urmatoarele:
pentru operatiile de taiere la foarfece precizia este de ± pentru latimea benzii sub 50 mm (tabel 4) ;
pentru decupare precizia este de ±0,20/±0,06 pentru dimensiunea piesei pana la 50mm (tabel 5) ;
pentru perforare precizia este de ±0,08/±0,03 pentru dimensiunea orificiului pana la 10 mm (tabel 6);
pentru distanta dintre doua orificii alaturate
precizia este
0,12/
0,04 pentru dimensiunile dintre orificii pana la 50 mm (tabel 7);
pentru distanta dintre marginea orificiului si conturul piesei pana la 50 mm precizia este de ±0,50/±0,25 (tabel 8).
3. Analiza croirii semifabricatului
3.1. Croirea materialului pentru stante
Prin croire, se intelege repartizarea judicioasa pe suprafata semifabricatului a produsului cu forma bine determinata in vederea taierii acestuia astfel incat deseurile sa fie minime pentru economisirea maxima a materialului.
3.2. Croirea tablei in benzi sau semifabricate individuale
Pentru economisirea de material croirea tablei se face comform fasiei de croire care se intomneste astfel incat deseurile sa aiba valori minime.
Fig.4
3.4. Marimea puntitelor
TABEL 9
|
|
|||||
|
Grosimea materialului [mm] |
Puntite, in [mm] |
Grosimea materialului [mm] |
Puntite, in [mm] |
||
|
a1 |
b1 |
a1 |
b1 |
||
|
|
|
|
|
|
|
|
|
|
|
|
|
|
|
|
|
|
|
|
|
|
|
|
|
|
|
|
|
|
|
|
|
|
|
|
|
|
|
|
|
|
|
|
|
|
|
|
|
|
|
|
|
|
|
|
a. b.
Fig.6
TABEL 10
|
Procedeu de alimentare |
Latimea nominala a benzii |
Distanta intre elem. de ghidare |
|
Cu apasare laterala Fig.6, a |
|
|
|
Fara apasare laterala Fig.6, b |
|
|
TABEL 11
|
Latimea benzii |
Grosimea benzii, g in [mm] |
|||
|
pana la 1 |
|
|
|
|
|
pana la 100 |
|
|
|
|
|
peste 100 |
|
|
|
|
Valoarea jocului, j
TABEL 12
|
Latimea benzii [mm] |
Modul de ghidare al benzii |
||
|
Fara apasare laterala |
Fara apasare laterala pentru croirea fata in fata |
Cu apasare laterala |
|
|
pana la 100 |
|
|
pana la 5 |
|
peste 100 |
|
|
pana la 8 |
3.5. Pasul de avans al semifabricatului
P1 = 35 + b = 35 + 2,5 = 37,5 mm
P1 = 37,5 mm
P2 = 35 + k = 35 + 4 = 39 mm
P2 = 39 mm
Scheme de lucru
|
Fr |
Forta totala insumata
5.2. Lucrul mecanic
![]()
;
unde: F - forta de taiere [N];
g - grosimea materialului;
TABEL 13
|
Grosimea g [mm] |
|
|
Sub 2 |
|
|
De la 2 la 4 |
|
|
Peste 4 |
|
![]()
;
L = 169,96 [N · mm]
5.3. Calculul puterii efective necesare la stantare
;
Fig.9
7. Proiectarea constructiva a stantei
7.1 Placa activa
Avand in vedere varietatea constructiva se pot clasifica astfel:
unde:
k = 0,8 pentru materialul OL 37, cu σr = 45daN/mm2;
g = 2 mm - grosimea piesei
a = 78 mm
b = 40 mm
lungimea respectiv latimea maxima a placii active se stabilesc cu relatiile :
diametrul gaurilor pentru fixarea cu suruburi :
diametrul gaurilor de stift
distanta minima intre gaurile de stift si de surub
distanta minima intre marginea placii si gaurile de fixare cu suruburi
b3 = 90,6 mm
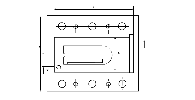
S-a proiectat o placa activa, fig. 10, cu dimensiunile A x B x H = 160 x 120 x 21 mm pentru stanta cu coloane in diagonala.

Fig.10 Placa activa
Placa de baza adoptata va fi de tip 1022-0453 cu coloane in diagonala si va avea urmatoarele dimensiuni principale standardizate:
a x b x h = 200 x 250 x 50 mm, dimensiuni utile
a1 x b1 x h1 = 300 x 350 x 30 mm, dimensiuni gabaritice
e1 x e2 = 250 x 280 mm, distanta dintre axele bucselor de ghidare
d1 = 40 mm; d2 = 42 mm, dimensiunile gaurilor pentru bucsa de ghidare
Fig.11 Placa de baza cu placa activa
7.2. Poansoane
a) Poansoane de perforare
Alegem varianta constructiva c, de forma circulara, figura 12.
Lungimea poansoanelor poate fi stabilita cu relatia:
unde:
Hpp - grosimea placii port-poanson;
Hrg - grosimea riglei de ghidare; Hrg = g + (3 - 4) = 2 + 3 = 5 [mm];
Hpa - grosimea placii active;
g - grosimea materialului;
Hpg - grosimea placii de ghidare;
Lp
= Hpp + Hpg + Hrg + g + (25 - 30) = 21 +
21 + 5 + 2 + 30 = 79
85 [mm];
d =10 [mm]; d1 =14 [mm]; D = 18 [mm]; D1 = 24 [mm];
[mm]; l1 = 10 [mm]; l = 20 [mm]; L = 85 [mm];
Poanson B 4,5 X 9 X 13 tip 1140 - 0302
Bibliografie:
|