Am uitat parola
x
Creaza cont nou
Home
Exploreaza
Upload
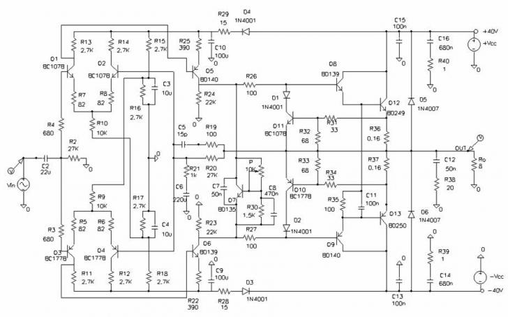
Schema electrica a etajului final de iesire
tehnica mecanica
ALTE DOCUMENTE
Dictionar de termeni utilizati în navigatie
INSTALATIA DE STINS INCENDIUL CU GAZ INERT
LEGILE TERMODINAMICII SI LEGATURA LOR CU ORIGINEA UNIVERSULUI
Elemente de asamblare
Emitator Veronica FM 1W
Ferastrau electric pendular M1Q 55T
Manualul utilizatorului - Registrul LCP
INTINDERE SI COMPRESIUNE
Fisa de constatare tehnica la motor de antrenare pentru pompa de la apa de racire tip GCPa seria H.6085/1999
MANEVRE TEHNOLOGICE LA DECLANSAREA CUPTOARELOR
Figura 3.1.1
. Schema electrica a etajului final de iesire
Document Info
Accesari: 4330
Apreciat:
Comenteaza documentul:
Nu esti inregistrat
Trebuie sa fii utilizator inregistrat pentru a putea comenta
Creaza cont nou
A fost util?
Daca documentul a fost util si crezi ca merita
sa adaugi un link catre el la tine in site
Copiaza codul:
in pagina web a site-ului tau.
Schema electrica a etajului final de iesire
eCoduri.com - coduri postale, contabile, CAEN sau bancare
Politica de confidentialitate
|
Termenii si conditii de utilizare
Copyright
©
Contact
(
SCRIGROUP Int. 2025
)