Tema :
Senzori si Traductoare
CUPRINS
Cap 1. Argumentarea lucrarii..........pag 3
Cap 2.Generaliti despre masurarea temperaturilor.pag 4-8
2.2Tema de Proiectare ...........pag 8
Cap 3.Alegerea senzorului..............pag 9
3.1 Schema bloc a traductorului...........pag 9-10
3.2 Circuitul adaptor............pag 11-12
3.3 Circuitul amplificator...........pag13-16
3.4 Circuitul de linializare..........pag 17
3.5 Sursa de alimentare..............pag 17-18
3.6 Circuitul de afisare ..............pag 18-19
Cap 4.Manual de utilizare...............pag 20-21
Cap 5. Norme de securitate si sanatate in munca.....pag 22-28
Cap6.Anexe...................pag 29
6.1 Schema electrica..............pag 29
6.2 Lista componente.............pag 30
Bibliografie....................pag 31
Cap.I.Argumentarea lucrarii
Lucrarea ,Senzori si Traductoare' contine traductoare de temperatura cu termorezistenta.
Aceste traductoare sunt alcatuite din materiale alese cu atentie cum ar fi : platina, cupru, nichel, wolfran etc.
Aceste materiale trebuie sa aiba ungrad inalt de sensibilitate pentru a reduce efectele corosive.
Lucrarea mai contine si schema bloc a traductorului si multe alte circuite: de ex.circuitul amplificator, circuitul de liniarizare, circuitul sursei de tensiune, circuitul de afisare.
Acest circuit de afisare se face cu diode semiconductoare electroluminesciente, adica (LED)cu cristale lichide.
Aceste traductoare sunt invelite intr-un tub de protectie reprezentand o teaca de otel-inox,avand o lungime aproximativa de 250 mm.
Domeniul de temperatura al acestui traductor in lucru va fi cuprins intre -50 C si 150 C.
Cap.II.GENERALITATI
Traductoarele de temperatura cu termorezistenta sunt realizate din metale a caror rezistenta creste cu temperatura. Pentru o variatie mica de temperatura rezistivitatea creste liniar cu temperatura:
rt=r a(t-t0)] (2)
unde rt = rezistivitatea la temperatura t;
r0 = rezistivitatea la temperatura t0;
a=coeficient de temperatura al termorezistentei
Masurarea temperaturii este esentiala in industrie. Aceasta sarcina revine traductoarelor de temperatura cu termorezistente care sunt disponibile in configuratii variate, atat in medii normale (de laborator), cat si in medii cu pericol ridicat de explozie.
Combinand ecuatiile (1) si (2), in conditiile in care t0 este temperatura la 0 C si punand rezultatul sub forma y=mx+b, rezulta clar ca rezistenta variaza liniar cu temperatura:
at (3).
. Pentru fabricarea termorezistentelor se foloseste ca suport izolant textolitul, mica sau ceramica. Pe suportul respectiv se bobineaza neinductiv un fir metalic.
Metalele utilizate permit prelucrarea la un diametru foarte mic si o buna stabilitate in timp sub influenta temperaturii ridicate si agentilor chimici.
Teaca de protectie este destinata pentru a proteja elementul sensibil si firele conductoare de legatura de actiunea daunatoare a mediului. Se poate executa din diferite materiale.
Materialul tecilor de protectie este conditionat pe langa domeniul de temperatura si natura fluidului a carui temperatura o masoara.
Comportarea in timp a tecilor de protectie este influentata puternic de factorii locali activi.
Teoretic orice metal poate fi folosit la masurarea temperaturii. Metalul ales trebuie sa aiba un grad inalt de sensibilitate si abilitatea de a reduce efectele corosive.
Materialul care indeplineste aceste cerinte cel mai bine este platina si astfel ea a devenit elementul sensibil ales in termorezistente.
Printre caracteristicile sale se numara de asemenea stabilitatea chimica, disponibilitate in forma pura si proprietatile electrice care sunt foarte bine redate.
Alte materiale folosite sunt:
se utilizeaza in domeniul -50 C.+180 C, intrucat peste +180 C apare fenomenul de oxidare, producand alterarea ireversibila a proprietatilor de reproductibilitate.
Nichelul are o buna sensibilitate si liniaritate, dar termorezistentele tehnice se utilizeaza in domeniul -60 C.+180 C datorita aparitiei fenomenului de oxidare la temperaturi ridicate.
Wolframul prezinta o buna liniaritate si o rezistenta, astfel ca se confectioneaza termorezistente din fire de diametru mic (10.15μm), utilizate pe domeniul 0 C.+600 C; wolframul este folosit cu predilectie fara teaca de protectie, in medii gazoase cu viteze mari de curgere, sub forma de elemente sensibile cu fire calde.
In functie de forma si dimensiunile tecii de protectie, ca si de restrictiile mediului in care se face masurarea, se poate face o clasificare a termorezistentelor in:
Ø termorezistente subminiatura,
Ø termorezistente miniatura,
Ø termorezistente rapide,
Ø termorezistente normale,
Ø termorezistente cu cot,
Ø termorezistente pentru presiuni inalte,
Ø termorezistente multiteaca,
Ø termorezistente pentru suprafete plane.
Generalitati.Utilizarea elementelor componente ale termorezistentei.
Rezistenta in ohmi a termorezistentei cu rezistor de cupru Ro = 50 ohmi la temperaturi din 10˚C in 10 ˚C cuprinse intre - 50˚ ... + 180˚C.
Tipul tensiunii si clasa de precizie :
50 ˚C - 60,65 Ω
100 ˚C - 71,30 Ω
a)Clasa de precizie normala
Cod 51
b)Caracteristica elementului sensibil de cupru
Numarul de elemente sensibile 1 ;valoarea rezistentei la 50 ˚C[Ω]
Cod 5 ; b = 5
c)Caracteristica tubului de protectie.
Diametrul 10 [mm]; L=250[mm]
Cod 01 c = 01
d)Materialul tubului de protectie - teaca de otel - inox
Cod 3 ; d = 3 .
Teaca de protectie cu lungimea de 250 mm
e) Domeniul de temperatura in lucru
Cod 3 ; e = 3 ; (- 50˚C... + 150˚C )
f) Dispozitivul de fixare
Cod 2 ; f = 2 ; flansa mobila
g) Lungimea de imersie
Cod 8 ; g = 8 ; [150-200-425-500-800-1050-1400]
h) Tipul executiei si al protectiei climatice .
Cod 1 ; h = 1 ; tipul executiei - normala
protectie climatica - temperat
2.1.Tema de proiectare
Sa se proiecteze un traductor de temperatura pentru mediul industrial ce prezinta valoarea temperaturii masurate sub forma numerica si sub forma unui semnal analogic tip tensiune.
Date de Proiectare
Tip senzor : termorezistenta
Domeniu de masura : [˚C] T m = 50 ˚ C
T M = 100 ˚ C
Eroarea maxima admisibila
Domeniul tensiunii de iesire U min = 0 V
U max = 4 V
Semnal de Iesire
Mediul de masura : [ vas cu apa incalzita ]
Cap.III.Alegerea senzorului
3.1. SCHEMA BLOC A TRADUCTORULUI


U1 =
Puntea ce lucreaza in regim de echilibru sau dezechilibru sensibil
R = R2 + R3 + R4 = R min
Þ U1 =
Þ se calculeaza U1
∆≤ R min + R3
Tabel :
|
T [ ˚C ] |
R [ Ω ] |
U1 [ V ] |
U2 [ V ] |
|
|
|
|
|
|
|
|
|
|
|
|
|
|
|
|
|
|
|
|
|
|
|
|
|
|
|
|
|
|
Puntea se inlocuieste cu schema bloc
Schema echivalenta cu puntea de masura si sursa Up .Valoarea rezistentei sunt aceleasi, curentul prin fiecare ramura este de 10 mA.
3.2.Circuitul adaptor


Valoarea tensiunii de iesire din punte in functie de modificarea rezistentei la temperaturi minime.Up se aleage astefel incat I = 10 mA.
Valori initiale :
|
T [˚C] |
R [Ω] |
|
|
|
|
|
|
|
|
|
|
|
|
|
|
|
|
|
|
|
|
|
Se va calcula ∆R :
∆=R2 - R1
∆R= 62,78 - 60,65 Þ R1 = 2,13
∆R =64,91 - 60,65 Þ R2 = 4,26
∆R =67,04 - 60,65 Þ R3 =6,39
∆R =69,17 - 60,65 Þ R4 = 8,52
∆R =71,3 - 60,65 Þ R5 =10,65
|
U1 = |
Rmin = 60,65
Up = Rmin
V
V
Up =1,21 V
U1 =
V ;da
U1 =
V;
U1 =
V
U1 =
V;
U1 =
V;
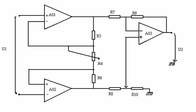
3.3.CIRCUITUL AMPLIFICATOR

![]()
R5 = R6 ;
R7 = R8 ;
R9 = R10 ;
Din datele de proiectare vom lua U min = 0 V si U max = 4 V.
![]()

Valorile
rezistentenlor trebuie aproximate cu cele din catalog cu o
valoarea de
![]()
![]()
![]()
![]()
A`=18,382V
![]()
Tabel :
|
T[˚C] |
U1[V] |
U2[V]=U1 A` |
Ui [V] |
eI [%] |
|
|
|
|
|
|
|
|
|
|
|
|
|
|
|
|
|
|
|
|
|
|
|
|
|
|
|
|
|
|
|
|
|
|
|
|
Þ Ui= f (T)
Þ
|
e = |
3.4.CIRCUITUL DE LINIALIZARE

3.5.SURSA DE ALIMENTARE

PM - punti de masura ; 2 PM : 1 PM 05
- condensator de filtraj : 2500
/ 25
V ;
-
condensator de 100
/ 18V ;
1 A - sigurante fuzibile de 1 A.
3.6.CIRCUITUL DE AFISARE
Pentru reprezentare sub forma numerica a rezultatului masurarii, se va folosi
circuitul de afisare ICL 7106 . Afisajul
se poate face cu diode semiconductoare electroluminescente (LED)au cristale
lichide.
Diodele electroluminescente
,cunoscute si sub denumirea de LED,sunt diode semiconductoare care au
proprietatea de a emite lumina cand sunt in stare de conductie.
Pentru a indica cele zece cifre zecimale,se
folosesc grupuri de diode care se selecteaza cu ajutorul unor circuite logice
pentru a forma cifra dorita. Cel mai frecvent se folosesc grupuri de sapte
diode astfel asezate incat atunci cand toate sunt in stare de conductie,sa
afiseze cifra 8. Pentru afisarea altor cifre o parte din diode raman blocate.
Dispozitivele de afisare cu cristale lichide sunt realizate de obicei pe principiul segmentelor luminoase ,cu ajutorul carora se pot forma cifre de la 1 la 9.Un asemenea dispozit este format din doua placi de sticla cu rol de suporti, pe care se depun electrozi peliculari transparenti, intre placi se introduce un strat subtire de cristal lichid cu grosimea intre 6µm si 25µm.
Placa suport frontala are
electrozii sub forma a sapte segmente cu terminale individuale amplasate pe
marginea a placii.
Placa suport
posterioara are un singur electrod a carui contur corespunde cu figura formata
de cele sapte segmente. Cand se aplica o diferenta de potential intre
electrodul de pe placa posterioara si toti cei sapte electrozi de pe placa
frontala se afiseaza cifra 8. Pentru afisarea altei cifre unii dintre
electrozii de pe placa frontala nu primesc tensiuni.
Cap.IV.MANUAL DE UTILIZARE
Traductoarele de temperatura cu termorezistenta isi bazeaza functionarea pe proprietatea metalelor (materiale conductoare) de a produce o sarcina electrica spontana ca rezultat al modificarii bruste a temperaturii (efectul piro-electric).
Traductoarele de temperatura cu termorezistenta sunt realizate din metale a caror rezistenta creste cu temperatura.
.In acest caz s-a ales un traductor de temperatura cu termorezistenta de cupru permite realizarea unei bune reproductibilitati deoarece se poate obtine cu puritate inaintata pe cale electrolitica, termorezistentele tehnice se utilizeaza in domeniul -50 C.+180 C, intrucat peste +180 C apare fenomenul de oxidare, producand alterarea ireversibila a proprietatilor de reproductibilitate.
Pentru o variatie mica de temperatura rezistivitatea creste liniar cu temperatura:
rt=r a(t-t0)] (2)
unde rt = rezistivitatea la temperatura t;
r0 = rezistivitatea la temperatura t0;
a=coeficient de temperatura al termorezistentei ( C-1).
Masurarea temperaturii este esentiala in industrie. Aceasta sarcina revine traductoarelor de temperatura cu
termorezistente.Un astfel de traductor de temperatura cu termorezistenta este prezentat in acest proiect care are rolul de a prelua temperaturii dintr-un vas cu apa incalzit.
Acest traductor are o clasa de precizie normala, cu elementul sensibil de cupru aflat intr-un tub de protectie reprezentand o teaca de otel-inox
avand o lungime aproximativ de 250 mm.
Domeniul de temperatura in lucru va fi cuprins intre - 50˚C si + 150 ˚C
deoarece cuprul nu va rezista la temperaturi mai ridicate decat cele indicate din catalog.
Acest traductor cu termorezistenta prezinta ca dispozitiv de fixare o flansa mobila,si ca protectie climatica - temperat.
|