Sisteme cartus
Capac standard ;
Capac cu limitare de cursa mecanica ;
Capac cu supapa.
Functii utilizate
Clapeta anti-retur

Fig.2
Distribuitor cu 2 cai (supapa de sens unic) si limitator de debit

Fig.3
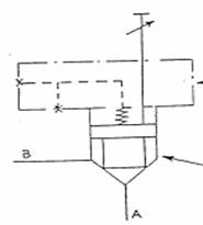
Supapa de reductie

Fig.4
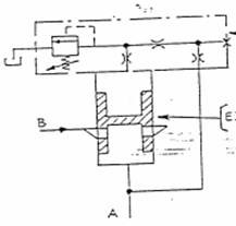
Regulator de debit

Fig.5
Avantajele sistemelor cartus
Debite crescute ;
Presiune inalta ;
Gabarit redus ;
Circuite complexe ;
Timpi de raspuns mici ;
Nivel de zgomot redus ;
O buna rezistenta la contaminanti.
18.2 Tipuri de valve cartus


Fig. 6
18.3 Functionare. Constructia unei scheme in sistem cartus


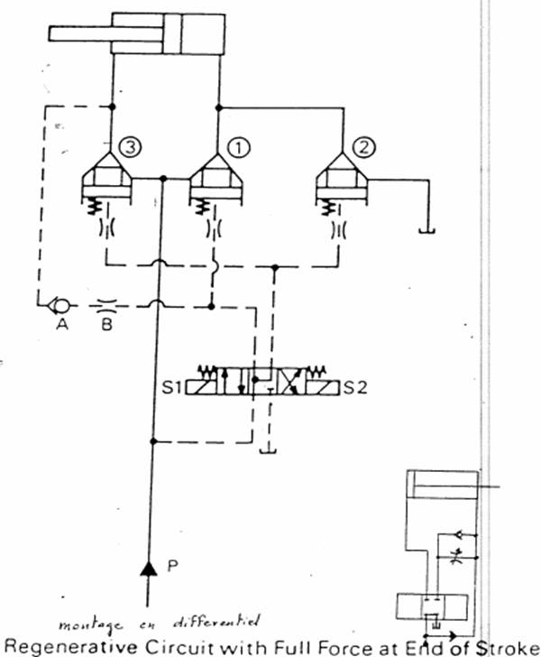
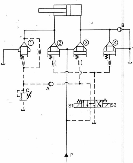
Schema circuit 1 :

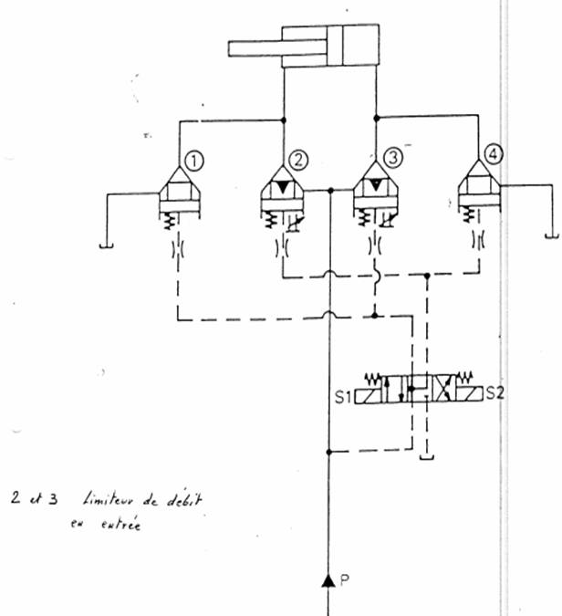
Schema circuit 2 :

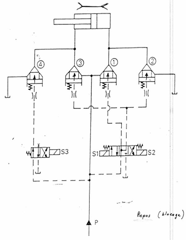
Schema circuit 3 (Starea de repaus - blocaj):

Schema circuit 3 (actinarea bobinei S2):
- iesirea
tijei cilindrului cu vitza

Schema circuit 3 (actinarea bobinei S3 si bobina S2 mentinuta actionata):
- iesirea tijei cilindrului la putere maxima

Schema circuit 3 (actinarea bobinei S1):
- reintrarea tijei cilindrului

Schema circuit 4:

Schema circuit 5:

|