TEHNOLOGIA CMOS
Se cere:
Spre deosebire de tranzistoarele bipolare, tranzistoarele cu efect de camp (FET - field effect transistors) controleaza curentul intre canalul dintre terminalul de drena si cel de sursa prin campul electric determinat de tensiunea aplicata pe poarta. Pentru a mentine un camp electric nu avem nevoie de un curent care sa circule. Astfel, avantajul esential al tranzistoarelor cu efect de camp este acela ca intensitatea curentului in terminalul portii este practic nula.
Fig. 2.2. Tranzistoare MOSFET si tipurile bipolare similare acestora.
Tranzistoarele MOSFET (metal oxide semiconductor field effect transistor) sunt dipozitive electronice cu trei terminale active: poarta G , drena D si sursa S (Fig. 2.2 a). In plus, ele mai au un terminal, legat la substratul pe care a fost realizat tranzistorul, care trebuie mentinut la cel mai coborat (sau ridicat, dupa tipul tranzistorului) potential din circuit. Poarta este izolata cu un strat de oxid de siliciu, astfel incat curentul de poarta este practic nul (putand ajunge chiar la 1 pA) iar curentii de drena si sursa sunt practic egali. Functionarea tranzistorului se bazeaza pe controlul conductantei electrice a canalului intre drena si sursa, control efectuat prin tensiunea poarta-sursa.
3.Zone de lucru si caracteristici specifice
Zonele de lucru ale tranzistorului MOS depind de structura fizica a aparatului. Ideea principala care sta la baza functionarii este implantul a doua zone dopate identic in aproprierea unei insule de substrat. Aceste doua zone dopate sunt conectate la terminalele de sursa si drena. Substratul poate fi de doua feluri, n si p , sau material insulator, depinzand de procesul tehnologic. Terminalul grila este separat de substrat printrun strat subtire de SiO2. Terminalul bulk este conectat direct la substrat. In continuare se vor exemlpifica zonele de lucru ale tranzistorului nMOS.
O tensiune pozitiva aplicata intre grila si sursa respinge golurile din substrat sub grila. Daca VGS este mai mare decat tensiunea de prag VTh, substratul de sub grila se polarizeaza invers si se creeaza un canal intre drena si sursa. Contactul dintre sarcinile de difuzie n si cele din substrat p formeaza o zona de gol care este distribuita in jurul drenei, sursei si in lungul canalului.
Odata ce canalul a fost realizat, este nevoie de o tensiune drena-sursa pentru a accelera electronii catre drena. Curentul este mentinut prin injectare de electroni in canal prin partea sursei si eliminarea lor prin terminalul drenei.
3.1 Zona de taiere.
Daca tensiunea VGS este mai mica decat tensiunea de prag necesara creeri canalului, curentul prin tranzistor este nul. In zona de taiere, tranzistorul functioneaza asemenea unui contact deschis cu rezistenta mare.
3.2 Zona de trioda.
Tranzistorul MOS functioneaza in aceasta zona cand VGS este suficient de mare incat sa formeze canalul, dar VDS este mai mica decat VDSsat. Conform figurii 3.1 se poate observa existenta contactului ohmic intre drena si sursa. Consideram VGS > VTh(tensiunea de prag) astfel incat suprafata de sub oxid este polarizata invers , VDS > 0 , ducand la aparitia unui curent de drift care va circula de la drena la sursa. Initial vom considera ca potentialul drena-sursa VDS este suficient de mic incat atat tensiunea de prag cat si latimea stratului de goluri sunt constante. Trebuie calculata capacitatea C`ox.
Diferenta de potential dintre grila si canal este VGS - V(y), unde V(y) reprezinta potentialul din figura 3.1. Sarcina / unitatea de arie in stratul polarizat invers este data de relatia:
![]()
Sarcina Q`b este data de relatia:
|
|
Fig. 3.1 Sectiune tranzversala a unui tranzistor nMOS in zona de trioda
Sarcina
totala din canal, pentru conductia curentului intre drena si sursa este data de
diferenta ultimelor doua ecuatii si se poate scrie :
(1), unde Q`1 reprezinta sarcina in
canalul polarizat invers.
Rezistenta
diferentiala a zonei canalului cu o lungime de dy si latime W este data de
relatia:
, unde μn [cm2/
V∙sec] reprezinta mobilitatea medie a electronilor prin canal;
si inlocuind in relatia (1) obtinem
Definim transconductanta tranzistorului MOS ca fiind (pentru un trnazistor cu canal n ) :
![]()
Astfel curentul poate fi obtinut prin integrarea ecuatiei (2) in partea stanga de la 0 la L si partea dreapta de la 0 la VDS :
sau
pentru VGS
VTh si VDS
VGS - VTh (3)
Aceasta ecuatie este adevarata pentru tranzistorul MOS in zona de trioda. Acesta este cazul in care canalul indus se extinde de la sursa la drena. Continuand putem rescrie ecuatia de mai sus folosind urmatoarea ecuatie :
sau 
Pentru tranzistorul pMOS avem urmatoarea ecuatie:
pentru VSG
VTh si VSD
VSG - VTh
3.3 Zona de saturatie
|
Fig. 3.2 Sectiune tranzversala a unui tranzistor nMOS in zona de saturatie |
Tensiunea VDS este mereu mai mica decat VGS - VTh astfel ca in niciun punct din canal sarcina este zero. Cand VDS= VGS - VTh , sarcina de sub grila devine zero. Aceasta tensiune dintre drena si sursa o numim tensiune de saturatie VDS,sat si indica momentul cand sarcina este taiata la suprafata canalului dintre drena si sursa. In plus, crescand tensiunea VDS nu creste si curentul de drena. Daca aceasta tensiune creste pana cand zona de goluri dintre drena si sursa se extinde, tranzistorul se numeste "punched through". In aceste conditii pot circula numai curenti foarte mari ducand la deteriorarea aparatului. Tensiunea maxima care poate fi aplicata intre drena si sursa unui tranzistor MOS este data de tensiunea "punchthrough" .
Pentru
lungimi de canale lungi, tensiunea maxima dintre drena si sursa este data de o
tensiune de prabusire a drenei. Cand tranzistorul lucreaza in canalul PINCHED-OFF adica VDS
VGS - VTh spunem ca
lucreaza in saturatie. Inlocuind VDS,sat in ecuatia (3) vom obtine
ca
pentru VDS
VGS si VGS
VTh
Prelucrand ecuatia de mai sus obtinem
Astfel, cu cat latimea stratului de goluri creste o data cu tensiunea VDS , cu atat va creste si curentul. Acest efect se numeste modularea lungimii canalului. Pentru a determina schimbarea ce are loc la iesirea curentului derivam ecuatia precedenta cu VDS si obtinem :
unde
si
se numeste parametru de modelare a lungimii canalului si poate varia de la 0.01
la 0.1;
In final,
Caracteristica I/V :

Transconductanta gm este calculata conform:
|
Fig. 4.1 |
|
Fig. 4.2 Modelul de semnal mic pentru tranzistorul MOS |
In continuare vom examina cum transconductanta influenteaza nivelele de semnal. Cand vgs devine comparabila in amplitudine cu VGS, variatia transconductantei poate fi observata in castigul amplificatorului. Tensiunea drena-sursa poate influenta si ea transconductanta. Daca tensiunea AC este suficient de mica incat vgs << VGS si produsul dintre componentele alternative si cele continue este mai mic decat 1 atunci ,
![]()
Se observa ca ![]()

Transconductanta 
Conductanta tranzistorului MOS creste liniar cu ID cand functioneaza in regiunea de dinaintea tensiunii de prag iar dupa aceasta regiune creste proportional cu ID. Atunci cand tranzistorul este polarizat in zona de trioda acesta poate fi inlocuit cu un rezistor controlat in tensiune.Expresia rezistentei rezulta facand urmatoarea aproximare liniara (valabila doar pentru valori mici ale lui VDS):
. Capacitati parazite . Capacitatile jonctiunilor.Capacitatile de suprapunere. Capacitatea canalului

unde,
-COLS si COLD reprezinta capacitatile de suprapunere ale sursei si drenei create prin suprapunerea grilei peste sursa si drena;
-CjBS,CjBD,CjBCh sunt capacitatile bulk-sursa, bulk- drena , bulk- canal;
-CCh - capacitatea canalului.
Toate aceste capacitati sunt parazite si depind de zona de functionare a tranzistorului.
Capacitatile jonctiunii:
; 
In aceste ecuatii CBS0 si CBD0 depind de concentratia de dopare, iar Ø0BS si Ø0BD sunt potentialele intrinseci de suprafata ale potentialelor.
Capacitatile de suprapunere:
Aceste capacitati sunt aproximate cu expresia unor capacitati plane a caror valori sunt calculate :
![]()
unde, LOL reprezinta lungimea de suprapunere. In expresia de mai sus s-a presupus ca regiunea de difuzie si cea de suprapunere sunt egale pe portiunile de sursa si drena ale tranzistorului.
Capacitatile canalului:
Capacitatea canlului poate fi exprimata ca functie de geometria tranzistorului si de capacitatea dintre grila si oxid. Contributia acestei capacitati difera, in functie de zona de lucru a tranzistorului.
![]()

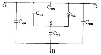
Fig. 7.1. Modelul de semnal mic, inalta frecventa, zona de trioda
Modelul de semnal mic, inalta frecventa in zona de saturatie este aratat in urmatoarea figura:
|
Fig. 8.1 Modelul de semnal mic, inalta frecventa in zona de saturatie |
Capacitatile asociate cu modelul de inalta frecventa in zona de saturatie sunt:
Datorita lipsei contactului ohmic intre drena si stratul polarizat invers, capacitatea canalului contribuie doar la capacitatea grila-sursa. La fel se intampla si cu capacitatea canal-bulk. Capacitatea grila-bulk este CGB0.
Capacitatile parazite ale tranzistorului MOS ce corespund diferitelor zone de lucru sunt prezentate in tabelul de mai jos:
|
|
Zona de taiere |
Zona de trioda |
Zona de saturatie |
|
CGS |
WLOLCox |
|
|
|
CGD |
WLOLCox |
|
WLOLCox |
|
CGB |
|
CGB0 |
CGB0 |
|
CSB |
CjSB |
|
|
|
CDB |
CjDB |
|
CjBS |
9. Scheme de simulare
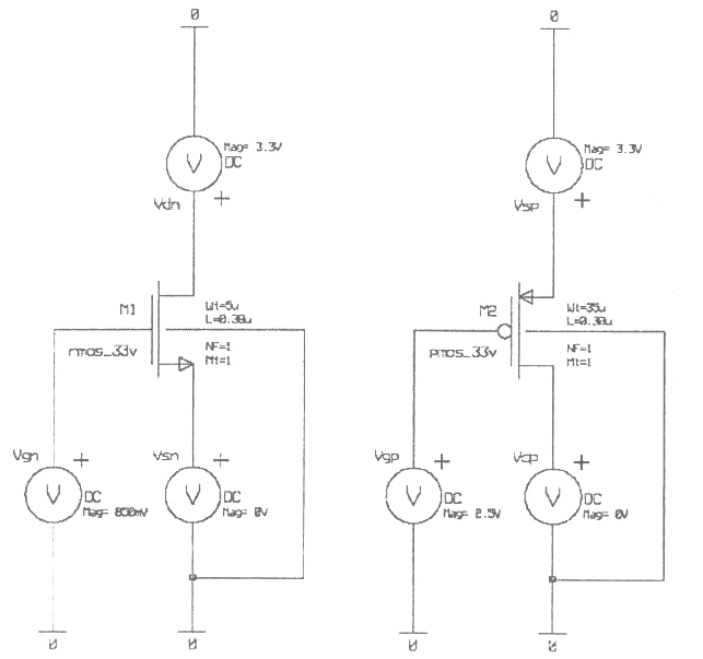
Schemele folosite pentru simularea caracteristicilor tranzistorului MOS sunt prezentate in figura 9.1. Cu ajutorul acestor scheme se pot determina caracteristicile de iesire, caracteristicile transconductantei ale tranzistoarelor nMOS si p MOS. Punctul bias este controlat din potentialele tuturor terminalelor.
|
Fig. 9.1. Schemele de simulare ale celor doua tranzistoare MOS |
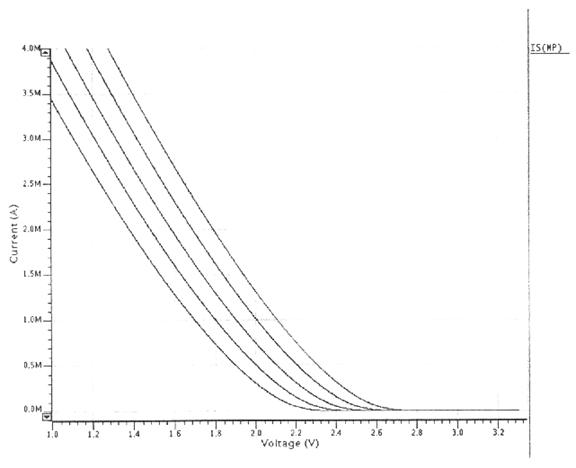
Simularea caracteristicii de iesire a unui tranzistor nMOS este obtinuta prin reglarea potentialului din drena intre 0V si 3.3 V . Pentru a obtine familia de curbe este necesara o a doua reglare a potentialului. Aceasta se face asupra terminalului de grila si variaza intre 800mV si 1.2 V cu o incrementare de 100mV. Reprezentarea grafica a caracteristicii de iesire a unui tranzistor nMOS este prezentata in figura 9.2. O simulare aproximativ la fel se face si pentru tranzistorul pMOS. Variabila VGp variaza intre 2.4 V si 2.6 V cu o incrementare de 50mV. Reprezentarea grafica a caracteristicii de iesire a unui tranzistor pMOS este prezentata in figura 9.3
Simularea caracteristicii transconductantei a unui tranzistor nMOS in zona de saturatie - Simularea arata dependenta curentului din drena de potentialul grila-sursa. A doua variabila modificata este potentialul sursei ( terminalul bulk este legat la masa) si influenteaza valoarea tensiunii de prag. In figura 9.4 se poate observa cum curentul are o variatie parabolica.
Simularea caracteristicii transconductantei a unui tranzistor pMOS in zona de saturatie - Caracteristica transconductantei unui tranzistor pMOS este similara cu cea a unui tranzistor nMOS dar cu conditia ca regula semnelor tuturor potentialelor sa fie respectata. Caracteristica transconductantei este prezentata in figura 9.5.

Fig 9.2 Reprezentarea grafica a caracteristicii de iesire
a unui tranzistor nMOS

Fig 9.3 Reprezentarea grafica
a caracteristicii de iesire a unui tranzistor pMOS
|
Fig 9.4 Simularea caracteristicii transconductantei a unui tranzistor nMOS in zona de saturatie |
|
Fig 9.5 Simularea caracteristicii transconductantei a unui tranzistor pMOS in zona de saturatie |
10. Parametrii de maxim interes
TRANSCONDUCTANTA DE SEMNAL MIC [
]
Pentru un tranzistor MOS cu canal n avem urmatoarea relatie:
![]()
- factor de castig
Pentru un tranzistor MOS cu canal p avem urmatoarea relatie:
![]()
![]()
TRANSCONDUCTANTA BULK
Transconductanta bulk este definita ca variatia curentului de drena cauzata de o variatie foarte mica a tensiuni bulk-sursa. Curentul de drena depinde de aceasta tensiune prin tensiunea de prag . Astfel , transconductanta bulk este definita conform expresiei de mai jos.
In general, factorul de multiplicare a transconductantei de semnal mic este un ordin de magnitudine mai mic decat unitatea.
REZISTENTA DRENA - SURSA [Ω]
Aceasta rezistenta este definita ca variatie a tenisunii dintre cele doua terminale cauzata de o variatie foarte mica a curentului de drena in jurul punctului bias. Relatia este data de urmatoarea formula:
CAPACITATLIE PARAZITE
Capacitatile jonctiunii:
In aceste ecuatii CBS0 si CBD0 depind de concentratia de dopare, iar Ø0BS si Ø0BD sunt potentialele intrinseci de suprafata ale potentialelor.
Capacitatile de suprapunere:
Aceste capacitati sunt aproximate cu expresia unor capacitati plane a caror valori sunt calculate :
![]()
unde, LOL reprezinta lungimea de suprapunere. In expresia de mai sus s-a presupus ca regiunea de difuzie si cea de suprapunere sunt egale pe portiunile de sursa si drena ale tranzistorului.
Capacitatile canalului:
Capacitatea canlului poate fi exprimata ca functie de geometria tranzistorului si de capacitatea dintre grila si oxid. Contributia acestei capacitati difera, in functie de zona de lucru a tranzistorului.
![]()
LUNGIMEA CANALULUI
Distanta dintre doua regiuni n+ se numeste lungimea canalului notata cu L . Aceasta reprezinta o dimensiune esentiala in stabilirea caracteristicilor electrice ale dispozitivului.
[
LATIMEA CANALULUI
[
]
TENSIUNEA DE PRAG [V]

Tensiunea de prag apare atunci cand tensiunea grilei creste de la zero. Cu cat VG creste, golurile din substratul p sunt puse in miscare, lasand in urma ioni negativi. In aceste conditii nu circula niciun curent pentru ca nu sunt purtatori de sarcina disponibili. Cand potentialul creste destul de mult, electronii circula de la sursa la drena. Astfel se formeaza un canal de purtatori de sarcina iar tranzitorul este "pornit" Valoarea tensiunii VG pentru care se intampla aceasta se numeste tensiune de prag, VTh
MOBILITATEA [cm2/V sec]
Mobilitatea reprezinta raportul dintre viteza electronilor si campul electric. Aceasta este folosita in parametrii modelelor BSIM, pentru a realiza caracteristicile tensiune curent ale rezultatelor masurate cu programul SPICE. Pentru dispozitivele cu canal scurt, mobilitatea scade din moment ce viteza purtatorilor de sarcina incepe sa devina saturata. Mobilitatea scade o data cu crestearea temperaturii.
![]()
11. Mdelul SPICE al tranzistorului MOS
Pentru a drescrie un tranzistor MOS in SPICE, trebuie sa numaram nodurile si sa precizam parametrii tranzistorului. Orice MOSFET este reprezentat in lista de elemente conform sintaxei:
Mname ND NG NS NB ModName <parameters>
unde,
Mname este numele tranzistorului specificat (trebuie sa inceapa cu litera M),
iar legaturile sunt specificate numerotand nodurile:
ND= numarul specific drenei
NG= numarul specific grilei
NS= numarul specific sursei
NB= numarul specific bulk
ModName este numele modelului ce contine parametrii.
<parameters> sunt o serie de parametrii care dau specificatii asupra tranzistorului :
L - lungimea canalului
W - latimea canalului
AD - zona drenei n+ sau p+
PD - perimetrul drenei n+ sau p+
AS - zona sursei n+ sau p+
PS - perimetrul sursei n+ sau p+
Este important sa stim ca toate dimensiunile trebuiesc specificate, factori utili sunt u=10-6 sau p = 10-12.Lungimea canalului , L , si latimea sa, W , pot fi adesea inlocuite cu valori ce influenteaza parametrii. Detalii despre tranzistorul MOS sunt continute in declaratia .MODEL precum celalalte dispozitive active din SPICE. In general declaratia este:
.MODEL ModName <parameter list>
unde informatia dintre < > depinde de modelul tranzistorului folosit. Modelele sunt selectate de specificatia
Level = N
folosita intre < > , iar N este predefinit sa faca referinta catre un set particular de valori si ecuatii. Exita trei valori ale lui N( Level = 1 , 2 , 3 ).
Modul de tratare SPICE pentru capacitatile parazite. Intrucat programul in sine realizeaza o analiza transient (in timp), incrementand variabila timp, capacitatile neliniare sunt usor de inclus in calcule. Valorile "zero-bias" sunt date de CJ , CJSW, CGBO, CGDO si CGSO. Parametrii de gradare MJ si MJSW pot fi modificati in functie de profilul modelului. Informatii despre arie si perimetru sunt incluse in descrierea dispozitivului folosind AD, AS, PD si PS .
Pentru calcularea tensiunii de prag avem urmatorii parametrii in SPICE:
|
Simbol |
Nume |
Descriere |
Default |
Typ. |
Unitate de masura |
|
VTHN0 |
VTO |
Tensiunea de prag |
|
|
V |
|
|
GAMMA |
Parametrul boddy-effect |
|
|
V1/2 |
|
2|ΦF| |
PHI |
Potentialul suprafata-bulk |
|
|
V |
|
NA |
NSUB |
Substratul dopat |
|
1E15 |
cm-3 |
|
Q`ss / q |
NSS |
Densitatea suprafetei |
|
1E10 |
cm-2 |
|
|
TPG |
Tipul grilei |
|
|
|
Pentru calcularea transconductantei avem urmatorii parametrii in SPICE:
|
Simbol |
Nume |
Descriere |
Default |
Typ. |
Unitate de masura |
|
KP |
KP |
Transconductanta |
20E-6 |
50E-6 |
A/V2 |
|
tox |
TOX |
Grosimea grila-oxid |
1E-7 |
40E-9 |
m |
|
|
Lambda |
Lungimea canalului |
|
|
V-1 |
|
LD |
LD |
Difuzia laterala |
|
2.5E-7 |
m |
|
Μn,p |
UO |
Mobilitatea suprafetei |
|
|
cm2/Vs |
|