TRADUCTOARE ELECTRICE
12.1. Consideratii generale.
Intre marimea de masurat si obtinerea informatiei metrologice trebuie sa se stabileasca un intreg lant de masurare, in care traductorul are functia de a capta marimea de masurat si de a o converti intr-o forma convenbila pentru masurare. Traductorul reprezinta convertorul de intrare si din aceasta cauza, el are contact direct cu fenomenul supus masurarii. El trebuie sa fie sensibil la marimea de masurat, lucru ce determina atat natura cat si structura sa si conditioneaza selectarea principiilor ce pot fi utilizate.
Deci, prin traductor de masurare se intelege, in general, un dispozitiv tehnic care serveste la convertirea unei marimi fizice intr-o alta marime fizica ale carei variatii urmaresc fidel variatiile primei marimi fizice, cu scopul masurarii ei. Ele efectueaza transformarea analogica sau digitala a marimii de masurat intr-o marime fizica de aceeasi natura sau de natura diferita, avand insa calitatea importanta de a fi usor de masurat. Astfel, clasificarea traductoarelor dupa natura marimilor de intrare si de iesire este urmatoarea:
- traductoare de marimi electrice in marimi electrice (amplificatoarele, convertoarele, transformatoarele, redresoarele, divizoarele, sunturile, modulatoarele, demodulatoarele, etc.).
- traductoare de marimi neelectrice in marimi neelectrice (parghii, resoarte, membrane, reductoare, etc.).
- traductoare de marimi electrice in marimi neelectrice (dispozitivele de masurare, electromagneti, servomotoare, etc.)
- traductoare de marimi neelectrice in marimi electrice ( traductoare de temperatura, traductoare de deplasare, etc.) De cele mai multe ori notiunea de traductor se refera la aceasta ultima grupa, in sens mai restrans.
Din multitudinea traductoarelor realizate efectiv se constata dezvoltarea considerabila luata de traductoarele electrice (care reprezinta traductoarele ce convertesc marimea de intrare intr-o marime de iesire care este de natura electrica). Acest lucru se explica prin faptul ca traductoarele electrice sunt in general simple ca utilizare si pot fi usor adaptate si manipulate.
Dispozitivele electronice asigura amplificarea relativ usoara a marimilor electrice de la iesirea traductorului si aducerea semnalelor ce contin informatia de masurare la nivelul de putere dorit. Prin aceasta se permite masurarea unor marimi situate in locuri greu accesibile, incomode sau periculoase, iar semnalul obtinut in urma conv 454e46e ersiei efectuate de traductor poate fi transmis la distanta.
Traductoarele electrice se pot clasifica dupa urmatoarel criterii:
- dupa principiul de functionare traductoarele electrice se impart in doua categorii: traductoare generatoare sau energetice si traductoare parametrice sau modulatoare.
Traductoarele generatoare sau energetice sunt acele traductoare care furnizeaza la iesire o tensiune electromotoare sau curent fara sa fie necesara alimentarea lui cu energie electrica, de exemplu: traductoarele Hall, traductoarele piezorezistive, traductoarele termoelectrice, etc.
Traductoarele parametrice sau modulatoare sunt acele traductoare la care marimea de intrare, influentand proprietatile electrice ale unui corp este convertita intr-o marime electrica pasiva, de exemplu: rezistenta, inductanta, capacitate, etc, in acest caz fiind necesara o sursa exterioara de energie pentru efectuarea masurarii; exemple de acest tip sunt: traductoarele inductive, termorezistentele, termistoarele, etc.
- dupa marimea fizica pentru care sunt destinate s-o converteascan sunt: traductoare de temperatura, traductoare de deplasare, traductoare de presiune, etc.
- dupa natura marimii de iesire sunt: traductoare rezistive, traductoare capacitive, etc.
- dupa modul de variatie al marimii de iesire, traductoarele se impart in doua categorii: traductoare analogice si traductoare numerice sau digitale.
Traductoarele analogice sunt traductoarele la care marimea de iesire este sub forma unui semnal continuu, avand aceeasi variatie in timp ca si marimea de la intrare.
Traductoarele numerice sau digitale sunt traductoarele la care marimea de iesire este sub forma unui semnal discontinuu, o succesiune de impulsuri, sau o combinatie de tensiuni, care dupa un anumit cod semnifica modul de variatie al marimii aplicate la intrare.
12.2. Traductoare rezistive.
12.2.1. Traductoare reostatice (potentiometrice).
|
Fig. 12.1. Schema traductorului reostatic. Fig.12.2. Realizarea unor legi de variatie a rezistentei: a) continuu; b) in trepte. |
Traductoarele potentiometrice sunt rezistoare variabile cu cursor (reostate) la care cursorul este actionat de marimea de intrare, care poate fi o deplasare liniara sau o deviatie unghiulara. Marimea de iesire va fi o rezistenta care poate varia liniar in functie de marimea de intrare, sau dupa o lege anumita. Traductoarele reostatice sunt formate dintr-un suport izolant pe care este bobinat un conductor din material rezistiv, conductorul fiind izolat cu email sau cu oxid. Un cursor actionat de marimea de intrare se poate deplasa peste spirele bobinajului (fig. 12.1.).
Pe locul unde calca contactul cursorului, spirele se dezizoleaza. Suportul se confectioneaza din textolit, ceramica sau mase plastice. Se utizeaza si suporti din aluminiu oxidat (strat 10 mm) care prezinta avantajul unei bune raciri a conductorului si dimensiuni fixe. Este de dorit ca firul si carcasa sa aibe un coeficient de dilatare egal. Pentru conductoare se utilizeaza constantanul, manganina, aliaje nichel-crom si uneori platina-iridiu, cu diametre intre 0,02-0,1 mm. Cursorul este confectionat din lamele elastice din bronz fosforos, iar contactul din aliaje platina-iridiu sau platina-beriliu.
Se construiesc traductoare reostatice cu deplasare unghiulara cu mai mult de 360o, asa numitele potentiometre elicoidale, la care cursorul poate executa pana la cateva zeci de ture.
Pentru a asigura o anumita lege de variatie a rezistentei traductorului in functie de deplasarea cursorului, bobinarea conductorului se face pe suporti de forme bine determinate (fig. 12.2.a.). Uneori pentru simplificare se utilizeaza suporti cu trepte (fig. 12.2.b.).
Un dezavantaj important al traductorului reostatic il constituie semnalul perturbator produs la deplasarea cursorului (zgomot de contact), indeosebi in prezenta vibratiilor. Un alt dezavantaj al traductorului reostatic il constituie uzura relativ ridicata la care este supus in functionarea lui.
Traductoarele reostatice se utilizeaza la masurarea deplasarilor liniare, sau unghiulare relativ mari (mm - cm, respectiv zeci de grade), la masurarea fortelor si presiunilor.
12.2.2.Traductoare tensometrice
Traductorul tensometric este un traductor rezistiv (tensorezistiv) care are ca si marime de intrare o deformatie (alungire, contractie) iar marimea de iesire apare ca variatie a rezistentei unui filament din material conductor (metal), sau semiconductor sub efectul acestei deformatii.
Traductoarele tensometrice pot fi de doua tipuri: unele care se lipesc pe piesa a carei deformatie se cerceteaza si altele care nu se lipesc, fortele actionand direct asupra lor, deformandu-le. Cea mai mare raspandire o au traductoarele de primul tip, care la randul lor se impart in tensometre cu filament metalic si tensometre cu semiconductor. Cele cu filament metalic pot fi confectionate din conductor cilindric sau realizate sub forma peliculara. In fig. 12.3. a si b se prezinta aspectul traductoarelor tensometrice metalice care functioneaza prin lipire pe piesa de contact.
|
a) b) Fig.12.3. Traductoare tensometrice: a) cu fir; b) peliculare. |
Aceste traductoare se mai numesc si timbre tensometrice sau marci tensometrice. In fig. 12.3.a. este prezentat traductoarul cu fir metalic. El este compus din doua folii intre care se afla lipit in forma din figura un fir metalic cilindric de diametru (0,020,03) mm. Drept folii se utilizeaza hartia , matasea sau folii de plastic. Pentru conectarea traductorului in circuit se prevad terminalele din cupru. Pentru fire se utilizeaza aliaje de mare rezistivitate avand un coeficient mic de temperatura a rezistivitatii. Cea mai mare utilizare o are constantanul.
Traductorul tensometric de forma peliculara (fig. 12.3.b) este realizat dintr-o pelicula din aliaj, depusa prin procedee fotografice sau prin evaporare in vid pe un suport izolant.
Traductorul tensometric pelicular are avantajul unui contact termic mai bun cu piesa pe care se lipeste, ceea ce permite functionarea cu un curent mai mare fapt ce duce la marirea sensibilitatii instalatiei de masurare. Mai prezinta avantajul de a putea fi confectionat de dimensiuni mai mici si de forme mai complicate pentru studiul solicitarilor complexe. De asemenea traductorul tensometric pelicular se preteaza mai usor la o fabricatie in serie. Dimensiunea activa a traductorului tensometric este lungimea buclelor din care este format. Aceasta lungime mai poarta denumirea de baza. Se construiesc traductoare avand baza de la 3 mm (1 mm la marcile peliculare), pana la 150 mm. Traductoarele cu baza mare se utilizeaza pentru masurarea deformatiilor materialelor neomogene (beton, lemn). Latimea traductorului poate varia de la ordinul mm pana la zeci de mm. Pentru studiul solicitarilor complexe se utilizeaza tensometre sub forma de rozete sau retele multiple. Traductoarele tensometrice, atat cele cu fir cat si cele peliculare, au rezistenta ohmica intre 30 si 600 de ohmi in functie de dimensiuni si material.
Traductoarele tensometrice cu semiconductori utilizeaza germaniul si in deosebi siliciul atat de conductibilitate 'p' cat si 'n'. Aceste traductoare prezinta avantajul unei sensibilitati de aproximativ 30100 de ori mai mare decat a celor metalice, in schimb prezinta o caracteristica neliniara si sunt mai influentate de variatia temperaturii. Rezistenta lor variaza intre 30 W si 30 kW in functie de semiconductor, dimensiuni si conductibilitate. Traductoarele tensometrice cu semiconductori de tip 'p' au o crestere a rezistentei la intindere (ca la metale), pe cand cele de tip 'n', au o scadere a rezistentei la intindere.
Traductoarele tensometrice ce se lipesc pe piesa cercetata nu se pot intrebuinta decat pentru o singura masuratoare. Ele nu pot fi dezlipite fara a fi distruse. Pentru masuratori repetate si in timp mai indelungat, se utilizeaza traductoare tensometrice de constructie speciala care nu se lipesc. Ele se construiesc pentru masurarea deformatiilor produse la solicitari la intindere sau compresiune, la torsiune sau la incovoiere. Ele sunt confectionate din fire de mare rezistivitate, utilizate pentru traductoare tensometrice, montate pretensionat pe suporti izolanti. Firele se conecteaza electric intr-o punte. La aparitia solicitarii puntea se dezechilibreaza.
12.2.3. Traductoare termorezistive
Aceste traductoare constau dintr-un conductor sau semiconductor, care prezinta un mare coeficient de variatie a rezistentei cu temperatura. In cazul folosirii materialelor conductoare, traductoarele se numesc termorezistoare, iar in cazul folosirii materialelor semiconductoare, traductoarele se numesc termistoare.
Termorezistoarele se executa din anumite metale pure, deorece aliajele au un coeficient de temperatura a rezistivitatii mai mic. Cele mai utilizate metale sunt: cuprul, nichelul si platina. La acestea dependenta rezistentei de temperatura este bine cunoscuta si constanta in timp. Termorezistoarele sunt confectionate din fire la care raportul dintre lungime si diametru este mai mare de 200.
Cuprul se poate utiliza pana la 180oC, deoarece la temperaturi mai mari se oxideaza. In intervalul (-30+180)oC, dependenta rezistentei de temperatura este liniara si se exprima prin relatia:
Rq = R0 (1 + aCu q (12.1)
unde R0 este rezistenta la 0oC, iar aCu = 4,3.10-3/oK.
Nichelul se utilizeaza pana la la 300oC. In intervalul (0100)oC este valabila relatia (12.1), cu aNi = 6.10-3/oK. Nichelul are rezistivitatea mai mare de aproximativ 3 ori decat cuprul, termorezistoarele realizate din el avand dimensiuni mai mici.
Platina poate fi utilizata pana la 1200oC. In intervalul (0+660)oC este valabila relatia:
Rq = Ro (1 + Aq + Bq (12.2)
iar in intervalul (-1800)oC
Rq = Ro[1 + Aq + Bq + C( q (12.3)
unde Ro este rezistenta la 0oC si A, B, C sunt constante. In afara intervalului -180oC+660oC, dependenta rezistentei platinei fata de temperatura se da sub forma tabelata. Dupa cum se observa din relatiile de mai sus dependenta rezistentei de temperatura este neliniara, ceea ce constituie un dezavantaj. In practica corespondenta rezistenta-temperatura nu se stabileste pe baza relatiilor matematice, ci pe baza tabelelor standardizate, care indica aceasta de obicei din zece in zece grade.
Termistoarele (termorezistoare din semiconductori) sunt rezistoare volumice confectionate din amestecuri de oxizi de diferite metale, presate sub forma de bastonas, placuta, disc sau perla. Cea mai mare utilizare o au termistoarele cu coeficient de temperatura negativ. Se construiesc si termistoare cu coeficient de temperatura pozitiv, numite si pozistoare.
|
Fig. 12.4. Legea de variatie a termorezistoarelor. |
La semiconductoare, dependenta rezistentei de temperatura poate fi exprimata sub forma:
(12.4)
unde temperatura este in grade Kelvin. Dependenta este neliniara dupa cum se observa in figura 12.4 si cu variatie negativa.
Daca se dezvolta in serie expresia de mai sus, la variatii mici de temperatura, putem retine doar primii doi termeni si se obtine:

(12.5)
unde s-a notat cu
coeficientul de temperatura al termistoarelor.
Acest coeficient este de 810 ori mai mare decat cel al cuprului. De asemenea, rezistivitatea termistoarelor
este mult mai mare si astfel se pot obtine traductoare termorezistive de
dimensiuni foarte mici (gamalie de ac) ceea ce duce la o inertie termica foarte
mica.
Dezavantajul principal al termistoarelor consta in instabilitatea in timp a caracteristicilor. Se utilizeaza pentru masurarea temperaturilor cuprinse intre -70oC+200oC.
12.3. Traductoare capacitive
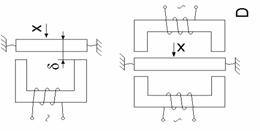
Traductoarele capacitive se bazeaza pe varierea capacitatii unui condensator de catre marimea neelectrica. Marimea de intrare X poate actiona asupra oricarui parametru al condensatorului.
(12.6)
Astfel, in figura 12.5, se arata exemple de traductoare capacitive comandate prin varierea distantei d dintre armaturi, a suprafetei S a armaturilor condensatorului, sau a constantei dielectrice e. La acestea se poate adauga traductorul capacitiv care se bazeaza pe varierea pierderilor in dielectric.
|
Fig. 12.5. Traductoare capacitive: a) cu distanta dintre armaturi variabila, b) cu suprafata armaturilor variabila, c) cu constanta dielectrica variabila, d) cu pierderi in dielectric variabile, D diferential. |
In
vederea utilizarii traductorului capacitiv intereseaza variatia reactantei lui:
.
La w = constant rezulta diferentiala
totala:
(12.7)
care devine
(12.8)
unde cu e' si S0 s-au notat parametrii respectivi in situatia initiala cand marimea de intrare este nula. De aici se pot defini sensibilitatile traductorului capacitiv:
- la varierea lui d e si S=constant)
(12.9)
- la varierea suprafetei armaturilor (e si d=constant)
(12.10)
- la varierea lui e
(12.11)
Se observa ca sensibilitatea definita astfel este constanta in raport cu variatia distantei dintre armaturi si neliniara fata de variatia celorlalti parametri.
Trebuie
avut in vedere ca traductorul capacitiv conectat in circuitul de masurare apare
in paralel cu el o capacitate parazita Cp. Capacitatea echivalenta
va fi
.
Variatia acestei capacitati echivalente sub actiunea marimii de intrare X se
datoreste variatiei lui C. Astfel
si
(12.12)
deci variatia relativa a capacitatii echivalente
este cu atat mai mica cu cat CP este mai mare. Tot de
ori vor scadea sensibilitatile calculate anterior.
Aceasta capacitate parazita mai introduce erori datorita fluctuatiei ei din
diverse cauze. Din acest motiv se urmareste micsorarea ei. O metoda consta in a
utiliza traductoare capacitive diferentiale.
Traductorul capacitiv are sensibilitatea ridicata si inertie mica. Ca dezavantaj se poate semnala faptul ca avand semnal mic de iesire, necesita amplificare.
Domeniile de aplicare a traductorului capacitiv sunt foarte numeroase: masurarea deplasarilor mici si mari si prin intermediul acestora a fortelor, presiunilor, acceleratiilor, vibratiilor, nivelelor, etc. De asemenea se utilizeaza la masurarea umiditatii.
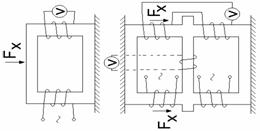
12.4. Traductoare inductive.
Traductoarele inductive sunt bobine de inductanta proprie sau mutuala, cu sau fara miez feromagnetic, la care sub actiunea unei deplasari ce reprezinta marimea de intrare se modifica inductanta proprie L sau mutuala M a bobinei respective. Din punct de vedere al modalitatii de variatie a inductantei, traductoarele inductive sunt foarte diverse (fig. 12.6). Variatia inductantei sub actiunea unei deformari sau deformatii poate fi obtinuta prin modificarea lungimii sau suprafetei intrefierului circuitului magnetic, prin deplasarea unui miez feromagnetic, prin varierea permeabilitatii miezului, a pierderilor prin curenti turbionari, etc. Aproape toate tipurile de traductoare enumerate mai sus pot fi realizate in forma simpla sau diferentiala dupa cum rezulta in fig 12.6. Traductoarele inductive de tip diferential prezinta avantajul unei sensibilitati duble, o mai buna liniaritate si compensarea influentei variatiilor surselor de alimentare si ale parametrilor mediului.
|
e |
|
|
|
d |
|
|
|
c |
|
|
|
b |
|
|
|
a |
|
|
|
|
I |
II |
|
Fig. 12.6. Traductoare inductive: a) cu lungimea intrefierului variabila, b) cu suprafata intrefierului variabila, c) cu deplasarea miezului, d) cu permeabilitate magnetica variabila, e) cu pierderi prin curenti turbionari; D - diferential, I - traductor de inductanta proprie, II - traductor tip transformator. |
||
12.4.1. Traductoare de inductanta proprie.
Expresia inductantei unei bobine este:
(12.13)
unde N este numarul de spire al bobinei, m - permeabilitatea magnetica a miezului, S -
suprafata strabatuta de flux magnetic, l - lungimea medie a liniilor de camp
magnetic, iar cu Rm s-a notat reluctanta magnetica;
.
In cazul bobinelor cu miez feromagnetic cu intrefier, din cauza valorii mult
mai mari a permeabilitatii fierului fata de cea a aerului, reluctanta fierului
devine neglijabila si astfel in expresia inductantei intervine lungimea d si suprafata S a intrefierului.
Considerand numarul de spire si permeabilitatea constante, rezulta diferentiala totala :
(12.14)
Considerand
ca variatia inductantei se datoreste numai variatiei intrefierului
,
rezulta sensibilitatea traductorului inductiv la S=constant:
(12.15)
unde cu L0 s-a notat inductanta traductorului in situatiea initiala, cand marimea de intrare X este nula.
La
fel, se poate exprima sensibilitatea traductorului inductiv la variatia suprafetei
intrefierului, ![]()
,
lungimea intrefierului fiind mentinuta constanta
(12.16)
Se
observa ca sensibilitatea traductorului inductiv fata de suprafata intrefierului
este constanta, nedepinzand de dS, pe cand sensibilitatea fata de lungimea intrefierului
este neliniara (hiperbolica) depinzand de raportul
.
Curentul prin traductor este insa proportional cu d
(12.17)
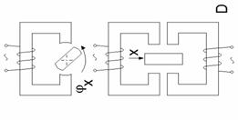
12.4.2. Traductoare de inductanta mutuala (tip transformator).
Fluxul magnetic produs de bobina primara
(12.18)
(i este valoarea momentana a curentului ce alimenteaza bobina) induce in secundar tensiunea
(12.19)
Considerand
curentul primar sinusoidal
,
rezulta
(12.20)
iar valoarea efectiva a acestei tensiuni
(12.21)
unde cu
s-a notat produsul marimilor care se pot
considera constante la variatia marimii de intrare X.
Diferentiala totala
(12.22)
devine
(12.23)
de unde rezulta sensibilitatea la variatia lungimii intrefierului (S=constant)
(12.24)
si sensibilitatea la variatia suprafetei intrefierului (d=ct)
(12.25)
unde E0 este tensiunea initiala la X=0.
Comparand sensibilitatile traductorului inductiv de inductanta proprie cu cele ale traductorului de inductanta mutuala, rezulta ca la cel din urma, sensibilitatile cresc cu w
Traductoarele inductive pot avea precizii de (0,105)% si pot masura deplasari de la ordinul micrometrilor pana la ordinul decimetrilor. Se utilizeaza la micrometre, dinamometre, manometre, accelerometre, etc.
Traductorul inductiv furnizeaza la iesire un semnal mare capabil sa actioneze direct asupra dispozitivului de masurat.
Traductoarele de inductanta proprie, indeosebi cele diferentiale, se conecteaza in scheme de punte de curent alternativ, asemanatoare cu cele utilizate la traductoarele tensometrice.
12.5. Traductoare termoelectrice.
Vezi indrumatorul de laborator.
12.6. Traductoare galvanomagnetice.
Aceste traductoare se bazeaza pe fenomene ce apar in camp magnetic si anume efectul Gauss si efectul Hall. Efectul Gauss se manifesta prin micsorarea mobilitatii purtatorilor de sarcina sub influenta campului magnetic, iar efectul Hall consta in aparitia unei tensiuni electromotoare intre doua puncte ale unui conductor, sau semiconductor, parcurs de curent si plasat in camp magnetic normal pe directia curentului.
12.6.1. Traductoare Gauss (magnetorezistive)
Cel mai reprezentativ traductor din aceasta categorie il reprezinta magnetorezistorul. Functionarea lui se bazeaza pe efectul Gauss, efect care consta in micsorarea mobilitatii purtatorilor de sarcina sub actiunea campului magnetic. Acest efect produce alungirea traiectoriei de miscare a purtatorilor de sarcina electrica. Ca urmare creste rezistenta electrica a traductorului. Variatia relativa de rezistenta electrica a traductorului poate fi scrisa sub forma:
(12.26)
|
Fig. 12.7. Traductoare magnetorezistive: a) forma de tip retea; b) disc Corbino. |
unde r0 este rezistenta traductorului la inductie B = 0 T, A este un coeficient de material care tine cont si de forma geometrica a traductorului, m reprezinta mobilitatea purtatorilor de sarcina, iar exponentul m se considera egal cu 2 pentru campuri magnetice slabe (B £ 0,5 T) si egal cu unitatea pentru campuri magnetice tari.
Pentru confectionarea acestor traductoare se utilizeaza materiale semiconductoare de tipul Bi, InAs, InSb, etc. Forma geometrica poate fi sub forma spirala, retea sau disc Corbino (fig. 12.7.). La discul Corbino, un electrod este plasat in centru, iar cel de-al doilea pe periferia discului. Pentru acest mod de amplasare a electrozilor, liniile radiale de curent, devin spirale logaritmice sub influenta campului magnetic.
Rezistenta si sensibilitatea traductoarelor magnetorezistive depind de temperatura Utilizand materiale omogene si corespunzator aliate, coeficientul de temperatura e rezistentei poate fi scazut la (0,050,1) % / oC.
Traductoarele a caror functionare se bazeaza pe fenomenul magnetorezistiv se folosesc la masurarea inductiei magnetice continue sau alternative si intr-o serie de dispozitive, unde este necesara o rezistenta variabila fara contact.
Au aparut noi traductoare galvanomagnetice, realizate din semiconductoare (magnetodiodele), realizate din jonctiuni nesimetrice p-n. Ele se bazeaza pe fenomenul cresterii proportionale a rezistentei traductorului cu inductia campului magnetic exterior. Daca se mentine un curent constant prin acest tip de conductor, caderea de tensiune pe el va fi intr-o legatura matematica cu inductia magnetica. Acest tip de traductor se caracterizeaza printr-o sensibilitate ridicata (20100)V/T, de cateva ordine de marime mai mare decat sensibilitatea traductorului Hall.
12.6.2. Traductoare Hall.
|
Fig. 12.8. Traductorul Hall. |
Traductorul Hall este confectionat dintr-un volum paralelipipedic de material semiconductor (fig. 12.8). Pe doua dintre fetele laterale ale traductorului se face alimentarea de la o sursa exterioara, numita de comanda (Uc), ale carei electrozi sunt fixati pe doua dintre suprafetele laterale, iar pe suprafetele laterale, opuse acestor doua, se obtine tensiunea electromotoare, UH numita si tensiune Hall (fig.12.8.). Campul magnetic este perpendicular pe suprafata perpendiculara suprafetelor pe care se obtine tensiunea Hall. In aceste conditii, purtatorii de sarcina din semiconductor sunt deviati de catre fortele Lorenz, spre laturile placutei, producand aparitia efectului Hall.
Tensiunea electromotoare Hall este proportionala cu produsul vectorial dintre curent si inductie:
(12.27)
unde, kH este constanta Hall a materialului din care este confectionat traductorul, constanta ce depinde de material si de temperatura, iar h este grosimea paralelipipedului de semiconductor din care este confectionat acesta. Se observa ca traductorul Hall este un element multiplicator, marimea de iesire depinzand de produsul a doua marimi de intrare.
Efectul Hall se manifesta mai puternic la semiconductoarele care prezinta un singur tip de conductibilitate, fie "p" sau "n". La metale efectul este foarte mic. Se utilizeaza materiale semiconductoare, monocristale de Si, Ge, InAs, InSb, HgSe, HgTe, etc. Grosimea placii este de zecimi de milimetri, cu laturile de ordinul milimetrilor. In cazul constructiilor miniaturizate, prin depuneri in vid, dimensiunile cristalului semiconductor se reduc la ordinul micrometrilor. La unele traductoare, pentru o mai uniforma distributie a curentului prin semiconductori, bornele de curent sunt executate sub forma de placi, care se intind pe toata latura traductorului.
Daca marimile de intrarea sunt continue, si marimea de iesire, tensiunea Hall este continua. Daca, una dintre marimile de intrare este variabila (alternativa) si cealalta este constanta (continua), tensiunea Hall va fi variabila (alternativa) cu frecventa tensiunii de intrare.
In cazul, ca una dintre marimile de intrare variaza cu w , iar cea de a doua cu w , tensiunea Hall de la iesire va avea doua componente a caror frecventa va fi w1- w2, respectiv w1+ w2. In cazul particular, cand atat curentul cat si inductia au aceeasi frecventa si sunt defazate cu unghiul j, tensiunea Hall va fi compusa dintr-o componenta continua si una alternativa cu frecventa dubla:
(12.28)
Pe baza acestei relatii, traductorul Hall poate fi utilizat la constructii de wattmetre.
Erorile care afecteaza traductorul Hall se datoresc temperaturii, tensiunii de neechipotentialitate, instabilitatii parametrilor in timp, efectelor de redresare si de termocuplu ce apar la bornele traductorului. Temperatura are influenta cea mai mare. Totusi, erorile de temperatura nu depasesc, la unele traductoare, (2-3)%, intr-un interval de 15 40oC. Micsorarea acestor erori se poate face prin termostatizarea traductorului, sau cu ajutorul unor circuite de corectie. Aceste circuite contin termistoare conectate, fie in circuitul de curent, fie in circuitul de iesire al traductorului.
Traductorul Hall se utilizeaza pentru masurarea marimilor electrice si magnetice (curenti mari, puteri, inductii, etc.), pentru modularea si demodularea semnalelor, multiplicarea frecventei, etc. De asemenea, el se utilizeaza si la masurarea marimilor neelectrice (deplasari liniare sau unghiulare, cupluri, debite, etc.).
12.7. Traductoare piezoelectrice
|
a). b). Fig. 12.9. Cristalul de cuart. |
Piezoelectricii sunt cristale sau texturi care se electrizeaza sub actiunea tensiunii mecanice (efectul piezoelectric direct) si se deformeaza in camp electric (efect piezoelectric invers). Efectul este sensibil la schimbarea de semn; se schimba polaritatea sarcinilor la inversarea sensului tensiunii mecanice si se schimba semnul deformatiei la inversarea sensului campului electric.
Reprezentantul tipic de cristal piezoelectric este cuartul (SiO2) (fig. 12.9.a).
La cristalul de cuart se deosebesc trei axe: X, numita axa electrica, axa Y, numita axa mecanica si o axa Z, numita axa optica.
Pentru traductoare, din cristal se taie placute dupa o anumita orientare. Obisnuit, se utilizeaza taietura X, adica placuta este perpendiculara pe axa X, (fig. 12.9.b), in care caz efectul piezoelectric este maxim.
In repaus, din punct de vedere electric, placuta este neutra. Sub actiunea fortei FX, orientata dupa directia axei X, pe fetele paralele cu axa mecanica apare sarcina electrica:
(12.29)
unde d11 este modulul piezoelectric in directia axei X, modul ce depinde de cristal. La schimbarea sensului fortei FX (intindere), se schimba semnul sarcinilor. Fenomenul descris reprezinta asa numitul efect longitudinal.
Aplicand forta dupa axa Y se manifesta efectul transversal, sarcinile electrice aparand tot pe aceleasi fete, dar de marime:
(12.30)
unde x si y sunt dimensiunile placutei.
Aplicand forta dupa axa Z nu se manifesta efect piezoelectric. De asemenea nu apare efect piezoelectric la o tensiune mecanica uniforma pe toate fetele (de exemplu, o compresiune hidrostatica).
In afara de taietura X, se pot taia placute orientate dupa anumite unghiuri fata de axele cristalografice. In acest caz efectul piezoelectric este mai mic, in schimb se obtine un coeficient de temperatura a modulelor piezoelectrice nul sau foarte mic.
In unele cazuri se utilizeaza traductoare piezoelectrice numite bimorfe, formate din doua placute lipite intre ele astfel incat polarizarea sa fie de semne contrare la aceiasi solicitare mecanica. In felul acesta, sarcinile ce apar pe fetele celor doua placute se insumeaza (fig. 12.10.).
|
Fig. 12.10. Traductor piezoelectric bimorf. |
Cristalul de cuart poate fi natural sau
artificial. El este foarte stabil la influenta temperaturii si umezelii. Este
trainic mecanic, admitand eforturi unitare normale pana la 100 N/mm2.
Are o rezistivitate volumetrica foarte mare ( 1016
m)
care aproape nu depinde de temperatura. Modulul piezoelectric d11=
2,31 x 10-12 C/N si variaza foarte putin cu temperatura.
Alte cristale piezoelectrice sunt cristalele de sare Seignette (KNaC4H4 x 4H2O), de fosfati de potasiu sau de amoniu (KDP, ADP). Acestea au modulul piezoelectric mai mare decat cuartul, in schimb sunt higroscopice, fragile si nu suporta temperaturi mai mari de 100 C.
Dintre materialele piezoelectrice, cel mai utilizat la traductoare este titanatul de bariu (Ba Ti O3) care este o aglomerare de microcristale orientate cu aspect de ceramica. Proprietatile piezoelectrice ale acestei texturi depind mult de adausurile introduse in compozitia sa, de procesul tehnologic si de intensitatea campului de polarizare aplicat in timpul elaborarii acestui piezoelectric. Modulul piezoelectric este de sute de ori mai mare fata de cel al cuartului, dar nu este constant nici in timp, nici cu temperatura. De asemenea sarcina electrica produsa nu variaza liniar cu forta aplicata, prezentand un fenomen de histerezis. Fiind insa o ceramica, se pot realiza traductoare de forma dorita. In amestec cu alti piezoelectrici de acelasi tip (titanat - zirconat de plumb sau niobat de plumb) se obtin traductoare piezoelectrice cu proprietati imbunatatite.
Sarcinile ce apar pe fetele cristalului produc tensiunea:
(12.31)
|
Fig. 12.12. Traductor piezoelectric pentru forte. |
unde Ct este capacitatea proprie a traductorului. Aceasta tensiune este foarte mica din care cauza ea trebuie amplificata. Rezistenta interna a traductorului este foarte mare si deci si amplificatorul trebuie sa aiba o rezistenta de intrare foarte mare. De fapt acest amplificator functioneaza ca electrometru.
Traductoarele piezoelectrice care se bazeaza pe efectul piezoelectric direct se utilizeaza la masurarea fortelor, presiunilor, acceleratiilor. In fig. 12.12., se prezinta un traductor piezoelectric pentru masurarea fortelor. El lucreaza in combinatie cu un traductor mecano - elastic format din bila 1 si corpul 4.
Traductorul piezoelectric propriu-zis este format din cristalele 3 si 6 fixate intre piesele 2, 5 si 7. Traductorul este conceput sa lucreze pe principiul bimorf, piesa 7 jucand rol de electrod de iesire. Traductoarele piezoelectrice pot utiliza si efectul piezoelectric invers.
Un piezoelectric plasat in camp electric orientat dupa axa X, sufera o deformatie relativa:
(12.32)
Deoarece
rezulta
.
Prin urmare, un astfel de traductor functioneaza ca un convertor tensiune -
deformatie. Aceste traductoare se utilizeaza la producerea deplasarilor foarte
mici sau ca emitator de ultrasunete.
|