ALTE DOCUMENTE
|
||||||||||
UNIVERSITATEA DUNAREA
DE JOS
FACULTATEA INGINERIE ELECTRICA SI ELECTRONICA
TriCore
Cuprins
1. Descriere generala
Arhitectura Tricore
3. Registri TriCore
Memoria TriCore
5. Realizarea unui Tricore
6. Privirea de ansamblu asupra TriCore TC1MP-S si conectarile acestuia
7. Instructiuni
8.Sistemul de intreruperi
9. Utilizare
Descriere generala
TriCore este numele unui procesor multicore-design de la Infineon Technologies
TriCore este un superscalar pe 32 de biti care uneste arhitectura unui microcontroler cu cea a unui DSP, avand raspuns rapid la intreruperi, si este un sistem incorporat in timp real. TriCore este cel mai bun din clasa microprocesoarelor, cu 1.5MIPS/MHz, cel mai bun in clasa controlerelor, 2 cicli de schimbare de context, si este cel mai bun din clasa DSP-urilor, 2 taps/ciclu pt filtrele FIR.
Tricore, este format dintr-un microcontroler, un DSP si un procesor de tip RISC
Microcontrolerul asigura raspuns rapid la intreruperi, posibilitatea de folosire a unui cod mic, folosind instructiuni pe 16 sau 32 de biti, ajuta la manipularea usoara de biti, si are suport integrat pt periferice.
DSP-ul poate sustine un singur ciclu dual MAC, moduri de adresare tipice DSP-urilor, saturatie, Q-Math, Rounding.
Procesorul RISC, are o arhitectura de tip Harvard stocata pe 32 de biti, are set de registri uniform, un singur model de memorare de date, protectie de memorie, si are suport pt C/C++ si RTOS
Infineon a creat un program de acordare a
licentelor care permite companiilor semiconductoare , OEM-uri si case de design
pentru a avea acces la Infineon IP.
Acest program se va asigura ca Infineon Cores va deveni o industrie
standard avand urmatoarele
caracteristici:
O gama larga de aplicartii software
Parteneri de design in intreaga lume
Architectura TriCore
TriCore unifica 3 dintre cele mai bune caracteristici mondiale ale procesoarelor: Capabilitatea microcontrolerelor de a fi active in timp real, un DSP puternic de calcul si performantele cele mai inalte ale unui processor RISC, toate intr-un miez compact si reprogramabil.
Unitate puternica pt manipularea bitilorTriCore este sprijinit de biblioteca de module periferice Infineon, cum ar fi DMA si Debug in timp ce memoria de tip SRAM, DRAM, ROM, FLASH sau OTP si dimensiunea pe chip sunt configurabile.Nucleul si perifericele sunt conectate usor pentru a da un randament de inalta performanta si un cost efectiv al sistemulu, adaptate la aplicatii individuale.
Registri TriCore
Registrii TriCore sunt aratati in figura de mai
jos sunt 3 registri cu scop general(GPRS), doua registre de 32 de biti cu informatii de stare
de program (PCXI si PSW) si un
program counter(PC). Pentru GPRs sunt functii speciale, dupa cum urmeaza
D15 este folosit ca un registru de date implicite
A10 este indicatorul de stiva (SP)
A11 este adresa registru de intoarcere
A15 este adresa de registru implicit de baza
PCXI, PSW, si PC-ul sunt Nucleele Functiilor Speciale ale Registrelor(CSFRs - Core Special Function Registers). registrele PCXI si PSW contin indicatori, executiile anterioare si informatiile de protectie
4. Memoria TriCore
Arhitectura TriCore poate accesa pana la 4 Gbytes de program unificat
si de memorie I/O. Aceasta adresa are latime
de 32-biti.
Aceast spatiu de adresa este impartit in 16 regiuni sau segmente (0-15).
Fiecare segment cu cate 256Mbytes.
TriCore implementeaza o ierarhie a memoriei folosind conventia Little Endian
Memoria poate fi gasita pe 3 nivele:
- Intern de tip Harvard, accesul memoriei pe un ciclu pt aplicatii urgente
- Local memorie unificata, fiind conectata direct la LMBh pt a imbunatati performantele
- Extern memorie unificata, conectata prin intermediul unei unitati Bus externe(EBU)
EBU(External Bus Unit) si memoria externa pot fi conectate la LMBh daca este necesar.
Arhitectura Harvard poate fi extinsa la memoria locala si/sau la cea externa
PMI: Program Memory Interface
DMI: Data Memory Interface
LMBh: Local Memory Bus hub
BUS de viteza local care opereaza la viteza procesorului
FPI: Flexible Peripheral Interface
Un numar mare de periferice disponibile de la Infineon
LFI: LMB to FPI Interface
ICU: Interrupt Control Unit
Controler de intreruperi (255 surse)
Debug: Debug/Trace Interface Support
BCU: Bus Control Unit
FPI Arbitru
FPI2AHB: FPI to AMBA Bridge
Interfetele standard ale BUS-ului FPI sunt asigurate pt implementari SOC
Program Memory (P_MEM) si Data memory (D_MEM) sunt configurate la constructie datorita folosirii memoriei si datorita partajarii acesteia ca si memorie cache si/sau memorie RAM
Memory Management Unit (MMU) si/sau Floating Point Unit (FPU), si/sau puntea FPI2AHB , sunt selectate de asemenea la constructie
Exista 4 biti superiori de adresa care
selecteaza segmentul specific.primii 16 biti ai fiecarul segment pot fi
accesati ori direct prin adresarea lor totala ori prin segment fiecare bit in
parte prin instructiuni clare
5. Realizarea unui Tricore
La realizarea TriCore s-a folosit o platforma, pentru ca designerii au nevoie de o metoda rapida, usoara si de incredere pentru a completa sistemul lor.
Platforma arata
ca in figura alaturata si este un sistem testat, complet din silicon, format
din una sau mai multe BUS-uri standard. El face in asa fel incat permite
optimizarea pentru performanta si cost. Contine librarii de blocuri testate si
dovedite prin produse IP sintetizabile.
Set complet de unelte puternice usor de invatat si de folosit pentru
configurare, simulare, verificare si usor de pus in aplicare.
6. Privirea de ansamblu asupra TriCore TC1MP-S si conectarile acestuia

Acces catre tot spatiul de
adrese prin Read/Write
Conectarea la debugger, inclusive JTAG si Break-Interface
Urmarire rapida prin transferul catre Bus-ul extern
Multi-Core Debugging este posibil doar printr-o singura interfata JTAG
7. Instructiuni
Setul de instructiuni pentru TriCore este destul de variat, contine instructiuni logice (AND, NAND, OR, NOR, XOR), aritmetice, instructiuni MAC care sunt formate din instructiuni de tip MUL urmare de MADD.Q, MADDS.Q, sau MADDR.Q, MADDRS.Q, instructiunu Shift care suporta shiftarea mai multor biti(SHA) , instructiuni de tip Rounding, pe 32 de biti, instructiuni de tip Move, muta o variabil in registru de date sau o constanta catre registru de date. Se pot folosi instructiuni de tip adunare(ADD), si toate in afara de adunarile cu o constanta au corespondentza similara si la scadere. Instructiunile de multiplicare(MUL) se fac pe numere intregi pe 32 de biti, rezultatul fiind pe 32 sau 64 de biti.Instructiunile de divizare, de asemenea folosesc numere pe 32 de biti.
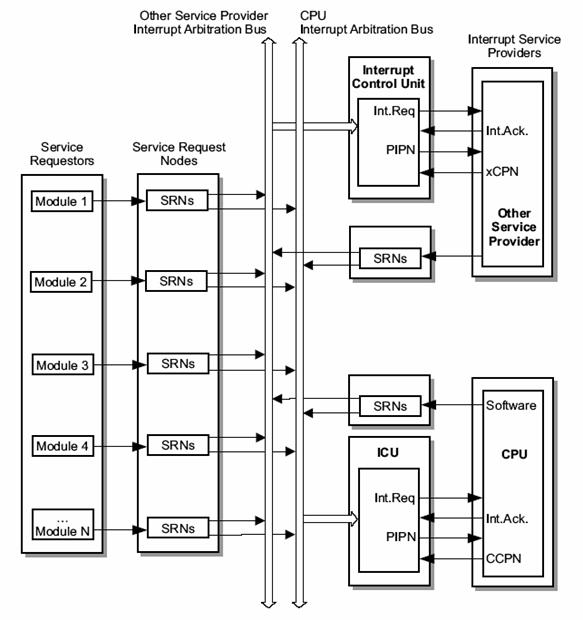
8. Sistemul de intreruperi
Intr-un TriCore, exista posibilitatea ca mai multe surse periferice sau intrari externe sa genereze un semnal de intrerupere la CPU pentru a cere un serviciu. De asemenea sistemul de intrerupere de asemenea suporta implementarea de unitati care sunt capabile sa lucreze cu cereri de intrerupere, cum ar fi un al doilea procesor, un DMA standard sau un PCP(Peripheral Control Processor). Astfel de unitati sunt cunoscute sub numele de "furnizori de servicii", iar cererile de intreruperi sunt numite "serviciu de cereri".Pe langa procesorul principal, exista pana la trei furnizori suplimentari de servicii care pot fi apelati cu intrerupere SRN (Service Request Node). Fiecare intrerupere sau serviciu de cerere care vine de la un modul, se conecteaza la un Nod de serviciu de cerere(Service Request Node), care contine un registru de control al serviciilor de cerere(SRC).

Buss-urile de intreruperi sunt conectate la SRN cu ajutorul unitatilor de control ale intreruperilor.Aceste unitati se ocupa cu intreruperi si cu comunicarea cu furnizorii de servicii.
7. Utilizare
TriCore este utilizat in sistemele de operare in timp real si tot felul de sisteme incorporate.
Tricore aduce mai multe imbunatatiri, cum ar fi imbunatatiri la sistemul de operatii, la modelul de memorie, aduce noi instructiuni, moduri de adresare indexate mai flexibile, si multe altele, este un procesor multi functional.
|