Inlocuire becuri de bord cu LED-uri la broasca
Fiind in "era tehnologiei" putem face un mic tunning la instalatia de bord, care consta in inlocuirea becurilor de bord (1,2W/12V) cu LED-uri (montate pe o bucata de cablaj de test, impreuna cu rezistenta de limitare a curentului, o bucata de fir si un papuc auto "tata", pentru a pastra modul de conectare original).


====>

Schema "becului" va fi:


Pentru alte tipuri de LED-uri calculul e asemanator, pe 18118j923s un LED
albastru (cel mai de efect si mai scump) caderea de tensiune e de 3,2V...pe
unul verde este cam 2,5V, etc..
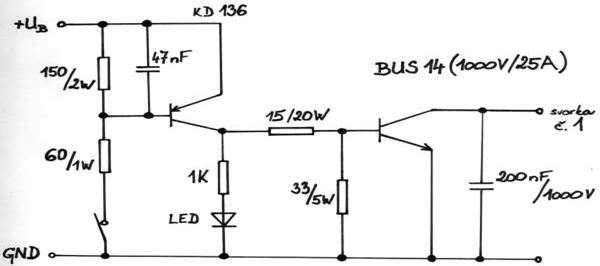
Aprindere electronica
Aprinderea electronica prezentata este "clona" uneia care a functionat foarte bine (mai multi ani) pe un autoturism Dacia 1410 break. In prezent un exemplar "clonat" este montat pe o Skoda 120L, iar cel prezentat in imagini a intrat in probe in 2004 si rezista si in prezent pe o broasca (Volkswagen 1300), dupa 10.000km








Fata de schema
originala, am facut urmatoarele modificari:
- rezistorul R3 de valoare 2,7kohm a fost inlocuit cu un rezistor de 2kohm si
un LED de culoare rosie
- rezistorul R4 de 47 ohm / 7W a fost inlocuit cu un rezistor de 43 ohm / 7W,
deoarece aceasta valoare a fost disponibila in magazine
- tranzistorul T2 tip BUX82 a fost inlocuit cu BU526, din aceleasi motive
- condensatorul C2 de 0,22 microfarazi / 1000V a fost inlocuit cu 0,1
microfarazi / 1000V, deoarece valoarea originala nu era disponibila in magazine
si din calcule rezulta valoare aleasa de mine :)
Observatie: condensatorul C2 la valoarea de 0,1uF creaza uneori probleme la pornire si la turatii mari ale motorului, asa ca... am revenit la schema originala... solutiile de rezolvare sunt urmatoarele: 2 condensatoare de 0,1uF/630-1000V in paralel sau montarea condensatorului care fusese montat pe delcou, in paralel cu bobina, pe firul care iese din aprindere


Observatii:
1) deoarece
tranzistorul BU526 suporta tensiuni mari (400V) nu ar mai necesita cele diode
Zener, dar aceastea au fost montate din motive de siguranta...
2) tranzistorul T1 nu necesita in mod expres radiator, dar daca se stie ca va folosita
la masini care parcurg multi kilometrii zilnic sau la drumuri lungi, este bine,
sa se monteze un mic radiator din aluminiu
3) tranzistoul T2 trebuie sa aiba radiator, in cazul meu am folosit drept cutie
o savoniera, ceea ce nu am ai necesitat izolarea tranzistorului de radiator, in
caz contrar trebuie folosita foita de mica si tubulete de protectie (emitorul
tranzistorului fiind pe carcasa)
4) se recomanda alegerea unor fire de diverse culori si cu sectiunea de minim
2,5mmp, in cazul meu am folosit: rosu, pentru alimentare cu 12V, albastru
pentru contactul delcoului (ruptor), galben-verde pentru bobina si negru pentru
masa (-12V)
5) verificarea in regim "static" consta in legarea bornelor de
alimentare (rosu la +12V, negru la -12V, un bec de 20W/12V intre borna
galben-verde (bobina) si +12V si se atinge firul albastru (ruptor) la masa
(-12V).. in cazul nostru trebuie sa se aprinda si LED-ul si becul in timpul cat
firul pentru ruptor este la masa
Puteti descarca in diferite formate:
- schema aprinderii desenata de mana, inclusiv cablaj
- schema aprinderii desenata in Microsoft Word, inclusiv cablaj
APRINDERE ELECTRONICA

R1 - 330W/1W (3 x 1KW/0,25W) T1 - BD 238
R2 - 100W T2 - BUX 82
R3 - 2,7kW
R4 - 47W/7W D1 - 1N4001
D2, 3 - PL150Z
C1 - 0,1mF

C2 - 0,22mF/1000V
R3' - 2kW
- schema (sch), cablaj (brd) in EAGLE 4.11
Cautand pe net, am mai gasit o schema similara la https://www.mujweb.cz/www/xyzz/lada/elzap.htm , diferind polarizarea tranzistorului final..

Aprindere electronica
Cu toate ca aceasta schema mai apare si la alte topicuri, as
vrea sa o postez deoarece am realizat-o si cred ca merge cum trebuie. Am facut
aceasta schema mai demult dar am avut unele probleme la realizarea ei. Pentru o
perioada am abandonat-o ca apoi sa o incerc iar. ( se arsese BD 441 care se
incincea rau, din cauza uni scurt pe cablaj care nu il vedeam, parca fusesem
orb de nu l-am vazut )
Am facut probe pe o bobina de inductie si functioneaza: cind pun la masa firul
de la platina, oscilatorul se opreste din ,, tiut '' , apare pe condensator o
tensiune de aproape 550 V si apoi cind iau firul de platina de la masa apare si
scinteia la bujie.
Nu se incalzeste nici o piesa si are consum foarte mic. Trafo mi-a pus probleme
la realizare, l-am rebobinat de vreo trei ori. Cind dadea tens. prea mare cind
prea mica, pina la urma l-am bobinat cu 9sp. de 0,9 2sp de 0,5 si 200 sp de
0,27 nu am avut alta sirma de bobinaj.
Sunt doar amator in electronica si va cer ajutorul banuiesc ca daca
vreau sa protejez cond. de 1uF ar trebui sa bun un zener in paralel cu D10. Am
pe condensator aproape 550 V cind alimentez montajul la tensiunea de 16 V iar
cond. este pe 630V si tiristorul pe 800V, cam la limita, dar am vrut scinteie
puternica. Cred ca pe masina se va comporta bine ( mai putin turometrul) , inca
nu l-am pus la probe. mai era din cite imi aduc eu aminte cineva pe topicul cu
,, aprindere electronica " care a vrut sa faca acest montaj dar nu stiu
daca i-a reusit sau nu.
Aprindere electronica cu MC3334P
Aprinderea electronica prezentata este bazata pe circuitul integrat specializat MC3334P creat de Motorola.
Despre MC3334P se pot afla foarte multe lucruri chiar de la producator (datasheet) prin dublu click pe numele integratului.
Schema prezentata de producator este pentru un delcou cu senzor

Schema
prezentata in continuare este pentru un delcou cu platina...


Am primit de la [email protected] (Cristi)
poze cu montajul realizat:







Alaturat sunt si schema (MC3334P.sch), cablaj + piese (MC3334P.brd), si cablaj in pdf
Din compararea celor 2
scheme, cea data de fabricant si cea gasita pe net, plus defectarea celei
realizate de Cristian... rezulta ca lipseste partea de comanda/limitare curent
de la circuitul integrat (zona pinului 8).. asa ca a rezultat schema:
si
cablajul:

respectiv:

Aprindere electronica
cu tranzistorul specializat MJ10012
Pornind de la ideea lui Cristian, aceea de a construi o aprindere electronica pe baza tranzistorului specializat MJ10012, indicat si pentru aprinderea cu MC3334P.. am inceput studiul :))

Din schema indicata de
fabricantul tranzistorului (Motorola) observam ca el este comandat de un
tranzistor 2N5881 de putere (15A si 160W)...
Am gasit tot la https://www.datasheetarchive.com
ca tranzistorul MJ10012 poate fi inlocuit cu ECG97, 2N6251, MJ10003, TIPL775,
TIPL775A... bineinteles si cu BD931 (mai usor de gasit la noi).







..cablajele, la scara 1:1, in format pdf: varianta 1 si varianta 2.
O schema de aprindere care foloseste tranzistorul BU931 (care poate fi inlocuit cu MJ10012) si inlocuieste clasica platina cu un optpcuplor (dioda-fototranzistor) este publicata la https://skoda.panda.cz/clanek.php3?id=416:






|