ALTE DOCUMENTE
|
||||||||||
- pt eric
baterii litiu ? am de 3,6V
baterie vibratii nokia de verificat cu tel lu' Madalin
folie trasee pt contacte la busul eric (de luat contactele pt vibrare) - proiectul VibraKit : in curs de executie.

- cum arata un Eprom de telefon
|
|
fotografia |
|||||||||||
tipuri de Eprom: 25C086
- cum arata un (compatibil) MAX

|
|
fotografia |
tipuri de 232: MAXIM Max232
- despre siemens S6
are Eprom tip: 25C086
- intrebari despre eric
telefonul eric are un regulator de tensiune incorporat? ce voltaj permite?
cum se fac 5V (4,8V) din 3,6 fara transformator bobinat? cu ce montaj? 7805 + rezistenta ?
- ce trebuie pt eric A1018s
dump-ul *.bin tre' sa fie de 8192 octeti
programele care citesc bine dump-uri: [ deschide directorul ]
|
MAX 232 |
AM |
|
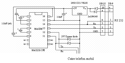
schema de conectare la PC COM bazata pe MAX 232 |
AM |
|
program de download/upload dump-uri |
AM |
|
program de citit/decodificat/spart dump-uri |
AM |
baza de date WEB cu datele pentru fiecare
- casetofon cu CD player cu boxe serioase 2x15 w alimentat de la baterie de motoreta (sa fie usor de transportat), eventual un casetofon bun cu o unitate CDrom fixate artizanal intr-o cutie;
- incarcatorul la 220 sa dea curent stabilizat 9 V sau 12 V prin 7809 sau 7812
Pinii conectorului A1018s [ lista 1 ]:
Keypad
Pinouts
1 = + external power supply. 7.2v @ 600mA.
2 = Rx / input (TTL)
3 = GND (digital)
4 = Tx / output (TTL)
5 = +5V output. Limited.
6 = Test. Switch phone off and provide +5V and switch back on.
7
= Mute (0 -
8 = Internal/external (0 - External Mic/Speak, 1 - Internal Mic/Speak)
9 = GND (analog)
10 = Related to Mic/Speak
11 = BF in
12 = BF out


SCHEMA DE CONECTARE DEDUSA DIN ALTE SCHEME, varianta 1:

Schema interna a MAX 232 : Solutia constructiva ( cu alegerea perechii
unde 11,12 se conecteaza la Rx, Tx GSM si
14,13 se conecteaza la Rx, Tx COM
sau 9, 10 se conecteaza la Rx, Tx GSM si
7, 8 se conecteaza la Rx, Tx COM

NUMEROTAREA stinga - dreapta (corecta dar aduce deruta)

Schema dedusa, varianta 2 (contine si schema interna a MAX 232):
Schema alternativa de alimentare de la sursa externa.
- SE ALEGE prima pereche de porti: Rx GSM => Tx COM / Rx COM => Tx GSM : 9 => 8 / 7 => 10
- Se unesc pinii 6+4 si 7+8 la COM.
- In montajul necesar aici nu sint necesari pinii 11,12,13,14 de pe MAXIM (acestia constituie a doua pereche de porti Rx / Tx).
Pinii conectorului A1018s (dintr-un document HTML - coincid cu pinii din LISTA 1):
|
Pin |
Name |
Function |
in/out |
|
|
In DC |
DC in for battery charging |
in/out |
|
|
DATA IN |
Data received |
in |
|
|
GND |
Ground digital |
|
|
|
DATA OUT |
Data sent |
out |
|
|
+ 5 Volt |
+5V output Limited |
out |
|
|
Test |
Switch phone off and provide +5V. |
Test |
|
|
MUTE |
Mute 0-Normal, 1-In Call |
|
|
|
Internal/external |
Portable handsfree In |
|
|
|
GND |
Ground Analog |
|
|
|
Accessory |
Related to Mic/Speak |
|
|
|
BF in |
BF input |
in |
|
|
BF out |
BF output |
out |
|