Documente online.
Zona de administrare documente. Fisierele tale
Am uitat parola x Creaza cont nou
 HomeExploreaza
upload
Upload




BADMINTON - CERINTELE FIZIOLOGICE ALE BADMINTONULUI

Sport


BADMINTON



CERINTELE FIZIOLOGICE ALE BADMINTONULUI

Badmintonul are multe asemanari fiziologice cu alte sporturi cu spirit repetat: durata scurta, activitatea intensa este urmata de perioade de refacere in timpul unui meci. Mai exact meciurilela nivel de elita (performanta) variaza in ceea ce priveste durata intre aproximativ 20 minute pana la 1 ora. Media perioadei de regrupare este de obicei mai mica de 10 secunde fata de perioada de odihnacare dureaza in mod obisnuit 15 secunde.

Totusi aceste cifre difera in functie de multi factor ice include stilul de joc, tactica si nivelul de competitie. In plus caracteristicile jocului difera intre cele doua sub-discipline ale jocului ( simplu sau atat pentru barbate cat si pentru femei).

Luand in considerare do 10410q1618k ar elementele fizice Badmintonul este un sport exploziv unde puterea, forta, flexibilitatea, viteza de miscare si agilitatea sunt esentiale pentru succesul in competitie. Tehnica de miscare este foarte specializatasi este de o importanta vitala in determinarea succesului. Masurile fiziologice demonstreaza de asemenea ca Badmintonul prezinta nivele semnificative de presiune aeroba in timpul jocului.

De obicei jucatorii de elita mentin viteza inimii sub 75% din nivelul maxim la disciplinele de dublu si peste 80% la disciplinele de simplu. Nivelul lactozelor din sange rareori depaseste 3-4 mmol l-1 in timpul unui meci simulate.

Combinatia acestor cerinte fiziologice si tehnice variate demonstreaza nevoia de evaluare a aptitudinilor de jucatori de elita care insumeaza multi factori. Urmatoarele teste sunt folosite in mod current in evaluarea aptitudinilor concurentilor de elita din acest sport.

TESTE DE EVALUARE A APTITUDINILOR

Urmatoarele teste au fost inventate pentru echipa de badminton din Anglia si pentru Institutul de Sport din Tara Galilor. Testele din teren au fost perfectionate pentru a fi specific acestui sport si pentru a fi prestate cu usurinta de jucatori si antrenori fara a tine seama de accesul acestora la un sprijin de specialitate . Metodele specifice pentru unele din aceste teste ca de exemplu: marcaje pentru teren, testul de cronometrare a rezistentei la oboseala etc pot fi obtinute de la Comisia guvernamentala de specialitate www.badmintonengland.co.uk , 01908268400). Valorile normei fixate sunt rezultatul multor teste experimentate de o echipa de fiziologi in exclusivitate pe jucatorii echipei nationale din perioada 1999 si pana la momentul publicarii.

Metode preliminarii si antropometrie

Teste de antropometrie masa corporala, compozitia pielii, functiuneaplamanului, flexibilitatea, capacitatea anaeroba si aeroba sunt experimentate in concordanta cu principiile de baza pertinente de indrumare. Jucatarii sunt instruiti sa se pregateasca pentru testarea aptitudinilor la antrenament usor in ziua dinaintea testarii si sa se asigure ca sunt bine hidratati si au mancat bine inainte de teste.

Teste pentru sarituri

Testele pentru sarituri sunt efectuate folosind procedeele sariturilor in inaltime si a sariturii in lungime de pe loc. Saritura in ianltime se masoara folosind aparatul Vertec Jump USA CA, USA). Contramiscarea este permisa iar mana dominanta se ridica doar la executarea sariturii. Saritura in lungime de pe loc se masoara de la varful piciorului ( considerat punct 0) pana la partea posterioara a piciorului care a parcurs cea mai mica distant pana la aterizare cel mai bun rezultat din cel putin 4 incercari este inregistrat drept rezultat final.

Viteza de miscare

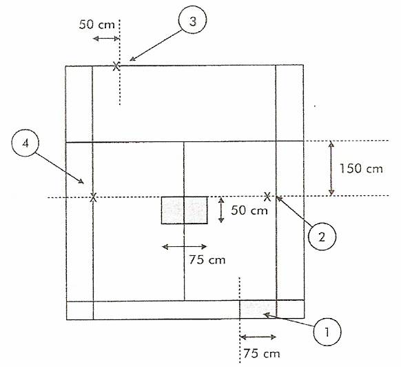
Testele de viteza ai fost concepute pentru a evalua viteza de miscare in general, cat si viteza specifica pentru badminton. Testul de viteza"general" pretinde ca jucatorii sa faca 10 miscari laterale de-a lungul terenului. Testul specific de badminton solicita un total de opt miscari executate intr-o succesiune data in taote irectiile in jurul terenului. (vezi figura 27.1 de la puntul 1 la 4, de doua ori succesiv).



Acest test specific pentru badminton necesita miscari "de simulare" a jocului (adica jucatorii lovesc mingea la fiecare pozitie fara a folosi volantul. Cel mai bun timp atins din doua incercari se inregistreaza ca rezultat final. Experienta a aratat ca rezultatele correlate din cele doua teste de sarituri si de viteza au o semnificatie importanta (P < 0,01 penru barbati si femei). Contrar acestui lucru, rezultatele testului de viteza specific badmintonului par sa fie indepndente de performanta atinsa in testul de sarituri si in testul de viteza. Acest lucru demonstreaza importanta de a face diferenta intre caracteristicile generale si cele specific unde se folosesc miscari de inalta tehnica ce apartin badmintonului. ( Hughes si Bopf, 2005).

Fig.27.1. Schita jumatatii de teren de badminton pentru testul de viteza specific.Numele  indica ordinea miscarii(prezentarea se refera doar la un jucator cu mana dreapta)

Fig.27.2. Schita jumatatii de teren de badminton pentru stabilirea ,,capacitatii anaerobe".Numele indica ordinea miscarii.

Capacitatea anaeroba

Testul se desfasoara pe jumatate de teren de badminton jucatorii alearga de la linia de serviciu (punct 1 fig. 27.2) pana in spatele terenului (punct 2 etc) si inapoi catre fileu si si iar inapoi de doua ori in cel mai scurt timp posibil (terminand la punctual 6). Acest lucru se repeat de 8 ori la fiecare tur incepand cu 30 de secunde. Jucatorii trebuie sa se intoarca la linia de sosire alergand cu spatele, dupa ce ating semnele de marcaj fie calcand pee le sau depasindu-le.

Fiecare doza de timp se inregistreaza si se poate astepta ca intr-un curs de 8 reprizesa se remarce o scadere a performantei. Informatiile prezentate in tabelul 27.1 includ media de timp (socotit la toate cele 8 reprize) si indicele de oboseala .

(cel mai lent timp - cel mai rapid timp)

IO = -------- ----- ------ -------- ----- ------ ---------

cel mai rapid timp X 100

Test de performanta aeroba

Cerintele ridicate cu privire la capacitatea aeorba in badminton cuplate cu nevoile specifice de miscare tehnica si economie impugn necesitatea conceperii unui test de acest gen.Un test aerobic intermitent sporit a fost conceput pe candmiscarile din badminton sunt concepute dupa viteza de miscare controlata de o serioe de semnale audio. Testul contine o serie de reprise de miscare a 20 secunde fiecare urmate de 10 secunde de refacere.

Miscarile sunt facute intr-o ordine standard in anumite puncte de pe teren folosind tehnica de "simulare a jocului" (vezi fig 27.3). Rezultatele testului de capacitate aeroba sunt strans legate de testul de laborator VO2max pentru jucatorii de elitaseniori (P < 0.01) Evident viteza batailor inimii era semnificativ mai mare (195 fata de 190 batai pe minut -1)in cadrul testului de pe teren decat la testul de laborator pentru un grup de 17 jucatori seniori de elita ( Hughes et al 2002)

Tabel 27.1 Date normative pentru jucatorii seniori de elita .

Femei Barbati

Simplu Dublu Simplu Dublu

Saritura in inaltime (cm).......... ..... ...... ..........



Saritura in lungime de pe loc (cm).......... ..... ...... ....

Test general de viteza a miscarii (s).......... ..... ...... ....

Test specific de viteza a miscarii(s).......... ..... ...... ....

Test de capacitate anaeroba

Test de timp mediu (s) .......... ..... ...... ..........

Indicele de oboseala (%).......... ..... ...... .........

Rezultatele testului de performanta aeroba

Atingere (nivel stadiu).......... ..... ...... ........

Varf HR (bxmin-1) .......... ..... ...... ...........

Capacitate aeroba (mlxkg-1xmin-1).......... ..... ...... ....

Grasimea corpului (%).......... ..... ...... ............

Pagina 218  Figura 27.3 Schita unei jumatati de teren de badminton pentru testul de capacitate aeroba in teren. Cifrele indica ordinea miscarii (valabil doar pentru un jucator dreptaci.

Capacitatea aeroba

Principiile generale pentru acest test de rutina in laborator au fost descries mai inainte in acest text. Se foloseste un protocol sporit pentru a obtine evacuarea aerului in 8-12 min. Aceasta reprezinta o viteza initiala de 5 km xh-1 m-1 si o inclinatie initiala de 5%. Viteza initiala creste cu un kmxh-1xmin-1 pe o panta cuo inclinatie de 5% pana la evacuarea voita a aerului. Analiza aerului expirat este observata pe tot parcursul testului. Ritmul inimii se inregistreaza in timpul testului si se determina nivelul maxim al circulatiei sangelui.

Acest protocol a fost ales datorita faptului ca sunt folosite viteze mai mari de alergare cu un standard ridicat fata de protocoalele obisnuite, devenind astfel prea dificil pentru indivizii care nu practica un volum mare de alergare s ail include inpropriul antrenament. Am demonstrate ca jucatorii de badminton ating scoruri mai mari VO2max. cu ajutorul acestuiprotocol decat cu cele standard care folosesc viteze mari de alergare.

Evaluari secundare

Pe langa evaluarile de performanta de baza jucatorii primesc de asemenea sievaluari regulate ale flexibilitatii si fortei prezentate de fizioterapeuti si respective de experti in forta si conditie fizica.

REZUMAT

Preponderenta testelor de teren subliniaza aici importanta specificului in sport pentru testearea concurentilor in acest sport. Exceptie de la aceasta face testul de capacitate aeroba care este considerat sufficient de important astfel ca o capacitate generala este posibil sa fie corelata cu succesul competitional. Folosirea ambelor teste generale (de ex. capacitatea aeroba, "Testul de viteza de miscare general") impreuna cu testele specific ("Testul de viteza demiscare specific", "Testul de capacitate anaeroba") este recomandata deoarece ajuta la identificarea jucatorilor a caror performanta este limitata din cauza tehnicii de miscare sau de aptitudinile generale.

BIBLIOGRAFIE

Hughes, M.G. si Bopf, G. (2005). Relatiile dintre testele de sarituri si testele de viteza pentrujucatorii de badminton de elita. Jurnal de sport, 23(2): 194-195.

Hughes, M.G., Andrew, M. si Ramsay, R. (2002). Test specific de rezistenta pentru jucatorii de badminton de elita. Jurnal de sport, 21(4): 237-2348.




Document Info


Accesari: 4344
Apreciat: hand-up

Comenteaza documentul:

Nu esti inregistrat
Trebuie sa fii utilizator inregistrat pentru a putea comenta


Creaza cont nou

A fost util?

Daca documentul a fost util si crezi ca merita
sa adaugi un link catre el la tine in site


in pagina web a site-ului tau.




eCoduri.com - coduri postale, contabile, CAEN sau bancare

Politica de confidentialitate | Termenii si conditii de utilizare




Copyright © Contact (SCRIGROUP Int. 2025 )