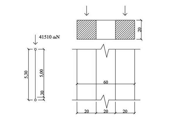
1.STABILIREA GABARITELOR, DIMENSIUNILOR GEOMETRICE
Sectiunea A-A
STABILIREA INCARCARILOR
A.Incarcari permanente.
a)Greutare cablu
-presupunem cablu 44-6
36-160B STAS 1353-87
44-7,35 daN/m
2 ramuri → 2
7,35= 14,7 daN/m
b)Greutate pasarela+tiranti
-prin asimilare , luam ca referinta o alta pasarela metalica, L=60 m,B=3,6m are greutatea de 6 300 daN/m, rezulta 105 daN/m
-pentru pasarela L=40m si B=3,6 m, rezulta- 105 daN/m
-greutate gratare padina 30daN/m2
- 90daN/m
TOTAL: 195 daN/m
c)Sarcina utila
-conform STAS 1545-92 300 daN/m2
3
300 daN/ m2=900 daN/ m2
B.Incarcari accidentale
d)incarcare din zapada
-conform STAS 10107/C-92, 75 daN/m2 3,0
75 daN/ m2=225 daN/ m2
γ=0,9 daN/ dm3
Ac
=0,63 dm2
D=d+2a=4,4+2
1,7=7.8 cm
-2 ramuri 2
5,7 daN /m
e)sarcini din vant pe cablu
V1=25m/sec (cablu fara polei)
V2=15m/sec (cablu acoperit cu polei)
Qv1=β
K
S1
sin
Ө=0,85
=1,75 daN/m
sin Ө=1
K=1,2
Β=0,85
S1=d
1,0m=0,044
1,0=0,044 m2
S2=D
1,0m=0,078
1,0=0,078 m2
Qv2=0,85
1=1,12daN/m
f)Sarcina din vant pe podina
qv=70daN/m2
Pv=Kt
K1
K2
qV
A
Kt =2,8 K1=1.0 K2=1÷1,18(vant cu rafale)
A=1,0m p/m (aria plinurilor schelet, parapet)
-fara
rafale Pv=2,8
1,0=196daN/m»»200 daN/m
-
cu rafale Pv=2,8
1,0=354 daN/m»»355 daN/m
g)Incarcari din diferenta de temperatura.
Conform STAS 946-56 paragraful 3(funiculare) se iau in considerare:
ΔT=t-t=40+30=70˚C
t1=-30 ˚C t2=+40˚C
α0=12
10-6(verificare de dilatare)
tmontaj=+10˚C
t3=-5˚C
1.Ipoteza
tm=+10˚C, t1=-30˚C, p1=p0=7,35 daN/m pentru φ44
σa
1800 daN/cm2
Ho=A
σc=7.7
16000=136600 daN/m
A=7,7 cm2 E=1,6
)= α0(t2-- t1
(
Din rezolvarea ecuatiei de gradul III, cu o singura radacina reala se determina H1:
H1=489 daN»»490 daN
2.Ipoteza
tm=10˚C, t3=-5˚C, p1=7.35 daN/m
P0=qc+qp+qv2=7,35+5,7+1,12=14,17
daN/m
(
H1=407 daN/m»» H1=410 daN/m
fmontaj=
=3,58 m
3.IPOTEZE DE INCARCARE
I.Incarcari din: a+b
qI=14,7+195=209,7
daN/m
210 daN/m
II.Incarcari din: c
qII=900 daN/m
III.Incarcari din: g+c+d
qIII=
+11,4+225=613,9 daN/m
615 daN/m
4.SCHEMA DE INCARCARE A UNUI CABLU
qv=
=1,44 daN/m
q=
=865 daN/m
valoarea 1,442 se neglijeaza in calcul
q1=105+450+310=865 daN/m
H1=
49 430 daN
f:
3,33 m = f = 3,5
tgα1=y=
»» y=
daca x=
tgα1=
α1=19˚17’ sin 19˚17’=0.33; cos 19˚17’=0.94
T1max=TA=TB=
52 370 daN
5.DIMENSIONAREA CABLULUI DIN T1max
Nr=C
T1max=2,5
52320=130 925 daN
Alegem cablu Worrington-Scale 48-6x36-180/B STAS 1689-74, cu Nr˚=146 100 daN.
-verificare coeficient de siguranta Ce=2,0÷3,0
Cef=
2,79>Ce min=2,0
6.VERIFICAREA CABLULUI LA INCONVOIERE LOCALA
-se face in punctele de suspendare a tirantilor
Q=
a; qo=195+225+900+275=1595
daN
Q=
2,0=1 595 daN
I=
=26,05 cm4
σinc
2 075daN/cm2
σt=
=5 610 daN/cm2
σinc=2025+5610=7 685 daN/cm2
σmax= σinc+ σt=2025+5610=7 685 daN/cm2
cef
2,34>cmin=2,0
SARCINA MAXIMA DE SUSPENDARE VERTICALA
Rmax=1,56γ
T
γ =2,2- coeficient de forma
tg
=0,25-unghi de impletitura
K=
Rmax=1,56
52 370=2 660 daN
Rmax=2 660>Q=1 595
q=865 daN/m
L=40m
H1=49 430daN
tm=+10˚C; t1=-30˚C;
10-6 →coeficient de dilatare a cablului;
Ec=ν
E=(0,35÷0,63)E=»Ec=0,55
106 daN/cm2
Ec=1,15
1010daN/m2
Tensiunea in cablu creste la sarcina maxima si temperatura minima.
Pentru calculul lui H2 din “Funiculare” acesta rezulta din rezolvarea ecuatiei:
α(t1-tm)EcA-H1
+
Pentru H2=48 000 daN, avem
+3,8
Pentru H2=49 000 daN, avem
+3,96
Pentru H2=50 000 daN, avem
+4,12
Pentru H2=49 500 daN, avem
+4,04
Pentru H2=49 800 daN, avem
+4,09
Pentru H2=49 900 daN, avem
+4,11
=» H2=49 900 daN
Daca x=
=
tg α2=
sin 19˚7’=0.327
cos 19˚7’=0.945
T2 max=TA
TB=
52815 daN
Verificare cablu la T2 max:
cef=
=2,77>cmin=2,0
VERIFICAREA CABLULUI LA INCARCAREA LOCALA
R=Q=1 595 daN
Ac=9,33 cm2, pentru φ=4,8 cm
T2 max=52 815 daN
I=26,05 cm2
E=1,6
106 daN/cm2
inc
=2 065 daN/cm2
σt=
5 660 daN/cm2
inc=2065<0,5 σt=2 830=›› solutia
optima este satisfacuta
max
inc+ σt=2065+5660=7 725 daN/cm2
cef=
=2,33> cmin=2,0
9.SARCINA VERTICALA MAXIMA DE SUSPENDARE
Rmax=1,56γ
T=1
52 816=2 695 daN
γ=2,2- coeficient de forma
tg ω=0,25- unghi de impletire
K=
Rmax=2 695>R=1 595
10.CALCULUL SAGETII CABLULUI
f2=
=3,7m ~ 3,5 m
S=L+
S=40+0+
=40,82 m
ΔL=
L=1,00m=100 cm
ΔL=
=0,354 cm/m
Lungimea reala a cablului montat si sub sarcina:
L1=40,82-0,43+0,52=40,91 m
Sistemul de prindere la cele 2 capete este -0,43 si +0,52.
Alungirea totala a cablului sub sarcina:
0,354cm/m
40,91=14,48 cm
Lungimea de taiere a cablului devine:
40,91-0,1448=40,765~ 40,80 m
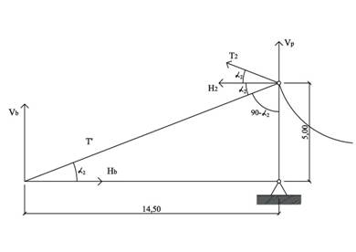
11.REACTIUNI IN PILONI SI BLOCURI DE ANCORAJ
T’=T1=52 815 daN;
Vp=T’
sin α2=52 815
19˚7’=17 295 daN
T2=
=52 815 daN
L’=5,0
tg(90- α2)=5,0-2,88=14,43 m =›› L’~14,15 m
Vb=T’
sin α2=52815
0,327=17 296 daN
Hb= T’
cos α2=52815
0,945=49 900 daN
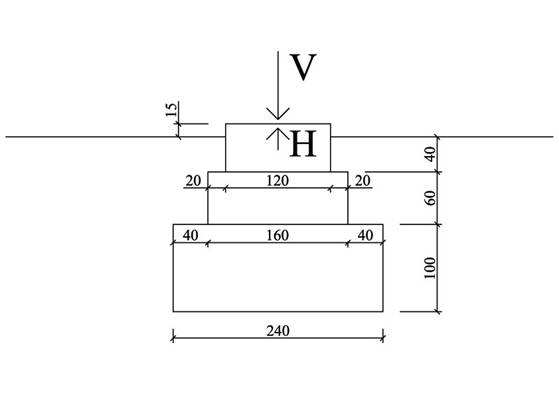
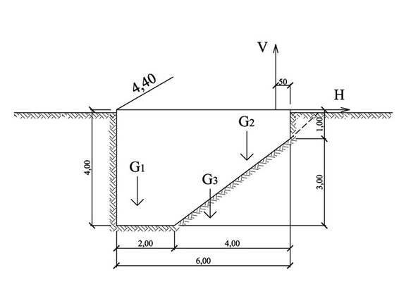
12.CALCULUL BLOCULUI DE ANCORAJ
V=2
Vb
1,2=41 510 daN
H=2
Hb
1,2=119 760 daN
G1=4,0
=84,50 tf
G2=4,0
=42,25 tf
G3=
Mr=V
Mr=
Mst=84,5
Mst=675,54 tfm
c1=
=4,8>
c2=
=2,82>
10,95tf/m2=1,1daN/cm2<
=1,5 daN/cm2
0,309tf/m2=0,031 daN/cm2<
=1,5 daN/cm2
-Verificarea stabilitatii la alunecare.
H≤
=59,44 tf< H=119,76 tf
Daca nu s-ar lua in considerare rezistenta pasiva ar trebui sa se sporeasca masa blocului de ancoraj.
Luand in considerare rezistenta pasiva a pamantului din fata blocului de ancoraj, raman aceleasi dimensiuni luate in calcul.
13.CALCULUL BLOCULUI DE FUNDATIE PILON
Gf:
TOTAL : 46,35
P=Gf+2
Vp
1,2+G0=46,35+2
P=34,64 tf
Conform punctului 2 din f si g, presiunea vantului este ~360daN/m la actiune directa, respectiv 180 daN/m la suctiune.
H se aplica la 125mm de fata superioara a fundatiei
14. CALCULUL PILONULUI DIN BETON ARMAT
Se impune
. Calculul se face la compresiune centrica cu
verificarea flambajului pe ramura.
PC 52 ; B 250
Verificarea la flambaj
a) Pe directia perpendiculara pe pasarela
b) Pe directia pasarelei
La mijlocul pilonului de introduce o rigla de beton armat
Deci pilonul se armeaza constructiv, fiind de forma de mai jos:
c) Verificare la forta taietoare
Numai sectiunea de beton simplu pune o forta taietoare de 13 140 daN
a) Stabilirea reactiunilor
Pe latura de presiune directa a vantului conform punctului 2, din f si g ( vezi bloc de fundatie pilon)
Pe latura de presiune indirecta
b) Conditia la nedeformabilitate
c) Calculul static
NOD 0 NOD 1
NOD 2 NOD
3
NOD 4 NOD 5

NOD 6 NOD 7
NOD 8 NOD 9
d) Sectiunea eforturilor.
e) Dimensionare
Talpa fermei
-Vantul se presupune ca bate in planul fermei dintr-un sens sau din celalalt,dimensionarea facandu-se la efortul cel mai mare.
Montantul este supus si la incovoiere din sarcina data de incarcarile b, c si d
f. Diagonala ferma
Conform pct. 2, respective, e si f, avem presiunea exercitata de vant in urmatoarele 2 cazuri:
Alegem cablu Warrington-Scale cu
15. CALCULUL BULONULUI DE ARTICULATIE
a) Dimensionare
b) Calculul sudurii
16. CALCULUL TIRANTILOR
|