ALTE DOCUMENTE
|
||||||||||
Indikátor napětí akumulátorů
Toto zařízení je předevsím určeno pro indikaci napětí akumulátoru v automobilu, ale lze je pouzít k indikaci libovolného napětí nebo jiné veličiny, p 19119y2416t řevedené na napětí.
Základní technické údaje
Napájecí napětí: 9 az 18 V.
Odebíraný proud:
prouzkový provoz: max. 120 mA,
bodový provoz: max. 50 mA.
Rozsah indikovaného napětí:
11 az 15,5 V.
Počet indikačních diod: 10.
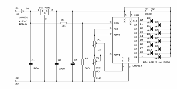
Pro indikátor je pouzit integrovaný obvod typu LM3914 (IO2), který byl vyvinut právě pro tyto účely. LM 3914 převádí úroveň vstupního napětí na rozsvícení jedné (bodový provoz) nebo několika diod LED (prouzkový provoz). Maximální počet připojitelných diod LED je deset. Závislost mezi přírůstkem vstupního napětí a počtem rozsvícených diod při prouzkovém provozu je u LM3914 lineární.
Indikátor je navrzen pro kontrolu napětí dvanáctivoltové automobilové baterie a je zároveň jejím napětím napájen. Na vstupu je zapojena dioda D1, která chrání indikátor před přepolováním napájecího napětí. Stabilizátor IO1 slouzí jednak jako ochrana integrovaného obvodu IO2 proti napěťovým spičkám, které mohou vznikat na baterii při provozu, a také pro snízení napájecího napětí pro svítivé diody na doporučené maximum, při němz se jestě nemusí pouzít omezovací odpory. C1 a C2 zabraňují rozkmitání stabilizátoru IO1 a kondenzátor C3 je filtrační. Vstupní napětí pro IO2 se snizuje přiblizně na jednu pětinu odporovým děličem, slozeným z rezistorů R1 a R2. Trimr P1 slouzí k nastavení napětí, při němz se rozsvítí první dioda (D11) a trimr P2 k nastavení napětí, při kterém se rozsvítí poslední indikační dioda (D2). Rezistor R3 posouvá rozsah napětí, nastavitelných trimrem P2 nahoru. Přivedením napětí na vstup MODE integrovaného obvodu IO2 se mění bodový provoz na prouzkový.
Vsechny součástky indikátoru jsou umístěny na desce s plosnými spoji. Stabilizátor IO1 a kondenzátor C3 ohneme k desce s plosnými spoji, aby zabíraly co nejmensí prostor na výsku. Indikátor vestavíme do malé krabičky z plastické hmoty.
Po sestavení indikátoru přivedeme na jeho vstup stejnosměrné (vyhlazené) napájecí napětí z regulovatelného zdroje. Mezi body O1 a O2 připojíme voltmetr. Na zdroji nastavíme napětí, které chceme jako minimální napětí indikovat LED diodou D11. Potom nastavíme bězec odporového trimru P1 tak, aby se tato dioda právě rozsvítila. Napětí zdroje zvýsíme na velikost, kterou má jako maximální napětí indikovat poslední LED dioda D2, a bězcem trimru P2 otáčíme tak dlouho, dokud se nerozsvítí dioda D2.
Pro indikaci napětí automobilové baterie je výhodné indikátor nastavit tak, aby se rozsvítila první dioda LED (D11) při vstupním napětí 10 V a poslední dioda LED (D2) při napětí 14,5 V. Potom bude kazdému rozsvícení následující indikační diody odpovídat přírůstek sledovaného napětí baterie 0,5 V.
Po propojení bodů O3 a O4 zobrazuje integrovaný obvod IO2 úroveň vstupního napětí ve sloupcovém rezimu, jinak je provoz bodový.
Indikátor lze také vyuzít jako základ pro jednoduchý analogový voltmetr, nebo zobrazovač libovolné fyzikální veličiny (teplota, tlak, výska hladiny apod.), převedené na napětí. Po doplnění nestabilizovaným síťovým zdrojem lze indikátorem sledovat i kolísání síťového napětí. Při měření napětí sítě seřídíme rozsah indikátoru nejlépe od 200 do 245 V s krokem 5 V na jednu LED diodu.
Seznam součástek
R1 = 12 k
R2 = 3,3 k
R3 = 1,2 k
P1 = 1 k, trimr
P2 = 2,2 k, trimr
C1,C2 = 100 nF, keramický
C3 = 100 F / 25 V, ellyt radiální
D1 = 1N4001
D2 az D11 = LED 5 mm, červená
IO1 = 7806
IO2 = LM3914



|