Houseinstallation Extensions
All extension will only work when you have openened a workspace and you're on a page.
Generate Dutch table
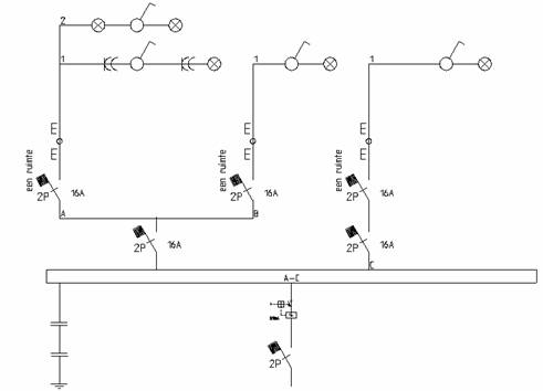
First, make a little drawing using the NEN5152-HI symbol database, figuur 1. This example is saved as houseExtExample2005 page 1. Fill in the Fuse-circuits and Power Usage of the symbols. (for now, only use symbols from folders: "aansluitingen verlichting", "contactdozen","verlichting" and "schakelaars")

Figuur

To generate the above table from this, start genDutch from the commandline.

Figure 2 will show up.

Figuur
Here we can change the properties for the table that will be generated. For the 12112g67m current settings a total preview is shown in the preview box. Other previews can be displayed. A preview for the current cabinet (figuur 3), for the current group (figuur 4) or just the values for the current group (figuur 5).
NOTE: the current group is shown in red in the total and the cabinet previews.

Figuur

Figuur

Figuur
Selecting another group
To select the next group, press the Next button.

The next group will be shown in Red and the symbols will get updated for the current group and cabinet.

The
previous button will navigate to the previous group in the table.
Changing a symbol
Only the symbols with the "change" button beneath them, can be changed. The first change button (left), changes the main switch. The second changes the current cabinets switch. The last three buttons change the group symbols.
For each group, group remarks can be entered that will be shown inside the table and text that will be shown on top of the cable.
To change a symbol, press an the Change button or on the symbol preview box, figuur 6 will show up.

Figuur
In here we can select a symbol. Change the symbol to something else and press ok.
NOTE: Every change will directly be refreshed in the total preview.
Generating table
Once you've changed the symbols and values to your desired settings, press generate.
A table will be generated on the current page.

Changing generated table
If you need to update/change the generated table. Delete the table symbol on the page and start genDutch again.
When genDuth closes, the settings will be saved inside the project. When genDutch start, it will try to load previously saved settings. If found, they will be loaded. If you don't want to use the stored values, deselect the "use stored settings" control. The default table settings will be loaded.
![]()
If you don't want your current settings to be saved. Deselect "Store settings".
If you want to make a new default. Change the table values to the desired settings. Right click on the dialog and select "Save as Default".
![]()
To remove the user default settings, Right click on the dialog and select "Remove saved Default".
HouseManagement Dutch
To add a new/change columns in the generated Dutch table or manage symbols for each column start "HMN" from the commandline.

Figuur
On the left, the current colums are shown. The current generated table has four columns.

Changing column header symbol
To change the symbol shown in the columns, select a group in on left. Right click on it and select "change group".


Here you can change the symbol and change the name for displaying in the housemanagement. Press OK to store.
Adding a new column
To add a new column. Right click on the left and select "new group".


Select a symbol, enter a name and press OK.
Removing a column
To remove a column. Right click on the group with the column symbol and select "remove group".

Press OK and the group will be removed.
Linking symbols to a column
To link symbols to a column. Select a symbol in the right (figuur 8), select a group in the left and press "<< add to group".

Figuur
Generate single line diagram
First, make a little drawing using the NEN5152-HI symbol database, figuur 9. This example is saved in houseExtExample2005 page 2.

Figuur

Figuur
To generate figuur 10 from figuur 9, start "genBelgium" from the commandline.

A preview will be shown for the current settings.
Selecting another group
To navigate between groups, use the "previous" and "next" buttons.
Changing symbols
To change a symbol, press the "change button" below he preview of the symbol or on the preview inself.

A dialog will be shown where you can select a different symbol.
Group management
To merge
the groups, like figuur 11. You use the
buttons.

Figuur
To recreate this example, do the following.
Startposition:

1) Navigate
to group A. (check current group,
)
2) Press ![]()
The preview will look like:

You've just joined group A and B
3) Navigate
to group C. (check current group,
)
4) Press ![]()
The preview will look like:

NOTE: To
ungroup, select the group you want to ungroup and press ![]()
Generating single line diagram
To generate the diagram, enter a start pagenumber and press "Generate". A new page will be created with the single line diagram on it.


House Management
With house
management
To start
houseManagement

The interface is simular to that of houseManagement Dutch.
Room assistant
With the room assistant, you can select a room and get the minimum required symbols attached to you cursor, one by one, for that room. You can also add new rooms, change existing ones or delete them.
To start the room assistant, use command "house".
Select area
Select area "Buitenberging" from the dropbox and press OK.


The above dialog will be shown. The area "Buitenberging" needs to have at least 2 symbols as shown in the left box.

Select the symbols and fill in their Group and Power attributen. When all symbols have a group and power, press OK. Now one by one, each symbol will be attached to the cursor so you can place them in the drawing.
New area

In the main dialog, select "New area".
A new dialog will appear as shown beneath.

In this
dialog, you can name the room and add symbols to it. Enter a name and add some
symbols to it by selecting a symbol left and pressing the
button.

Once you've finished adding symbols, press the Next button and then "Create area".
Change area
To change an area. Select an area and press "change area". The rest is the same as creating a new area.

Delete area
To delete an area, select one, press "delete area" and press OK in the warning dialog.

Files needed:
Projects
houseExtExample2005.cpj : example project
Symbols
Deuren+ramen.cps : used symbol database
Genereren.cps : symbol database for generation
NEN5152-HI.cps : main symbol database for HI
Templates
areadialog.ext : house
houseManagement.ext : HMN , HMB
huisgen.ext : genDutch , genBelgium
houseinstallation.mdb : database used by extensions
ConfigInstallation.txt : settings used by extensions
|