Analoginių signalų komparatoriaus modulis mikrovaldiklyje naudojamas tiksliam "slope" tipo analoginiam - skaitmeniniam keitimui, maitinimo įtampos "sekimui", isorinių analoginių signalų monitoringui ir t.t. Pagrindinės komparatoriaus savybės:
- multipleksorius kiekviename (invertuojančiame ir neinvertuojančiame) komparatoriaus įėjime;
- programiskai įjungiamas RC - filtras komparatoriaus isėjime;
- isėjimas s 131f516b ujungtas su laikmačio Taimer_A fiksavimo (Capture) įėjime;
- programiskai valdomas signalų įvedimo buferis;
- programinio pertraukimo galimybė;
- programinis atraminės (Reference) įtampos parinkimas;
- programiskai isjungiami komparatorius ir atraminės įtampos blokai.

36 pav. Komparatoriaus blokinė schema
Palyginimo modulio (Comparator A) veikimo principai.
Palyginimo modulio darbo rezimai ir parametrai gali būti nustatomi programiniu būdu. Komparatorius palygina dvi įtampas invertuojančiame (-) ir neinvertuojančiame (+) įėjimuose. Jeigu įtampa (+) įėjime didesnė, komparatoriaus isėjime CAOUT auksto loginio lygio signalas. Siekiant sumazinti energijos suvartojimą, komparatorius gali būti isjungtas programiniu būdu, isjungiant valdančiame zodyje CAON bitą. Isjungus komparatorių jo isėjime CAOUT visada zemo loginio lygio signalas.
Komparatoriaus įėjimai valdomi (atjungiami arba prijungiami prie signalo saltinio) bitais P2CAx. Kiekvienas įėjimas konfigūruojamas individualiai. Bitas P2CAx leidzia:
- kiekvieną is isorinių signalų prijungti ir prie (+) ir prie (-) komparatoriaus įėjimų;
- prijungti vieną is vidinių atraminių įtampų prie norimo įėjimo.
Nuo bito CAEX priklauso prie kurio komparatoriaus įėjimo (-) ar (+) prijungtas signalo saltinis, prie kurio - atraminė įtampa.

37 pav. Filtro komparatoriaus isėjime panaudojimo efektyvumo pavyzdys
Komparatoriaus isėjimas gali būti filtruojamas, prijungiant nuosekliai isėjimui RC - filtrą, (priklausomai nuo bito CAF). Kiekvieno komparatoriaus isėjimo signalas "svytuoja" (persijunginėja, 37 pav.), kai signalai (-) ir (+) įėjimuose artimo dydzio. Sio reiskinio priezastis - vidiniai ir isoriniai parazitiniai elektriniai laukai, triuksmai maitinimo saltiniuose ir signalinėse linijose ir t.t. Komparatoriaus isėjimo signalo svytavimas mazina palyginimo rezultato tikslumą, todėl filtro panaudojimas padeda isvengti signalų palyginimo klaidų.
Atraminės įtampos generatorius formuoja įtampą VCAREF, kuri gali būti prijungta prie vieno is komparatoriaus įėjimų. Nuo bitų CAREFx priklauso atraminės įtampos VCAREF dydis. Jeigu prie abiejų komparatoriaus įėjimų prijungti isoriniai signalai, o vidinė įtampa VCAREF nenaudojama, atraminės įtampos generatorius gali būti isjungtas, siekiant sumazinti srovės sunaudojimą. Atraminis generatorius gali formuoti įtampas: 0,5·VCC, 0,25·VCC ir tranzistoriaus slenkstinę įtampa (apie 0,55 V). Čia VCC - mikrovaldiklio maitinimo įtampa.
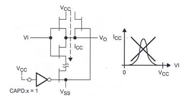
Paprastai komparatoriaus įėjimai ir isėjimai multipleksuojami su atitinkamo porto skaitmeniniais isvadais (38 pav.). Prijungus prie tokio skaitmeninio isvado analoginį signalą teka nuotėkio srovės (ICC), kurios iskraipo analoginį signalą. Todėl norimą skaitmeninį įėjimą (isėjimą) galima elektriskai atjungti atitinkamu (kiekvienai porto skilčiai atskiru) signalu CAPDx = 1.

38 pav. Skaitmeninio isvado elektrinio atjungimo (signalu CAPDx iliustracija
Palyginimo moduliui Comparator A yra priskirta CAIFG pertraukimo vėliavėlė ir pertraukimo vektorius (39 pav.).

39 pav. Komparatoriaus pertraukimų sistema
Priklausomai nuo valdymo zodzio bito CAIES, pertraukimo vėliavėlę CAIFG gali įjungti ir kylantis ir krintantis komparatoriaus isėjimo signalo CAOUT frontas. Jeigu abu pertraukimų leidimo signalai (ir CAIE, ir GIE) įjungti, pertraukimo signalas CAIFG formuoja pertraukimo reikalavimą IRQ. Pertraukimo vėliavėlė CAIFG automatiskai gesinama, aptarnaujamas pertraukimo reikalavimas arba gali būti isjungta programiniu būdu.
Komparatoriaus panaudojimas rezistoriaus varzos RMEAS matavimui iliustruotas 40 pav. Varza ismatuojama palyginus kondensatoriaus issikrovimo laiką per atraminį zinomos varzos rezistorių RREF ir matuojamąjį rezitorių RMEAS. Mikrovaldiklis MSP430 atlieka sias operacijas:
- kondensatoriui įkrauti ir iskrauti naudojami du skaitmeniniai isėjimai Pxx ir Pxy;
- kondensatorių įkraunant į atitinkamą skaitmeninį isėjimą paduodamas loginis "1", iskraunant - loginis "0";
- atitinkamu signalu CAPDx nenaudojamas skaitmeninis isėjimas elektriskai atjungiamas nuo matavimo grandinės;
- vienas isėjimas (Pxx) naudojamas kondensatoriaus įkrovimui ir iskrovimui per rezitorių RREF kitas skaitmeninis isėjimas (Pxy) - kondensatoriaus iskrovimui per rezitorių RMEAS;
- komparatoriaus (+) įėjimas prijungtas prie teigiamo kondensatoriaus poliaus, o (-) įėjimas - prie atraminės įtampos 0,25 VCC;
- persijungimo triuksmams sumazinti naudojamas komparatoriaus RC - fitzltras;
- komparatoriaus vidinis signalas CCI1B naudojamas Taimerio_A fiksavimo schemoje kondensatoriaus iskrovimo trukmei matuoti.

40 pav. Komparatoriaus panaudojimo varzų matavimui laikinės diagramos
Skaitant, kad įtampa VCC ir kondensatoriaus talpa C nekinta, varza RMEAS surandama pagal sekantį algoritmą:

Čia VCC - mikrovaldiklio maitinimo įtampa, VREF - komparatoriaus vidinė atraminė įtampa, RREF - zinomo dydzio varza, RMEAS - matuojamoji varza, NREF - uzfiksuoti Taimerio A parodymai kondensatorių C iskraunant per varzą RREF, NMEAS - uzfiksuoti Taimerio A parodymai kondensatorių C iskraunant per varzą RMEAS.
Komparatoriaus programiniam valdymui naudojami du valdymo registrai CACTL1 ir CACTL2, bei skaitmeninių porto isvadų uzdraudimo registras CAPD.

41 pav. Valdymo registras CACTL1
Čia:
CAIFG - komparatoriaus_A pertraukimo vėliavėlė.
CAIE - komparatoriaus_A pertraukimo leidimas.
CAIES - komparatoriaus_A pertraukimo fronto isrinkimo bitas.
0: kylantis frontas nustato komparatoriaus_A pertraukimo vėliavėlę CAIFG.
1: krintantis frontas nustato komparatoriaus_A pertraukimo vėliavėlę CAIFG.
CAON - jeigu lygus 1, komparatorius įjungtas.
CAREF - komparatoriaus_A vidinės atraminės įtampos isrinkimas:
00 - vidinė atraminė įtampa atjungta, galima prijungti isorinę įtampą.
01 - VCAREF = 0,25·VCC.
10 - VCAREF = 0,50·VCC.
11 - VCAREF = 0,55 V.
CARSEL - vidinis VCAREF signalas CAREF bitais gali prijungtas prie CA0 ar CA1.
CAEX - komparatoriaus įėjimo signalai yra apkeičiami.

42 pav. Valdymo registras CACTL2
čia:
CAOUT - atkartoja komparatoriaus isėjimo būseną.
CAF - jeigu lygus 1, komparatoriaus isėjime prijungiamas vidinis RC - filtras.
P2CA0 - komparatoriaus isvado CA0 valdymas:
0 - komparatoriaus isvadas CA0 - neprijungtas.
1 - komparatoriaus isvadas CA0 prijungtas prie signalo.
P2CA1 - - komparatoriaus isvado CA1 valdymas:
0 - komparatoriaus isvadas CA1 - neprijungtas.
1 - komparatoriaus isvadas CA1 prijungtas prie signalo.
Registro CACTL2 bitai 4-7 nenaudojami.

43 pav. Porto isvadų uzdraudimo registras CAPD
Kiekvienas bitas (CAPDx = 1) elektriskai atjungia atitinkamą porto bitą nuo prie jo prijungtos elektroninės grandinės.
|