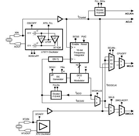
Is 8 lentelių matoma, kad MSP430 issiskiria is kitų mikrovaldiklių tuo, jog turi integruotą LCD valdymo bloką. Tačiau kaip buvo minėta anksčiau 430 serija pasizymi puikiomis energijos taupymo savybėmis. Norint geriau suprasti energijos taupymo rėzimus nagrinėsime sinchronizacijos bloko struktūrą (18 pav.).
Sinchronizacijos bloką sudaro 3 signalų saltiniai:
1) LFXT1 - zemo daznio kvarcinis generatorius 32.768 kHz.
2) LXT2 - auksto daznio kvarcinis generatorius 450 kHZ - 8 MHz.
3) DCOCLK - vidinis programuojamas sinchrosignalų generatorius (RC grandinė).
Papildomi individualiai programuojami sinchronizacijos blokai:
1) ACLK - pagalbinis, naudojamas įvairios periferijos sinchronizacijai, impulsų saltinis LFXT1.
2) MCLK - pagrindinis, naudojamas CPU sinchronizacijai, saltinis gali būti LFXT1, XT2 arba DCOCLK.
3) SMCLK - pagalbinis, naudojamas įvairios periferijos sinchronizacijai, saltinis gali būti XT2 arba DCOCLK.

9 pav. Sinchronizacijos blokinė schema
MSP430 serijos mikrovaldikliai turi 5 energijos taupymo rėzimus, kurie pateikti 8 lentelėje. Čia "-" reiskia, kad atitinkamas blokas neaktyvus ir "+" atvirksčiai.
8 lentelė. Mikrovaldiklio energijos taupymo rezimai
|
Saltinis |
CPU |
ACLK |
SMCLK |
DCO |
DCOCLK |
FLL |
Srovė,uA |
|
Rėzimas |
|||||||
|
LPM0 | |||||||
|
LPM1 |
| ||||||
|
LPM2 | |||||||
|
LPM3 | |||||||
|
LPM4 |
Anksčiau minėti trys sinchroimpulsų saltiniai leidzia efektyviai isnaudoti mikrovaldiklio galimybes ir taupyti maitinimo saltinio energiją. Sinchronizacijos blokas valdomas programiskai, todėl kiekvienu atveju galima pasirinkti optimaliausią variantą. Kadangi mikrovaldiklis turi vidinę, temperatūros pokyčiam atsparią RC grandinę jis gali dirbti be isorinių rezonatorių, tai sumazina isorinių elementų skaičių uzdaviniuose, kur nereikalingas maksimalus procesoriaus darbinis daznis. Isorinio rezonatoriaus generuojamų sinchroimpulsų daznis, sinchrobloko pagalba gali būti programiniu būdu mazinamas arba didinamas. Yra galimybė prijungti iki dviejų isorinių rezonatorių. Vienas is jų naudojamas CPU, o kitas periferinių įrenginių darbui sinchronizuoti.
|