ALTE DOCUMENTE
|
|||||||
Értelmezze a visszacsatolás fogalmát, fajtáit! Csoportosítsa a negatív visszacsatolásokat és ismertesse az egyes típusok hatását az erősítők jellemzőire! Rajzoljon fel tipikus kapcsolási megoldásokat!
Visszacsatolás fogalma, fajtái:
A visszacsatolás lényege, hogy az erősítő kimeneti jelének egy részét visszavezetjük a bemenetére egy visszacsatoló négypólus segítségével. A bemeneti jel és a visszacsatolt jel fázishelyzetének függvényében megkülönböztetünk:
Negatív visszacsatolást: a visszacsatolt jel fázisa ellentétes a bemeneti jel fázisával, a két jel egymás ellen hat
Pozitív visszacsatolást: a kimeneti jelnek a bemenetre visszavezetett része fázisban van a bemeneti jellel, a két jel összeadódik. A nagyobb mértékű visszacsatolás begerjedést idéz elő, ezért erősítőkben nem alkalmazzák

Ha Uv és Ube azonos fázisúak, a hurokerősítés pozitív előjelű és pozitív visszacsatolásról beszélünk. Ha Uv és Ube ellentétes fázisúak, a hurokerősítés negatív előjelű és negatív visszacsatolás jön létre.
A pozitív visszacsatolás jelerősítésre nem alkalmas, mivel kedvezőtlenül befolyásolja az erősítő jellemzőit. Jelentősége viszont annak tulajdonítható, hogy erős pozitív visszacsatolás esetén a β*Au hurokerősítés megközelíti az 1-et, és a visszacsatolt erősítés végtelen nagy értékű lehet. Ez azt jelenti, hogy az erősítő begerjed és bemeneti jel nélkül is képes kimeneti jelet szolgáltatni. Ezen az elven működnek az oszcillátorok.
Negatív visszacsatolás:
Attól függően, hogy a visszacsatolt jel a kimeneti feszültséggel vagy a kimeneti árammal arányos, megkülönböztetünk feszültség- és áram-visszacsatolást. További felosztás szerint lehet soros és párhuzamos visszacsatolás.
A kimeneti feszültség kevésbé változik a negatív visszacsatolás következtében, ez csak úgy lehetséges, ha az erősítő kimeneti ellenállása csökken. A negatív feszültség-visszacsatolás az erősítő kimeneti ellenállását csökkenti.
Negatív áram-visszacsatolás estén, az erősítés csökken, tehát a kimeneti feszültség is csökken. Megállapítható, hogy a kimeneti feszültség nagyobb mértékben változik a negatív visszacsatolás következtében. Ez csak úgy lehetséges, ha az erősítő kimeneti ellenállása nő. A negatív áram-visszacsatolás az erősítő kimeneti ellenállását növeli.
A soros negatív visszacsatolás növeli az
erősítő bemeneti ellenállását:
. A párhuzamos negatív visszacsatolás csökkenti az erősítő
bemeneti ellenállását:
.
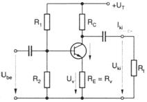
Az ideális erősítő bemeneti ellenállása végtelenül nagy, kimeneti ellenállása pedig végtelenül kicsi. Ezért az erősítőknél a bemeneti ellenállás növelése és a kimeneti ellenállás csökkentése a cél. Ennek megvalósítására az erősítő bemenetén soros-, kimenetén feszültség-visszacsatolást alkalmaznak.
|
|
|
||
|
Soros feszültség-visszacsatolás rbe-nő; rki-csökken; Au-csökken; Ai- -- |
Párhuzamos feszültség-visszacsatolás rbe-csökken; rki-csökken; Au- --; Ai- csökken |
||
|
|
ibe |
||
|
Soros áram-visszacsatolás rbe-nő; rki-nő; Au-csökken; Ai- -- |
Párhuzamos áram-visszacsatolás rbe-csökken; rki-nő; Au- --; Ai-csökken |
||
Soros negatív áram-visszacsatolás:
Az áramerősítés független a visszacsatolástól, a feszültségerősítés
viszont csökken. A bemeneti ellenállást és a kimeneti ellenállást
egyaránt növeli a visszacsatolás.
Párhuzamos negatív feszültség-visszacsatolás:
Párhuzamos feszültség-visszacsatolás alkalmazásakor a feszültségerősítés
független a visszacsatolástól, az áramerősítés pedig csökken.
Ennek a visszacsatolásnak a hatására mind a bemeneti, mind a
kimeneti ellenállás csökken.
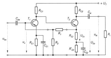
Soros negatív feszültség-visszacsatolás:
Ha az ube bemeneti feszültség nő, nő az uki
kimeneti feszültség, tehát az uv visszacsatoló feszültség is
nő. A visszacsatoló feszültség növekedése a T1 tranzisztor
vezérlőjelét csökkenti, tehát a bemeneti jel növekedése ellen hat.
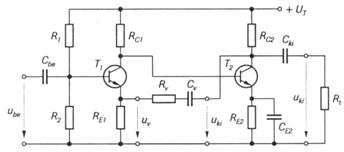
Párhuzamos negatív áram-visszacsatolás:
A T1 tranzisztor nyugalmi bázisáramát feszültségosztós megoldással
az R1, R2 ellenállások állítják be, felhasználva az RE2
és R'E2 soros eredőjén fellépő feszültségesést. Ezáltal
egy egyenáramú
negatív visszacsatolást is létesítünk, amit a munkapont stabilitásának a
növelésére alkalmaznak (hőmérsékletváltozás esetén).
|