GC Typical
Призначення,технічна характеристика та операції які можна виконувати при використанні даної машини.
Загальна характеристика. Машина використовується на фабриках по виготовленню т 212g67c 1077;нтів, подушок,виробів з кожі, одягу, матрасів та інш. При використанні всіх елементів можливо отримати до 10 різних розмірів відстані між строчками. Машина має автоматичну змазку човникового механізму. Головний та розподільчий вали розташовані в шарикопідшипниках і приводяться в рух зубчатим ременем, система змащення забезпечується плунжерним масляним насосом. На машині встановлений складний механізм подачі, складається із зубчатої рейки, транспортуючої лапки та відхиляючої ся голки.
DP x Nm
регуліровки та місце змащення машини.
Заправка ниток і регулювання їх натягу. Для заправки верхніх ниток нитки з бобін або котушок проводять через отвори трубчастих нітенаправітелей 1 (рис. 39), 2, зверху вниз заправляють в отвори 3, 4, 5, 6, 7, 8 нітенаправітель-ного кутника, обводять між шайбами 9, 10 регуляторів натягу, за годинниковою стрілка заводять в канавку шайби 11 і заправляють під нітепрітягівательную пружину 1 Далі нитки справа наліво заправляють у вушка 20, 19 Нитконатягувачі, проводять вниз і заводять під пластинчасті нітенаправітелі 18, 17. Заправляють нитки в отвори 16, 13 голкотримач і справа наліво вводять у вушко голки лівій 15, зліва направо у вушко голки правою 14.
ланки виконую зубчата лапка 1 (мал.4.10,а) яка має на нижній поверхні зуб’я, якими вона захватує верхній шар матеріалу і переміщує його. Верхня зубчата транспортуюча лапка 1 в процесі транспортування матеріалу переміщується в тому ж напрямку що і нижня ланка 6.
Зубчата транспортуюча лапка 1 та ланка 6 рухаються синхронно по еліпсоподібній траекторіі і після переміщення матеріалу 4 відходять від нього . Матеріал 4 при відсутності контакту з ним ланки 6 та зубчатої транспортуючої лапки 1 прижимається лапкою 3 до поверхні гольної пластини 5. Голка 2 проколює матеріао і проводить через нього гольну нитку. При транспортуванні матеріалу 4 прижимна лапка 3 піднімається.

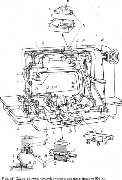
Човникові вали 47 обертаються в шарикопідшипниках 5, 7, вставлених в картери 12, 3 Ці картери надіті на втулки 11, 16 і закріплені на них за допомогою двох сухариків 23, 41, котрі тримаються на втулках притискними гвинтами 40. Крім того, картери 12, 32 прикріплюються знизу до платформи машини притискними гвинтами 10, 34 через шайби. Положення кожного шарикопідшипники 7 в отворах картерів фіксується зверху установочними кільцями 8, а знизу - буртиком човникових валів 47. Положення шарикопідшипників 5 знизу фіксується установочними пружинними кільцями 4, а зверху вони впираються в маточини шестерень 45. Нижній точкою опори валів 47 є вкладиші 3, вставлені в отвори знизу картерів 12, 32 і закріплені завзятими гвинтами 33. Шестерні 45 входять у зачеплення з шестернями 35 (i = 2: 1). Зубчастий вінець цих шестерень текстолітової, а маточини сталеві. Шестерні закріплені в валах 46 завзятими двома гвинтами 36. Вали 46 обертаються в двох шарикопідшипниках і двох вкладках. Особливістю фіксації шарикопідшипників всередині отворів картерів 12, 32 є те, що кожен верхній шарикопідшипник знизу впирається в установче кільце 44, закріплене на кожному валу 46 завзятими двома гвинтами; крім того, знизу кожне зовнішнє кільце шарикопідшипника впирається в пружинну шайбу. Заодно з валами 46 виготовлені кривошипа 30, на їх пальці 25 надіті важелі 27, вертикальні зміщення яких усуваються головками притискних гвинтів 26, завінченних в пальці 25. До важелів 27 притискними гвинтами 28 прикріплюються отводчікі 29. Важелі 27 з'єднуються за допомогою шарнірних пальців з ланками 24, надітими на пальці 2 До картера 12 притискними гвинтами прикріплюються пластини 31 - фіксатори положень верхніх шарикопідшипників. Човниковий комплект складається з човника 17 (рис. 43), закріпленого на човниковому валу двома завзятими гвинтами 2, шпуледержателя 12 і шпульки 5. Шпулька 5 надаватися на стрижень 6 і утримується від осьових зсувів подпружиненной засувкою 4. Шпуледержатель 12 своїм пояском 3 вкладається всередину паза 15 човника 17. Щоб паз 15 був закритий, на човнику 17 трьома притискними гвинтами 13 прикріплюється накладна пластина 14.
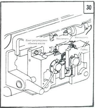
Всередині човникового валу 47 є осьовий канал, в який вставлений гніт 9. Знизу канал човникового валу 47 частково перекритий конусної голкою регулювального гвинта 42, положення якого закріплюється завзятим гвинтом 1. Канал 43 розташований в розточування вкладиша 3, по якій масло надходить до каналу картера, що постачає маслом вкладиш вала 46 отводчіка, що має аналогічний пристрій. Частинки масла з гнота 9 відцентровими силами відкидаються до стінок маточини човника 17, потрапляють в канавку 16 (див. рис. 43), і через неї проводиться змащення сполучення паза 15 з пояском 3 шпуледержателя 1 Своєчасність підходу носика човника 13 (див. рис. 42) до голки регулюється поворотом вала 47 після ослаблення гвинтів 6. При підйомі голки з нижнього крайнього положення на 2 мм носик човника повинен бути вище вушка голки на 1,6 мм, якщо голка правильно встановлена по висоті. Правильність установки голки можна перевірити, опустивши голку в крайнє нижнє положення. У цьому випадку між верхньою кромкою носика човника і центром вушка має витримуватися відстань, що дорівнює 4,5 мм по вертикалі. Зазор між носиком човника і голкою, що дорівнює 0,1 мм, встановлюється переміщенням картера 32 або картера 12 уздовж осі розподільного валу 17 після ослаблення гвинтів 40, 34 або 10. Натяг нижньої нитки регулюється гвинтом 8 (див. рис. 43). Щоб змінити відстань між паралельними рядками, замінюють голкотримач, лапку, вушко пластину, рейку, а картери 32 (див. рис. 42), 12 переміщують уздовж осі розподільного валу 17, як при регулюванні зазору між носиком човника і голкою. Своєчасність руху отводчіка 29 регулюється поворотом кривошипа 30 і валу 46 після ослаблення гвинтів 36. Положення отводчіка 29 щодо виступу шпуледержателя регулюється його переміщенням вздовж важеля 27 після ослаблення гвинта 28. Кількість масла, що надходить у човниковий комплект, регулюється гвинтом 42 після ослаблення гвинта 1. Якщо гвинт 42 загвинчувати, то подача масла до човнику зменшиться.
GR DPx x SY Nm стібки тонкою голкою, вона швидко зігнеться, буде пропуск або розрив нитки ,так і навпаки,якщо на тугій тканині робити стібки дуже товтою голкою,вона може порватися через череду дуже великих отворів.
були в протилежних сторонах відносно один одного, після чого затягніть гвинт (А).
Положення «d
D), щоб заперти шпульку, в результаті шків (F) моталки давитиме на ремінь (G
Для забезпечення зворотної подачі натисніть на ричаг зворотної подачі (С). Після того як ричаг відпустити, машина автоматично переходить до шиття вперед.
Примітка: перед тим як помістити шпульку в шпулетримач, необхідно щоб нитка була на ній правильно намотана.
гольної та шпульної нитки.
натягу нитки проти годинникової стрілки для того ,щоб звільнити прижимний устрій,або за допомогою відкрутки повернути регулюючий гвинт для збільшення натягу нитки (мал.21 та 22).
з важкою тканиною тиск треба збільшувати поворотом, розташованого зверху рукава машини, регулюючого гвинта по годинниковій стрільці (мал.23)
Якщо робота верхньої та нижньої подачі під час роботи не скоординовані по часу, довгий горизонтальний ричаг подачі підлягає регулюванню для забезпечення довжини верхньої подачі.
Подайте спеціальний спеціальний гвинт вниз для збільшення подачі .
Поступово,зменшення відстані по середній лініі між спеціальним гвинтом та заднім ричагом підйому лапки рівень її підйому зменшується.
|