CAPITOLUL 1. DOCUMENTARE
Consideratii privind utilizarea frigului artificial si a aerului conditionat īn industria conservelor.
Schema tehnologica a produselor fabricate cu detalierea operatiilor īn care intervine frigul artificial si aerul conditionat.
Consideratii privind tipurile de agregate de conditionare, instalatii frigorifice si agenti frigorifici utilizate īn industria conservelor
Schema amplasarii spatiilor tehnologice cu detalierea suprafetelor spatiilor conditionate si racite.
Caracteristicile aerului atmosferic pe timpul verii si iernii pentru zona la care se refera proiectarea .
Calculul izolatiilor termice ale peretilor spatiilor conditionate si racite si a coeficientilor globali de transfer termic.
CAPITOLUL 2. CALCULUL PROCESULUI DE CONDIŢIONARE
AL AERULUI
Calculul bilantului caloric al spatiilor climatizate pe timpul verii si al iernii.
Calculul bilantului de umiditate al spatiilor climatizate.
Stabilirea zonei de microclimat admisa, trasarea directiilor coeficientilor de termoumiditate īn diagrama h-x si determinarea debitelor de aer.
Conditionarea aerului pe timpul verii si dimensionarea agregatului de conditionare pe timpul verii.
Conditionarea aerului pe timpul iernii si dimensionarea agregatului de conditionare pe timpul iernii.
TEMA DE PROIECT
Sa se proiecteze o instalatie de climatizare necesara unei sectii de preparare mancaruri de legume cu carne cu o capacitate de 6,8t /24 de ore amplasata la Bacau.
Unitatea pentru care se realizeaza proiectarea este amplasata īn localitatea Bacau.
Caracteristicile materiilor prime si produsului finit sunt cele corespunzatoare standardelor īn vigoare. Instalatia frigorifica si cea de conditionare a aerului trebuie sa asigure desfasurarea procesului tehnologic si depozitarea produselor finite īn conditii optime.
Echipamentul necesar instalatiei frigorifice si cele de conditionare a aerului se va alege pe considerente economice atāt din productia interna cāt si din import.
Se dispune de apa de racire de la reteaua de apa industriala a orasului, consumul fiind limitat la maximum 30% din necesarul de apa la condensatoare pe timpul verii, impunāndu-se necesitatea utilizarii condensatoarelor cu evaporare fortata sau a turnurilor de racire cu recircularea apei racite.
Consideratii privind utilizarea frigului artificial si a aerului conditionat īn industria conservelor.
Problematica disciplinei de Climatizare īn Industria Alimentara o reprezinta fundamentarea teoretica a tehnicilor de obtinere a aerului climatizat, respective aerului conditionat si cea a frigului artificial utilizat pe scara larga īn Industria Alimentara.
Aerul conditionat se foloseste īn industria alimentara īn scopul depozitarii materiilor prime si a produselor finite precum si la realizarea unor procese tehnologice care necesita conditii speciale de temperatura si umiditate diferite de cele ale madiului exterior.
Climatizarea desemneaza un ansamblu de tratamente care se aplica aerului umed pentru obtinerea unui microclimat definit īn ultima instanta printr-o temperatura si umiditate optima. Realitarea microclimatului impune un echipament special care actioneaza asupra principalilor parametri de stare a aerului umed: timp, umiditate, viteza de circulatie a aerului, debit, continut de impuritati.
Aerul conditionat este utilizat pe scara larga tn aproape toate ramurile industriei alimentare. Un mare consummator de aer conditionat este industria carnii. Astfel, transarea carnii se realizeaza īntr-o īncapere speciala unde trebuie asigurat aerul conditionat.
Parametri aerului umed trebuie sa aiba:
8-10˚C
umiditatea relativa ζ=40.50%
un raport de recirculare a aerului Lr ∕ Lp=4 ∕ 1
Lr- debit de aer recirculat;
Lp- debit de aer proaspat;
viteza de deplasare w=0,3 m ∕ s.
Aerul utilizat trebuie sa fie curat, lipsit de noxe, īntrucāt vine tn contact cu semifabricatul si produsele alimentare.
Pentru crearea conditiilor de mediu ambient specific produselor tehnologice diferite fata de mediul ambiant, se utilizeaza instalatii industriale care sa asigure aceste conditii.
Īn ultimul timp, pentru depozitarea produselor alimentare cu materii prime necesare, se utilizeaza aer conditionat, iar īn incinta trebuie sa existe o microflora controlata.
AERUL UMED.
Aerul umed este utilizat ca agent de lucru īn numeroase procese termodinamice prin care se realizeaza procese de transfer de caldura īnsotite de regula si de schimbari de masa respective de umiditate.
Īn procesele de ventilare si climatizare, la refrigerare si congelarea produselor alimentare se utilizeaza aerul umed ca agent termodinamic.
Fenomenele care īnsotesc aceste transformari sunt influentate atāt cantitativ cāt si calitativ de proprietatile fizico-chimice, termodinamice si igienice ale aerului utilizat. Aerul atmospheric curat si uscat contine azot si oxigen care sunt gazele componente ale aerului alaturi de alte gaze īn cantitati mici: Ar, Co2, Ne, Cr, He, O3, Ra īn proportii neglijabile.
Aerul este īnsotit īntotdeauna de vapori de apa, fapt pentru care este denumit aer umed. Chiar īn zonele cele mai umede de pe glob, aerul contine o anumita cantitate de apa. Continutul de vapori īn amestec poate fi mai mare sau mai mic; definim astfel o anumita stare a aerului.
Prezenta īn aerul atmosferic a impuritatilor influenteaza nefavorabil proprietatile igienico-sanitare ale acestuia. Avānd tn vedere continutul redus de substante straine ce influenteaza aerul se admite ca suport fizico-matematic al acestuia numai aerul umed cu caracteristicile sale.
De asemenea, pentru aerul umed se iau īn considerare doar componentii principali (N si O) cu participatie volumetrica 79% N si 21% O, respective 77% N si 23% O ca participatie gravimetrica.
Marimile de stare ale aerului umed:
TEMPERATURA:
Īn concordanta cu principiul 0 al termodinamicii, temperature unui system este proprietatea care indica daca un sistem se gaseste īn echilibru termic fata de un alt sistem. Temperatura si caldura sunt doua notiuni distincte din punct de vedere termodinamic.
Temperatura este cel mai important factor īn tehnica conditionarii aerului, īn calcule se definesc 3 notiuni de temperatura
Temperatura termometrului uscat T [˚C], temperatura termometrului umed Tu [˚C] si temperatura punctului de roua Tr [˚C].
Temperatura termometrului uscat este o masura a caldurii sensibile a aerului umed ce caracterizeaza doar intensitatea caldurii si nu marimea totala a caldurii aerului. Se masoara cu un termometru obisnuit cu rezervor uscat si ecranat īmpotriva radiatiilor.
Temperatura termometrului umed se defineste ca fiind cea mai scazuta temperatura a unui film superficial de apa care se vaporizeaza liber īn aer. Pentru a vaporiza la orice temperatura, trebuie asigurata caldura latenta. Aerul īn contact cu apa poate aspira aceasta caldura. Ca urmare continutul caloric al aerului se micsoreaza iar temperatura aerului scade. Tu se masoara cu un termometru obisnuit cu rezervorul īnfasurat īntr-un tifon īmbibat īn apa. Pe rezervorul termometrului se produce un proces de evaporare, fenomen determinat de tendinta aerului de a se satura īn vapori de apa cānd presiunea partiala (Pv >Ps). Prin evaporare Pv creste īn spatiul limitrof al termometrului creīndu-se un gradient de presiune a vaporilor de apa sub actiunea carora vaporii difuzeaza.
Procesul este cu atīt mai puternic cu cāt presiunea partiala a vaporilor de apa este mai mare presiunea de saturatie. Īntrucāt caldura necesara evaporarii apei este preluata de aer, caldura sensibila a acestuia se micsoreaza si temperatura lui scade pāna la o valoare minima. Īn felul acesta temperatura termometrului umed indica o valoare mai mica de cea a termometrului uscat.
Temperatura punctului de roua (Tr) este temperatura termometrului uscat la care aerul atmosferic devine saturat īn vapori de apa iar vaporii de apa condenseaza sub forma de picaturi.
Se obtine printr-un proces de racire izobara, pentru care presiunea partiala a vaporilor de apa devine egala cu presiunea de saturatie: Pv=Ps.
Umiditatea relativa a punctului de roua este totdeauna pe curba ζ=100%.
PRESIUNEA.
Considerānd aerul umed ca un amestec format din aer uscat si vapori de apa, deosebim presiunea aerului umed corespuntatoare presiunii atmosferice, respectiv presiumea biomagnetica pentru zona respectiva. Presiunea barometrica depinde de altitudine si conditiile meteorologice.
La altitudine 0 (nivelul marii) P=760 mmHg.
La 1000 m P=674,08 mmHg.
La 1500 m P=634,17 mmHg.
La 4000 m P=462,23 mmHg.
La 8000 m P=256,89 mmHg.
Presiunea partiala de vapori reprezinta presiunea pe care ar exercitao vaporii din amestec daca ar ocupa singuri, la aceeasi temperatura, volumul īntregului amestec Pv. Pentru o temperatura data si o presiune totala aerul contine o anumita cantitate de vapori. Daca continutul este maxim īn vapori, aerul se defineste ca fiind aer umed saturat.
Pentru aerul nesaturat corespunde o valoare maxima a presiunii partiale a vaporilor de amestec, numita presiune de saturatie (Ps).
Ps este dependenta de presiunea barometrica, variind īn functie de temperatura si fiind cu atāt mai mic cu cāt temperatura creste. Pentru aerul umed nesaturat corespunde la aceeasi temperatura o presiune partiala a vaporilor de apa mai mare decāt presiunea de saturatie si poate fi exprimata:
Pv=ρ*Ps
Umiditatea aerului umed
Aerul umed se poate prezenta īn raport cu cantitatea de apa pe care o contine la aceeasi temperatura si presiune barometrica ca aer saturat, nesaturat sau suprasaturat.
1.2. Schema tehnologica a produselor fabricate cu detalierea operatiilor īn care intervine frigul artificial si aerul conditionat.
Materii prime si auxiliare
![]()
Receptie calitativa si cantitativa
![]()
Depozitare
![]()
Condimente liant apa Pregatire preliminara materii prime
![]()
![]()
Dozare cantitati pe sarja
![]()
Tocare carne si legume
![]()
Malaxare
![]()
Preparare compozitie de acoperire Portionare - formare
![]()
![]()
![]()
Acoperire
I
![]()
Acoperire
II
![]()
Dozare - ambalare
![]()
Congelare (-20°C/15 min - 4 ore)
![]()
Depozitare
Consideratii privind tipurile de agregate de conditionare, instalatii frigorifice si agenti frigorifici utilizate īn industria conservelor.
Prin aer conditionat se intelege tratarea aerului pentru a mentine o stare de puritate, o anumita temperatura si umiditate si o viteza de miscare a aerului independenta de conditiile meteo.
In industria alimentara aerul conditionat se foloseste pentru realizarea unor procese tehnologice care impun conditii de puritate , de temperatura si umiditate diferite de cele ale mediului ambiant.
Aceste conditii in care are loc procesul de conditionare a aerului se numesc conditii de microclimat.
Exista doua tipuri de microclimat:
-microclimat industrial
-microclimat de confort
Microclimatul industrial este determinat de natura procesului tehnologic.Conditiile de microclimat sunt specifice procesului tehnologic care are loc in incinta climatizata.
Aerul conditionat se obtine in instalatii complexe care pot lucra in diferite regimuri si care asigura indiferent de parametri mediului ambiant aer onditionat pentru desfasurarea normala a procesului tehnologic.
Procedeele care stau la baza realizarii temperaturilor scazute pot fi impartite in doua categorii:
-procedee care folosesc agent frigorific
-procedee fara agent frigorific.
Procedeele care folosesc agent frigorific pot fi:
-in circuit deschis ( prin utilizarea ghetii, a amestecurilor refrigerente, a agentilor frigorifici, sau criogenici, prin evaporarea apei sau a altor lichide)
-in circuit inchis cand agentul parcurge componentele sistemului inchis si sufera o serie de transformari termodinamice ce formeaza un ciclu frigorific.
Procedeele in circuit inchis sunt realizate cu ajutorul unor instalatii frigorifice care sunt formate din masini, aparate de schimb de caldura, recipiente, aparate de masura si control, automatizarii etc.
Asemenea instalatii se bazeaza pe vaporizarea unor lichide la saturatie denumite agenti frigorifici si pot utiliza comprimarea mecanica de vapori, comprimarea vaporilor cu ajutorul ejectoarelor sau comprimarea de vapori cu ajutorul compresoarelor termochimice.
Instalatia frigorofica functioneaza daca exista cel putin doua surse de caldura:- o sursa rece ( corpul sau mediu racit) si o sursa calda reprezentata in mod obisnuit prin mediu inconjurator in care se evacueaza caldura.
Parametrii pentru realizarea conditiilor de microclimat variaza avand temperaturi minime si maxime si umiditati relative minime si maxime.
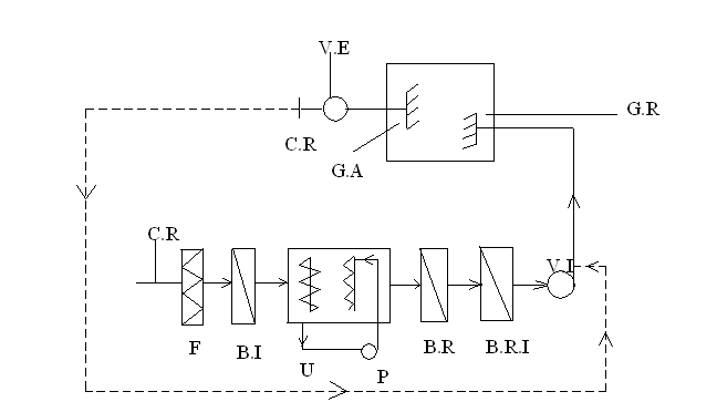
In principiu schema unei instalatii de climatizare se compune din:
-ventilator de evacuare V.E cu rol de a evacua debitul aspiratpartial in exterior si care prin recirculare il reintroduce in circuitul de climatizare;
-clapeta de reglaj C.R. determina proportia de amestecare dintre aerul proaspat si aerul recirculat;
-filtru F are rolul de a filtra aerul care urmeaza a fi intridus in incinta;
-bateria de incalzire B.I. incalzeste aerul;
-
-bateria de racire B.R. raceste aerul;
-bateria de racire -incalzire este cea care determina temperatura finala a aerului( temperatura pe care dorim sa o atingem)
-ventilatorul de
introducere V.I. introduce aerul in incinta unde parametrii aerului sunt dati
de t
,v
,H.
In figura de mai jos este reprezentata schema de principiu a unei instalatii de conditionare a aerului:
G.A.-gura de aspiratie

G.R.-gura de refulare

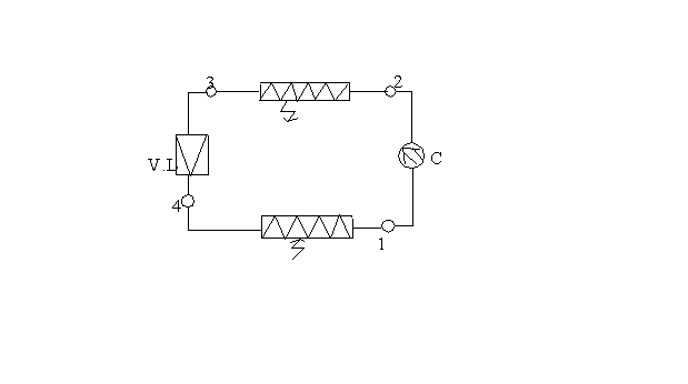
Schema si ciclul teoretic al instalatiei frigorifice cu compresie mecanica de vapori intr-o treapta:
Unde:
C-compresor; V.L-ventil de laminare.

Unde: h-este entalpia aerului (cantitatea de caldura continuta in unitatea de volum)
x- este cantitatea de umiditate pe care o contine aerul (g aer umed / kg aer uscat)

Tratarea aerului si obtinerea aerului climatizat se poate afla cu ajutorul diagramei Moliere( h-x sau I-d)
Curba
=100% delimiteaza zona de ceata , de zona de
umiditate si reprezinta de fapt curba de saturtie. Ea ne
arata ca cantitatea de apa cuprinsa intr-un kg de aeruscat este maxima. Depasind aceasta ajugem in
zona de ceata , deci izotermele
t=ct.de sub curba
=100%
se restrang in zona de ceata ceea ce inseamna ca avem aer umed suprasaturat
pana la izoterma t=0
C
sub care avem zona de gheata.
Procesul de incalzire sau racirea aerului se poate realiza mentinand intotdeauna un parametru constant.
Astfel se disting:-procese la umiditate constanta
-procese izoterme (la temperatura constanta)
-procese izentalpice (la entalpie constanta).

Procesul de incalzire al aerului
la umiditate constanta este reprezentat in urmatoarea figura:
Se
considera aerul umed cu starea 1 determinata prin doi parametri: -temperatura t
, si o umiditate relativa
Din
diagrama se determina x
si h
. Acest aer este circulat peste o suprafata calda,
uscata si se incalzeste la x=ct. pana in starea 2 cu temperatura dorita t
. Agentul termic folosit poete fi apa calda sau
gaze calde care trebuie sa aiba temperatura t
, t
>t
Cantitatea de caldura necesara
incalzirii unui kg de aer uscat, respectiv (1+x
) kg aer umed este:
q
=h
h>0
Prin incalzire
umiditatea relative a aerului scade,
, iar umiditatea absoluta ramane constanta x
Schita unei celule de climatizare care functioneaza la umiditate constanta se prezinta in figura urmatoare:

Unde:P-pompa ; F- filtru ; BR- baterie de racire.
CU- camera de umidificare
B.P.R-baterie de preincalzire
B.I-baterie de incalzire

Reprezentarea in diagrama h-x a procesului de conditionare a aerului in
sezonul cald.
Aerul proaspat cu parametrul pct.B se amesteca cu aer uzat cu parametrii punctului A rezultand un debit de aer cu parametri punctului M, intermediar intre parametri punctului A si B. Aerul conditionat ce se introduce in incinta are parametri punctului C .
Schema de racire a aerului la umiditate

In urma unei astfel de
raciri umiditatea relativa creste
, iar umiditatea absoluta ramane constanta x
Utilizarea frigului artificial la fabricarea si conservarea produselor aöimentare reprezinta un element esential in ceea ce priveste valorificarea superioara a materiilor prime alimentare.
Alegerea agentului frigorific depinde de tipul compresorului, de temperaturile de vaporizare si de condensare si de domeniul de utilizare a frigului produs.
Agentii frigorifici sunt fluide care transporta caldura in cadrul unei instalatii frigorifice, caldura preluata de la corpul cald catre mediul ambiant reprezentat prin apa sau aerul de racire al condensatorului.
Ca
agenti frigorifici se folosesc doua tipuri de compusi:-anorganici (NH
, H
O, CO
-organici (freoni).
Freonii cei mai utilizati ca agenti frigorifici sunt: R11; R12; R22; R502; R113; R114.
Pentru a diferentia agentii frigorifici dupa actiunea asupra stratului de ozon, s-a introdus potentialul de distrugere a stratului de ozon ODP.
Amoniacul
este cel mai utilizat agent frigorific din instalatiile cu compresie mecanica
de vapori atat la noi in tara cat si pe plan mondial. In
conditiile de lucru curent intalnite in industria alimentara, presiunea de
condensare a amoniacului nu depaseste 14-16 bar, iar presiunea de vaporizare
scade sub cea atmosferica de abia la valori inferioare temperaturiide -33,4
C.
Freonii sunt utilizatii pe scara larga in tehnica frigului datorita avantajelor pe care le prezinte:- neutralitate chimica, exponenti adiabatici mici, temperaturii mici la finele comprimarii.dezavantajele freonilor:-vascozitate redusa, solubilitatea cu uleiul de ungere, coeficienti de transfer de caldura mai mici ca la amoniac.
Pentru ca agentul frigorific sa fie util trebuie sa aiba o temperatura cat mai mica, respectiv punctul triplu cat mai mic. In tabelul urmator se prezinta cateva temperaturi de vaporizare pentru cativa agenti frigorifici:
|
Agent de racire |
Temperatura de vaporizare |
|
Amoniac | |
|
Freon 12 | |
|
Freon 22 | |
|
Apa |
Apa nu poate fi
utilizata decat pentru raciri pana la 0
C. toate substantele chimice pure au punct critic
specific deasupra careia nu exista decat stare gazoasa. Pentru
condensarea acestora se executa o preracire pana la o valoare inferioara
punctului critic.
Schema amplasarii spatiilor tehnologice cu detalierea suprafetelor spatiilor conditionate si racite.
Am ales sa-mi amplasez fabrica in localitatea Bacau datorita faptului ca exista in apropiere o carmangerie de prelucrare a carnii pentru aprovizionare usoara de carne, precum si de legume. Un alt motiv este ca este amplasat inafara asezarii deci nu voi avea reclamatii de deranjamente. Transportul muncitorilor se face cu un microbus al fabricii pentru a-i multumii. Datorita izolatiei foarte bune a peretilor muncitorii au caldura permanenta pentru a-i multumi un pic si sa ridic ranadamentul in lucru.
Fabrica are incorporat un laborator pentru analize, un grup sanitar, birou sef si un atelier mecanic pentru orice eventualitate.
Curentul este legat de la reteaua comuna a localitatii, iar apa tot de la oras printro canalizare proprie.
Amplasarea cladirii cu toate camerele este schitata in figura alaturata:

Caracteristicile aerului atmosferic pe timpul verii si iernii pentru zona la care se refera proiectarea .
Se alege gradul de asigurare 90.
Temperatura exterioara de calcul se va calcula conform STAS 6648 astfel:
ŗC
īn care:
temperatura medie
zilnica īn functie de localitate si de gradul de asigurare īn
care este īncadrata cladirea conform STAS;
C - coeficient de corectie pentru amplitudinea oscilatiei zilnice a temperaturii aerului exterior, conform tabelului 2;
- amplitudinea oscilatiei zilnice de
temperatura, īn functie de localitate conform anexei;
Conform STAS 1907/1-80 avem:
|
Temperatura [ŗC] |
Umiditatea [%] |
|
|
Vara | ||
|
Iarna |

Calculul izolatiilor termice ale peretilor spatiilor conditionate si racite si a coeficientilor globali de transfer termic.
Regimul de functionare al spatiilor frigorificesi climatizate, caracterizat prin valori coborate ale temperaturii, prin variatia rapida a acesteia si printr-o umezeala mare a aerului din incaperi impune pentru izolatia termica a peretilor, plafoanelor, pardoselilor conditiideosebite a caror realizare practica prezinta o serie de dificultatii. Rolul izolatiei termice consta in reducerea fluxului de caldura ce patrunde prin peretii camerelor frigorifice,in vederea mentinerii unui regim de microclimat cat mai stabil independent de conditiile de mediu.
Pentru izolarea peretilor si a plafoanelor se foloseste polistirenul expandat, obtinut prin expandarea perlelor de polistiren. Are o buna rezistanta la actiunea apei, prezentānd īnsa cāteva dezavantaje.
Caracteristici fizice:
-conductivitate termica: λ=(0,03-0,035) w/m
K
-coeficient global de transfer termic:
=0,2-0,5 w/m
K
-densitatea fluxului termic: q
=8 w/m
-temperatura maxima de utilizare: 60ŗC
Pardoseala se izoleaza cu placi de pluta expandata si impregnata.
Caracteristici fizice:
- conductivitate termica: λ=(0,04-0,06) w/m
K
-densitate ρ=(150-160) Kg/m![]()
-rezistenta mecanica σ=3 Kgf/cm![]()
-coeficient global de transfer termic:
=0,3-0,7 w/m
K
-densitatea fluxului termic: q
=11-12 w/m
STRUCTURA PERETELUI (fig.1)

1.strat de tencuiala; 2.strat de caramida; 3.strat de tencuiala; 4. bariera
de vapori; 5.strat de izolatie; 6.plasa de rabit; 7.strat de tencuiala;
|
Nr. str. |
1 |
2 |
3 |
5 |
7 |
|
|
Per.int. |
Per. ext. |
|||||
|
mm] |
δ | |||||
|
[Kcal/mgrd] | ||||||
STRUCTURA PLAFONULUI
1.strat de uzura; 2.placa de beton armat; 3.strat de tencuiala; 4.bariera de vapori; 5.strat de izolatie; 6.plasa de rabit; 7.strat de tencuiala; 8.mustati.
STRUCTURA PARDOSELII

1.strat de uzura; 2.placa de egalizare beton armat; 3.strat de izolatie; 4.plasa din sārma de otel; 5.bariera de vapori; 6.placa de beton; 7.placa de beton cu rezistenta electrica; 8.strat de balast; 9.strat de pamānt compact.
|
Nr. str. |
1 |
2 |
3 |
5 |
7 |
|
δ [mm] |
δ |
20 |
|||
|
λ [kcal/mgrd] |
|
1 |
2 |
3 |
6 |
7 |
8 |
9 |
|
|
δ [mm] |
δ | ||||||
|
λ [kcal/mgrd] |
0,62 |
0,9 |
0,035 |
1,25 |
1,25 |
0,75 |
0,7 |
Izolatia termica se poate calcula īn doua variante:
a)īn functie de valoarea coeficientului global de transfer termic;
b)īn functie de
valoarea impusa densitatii de flux termic q![]()
a) Se adopta un coeficient
global de transfer termic k![]()
-pentru polistiren expandat: k
=0,2-0,5 w/m
K
-pentru pluta expandata: k
=0,3-0,7 w/m
K
Relatia de calcul pentru grosimea izolatiei:
[m]
unde:
-coeficient
partial de transfer termic pe suprafata exterioara a peretelui
w/m
k
- coeficient partial de transfer termic pe
suprafata interioara a peretelui w/m
k.
b) Se adopta o
densitate de flux optim q
:
-pentru polistiren expandat: q
=8 kcal/m
k;
-pentru pluta expandata: q
=12 kcal/m
k;
De aici rezulta formula de calcul a grosimii izolatiei:
[m]
Coeficientii depind de sistemul de racire al instalatiei frigorifice, deci sunt functie de viteza aerului īn incinta si de amplasarea elementului izolat termic.
Dupa calcularea grosimii izolatiei ,aceasta se standardizeaza la valoarea imediat urmatoare, ca multiplu de 0.02 (0,02; 0,04; 0,06; 0,08; 0,10; 0,12 m).
Cu valoarea STAS a izolatiei termice se recalculeaza diferentiat functie de pozitia fiecarui element constructiv al īncaperii:
w/m
K
Pentru o camera
frigorifica
t se calculeaza diferentiat functie de
pozitia fiecarui element constructiv al īncaperii.
Pe timpul verii temperatura pardoselii se adopta 15ŗC, iar pe timpul iernii 2ŗC.
Pentru perete V.
Se admite valoarea cea mai mare dintre vara si
iarna si se standardizeaza.
.
Cu valoarea standardizata
se calculeaza k![]()
Pentru perete S.
![]()
.
![]()
![]()
Pentru perete N
![]()
![]()
Pentru tavan
![]()
Pentru pardosea
![]()
A AERULUI
2.1. CALCULUL BILANŢULUI CALORIC AL SPAŢIILOR CLIMATIZATE PE TIMPUL VERII sI AL IERNII
Pentru spatiile climatizate se calculeaza bilantul caloric pe timp de vara si de iarna cu relatia:
[KJ/24 h]
2.1.1.Caldura patrunsa prin conductie, convectie si radiatie īn incinta climatizata se calculeaza cu relatia:
![]()
unde:
-cantitatea de caldura transferata
prin pereti plafon si pardosea:
[KJ/24h]
F-suprafata de
schimb de caldura m![]()
k-coeficientul global de
transfer termic recalculat dupa standardizare [w/m
k];
-diferenta
de temperatura dintre temperatura exterioara si temperatura
interioara;
-adaos de
temperatura ce tine cont de caldura patrunsa prin
radiatie;
C- pentru pereti exteriori orientati spre N, NE,
NV.
C (vara) si 2-4
C (iarna) - pentru pereti exteriori orientati spre
E, V.
C (vara) si 4-6
C (iarna) - pentru pereti exteriori orientati spre
SE,SV.
C (vara) si 6-8
C (iarna) - pentru pereti exteriori orientati spre
S.
C (vara) si 10-12
C (iarna) - pentru plafoane ce sunt acoperis.
S-au avut in vedere valorile
medii pentru latitudinea de 45
la care se situeaza tara noastra.
Perete V
[KJ/24h]
[KJ/24h]
Perete S
[KJ/24h]
[KJ/24h]
Perete E
[KJ/24h]
[KJ/24h]
Perete N
[KJ/24h]
[KJ/24h]
[KJ/24h]
[KJ/24h]
Pardosea
[KJ/24h]
[KJ/24h]
-aportul termic prin geamurile existente īn pereti
exteriori [KJ/24h]
=0 (īn spatiul climatizat nu avem geamuri);
[KJ/24h]
[KJ/24h]
|
1 |
TOTAL
|
4517.196 |
|
2 |
TOTAL
|
2.1.2. Cantitatea de caldura introdusa sau scoasa din spatiul climatizat de produsul care se prelucreaza:
[KJ/24h]
m-cantitatea de produs depozitata īn spatiul climatizat [kg/24h];
m=4000 kg;
h
,h
-entalpia produsului corespunzatoare temperaturilor la
intrarea si iesirea din spatiul climatizat; [kj/kg];
=59,3 [kj/kg];
=55,7 [kj/kg];
c
,c
-caldurile masice specifice ale ambalajelor si
mijloacelor de transport ;
c
=0,75 [kj/kgk];
m
=9.6 kg;
,
-temperaturile pe care le au produsele la intrarea si
iesirea din spatiul climatizat;
=12ŗC;
=10ŗC;
[KJ/24h]
-aportul de caldura rezultata din
reactiile exo sau endoterme ce pot avae loc īn produs;
[KJ/24h]
-cantitatea de caldura schimbata prin
tevile si conductele ce traverseaza spatiul climatizat;
=0; [KJ/24h]
Deoarece
si
, atunci
si in acest
caz si paranteza va fi
atunci
relatia de mai sus devine:
[kj/24h]
[kj/24h]
Aportul sau deficitul de caldura rezultata din reactiile exo. sau endo. ce pot avea loc in produsul depozitat
Se calculeaza cu relatia:
[kj/24h]
unde:
m - cantitatea de produs depozitat in spatiu climatizat, [kg/24h]
q
- cadura degajata sau absorbita de produs prin
respiratie, [kj/kg]
Deoarece pe produs nu se produc reactii exo-endo terme vom avea q
=0, atunci:
[kj/24h]
Cantitatea de caldura schimbata prin tevile si conductele ce traverseaza spatiul climatizat
Pentru depozitare
Se calculeaza cu relatia: ![]()
K - coeficient liniar de transfer termic [W/m]
L - lungimea conductei [m]
2.1.5.Cantitatea de caldura schimbata la exploatarea spatiilor climatizate se calculeaza cu relatia:
Se calculeaza cu relatia:
![]()
[kj/24h]
unde:
-
cantitatea de caldura introdusa in spatiu climatizat de corpurile de iluminat.
Se calculeaza cu relatia:
[kj/24h]
c - coeficient ce tine cont de tipul de iluminat(incandescent sau fluorescent)
F -
suprafata incintei, [m
W
- puterea electrica reala instalata pentru
iluminat (se micsoreaza cu 20% pentru a tine cont de energia absorbita de
suporturile sistemului de iluminat), [KWh]
- pentru
spatii de productie W
=7,5KWh
- pentru
spatii de depozitare W
=3KWh
Deoarece incinta este prevazuta cu neoane :
-
cantitatea de caldura degajata de motoarele electrice ale instalatiei.
Se calculeaza cu relatia:
=3600NK
[kj/24h]
Deoarece incinta nu are motoare electrice la instalatie :
-
cantitatea de caldura degajata de personalul care deserveste spatiul
climatizat.
Se calculeaza cu relatia:
=86,4nc
[kj/24h]
unde:
n - numarul maxim de persoane aflate in spatiul climatizat.
c
- coeficientul de corectie ce tine cont de durata
de ocupare a spatiului climatizat de personal.
q
- caldura sensibila degajata de personal in
functie de activitatea pe care o desfasoara si temperatura incintei [W/persoana]
In
tabelul urmator este data valoarea lui
q
= 197(W/persoana)
c
n = 4
[kj/24h]
-cantitatea de caldura introdusa in spatiul
climatizat cu aerul fals care patrunde in incinta la deschiderea usilor.
Se calculeaza cu relatia:
[Kj/24h]
unde:
L
- debitul masic de aer fals intrat in spatiul
climatizat, [Kj/h]
L
=3600SW
[Kj/24h]
S - sectiunea usilor deschise, [m
W - viteza aerului la deschiderea usilor, [m/s]
- densitatea aerului exterior, [Kg/m
h
- entalpia aerului exterior si interior, [Kj/Kg]
![]()
|
Diagrama hx |
|
|
|
he [Kj/Kg] | ||
|
xe [g/Kg] | ||
|
hi [Kj/Kg] | ||
|
xi [g/Kg] |
![]()
![]()
![]()
Bilantul caloric al incintei climatizate pe timp de vara si de iarna se calculeaza astfel:
[Kj/24h]
[Kj/24h]
VARA :
[Kj/24h]
IARNA :
[Kj/24h]
2.2.CALCULUL BILANŢULUI DE UMIDITATE AL
SPAŢIILOR CLIMATIZATE
Bilantul de umiditate se calculeaza cu relatia:
[Kg/24h]
-aportul de umiditate datorat personalului.
[Kg/24h]
-cantitatea de umiditate degajata prin respiratie
si transpiratie; [kg/om.h];
[kg/om.h]
[Kg/24h]
-cantitatea de umiditate degajata prin deshidratarea
produselor.
[Kg/24h]
-cantitatea de
umiditate pierduta de produs prin deshidratare [kg/kg];
=2-4%;
[Kg/24h]
-cantitatea de umiditate degajata prin evaporarea
partiala a apei de spalare;
[Kg/24h]
F-suprafata supusa
igienizarii [m
];
-durata igienizarii [ore];
m
-masa de apa evaporata īn functie de viteza
aerului;
![]()
![]()
=4,86 [Kg/24h];
-cantitatea de
umiditate introdusa prin patrunderea aerului fals;
x
,x
-continutul de umiditate al aerului interior si
exterior. [kg/kg]
[kg/24h]
[kg/24h]
|
Diagrama hx |
|
|
|
xe [g/Kg] | ||
|
xi [g/Kg] |
![]()
![]()
![]()
- debitul
masic de aer fals, [Kg/h]
=3600SW
-
continutul de umiditate al aerului exterior si interior , [Kg/Kg]
Bilantul de umiditate al incintei climatizate se calculeaza:
![]()
[Kg/24h]
2.3.CALCULUL COEFICIENTULUI DE TERMOUMIDITATE, STABILIREA ZONEI DE MICROCLIMAT ADMISE, TRASAREA DIRECŢIEI COEFICIENŢILOR DE TERMOUMIDITATE sI CALCULUL DEBITELOR DE AER.
Coeficientii de termoumiditate,
,
, se calculeaza astfel:
[KJ/KG]
unde:
[KJ/h]
[KJ/h]
Se calculeaza pentru vara si iarna.
Pe diagrama h-x se delimiteaza
zona de microclimat admisa si se traseaza directiile
coeficientilor de termoumiditate pentru vara si iarna,
rezultānd īn acest mod pozitiile punctelor C
,C
,A
,A
ce caracterizeaza aerul conditionat si uzat.
[kg/24h]
[kg/24h]
[KJ/KG]
[KJ/KG]
Se scot parametrii punctelor respective, dupa care se calculeaza debitele de aer pentru vara si iarna.
[m
/h]
|
A |
C |
I |
E |
M |
B |
D |
|
|
x | |||||||
|
| |||||||
|
t | |||||||
|
h |
[kg/h]
[m
/h]
|
A |
C |
I |
M |
B |
D |
|
|
x | ||||||
|
| ||||||
|
t | ||||||
|
h |
[m
/h]
[m
/h]
2.4.CONDIŢIONAREA AERULUI PE TIMPUL VERII sI DIMENSIONAREA AGREGATULUI DE CONDIŢIONARE
2.4.1.Dimensionarea bateriei de racire umeda.
Se calculeaza fluxul termic transmis:
[kj/h]
dupa care se calculeaza suprafata de transfer termic a bateriei de racire umeda:
[m2]
unde:
k - coeficient global de transfer termic [W/m2K]
![]()
- coeficient
de precipitare al umiditatii:
![]()
- coeficient partial de transfer termic prin convectie al
aerului [W/m2K]
![]()
- coeficient partial
de transfer termic prin convectie al aerului [W/m2K]
- coeficient partial de transfer termic prin radiatie al
aerului [W/m2K]
![]()
- diferenta
medie de temperatura calculata pe baza diagramei termice a bateriei de racier
umeda si in functie de raportul:
cand
: avem:
toC
cand
: avem:
![]()
![]()
![]()
![]()

t( oC) tM=20 oC
tD=9 oC
-8
F (m2)
17 30
![]()
![]()
![]()
Se calculeaza suprafata de transfer termic:
![]()
[w/m
k]
[w/m
k]
![]()
-diferenta medie de tamperatura.
![]()
![]()
19,5 ![]()
100
m![]()
73
2.4.2.Dimensionarea bateriei de īncalzire.
![]()
[kj/h]
Suprafata de transfer termic:
![]()
![]()
![]()
9
m![]()
7,5
Conditionarea aerului pe timpul iernii si dimensionarea agregatului de conditionare
Se reprezinta procesul de conditionare al aerului pe timpul iernii si componenta agregatului de conditionare corespunzator procesului.
In functie de procesul de conditionare rezultat putem avea urmatoarele situatii:
a) - fara preincalzire a aerului proaspat
b) - cu preincalzire a aerului proaspat
a) - In aceasta situatie dimensionarea agregatului de conditionare consta in calculul a doua baterii de incalzire (pentru procesele ME si DC) si a camerei de umidificare (pentru pardoseli ED).
![]()
![]()
![]()
Dimensionarea camerei de umidificare
Se calculeaza mai intai randamentul camerei de umidificare:
![]()
In functie de randamet
rezulta tipul de camera de umidificare si coeficientul de pulverizare al apei
, astfel:
- camera
tip A cu un registru;
- camera
tip B cu 2 registre ;
- camera
tip C cu 3 registre ;
Se calculeaza - debitul de apa
pulverizata,
:
Kg/h
![]()
![]()
- debitul de apa preluata de aer īn camera de umidificare ,
:
Kg/h
![]()


t(oC) t(oC)
83 83
85 85
tCi=11.2 oC
tE= -6 oC tD=7 oC
tM=2.5 oC
F(m2) F(m2)
89 87.5 94.2 92
![]()
![]()
![]()
![]()
![]()
![]()
![]()
![]()
![]()
BIBLIOGRAFIE
1. I. Tofan, C. Vizireanu "Indrumar pentru proiectarea instalatieie de conditionare si frigorifice folosite īn industria alimentara", Galati, 1994
2. A. Cristea "Ventilarea si conditionarea aerului", vol. I, Ed. Tehnica,
3. T. D. Savulescu "Instalatii de īncalzire si ventilare", vol. I, II, Ed. Tehnica,Bucuresti, 1985
4. I. Rasenescu "Operatii si utilaje īn industria alimentara", vol. I, Ed.
5. Radcenco "Procese si instalatii frigorifice", Ed. Didactica si Pedagogica, Bucuresti, 1982
6. P. Stamatescu "Tehnica frigului", vol. I, II, Ed. Tehnica, Bucuresti, 1972
7. B. Pancan "Climatizari īn industria alimentara - note de curs"
8. Pavlov "Exercitii si probleme de operatii īn industria chimica", Ed.Tehnica, Bucuresti, 1982
Bucuresti, 1970
Tehnica, Bucuresti, 1971
|